Поиск подшипника
Статьи
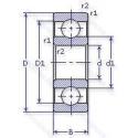
61809 — Подшипник однорядный шариковый радиальный, основное исполнение, выпускается производителями: AKN, CCVI, CRAFT, CX, ELGES, FAG, FELSTROM, INA, ISB, ISO, NKE, NSK, NTN, SAPPORO, SIGMA, SKF, SNR, STEYR, URB, ZEN.
Размер подшипника: 45x58x7 мм.
Альтернативное обозначение: 6809.
Аналоги: 61809 SKF,6809 Nachi,6809 NTN,6809 NSK,61809 NKE,6809 Koyo,61809 Steyr,6809JR NTN,61809 AKN,6809 ISB,6809 Neutral,61809 Neutral.
Международная стандартизации ISO
61809
В наличии
| Обозначение | Конструктивные изменения |
|---|---|
| 61809ZZ | Защитные металлические шайбы (бесконтактные уплотнения) с обеих сторон подшипника. |
| 61809 2RS | Резиновые уплотнения с каждой стороны подшипника. |
| 61809-Y | Листовая латунная клетка. |
| 61809-2RSR-Y | Резиновые уплотнения с каждой стороны подшипника. Листовая латунная клетка. |
| 61809 2RS Y | Уплотнения с обеих сторон.. Сепаратор из прессованной латуни. |
| 61809-2RZ-Y | Шарикоподшипник. С уплотнением и низким коэффициентом трения с обеих сторон. Уплотнение состоит из шайбы из листовой стали с вулканизированной резиной. Подшипник с сепаратором из латуни центрированный по телам качения. |
| 61809-Y-C3 | Внутренний зазор больше нормального. Подшипник с сепаратором из латуни центрированный по телам качения. |
| 61809-2RS1 | Усиленные листовой сталью контактные уплотнения из акрилонитрил-бутадиенового каучука (NBR) с обеих сторон подшипника. |
| 61809-2RZ | Шарикоподшипник. С уплотнением и низким коэффициентом трения с обеих сторон. Уплотнение состоит из шайбы из листовой стали с вулканизированной резиной. |
| 61809-M | Механически обработанный латунный сепаратор .Расположенный на элементах качения. |
| 61809EE | Резиновые уплотнения с каждой стороны подшипника. |
| 61809-2Z-C3 | Внутренний зазор больше нормального. Защитные стальные шайбы с обеих сторон. |
| 61809 2RS VA | Резиновые уплотнения с каждой стороны подшипника. Нержавеющая сталь. |
| 61809VA | Нержавеющая сталь. |
| 61809ZZ C3 | Внутренний зазор больше нормального. Защитные металлические шайбы с обеих сторон. |
| 61809ZZ EMQ | Защитные стальные шайбы с обеих сторон. Качество электродвигателя. |
| 61809EE Y | Резиновые уплотнения с каждой стороны подшипника. Штампованный латунный фиксатор. Направляемые элементы качения. |
| 61809ZZY | Защитные металлические шайбы с обеих сторон. Штампованный латунный фиксатор. Направляемые элементы качения. |
| 61809-2RSR-Y-L237 | Резиновые уплотнения с каждой стороны подшипника. Сепаратор из прессованной латуни. Центрирование шарика. Высокотемпературная смазка. |
| 61809 2BRS Y | Сепаратор из прессованной латуни. Центрирование шарика. Бесконтактные лабиринтные уплотнения с обеих сторон. |
| 61809 2URS Y | Сепаратор из прессованной латуни. Центрирование шарика. Специальное манжетное уплотнение с обеих сторон подшипника. |
| 61809 BRS Y | Сепаратор из прессованной латуни. Центрирование шарика. Бесконтактные лабиринтные уплотнения с одной стороны. |
| 61809 RS Y | Сепаратор из прессованной латуни. Центрирование шарика. Резиновое уплотнение с одной стороны. |
| 61809 URS Y | Сепаратор из прессованной латуни. Центрирование шарика. |
| 61809 Z Y | щит из листовой прессованной стали с одной стороны подшипника. Сепаратор из прессованной латуни. Центрирование шарика. |
Модификации шарикового подшипника 61809 — это измененное основное конструктивное исполнение 61809, основные размеры (45x58x7) не отличаются.
| Обозначение | Гост | Конструктивные особенности |
|---|---|---|
| 6809 | ISO | Подшипник однорядный шариковый радиальный. |
| 6809ZZ | ISO | Металлическая защитная шайба с двух сторон. |
| 6809VV CM AV2S | ISO | Lubricant. Shell Oil Co.. Alvania #2 Grease. 1/4 Full. Temperature Range = -10°C / + 110°C (Normal Temperature Grease). Шариковый подшипник. Специальный радиальный внутренний зазор для электродвигателей. Защитные металлические шайбы с двух сторон подшипника (лучше. чем ZZ (пригодно для использования в условиях умеренной запыленности)) Бесконтактного уплотнения. |
| 6809ZZ AV2S | ISO | Защитные металлические шайбы с двух сторон подшипника. Lubricant. Shell Oil Co.. Alvania #2 Grease. 1/4 Full. Temperature Range = -10°C / + 110°C (Normal Temperature Grease). |
| 6809ZZE CM | ISO | Радиальный шарикоподшипник серии Excel. Защитные металлические шайбы с обеих сторон. Шариковый подшипник. Специальный радиальный внутренний зазор для электродвигателей. |
| 6809DD/NS7S | ISO | Стандартное заполнение. Резиновые уплотнения с каждой стороны подшипника. NS Hi Lube Grease. (NS7/ Inside With Grease. Up Than 35%. Temperature Resistance -40°C To +140°C). |
| 6809JR | ISO | Клепаный сепаратор. где стандартный размер обычно приваривается точечной сваркой. |
| 6809 2RU | ISO | Non Contact Type Friction Torque = Small High Speed Performance = Good Grease Sealing = Better Than ZZ-Type Dirt Resistance = Better Than ZZ-Type Water Resistance = Better Than ZZ / Inferior To 2RS Operating Temp. -30°C To + 100°C. |
| 6809 2RS Y | ISO | Резиновые уплотнения с каждой стороны подшипника. Штампованный латунный фиксатор. Направляемые элементы качения. |
| 6809ZZ Y | ISO | Защитные металлические шайбы с обеих сторон. Штампованный латунный фиксатор. Направляемые элементы качения. |
| 6809DDU | ISO | Резиновые уплотнения с каждой стороны подшипника. |
| 6809A C3 | ISO | Внутренний зазор больше нормального. Внутренняя конструкция отличается от стандартной. |
| 6809JR LLB | ISO | Уплотнение бесконтактного типа из синтетического каучука. Клепаный сепаратор. где стандартный размер обычно приваривается точечной сваркой. |
| 6809CM | ISO | Шариковый подшипник. Специальный радиальный внутренний зазор для электродвигателей. |
| 6809JR LLU | ISO | Резиновые уплотнения с каждой стороны подшипника. Клепаный сепаратор. где стандартный размер обычно приваривается точечной сваркой. |
| T29NP R5/12G | ISO | Lip Seal On One Side (P Type - One Zinc-Plated Sheet Steel Washer With Intermediate NBR Part. Seal Lip Axially Preloaded). |
| 6809A | ISO | Внутренняя конструкция отличается от стандартной. |
| 6809LLB | ISO | Уплотнение бесконтактного типа из синтетического каучука. |
| 6809ZZ NR C4 | ISO | Внутренний зазор подшипника больше. чем C3. Защитные металлические шайбы с обеих сторон. Канавка под стопорное кольцо на наружном кольце с соответствующим стопорным кольцом. |
| 6809JR LLU/5K | ISO | Резиновые уплотнения с каждой стороны подшипника. Клепаный сепаратор. где стандартный размер обычно приваривается точечной сваркой. Grease/ Kyodo Yushi / Multemp SRL (-40°C to +150°C). |
| 6809JR LLU/2AS | ISO | Резиновые уплотнения с каждой стороны подшипника. Клепаный сепаратор. где стандартный размер обычно приваривается точечной сваркой. LUBRICANT. SHELL OIL CO.. ALVANIA #2 GREASE. MIL-G-18709A. |
| 6809 | ГОСТ | Подшипник однорядный шариковый радиальный. |
Аналог шарикового подшипника 61809 — это подшипник такого же размера dx45,Dx58,Bx7, типа и конструкции.
| Обозначение | Конструктивные особенности | Внутренний (d) | Наружный (D) | Ширина (B) |
|---|---|---|---|---|
| SS 61809-ZZ | Шариковый радиальный однорядный подшипник. Защитные металлические шайбы с обеих сторон. | 45.00 | 58.00 | 7.00 |
| 6809Z | Шариковый радиальный однорядный подшипник. Стальная шайба. | 45.00 | 58.00 | 7.00 |
| 6809-2RD | Шариковый радиальный однорядный подшипник. Облегченное контактное уплотнение с двух сторон.. | 45.00 | 58.00 | 7.00 |
| 6809N | Шариковый радиальный однорядный подшипник. Канавка для стопорного кольца на наружном кольце. | 45.00 | 58.00 | 7.00 |
| 6809ZZE | Шариковый радиальный однорядный подшипник. | 45.00 | 58.00 | 7.00 |
| 6809NSE | Шариковый радиальный однорядный подшипник. Резиновое уплотнение с одной стороны. | 45.00 | 58.00 | 7.00 |
| 6809-2NSE | Шариковый радиальный однорядный подшипник. Резиновые уплотнения с каждой стороны подшипника. | 45.00 | 58.00 | 7.00 |
| 6809ZE | Шариковый радиальный однорядный подшипник. щит из листовой прессованной стали с одной стороны подшипника. | 45.00 | 58.00 | 7.00 |
| 6809-2NKE | Шариковый радиальный однорядный подшипник. Double Labyrinth Seal (Non Contact). | 45.00 | 58.00 | 7.00 |
| 6809DD | Шариковый радиальный однорядный подшипник. Два уплотнения из PTFE. | 45.00 | 58.00 | 7.00 |
| 6809LLU | Шариковый радиальный однорядный подшипник. Контактное резиновое уплотнение с двух сторон. | 45.00 | 58.00 | 7.00 |
| W 61809 R-2Z | Шариковый радиальный однорядный подшипник. Защитные металлические шайбы с обеих сторон подшипника. Нержавеющая сталь. С выпуклыми асимметричными роликами и обработанным сепаратором. | 45.00 | 58.00 | 7.00 |
| 6-2000809 Л | Шариковый радиальный однорядный подшипник. Сепаратор из латуни.. | 45.00 | 58.00 | 8.00 |
| 6-2000809 ЛТ2 | Шариковый радиальный однорядный подшипник. Сепаратор из латуни.. 200°. Температура отпуска. | 45.00 | 58.00 | 8.00 |
| 6-2000809 Ю2 | Шариковый радиальный однорядный подшипник. Все детали или часть деталей из нержавеющей стали.. | 45.00 | 58.00 | 8.00 |
Способы доставки
Отправка через ведущие транспортные и курьерские компании: ПЭК, Деловые Линии, СДЭК, Байкал-Сервис, Энергия, КИТ, ЖелДорЭкспедиция.
Самовывоз возможен напрямую со склада в Москве.
Сроки доставки
Срок зависит от региона и выбранной транспортной компании. Все заказы комплектуются и отправляются в кратчайшие сроки со склада в Москве.
Надёжность и сохранность
Вся продукция упаковывается с учётом требований транспортировки. Мы гарантируем, что подшипники и комплектующие прибудут к заказчику в полной сохранности.
Доставка в страны ЕАЭС
Мы работаем с проверенными логистическими партнёрами, что позволяет оперативно доставлять заказы в Беларусь, Казахстан, Армению и другие страны ЕАЭС.
Варианты оплаты:
Минимальная сумма заказа и скидки:
Документы и гарантии:
Да, конечно! Наши технические специалисты готовы помочь вам с подбором точного аналога или замены подшипника. Просто позвоните нам по телефону +7 (495) 104-99-04 или напишите на почту zakaz@podsnab.ru.
Для оперативной консультации подготовьте, пожалуйста, имеющиеся данные: маркировку, размеры, тип оборудования или артикул старого подшипника.
Да, конечно! Мы высоко ценим долгосрочное сотрудничество и доверие клиентов по всей России. Для постоянных клиентов действует персональная система скидок.
Условия формируются индивидуально и зависят от:
Чтобы узнать свои условия и получить максимально выгодное предложение, свяжитесь с персональным менеджером или напишите нам на почту zakaz@podsnab.ru.
Вы можете оформить заказ несколькими способами:
Для оформления заказа от юридического лица свяжитесь с нашим отделом по работе с корпоративными клиентами по телефону +7 (495) 104-99-04 или напишите на email zakaz@podsnab.ru, прикрепив реквизиты вашей организации.
Мы оперативно подготовим коммерческое предложение и выставим счет.
Возврат товара надлежащего качества возможен в течение 10 дней с момента получения, если товар не был в употреблении, сохранен товарный вид, упаковка не вскрывалась и присутствуют все сопроводительные документы.
Возврат денежных средств осуществляется в течение 10 рабочих дней после проверки товара складом.
В соответствии с законодательством возврату не подлежат подшипники надлежащего качества, если отсутствует оригинальная упаковка или имеются следы монтажа.
В случае выявления брака или гарантийного случая мы гарантируем возврат или обмен товара.
Да, гарантийный срок хранения устанавливается заводом-изготовителем и в среднем составляет 2 года при соблюдении условий хранения: сухое помещение, оригинальная упаковка и смазка.
Точный срок для конкретного типа подшипника уточняйте у наших менеджеров.
Пн–Пт: с 8:00 до 17:00 (МСК).
Сб–Вс: выходные дни.
Заказы на сайте принимаются круглосуточно. Заявки, поступившие после окончания рабочего дня, обрабатываются на следующий рабочий день.
Минимальная сумма заказа для доставки составляет 3000 рублей. Самовывоз со склада возможен на любую сумму при наличии товара.
ООО «УралТехГрупп»
ИНН: 7415093830
КПП: 772401001
ОГРН: 1167456069021
Банк: ПАО Сбербанк
Р/с: 40702810838000475273
К/с: 30101810400000000225
БИК: 044525225
У подшипника 61809 пока нет отзывов. Вы можете стать первым покупателем, поделившимся своим мнением.