Поиск подшипника
Статьи
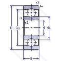
61864MA — Подшипник однорядный шариковый радиальный, модификация основного исполнения 61864, выпускается производителями: FAG, ISB, NKE, NSK, RKB, SKF.
Размер подшипника: 320x400x38 мм.
Механически обработанный латунный сепаратор. центрирование по внешнему кольцу.
Аналоги: 61864-MA FAG,61864-MA NKE.
Международная стандартизации ISO
61864MA
В наличии
| Обозначение | Конструктивные изменения |
|---|---|
| 61864M | Твердый латунный сепаратор с шариковой направляющей. |
| 61864-M-HLU | Подшипник с латунным сепаратором. центрированный по телам качения. Код местонахождения завода. может использоваться в стандартной комплектации. |
| 61864MA C3 | Внутренний зазор больше нормального. Механически обработанный латунный сепаратор. Центрирование по внешнему кольцу. |
| 61864 | Подшипник однорядный шариковый радиальный. Основное конструктивное исполнение. |
| 61864-M-HLU-C3 | Внутренний зазор больше нормального. Твердый латунный сепаратор. Шариковые направляющие. Код местонахождения завода. может использоваться в стандартной комплектации. |
| 61864MB C3 | Внутренний зазор больше нормального. Механически обработанный латунный сепаратор. направляющий по внутреннему кольцу. |
| 61864MB | Механически обработанный латунный сепаратор. направляющий по внутреннему кольцу. |
| 61864M.C3 | Внутренний зазор больше нормального. Твердый латунный сепаратор. Шариковые направляющие. |
| 61864-M-C4 | Внутренний зазор подшипника больше. чем C3. Твердый латунный сепаратор. Шариковые направляющие. |
| 61864 2BRS M | Подшипник с латунным сепаратором. центрированный по телам качения. Бесконтактные лабиринтные уплотнения с обеих сторон. |
| 61864 2RS M | Резиновые уплотнения с каждой стороны подшипника. Подшипник с латунным сепаратором. центрированный по телам качения. |
| 61864 2URS M | Подшипник с латунным сепаратором. центрированный по телам качения. Специальное манжетное уплотнение с обеих сторон подшипника. |
| 61864 2Z M | Подшипник с латунным сепаратором. центрированный по телам качения. Защитные металлические шайбы с обеих сторон подшипника. |
| 61864 BRS M | Подшипник с латунным сепаратором. центрированный по телам качения. Бесконтактные лабиринтные уплотнения с одной стороны. |
| 61864 RS M | Подшипник с латунным сепаратором. центрированный по телам качения. Резиновое уплотнение с одной стороны. |
| 61864 URS M | Подшипник с латунным сепаратором. центрированный по телам качения. |
| 61864 Z M | Подшипник с латунным сепаратором. центрированный по телам качения. щит из листовой прессованной стали с одной стороны подшипника. |
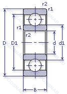
Модификации шарикового подшипника 61864MA — это измененное основное конструктивное исполнение 61864, основные размеры (320x400x38) не отличаются.
| Обозначение | Гост | Конструктивные особенности |
|---|---|---|
| 6864 | ISO | Подшипник однорядный шариковый радиальный. |
| 6864M | ISO | Твердый латунный сепаратор. Шариковые направляющие. |
Аналог шарикового подшипника 61864MA — это подшипник такого же размера dx320,Dx400,Bx38, типа и конструкции.
| Обозначение | Конструктивные особенности | Внутренний (d) | Наружный (D) | Ширина (B) |
|---|---|---|---|---|
| SL181864-E-BR | Однорядный цилиндрический роликовый подшипник. Повышенная грузоподъемность. Чёрный цвет. | 320.00 | 400.00 | 38.00 |
| SL181864-E-IR/T-CN/3L | Однорядный цилиндрический роликовый подшипник. Повышенная грузоподъемность. Нормальный радиальный внутренний зазор. Clearance Range Corresponding To The Lower Half Of The Actual Clearance Range. Канавки во внутреннем кольце находятся со стороны стопорного кольца. | 320.00 | 400.00 | 38.00 |
| SL181864-E-C3 | Однорядный цилиндрический роликовый подшипник. Внутренний зазор больше нормального. Повышенная грузоподъемность. | 320.00 | 400.00 | 38.00 |
| F-562506.TR1 | Однорядный конический роликовый подшипник. Однорядный конический роликоподшипник. | 319.98 | 400.02 | 38.00 |
| NU 1864 ECMP | Роликовый радиальный цилиндрический однорядный подшипник. Однорядный цилиндрический роликовый подшипник. | 320.00 | 400.00 | 38.00 |
| NUP 1864 ECMP | Роликовый радиальный цилиндрический однорядный подшипник. Однорядный цилиндрический роликовый подшипник. | 320.00 | 400.00 | 38.00 |
| NJ1864 | Роликовый радиальный однорядный подшипник. Штампованный сепаратор из стального листа. Канавка под стопорное кольцо на наружном кольце подшипника. Однорядный цилиндрический роликовый подшипник. Наружное кольцо имеет два борта. | 320.00 | 400.00 | 38.00 |
| NU1864 | Роликовый радиальный однорядный подшипник. Канавка под стопорное кольцо на наружном кольце подшипника. Однорядные цилиндрические роликоподшипники. Наружное кольцо подшипника имеет два борта. | 320.00 | 400.00 | 38.00 |
| NUP1864 | Роликовый радиальный однорядный подшипник. Канавка под стопорное кольцо на наружном кольце подшипника. Точность размеров примерно соответствует классу точности Р4. Однорядный цилиндрический роликовый подшипник. Наружное кольцо имеет два борта. | 320.00 | 400.00 | 38.00 |
| PSL 612-324 | Роликовый радиальный-упорный однорядный подшипник. Обозначает длину в миллиметрах. | 319.98 | 400.01 | 38.00 |
| 7864A | Шариковый радиально-упорный однорядный подшипник. Двухрядный радиально-упорный шарикоподшипник без отверстия для смазки. | 320.00 | 400.00 | 38.00 |
| 7864B | Шариковый радиально-упорный однорядный подшипник. Конический роликовый подшипник. Угол контакта 20 градусов. | 320.00 | 400.00 | 38.00 |
| 1000864-Л | Шариковый радиальный однорядный подшипник. Сепаратор из латуни.. | 320.00 | 400.00 | 38.00 |
| 6-1000864 Л | Шариковый радиальный однорядный подшипник. Сепаратор из латуни.. | 320.00 | 400.00 | 38.00 |
| 6-1176864 Л1 | Шариковый радиально-упорный однорядный подшипник. Сепаратор из латуни.. | 320.00 | 400.00 | 38.00 |
Способы доставки
Отправка через ведущие транспортные и курьерские компании: ПЭК, Деловые Линии, СДЭК, Байкал-Сервис, Энергия, КИТ, ЖелДорЭкспедиция.
Самовывоз возможен напрямую со склада в Москве.
Сроки доставки
Срок зависит от региона и выбранной транспортной компании. Все заказы комплектуются и отправляются в кратчайшие сроки со склада в Москве.
Надёжность и сохранность
Вся продукция упаковывается с учётом требований транспортировки. Мы гарантируем, что подшипники и комплектующие прибудут к заказчику в полной сохранности.
Доставка в страны ЕАЭС
Мы работаем с проверенными логистическими партнёрами, что позволяет оперативно доставлять заказы в Беларусь, Казахстан, Армению и другие страны ЕАЭС.
Варианты оплаты:
Минимальная сумма заказа и скидки:
Документы и гарантии:
Да, конечно! Наши технические специалисты готовы помочь вам с подбором точного аналога или замены подшипника. Просто позвоните нам по телефону +7 (495) 104-99-04 или напишите на почту zakaz@podsnab.ru.
Для оперативной консультации подготовьте, пожалуйста, имеющиеся данные: маркировку, размеры, тип оборудования или артикул старого подшипника.
Да, конечно! Мы высоко ценим долгосрочное сотрудничество и доверие клиентов по всей России. Для постоянных клиентов действует персональная система скидок.
Условия формируются индивидуально и зависят от:
Чтобы узнать свои условия и получить максимально выгодное предложение, свяжитесь с персональным менеджером или напишите нам на почту zakaz@podsnab.ru.
Вы можете оформить заказ несколькими способами:
Для оформления заказа от юридического лица свяжитесь с нашим отделом по работе с корпоративными клиентами по телефону +7 (495) 104-99-04 или напишите на email zakaz@podsnab.ru, прикрепив реквизиты вашей организации.
Мы оперативно подготовим коммерческое предложение и выставим счет.
Возврат товара надлежащего качества возможен в течение 10 дней с момента получения, если товар не был в употреблении, сохранен товарный вид, упаковка не вскрывалась и присутствуют все сопроводительные документы.
Возврат денежных средств осуществляется в течение 10 рабочих дней после проверки товара складом.
В соответствии с законодательством возврату не подлежат подшипники надлежащего качества, если отсутствует оригинальная упаковка или имеются следы монтажа.
В случае выявления брака или гарантийного случая мы гарантируем возврат или обмен товара.
Да, гарантийный срок хранения устанавливается заводом-изготовителем и в среднем составляет 2 года при соблюдении условий хранения: сухое помещение, оригинальная упаковка и смазка.
Точный срок для конкретного типа подшипника уточняйте у наших менеджеров.
Пн–Пт: с 8:00 до 17:00 (МСК).
Сб–Вс: выходные дни.
Заказы на сайте принимаются круглосуточно. Заявки, поступившие после окончания рабочего дня, обрабатываются на следующий рабочий день.
Минимальная сумма заказа для доставки составляет 3000 рублей. Самовывоз со склада возможен на любую сумму при наличии товара.
ООО «УралТехГрупп»
ИНН: 7415093830
КПП: 772401001
ОГРН: 1167456069021
Банк: ПАО Сбербанк
Р/с: 40702810838000475273
К/с: 30101810400000000225
БИК: 044525225
У подшипника 61864MA пока нет отзывов. Вы можете стать первым покупателем, поделившимся своим мнением.