Поиск подшипника
Статьи
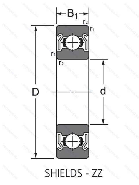
RLS9ZZ — Подшипник однорядный шариковый радиальный, модификация основного исполнения RLS9, выпускается производителями: CHINA, HIC, IKS IZUMOTO SEIKO CO., JAF, LTD, NACHI, NEUTRAL, NIS, SLB, STEYR, WTW.
Размер подшипника: 28x63x15 мм.
Цилиндрический роликовый подшипник, однорядный, двухкромочное внутреннее кольцо, цилиндрическое наружное кольцо, легкая дюймовая серия, защитные металлические шайбы с обеих сторон.
Альтернативное обозначение: LJ1.1/8-2Z, LS11FF.
Аналоги: LS11.2Z FAG,RLS9-2Z SKF,LJ1.1/8 2Z RHP,RLS9ZZ Nachi,RLS9ZZ Steyr,RLS9.2Z NKE,RLS9ZZ XC,RLS9ZZ SMT,RLS9ZZ Neutral.
Международная стандартизации ISO
RLS9ZZ
В наличии
| Обозначение | Конструктивные изменения |
|---|---|
| RLS9-2Z | Защитные металлические шайбы с обеих сторон подшипника. |
| RLS9 2RS | Резиновые уплотнения с каждой стороны подшипника. |
| RLS9-2RS1 | Усиленные листовой сталью контактные уплотнения из акрилонитрил-бутадиенового каучука (NBR) с обеих сторон подшипника. |
| RLS9 | Подшипник однорядный шариковый радиальный. Основное конструктивное исполнение. |
| RLS9 2NSL | Контактные уплотнения на каждой стороне подшипника.. |
| RLS9/1.1/4 | Number Of Carriages Per Rail Track. Подшипник с чрезвычайно высокой точностью вращения (Abec9) и допуском формы (Abec7). |
| RLS9LL V3 | Контактное. синтетические. резиновое уплотнение с двух сторон. Радиальный зазор больше стандартного. |
| RLS9 2NS | Контактное уплотнение с двух сторон подшипника. |
| RLS9/C6 | Уровень шума ниже нормы (бесшумная работа). |
Модификации шарикового подшипника RLS9ZZ — это измененное основное конструктивное исполнение RLS9, основные размеры (28x63x15) не отличаются.
| Обозначение | Гост | Конструктивные особенности |
|---|---|---|
| LJ1.1/8J | ISO | Подшипник однорядный шариковый радиальный. |
| LS11V4 | ISO | Класс предварительной нагрузки 4. |
| 1652 2RS | ISO | Резиновые уплотнения с каждой стороны подшипника. |
| LJ1.1/8ZZ | ISO | Подшипник однорядный шариковый радиальный. |
| LS11 | ISO | Подшипник однорядный шариковый радиальный. |
| 1652ZZ | ISO | Защитные металлические шайбы с обеих сторон. |
| AB12179 | ISO | Однорядный радиально-упорный шариковый подшипник с полиамидным сепаратором. |
| 1652DS | ISO | Защитная металлическая шайба с двух сторон подшипника. |
| LJ1+1/8 | ISO | Number Of Carriages Per Rail Track. Средний предварительный натяг. |
| PA9 | ISO | Подшипник однорядный шариковый радиальный. |
| 1652DC | ISO | TWO SYNTHETIC CONTACT SEALS. |
| LS11.2RS | ISO | Резиновые уплотнения с каждой стороны подшипника. |
| LS11.2Z | ISO | Защитные металлические шайбы с обеих сторон. |
| 6206/28 2RS | ISO | Резиновые уплотнения с каждой стороны подшипника. 1.3/4. |
| LJ1.1/8 2RSR | ISO | Резиновые уплотнения с каждой стороны подшипника. |
| LJ1+1/8-C3 | ISO | Внутренний зазор больше нормального. |
| 1652 | ISO | Подшипник однорядный шариковый радиальный. |
| 6206/28.5ETN9 | ISO | Оптимизированный внутренний дизайн. Литая защелкивающаяся клетка из полиамида 6.6. армированного стекловолокном с шариковой центрировкой.. 1.3/4. |
| LJ1.1/8 2RSJ | ISO | Резиновые уплотнения с каждой стороны подшипника. Сепаратор из стали. |
| LJ1.1/8-2ZJ | ISO | Прессованный стальной сепаратор. Защитные металлические шайбы с обеих сторон. |
Аналог шарикового подшипника RLS9ZZ — это подшипник такого же размера dx28,Dx63,Bx15, типа и конструкции.
| Обозначение | Конструктивные особенности | Внутренний (d) | Наружный (D) | Ширина (B) |
|---|---|---|---|---|
| LLRJN1.1/8M | Однорядный цилиндрический роликовый подшипник. Механически обработанный латунный сепаратор .Расположенный на элементах качения. Number Of Carriages Per Rail Track. | 28.58 | 63.50 | 15.88 |
| LRJA1.1/8M C3 | Однорядный цилиндрический роликовый подшипник. Внутренний зазор больше нормального. Механически обработанный латунный сепаратор .Расположенный на элементах качения. | 28.58 | 63.50 | 15.88 |
| RL9C | Подшипник шариковый двухрядный самоустанавливающийся. Внутренние изменения в конструкции. | 28.58 | 63.50 | 15.88 |
| LRJ1.1/8MB | Однорядный цилиндрический роликовый подшипник. Однокомпонентное внутреннее кольцо с центрированным сепаратором из механически обработанной латуни. | 28.58 | 63.50 | 15.88 |
| LRJA1.1/8MB | Однорядный цилиндрический роликовый подшипник. Однокомпонентное внутреннее кольцо с центрированным сепаратором из механически обработанной латуни. | 28.58 | 63.50 | 15.88 |
| QJL1.1/8 | Подшипник шариковый с четырехточечным контактом. Number Of Carriages Per Rail Track. Средний предварительный натяг. | 28.57 | 63.50 | 15.88 |
| NJ206/28.5ECP/VC025 | однорядный цилиндрический роликовый подшипник. Оптимизированная внутренняя конструкция предусматривает увеличенное количество роликов и/или ролики большего размера с улучшенными условиями контакта торцов роликов с бортами внутреннего кольца. Сепаратор из стеклонаполненного полиамида PA66. центрируемый по роликам. 1.3/4. Однорядный цилиндрический роликовый подшипник. Bearing With Specially Wear-Resistant Raceways For Applications In Heavily Contaminated Environments. | 28.50 | 62.00 | 16.00 |
| NJ206/28.5ECP | Однорядный цилиндрический роликовый подшипник. Оптимизированная внутренняя конструкция предусматривает увеличенное количество роликов и/или ролики большего размера с улучшенными условиями контакта торцов роликов с бортами внутреннего кольца. Сепаратор из стеклонаполненного полиамида PA66. центрируемый по роликам. 1.3/4. | 28.50 | 62.00 | 16.00 |
| NLJ1.1/8K5 | Подшипник шариковый двухрядный самоустанавливающийся. Ближе к стандартным допускам. | 28.58 | 63.50 | 15.88 |
| LRJ1.1/8C3 | Однорядный цилиндрический роликовый подшипник. Внутренний зазор больше нормального. | 28.58 | 63.50 | 15.88 |
| LLRJ1.1/8J | Однорядный цилиндрический роликовый подшипник. Прессованный стальной сепаратор. Number Of Carriages Per Rail Track. | 28.58 | 63.50 | 15.88 |
| LLRJ1.1/8 | Роликовый радиальный однорядный подшипник. Number Of Carriages Per Rail Track. Средний предварительный натяг. | 28.57 | 63.50 | 15.88 |
| 6206LUA/28 | Шариковый радиальный однорядный подшипник. 1.3/4. Полиакриловое резиновое уплотнение. | 28.00 | 62.00 | 16.00 |
| US206-18 | Шариковый радиальный однорядный подшипник. 18° Угол контакта. | 28.57 | 62.00 | 16.00 |
| CUS206-18 | Шариковый радиальный однорядный подшипник. 18° Угол контакта. | 28.57 | 62.00 | 16.00 |
Способы доставки
Отправка через ведущие транспортные и курьерские компании: ПЭК, Деловые Линии, СДЭК, Байкал-Сервис, Энергия, КИТ, ЖелДорЭкспедиция.
Самовывоз возможен напрямую со склада в Москве.
Сроки доставки
Срок зависит от региона и выбранной транспортной компании. Все заказы комплектуются и отправляются в кратчайшие сроки со склада в Москве.
Надёжность и сохранность
Вся продукция упаковывается с учётом требований транспортировки. Мы гарантируем, что подшипники и комплектующие прибудут к заказчику в полной сохранности.
Доставка в страны ЕАЭС
Мы работаем с проверенными логистическими партнёрами, что позволяет оперативно доставлять заказы в Беларусь, Казахстан, Армению и другие страны ЕАЭС.
Варианты оплаты:
Минимальная сумма заказа и скидки:
Документы и гарантии:
Да, конечно! Наши технические специалисты готовы помочь вам с подбором точного аналога или замены подшипника. Просто позвоните нам по телефону +7 (495) 104-99-04 или напишите на почту zakaz@podsnab.ru.
Для оперативной консультации подготовьте, пожалуйста, имеющиеся данные: маркировку, размеры, тип оборудования или артикул старого подшипника.
Да, конечно! Мы высоко ценим долгосрочное сотрудничество и доверие клиентов по всей России. Для постоянных клиентов действует персональная система скидок.
Условия формируются индивидуально и зависят от:
Чтобы узнать свои условия и получить максимально выгодное предложение, свяжитесь с персональным менеджером или напишите нам на почту zakaz@podsnab.ru.
Вы можете оформить заказ несколькими способами:
Для оформления заказа от юридического лица свяжитесь с нашим отделом по работе с корпоративными клиентами по телефону +7 (495) 104-99-04 или напишите на email zakaz@podsnab.ru, прикрепив реквизиты вашей организации.
Мы оперативно подготовим коммерческое предложение и выставим счет.
Возврат товара надлежащего качества возможен в течение 10 дней с момента получения, если товар не был в употреблении, сохранен товарный вид, упаковка не вскрывалась и присутствуют все сопроводительные документы.
Возврат денежных средств осуществляется в течение 10 рабочих дней после проверки товара складом.
В соответствии с законодательством возврату не подлежат подшипники надлежащего качества, если отсутствует оригинальная упаковка или имеются следы монтажа.
В случае выявления брака или гарантийного случая мы гарантируем возврат или обмен товара.
Да, гарантийный срок хранения устанавливается заводом-изготовителем и в среднем составляет 2 года при соблюдении условий хранения: сухое помещение, оригинальная упаковка и смазка.
Точный срок для конкретного типа подшипника уточняйте у наших менеджеров.
Пн–Пт: с 8:00 до 17:00 (МСК).
Сб–Вс: выходные дни.
Заказы на сайте принимаются круглосуточно. Заявки, поступившие после окончания рабочего дня, обрабатываются на следующий рабочий день.
Минимальная сумма заказа для доставки составляет 3000 рублей. Самовывоз со склада возможен на любую сумму при наличии товара.
ООО «УралТехГрупп»
ИНН: 7415093830
КПП: 772401001
ОГРН: 1167456069021
Банк: ПАО Сбербанк
Р/с: 40702810838000475273
К/с: 30101810400000000225
БИК: 044525225
У подшипника RLS9ZZ пока нет отзывов. Вы можете стать первым покупателем, поделившимся своим мнением.