Поиск подшипника
Статьи
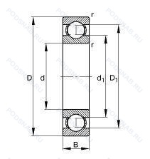
61838-MA-C3 — Подшипник однорядный шариковый радиальный, модификация основного исполнения 61838, выпускается производителями: FAG, NKE, SKF.
Размер подшипника: 190x240x24 мм.
Внутренний зазор больше нормального, механически обработанный латунный сепаратор. центрирование по внешнему кольцу.
Международная стандартизации ISO
61838MAC3
В наличии
| Обозначение | Конструктивные изменения |
|---|---|
| 61838.C3 | Внутренний зазор больше нормального. |
| 61838MB | Подшипник однорядный шариковый радиальный. |
| 61838-M | Подшипник с латунным сепаратором. центрированный по телам качения. |
| 61838-HLU | Код местонахождения завода. может использоваться в стандартной комплектации. |
| 61838 | Подшипник однорядный шариковый радиальный. Основное конструктивное исполнение. |
| 61838-C4 | Внутренний зазор подшипника больше. чем C3. |
| 61838MA | Механически обработанный латунный сепаратор. Центрирование по внешнему кольцу. |
| 61838MB C3 | Внутренний зазор больше нормального. Механически обработанный латунный сепаратор. направляющий по внутреннему кольцу. |
| 61838-MA-C5 | Внутренний зазор подшипника больше. чем С4. Механически обработанный латунный сепаратор. Центрирование по внешнему кольцу. |
| 61838 2RS | Резиновые уплотнения с каждой стороны подшипника. |
| 61838 2BRS | Бесконтактные лабиринтные уплотнения с обеих сторон. |
| 61838 2URS | Специальное манжетное уплотнение с обеих сторон подшипника. |
| 61838 2Z | Защитные металлические шайбы с обеих сторон подшипника. |
| 61838 BRS | Бесконтактные лабиринтные уплотнения с одной стороны. |
| 61838 RS | Резиновое уплотнение с одной стороны. |
| 61838 URS | Подшипник однорядный шариковый радиальный. |
| 61838 Z | щит из листовой прессованной стали с одной стороны подшипника. |
| 61838 ZZ | Защитные металлические шайбы (бесконтактные уплотнения) с обеих сторон подшипника. |
Модификации шарикового подшипника 61838-MA-C3 — это измененное основное конструктивное исполнение 61838, основные размеры (190x240x24) не отличаются.
| Обозначение | Гост | Конструктивные особенности |
|---|---|---|
| 6838 ZZ | ISO | Защитные металлические шайбы с обеих сторон. |
| 6838 2RS | ISO | Резиновые уплотнения с каждой стороны подшипника. |
| 6838 | ISO | Подшипник однорядный шариковый радиальный. |
| 6838M | ISO | Подшипник с латунным сепаратором. центрированный по телам качения. |
| 6838C3 | ISO | Внутренний зазор больше нормального. |
Аналог шарикового подшипника 61838-MA-C3 — это подшипник такого же размера dx190,Dx240,Bx24, типа и конструкции.
| Обозначение | Конструктивные особенности | Внутренний (d) | Наружный (D) | Ширина (B) |
|---|---|---|---|---|
| SL181838-A-BR | Однорядный цилиндрический роликовый подшипник. Особенность внутренней конструкции. Чёрный цвет. | 190.00 | 240.00 | 24.00 |
| SL181838-BR-A | Однорядный цилиндрический роликовый подшипник. Особенность внутренней конструкции. Чёрный цвет. | 190.00 | 240.00 | 24.00 |
| SL18-1838A C3 | Однорядный цилиндрический роликовый подшипник. Внутренний зазор больше нормального. Особенность внутренней конструкции. | 190.00 | 240.00 | 24.00 |
| SL18-1838E C3 | Однорядный цилиндрический роликовый подшипник. Внутренний зазор больше нормального. Повышенная грузоподъемность. | 190.00 | 240.00 | 24.00 |
| SL181838-A | Однорядный цилиндрический роликовый подшипник. Особенность внутренней конструкции. | 190.00 | 240.00 | 24.00 |
| SL18-1838C3 2S | Однорядный цилиндрический роликовый подшипник. Внутренний зазор больше нормального. Bearings Matched In Set Of Two For Side-By-Side Mounting. | 190.00 | 240.00 | 24.00 |
| SL181838-A-BR-C3 | Однорядный цилиндрический роликовый подшипник. Внутренний зазор больше нормального. Особенность внутренней конструкции. Чёрный цвет. | 190.00 | 240.00 | 24.00 |
| 71838 A | Шариковый радиально-упорный однорядный подшипник. Двухрядный радиально-упорный шарикоподшипник без отверстия для смазки. | 190.00 | 240.00 | 24.00 |
| 71838 C | Шариковый радиально-упорный однорядный подшипник. 15° Угол контакта. | 190.00 | 240.00 | 24.00 |
| 6838Z | Шариковый радиальный однорядный подшипник. щит из листовой прессованной стали с одной стороны подшипника. | 190.00 | 240.00 | 24.00 |
| 6838-RZ | Шариковый радиальный однорядный подшипник. Один стальное уплотнение и одно резиновое. | 190.00 | 240.00 | 24.00 |
| 6838N | Шариковый радиальный однорядный подшипник. Канавка под стопорное кольцо на внешнем кольце. | 190.00 | 240.00 | 24.00 |
| 6838NR | Шариковый радиальный однорядный подшипник. Канавка под стопорное кольцо на наружном кольце с соответствующим стопорным кольцом. | 190.00 | 240.00 | 24.00 |
| 6838-RS | Шариковый радиальный однорядный подшипник. Резиновое уплотнение с одной стороны. | 190.00 | 240.00 | 24.00 |
| 6838-2RZ | Шариковый радиальный однорядный подшипник. Шарикоподшипник. С уплотнением и низким коэффициентом трения с обеих сторон. Уплотнение состоит из шайбы из листовой стали с вулканизированной резиной. | 190.00 | 240.00 | 24.00 |
Способы доставки
Отправка через ведущие транспортные и курьерские компании: ПЭК, Деловые Линии, СДЭК, Байкал-Сервис, Энергия, КИТ, ЖелДорЭкспедиция.
Самовывоз возможен напрямую со склада в Москве.
Сроки доставки
Срок зависит от региона и выбранной транспортной компании. Все заказы комплектуются и отправляются в кратчайшие сроки со склада в Москве.
Надёжность и сохранность
Вся продукция упаковывается с учётом требований транспортировки. Мы гарантируем, что подшипники и комплектующие прибудут к заказчику в полной сохранности.
Доставка в страны ЕАЭС
Мы работаем с проверенными логистическими партнёрами, что позволяет оперативно доставлять заказы в Беларусь, Казахстан, Армению и другие страны ЕАЭС.
Варианты оплаты:
Минимальная сумма заказа и скидки:
Документы и гарантии:
Да, конечно! Наши технические специалисты готовы помочь вам с подбором точного аналога или замены подшипника. Просто позвоните нам по телефону +7 (495) 104-99-04 или напишите на почту zakaz@podsnab.ru.
Для оперативной консультации подготовьте, пожалуйста, имеющиеся данные: маркировку, размеры, тип оборудования или артикул старого подшипника.
Да, конечно! Мы высоко ценим долгосрочное сотрудничество и доверие клиентов по всей России. Для постоянных клиентов действует персональная система скидок.
Условия формируются индивидуально и зависят от:
Чтобы узнать свои условия и получить максимально выгодное предложение, свяжитесь с персональным менеджером или напишите нам на почту zakaz@podsnab.ru.
Вы можете оформить заказ несколькими способами:
Для оформления заказа от юридического лица свяжитесь с нашим отделом по работе с корпоративными клиентами по телефону +7 (495) 104-99-04 или напишите на email zakaz@podsnab.ru, прикрепив реквизиты вашей организации.
Мы оперативно подготовим коммерческое предложение и выставим счет.
Возврат товара надлежащего качества возможен в течение 10 дней с момента получения, если товар не был в употреблении, сохранен товарный вид, упаковка не вскрывалась и присутствуют все сопроводительные документы.
Возврат денежных средств осуществляется в течение 10 рабочих дней после проверки товара складом.
В соответствии с законодательством возврату не подлежат подшипники надлежащего качества, если отсутствует оригинальная упаковка или имеются следы монтажа.
В случае выявления брака или гарантийного случая мы гарантируем возврат или обмен товара.
Да, гарантийный срок хранения устанавливается заводом-изготовителем и в среднем составляет 2 года при соблюдении условий хранения: сухое помещение, оригинальная упаковка и смазка.
Точный срок для конкретного типа подшипника уточняйте у наших менеджеров.
Пн–Пт: с 8:00 до 17:00 (МСК).
Сб–Вс: выходные дни.
Заказы на сайте принимаются круглосуточно. Заявки, поступившие после окончания рабочего дня, обрабатываются на следующий рабочий день.
Минимальная сумма заказа для доставки составляет 3000 рублей. Самовывоз со склада возможен на любую сумму при наличии товара.
ООО «УралТехГрупп»
ИНН: 7415093830
КПП: 772401001
ОГРН: 1167456069021
Банк: ПАО Сбербанк
Р/с: 40702810838000475273
К/с: 30101810400000000225
БИК: 044525225
У подшипника 61838-MA-C3 пока нет отзывов. Вы можете стать первым покупателем, поделившимся своим мнением.