Поиск подшипника
Статьи
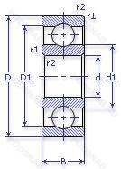
310 — Подшипник однорядный шариковый радиальный, основное исполнение, выпускается производителями: NEUTRAL, ROLLWAY, SKF, SNR.
Размер подшипника: 50x110x27 мм.
Альтернативное обозначение: BL310.
Аналоги: 310 SKF,M6310 Koyo,310W Fafnir.
Международная стандартизации ISO
310
В наличии
| Обозначение | Конструктивные изменения |
|---|---|
| 310WDDN | Радиальный подшипник. Тип заправочного паза. On Shielded Bearings. Suffix “N” Means Closer-Fitting Grease Shield With More Land On Bearing Face. Example/ 307WDDN. Защитные стальные шайбы с обеих сторон. |
| 310/C3 | Внутренний зазор больше нормального. |
| 310WDGN | Канавка под стопорное кольцо на наружном кольце с соответствующим стопорным кольцом. Защитная шайба из штампованной стали с одной стороны. |
| 310KDD | Защитные металлические шайбы по обе стороны подшипника с цилиндрическим наружным диаметром. |
| 4/NUP310NR | Канавка под стопорное кольцо на наружном кольце с соответствующим стопорным кольцом. Подшипник с чрезвычайно высокой точностью вращения (Abec9) и допуском формы (Abec7). |
| 310MFG | Максимальная производительность. Канавка для ввода тел качения. Однорядный радиальный шарикоподшипник с защитной шайбой с одной стороны. Канавка под стопорное кольцо на наружном кольце с соответствующим стопорным кольцом. |
| 310R | Расточенное наружное кольцо. Подшипник однорядный радиального типа. Угол контакта 15°. |
| 310MG | Формованный сепаратор из полиамида. укрепленного стекловолокном. |
| 310ZN | щит из листовой прессованной стали с одной стороны подшипника. Канавка под стопорное кольцо на внешнем кольце. |
| 2MM310WICRDUL | Дуплексная пара подшипников. Универсальная установка. Лёгкий преднатяг. 15° Low Угол контакта. Superprecision Abec-7 (Iso P4).. (TB-Segment) Phenolic (Composition) Fafnir Standard. Низкий буртик на наружном кольце. |
| 310SFG | Single Row Radial Conrad-Type Bearings. Однорядный радиальный шарикоподшипник с защитной шайбой с одной стороны. Канавка под стопорное кольцо на наружном кольце с соответствующим стопорным кольцом. |
| 310SG | Single Row Radial Conrad-Type Bearings. Канавка под стопорное кольцо на наружном кольце с соответствующим стопорным кольцом. |
| 310SZZC | Однорядный радиальный подшипник, ширина картриджа, с двумя уплотнениями. |
| 310SFC4 | Single Row Radial Conrad-Type Bearings. ABMA #4 Radial Clearance (MRC-XL Fit). Однорядный радиальный шарикоподшипник с защитной шайбой с одной стороны. |
| 310KDDG | Conrad (Non-Filling Slot) Type. Wireloc (стопорное кольцо). Защитные стальные шайбы с обеих сторон. |
| 310-2Z | Защитные металлические шайбы с обеих сторон подшипника. |
| NJ 310 ECPH | Однорядный цилиндрический роликовый подшипник. |
| NJ 310 ECML | Однорядный цилиндрический роликовый подшипник. |
| NU 310 ECML | Однорядный цилиндрический роликовый подшипник. |
| NUP 310 ECML | Однорядный цилиндрический роликовый подшипник. |
| NJ 310 EW | Однорядный. |
| BL 310 Z | щит из листовой прессованной стали с одной стороны подшипника. |
| BL 310 ZZ | Защитные металлические шайбы с обеих сторон. |
| NU 310 ECPH | Однорядный цилиндрический роликовый подшипник. |
| NUP 310 ECM | Однорядный цилиндрический роликовый подшипник. |
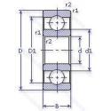
Модификации шарикового подшипника 310 — это измененное основное конструктивное исполнение 310, основные размеры (50x110x27) не отличаются.
| Обозначение | Гост | Конструктивные особенности |
|---|---|---|
| BL310 | ISO | Подшипник однорядный шариковый радиальный. |
| M6310 | ISO | Шарикоподшипник максимальной грузоподъемности. |
| 6310.C4.J22E | ISO | Внутренний зазор подшипника больше. чем C3. Подшипники с дополнительной маркировкой. |
| 6310-2Z/C3HT22VU082 | ISO | Внутренний зазор больше нормального. Защитные металлические шайбы с обеих сторон подшипника. Grease Fill For High Temperatures (e.g. -20°C/+130°C). HT Or A Two Figure Number Following HT Identifies The Actual Grease. VU(082)=Miscellaneous Applications. |
| 6310.2ZR.C3.L38 | ISO | Внутренний зазор больше нормального. Защитные металлические шайбы с обеих сторон. Arcanol Grease Medium Temperature -25°C/+130°C. |
| 6310DDUNR | ISO | Канавка под стопорное кольцо на наружном кольце с соответствующим стопорным кольцом. Резиновые уплотнения с каждой стороны подшипника. |
| 6310-2RS2 | ISO | Два контактных уплотнения из фторкаучука (FPM) с усилением из листовой стали (высокотемпературные). |
| 6310-CS46PX2V37 | ISO | Специальный допуск (начиная с PX1). Special Radial Clearance in µm. |
| 6310LLBNA/2A | ISO | Не взаимозаменяемые детали. Lubricant. Shell Oil Co.. Alvania #2 Grease. Mil-G-18709A. Уплотнение бесконтактного типа из синтетического каучука. |
| 6310ZZC4/2A | ISO | Внутренний зазор подшипника больше. чем C3. Защитные металлические шайбы с обеих сторон. Lubricant. Shell Oil Co.. Alvania #2 Grease. Mil-G-18709A. |
| 6310NEEC3 | ISO | Резиновые уплотнения с каждой стороны подшипника. Канавка под стопорное кольцо на внешнем кольце. |
| 6310ZRJ | ISO | щит из листовой прессованной стали с одной стороны подшипника. |
| 6310-H-2RSR-SN-C3 | ISO | Внутренний зазор больше нормального. Стандартное качество. Резиновые уплотнения с каждой стороны подшипника. Кольца подшипника стабилизированы по размерам до 120°C.. |
| 6310-H-2Z-SN | ISO | Защитные металлические шайбы с обеих сторон. Стандартное качество. Кольца подшипника стабилизированы по размерам до 120°C.. |
| 6310-H-2RSR-SN | ISO | Стандартное качество. Резиновые уплотнения с каждой стороны подшипника. Кольца подшипника стабилизированы по размерам до 120°C.. |
| 6310-H-2Z-SN-C3 | ISO | Внутренний зазор больше нормального. Защитные металлические шайбы с обеих сторон. Стандартное качество. Кольца подшипника стабилизированы по размерам до 120°C.. |
| 6310-H-SN-C3 | ISO | Внутренний зазор больше нормального. Стандартное качество. Кольца подшипника стабилизированы по размерам до 120°C.. |
| 6310-H-SN | ISO | Стандартное качество. Кольца подшипника стабилизированы по размерам до 120°C.. |
| 6310-RS1/C3QE6 | ISO | Внутренний зазор больше нормального. Резиновое уплотнение с одной стороны. Тихая работа. |
| 6310-C-2Z-L069-C3 | ISO | Модифицированная внутренняя конструкция. Внутренний зазор больше нормального. Зазорные уплотнения с обеих сторон.. Insert Bearing Grease For Wide Temperature Range - Polycarbamide Ester Oil - –40°C to +180°C. |
| 6310-H-2Z-SN-L550-C3 | ISO | Внутренний зазор больше нормального. Защитные металлические шайбы с обеих сторон. Стандартное качество. Кольца подшипника стабилизированы по размерам до 120°C.. |
| 6310-2RS1/C3LT | ISO | Внутренний зазор больше нормального. Усиленные листовой сталью контактные уплотнения из акрилонитрил-бутадиенового каучука (NBR) с обеих сторон подшипника. Bearing Supplied With Special Grease For Low Temperatures e.g. -50°C/+80°C. |
Аналог шарикового подшипника 310 — это подшипник такого же размера dx50,Dx110,Bx27, типа и конструкции.
| Обозначение | Конструктивные особенности | Внутренний (d) | Наружный (D) | Ширина (B) |
|---|---|---|---|---|
| 46310-АК | Шариковый радиально-упорный однорядный подшипник. Повышенная грузоподъемность. | 50.00 | 110.00 | 27.00 |
| 46310-АЛ | Шариковый радиально-упорный однорядный подшипник. Сепаратор из латуни.. Повышенная грузоподъемность. | 50.00 | 110.00 | 27.00 |
| 46310-Е | Шариковый радиально-упорный однорядный подшипник. Сепаратор из текстолита.. | 50.00 | 110.00 | 27.00 |
| 46310-Л | Шариковый радиально-упорный однорядный подшипник. Сепаратор из латуни.. | 50.00 | 110.00 | 27.00 |
| 46310К | Шариковый радиально-упорный однорядный подшипник. «Замок» (скос) на внутреннем кольце плюс массивный сепаратор из текстолита. | 50.00 | 110.00 | 27.00 |
| 46310Л1 | Шариковый радиально-упорный однорядный подшипник. Сепаратор из латуни.. | 50.00 | 110.00 | 27.00 |
| 5-32310 Р | Роликовый радиальный однорядный подшипник. Детали из теплоустойчивой (быстрорежущие) стали.. | 50.00 | 110.00 | 27.00 |
| 5-46310 АЛ | Шариковый радиально-упорный однорядный подшипник. Сепаратор из латуни.. Повышенная грузоподъемность. | 50.00 | 110.00 | 27.00 |
| 5-46310 Л | Шариковый радиально-упорный однорядный подшипник. Сепаратор из латуни.. | 50.00 | 110.00 | 27.00 |
| 50310-А | Шариковый радиальный однорядный подшипник. Повышенная грузоподъемность. | 50.00 | 110.00 | 27.00 |
| 50310-АW2 | Шариковый радиальный однорядный подшипник. Детали из вакуумированной стали.. Повышенная грузоподъемность. | 50.00 | 110.00 | 27.00 |
| 50310-АК | Шариковый радиальный однорядный подшипник. Повышенная грузоподъемность. | 50.00 | 110.00 | 27.00 |
| 6-102310 М | Роликовый радиальный однорядный подшипник. Модифицированный контакт.. | 50.00 | 110.00 | 27.00 |
| 6-12310 КМ | Роликовый радиальный однорядный подшипник. Кольцевая проточка на середине цилиндрической наружной поверхности наружного кольца плюс три отверстия для смазки. Модифицированный контакт.. | 50.00 | 110.00 | 27.00 |
| 6-1310 Л | Шариковый радиальный двухрядный подшипник. Сепаратор из латуни.. | 50.00 | 110.00 | 27.00 |
Способы доставки
Отправка через ведущие транспортные и курьерские компании: ПЭК, Деловые Линии, СДЭК, Байкал-Сервис, Энергия, КИТ, ЖелДорЭкспедиция.
Самовывоз возможен напрямую со склада в Москве.
Сроки доставки
Срок зависит от региона и выбранной транспортной компании. Все заказы комплектуются и отправляются в кратчайшие сроки со склада в Москве.
Надёжность и сохранность
Вся продукция упаковывается с учётом требований транспортировки. Мы гарантируем, что подшипники и комплектующие прибудут к заказчику в полной сохранности.
Доставка в страны ЕАЭС
Мы работаем с проверенными логистическими партнёрами, что позволяет оперативно доставлять заказы в Беларусь, Казахстан, Армению и другие страны ЕАЭС.
Варианты оплаты:
Минимальная сумма заказа и скидки:
Документы и гарантии:
Да, конечно! Наши технические специалисты готовы помочь вам с подбором точного аналога или замены подшипника. Просто позвоните нам по телефону +7 (495) 104-99-04 или напишите на почту zakaz@podsnab.ru.
Для оперативной консультации подготовьте, пожалуйста, имеющиеся данные: маркировку, размеры, тип оборудования или артикул старого подшипника.
Да, конечно! Мы высоко ценим долгосрочное сотрудничество и доверие клиентов по всей России. Для постоянных клиентов действует персональная система скидок.
Условия формируются индивидуально и зависят от:
Чтобы узнать свои условия и получить максимально выгодное предложение, свяжитесь с персональным менеджером или напишите нам на почту zakaz@podsnab.ru.
Вы можете оформить заказ несколькими способами:
Для оформления заказа от юридического лица свяжитесь с нашим отделом по работе с корпоративными клиентами по телефону +7 (495) 104-99-04 или напишите на email zakaz@podsnab.ru, прикрепив реквизиты вашей организации.
Мы оперативно подготовим коммерческое предложение и выставим счет.
Возврат товара надлежащего качества возможен в течение 10 дней с момента получения, если товар не был в употреблении, сохранен товарный вид, упаковка не вскрывалась и присутствуют все сопроводительные документы.
Возврат денежных средств осуществляется в течение 10 рабочих дней после проверки товара складом.
В соответствии с законодательством возврату не подлежат подшипники надлежащего качества, если отсутствует оригинальная упаковка или имеются следы монтажа.
В случае выявления брака или гарантийного случая мы гарантируем возврат или обмен товара.
Да, гарантийный срок хранения устанавливается заводом-изготовителем и в среднем составляет 2 года при соблюдении условий хранения: сухое помещение, оригинальная упаковка и смазка.
Точный срок для конкретного типа подшипника уточняйте у наших менеджеров.
Пн–Пт: с 8:00 до 17:00 (МСК).
Сб–Вс: выходные дни.
Заказы на сайте принимаются круглосуточно. Заявки, поступившие после окончания рабочего дня, обрабатываются на следующий рабочий день.
Минимальная сумма заказа для доставки составляет 3000 рублей. Самовывоз со склада возможен на любую сумму при наличии товара.
ООО «УралТехГрупп»
ИНН: 7415093830
КПП: 772401001
ОГРН: 1167456069021
Банк: ПАО Сбербанк
Р/с: 40702810838000475273
К/с: 30101810400000000225
БИК: 044525225
У подшипника 310 пока нет отзывов. Вы можете стать первым покупателем, поделившимся своим мнением.