Поиск подшипника
Статьи
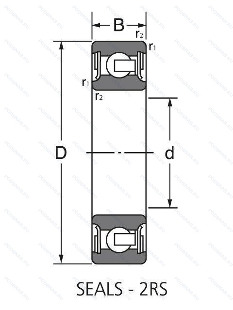
1641 2RS — Подшипник однорядный шариковый радиальный, модификация основного исполнения 1641, выпускается производителями: BTC, KSK, NEUTRAL, NIS, SBC, URB.
Размер подшипника: 25x50x14 мм.
Резиновые уплотнения с каждой стороны подшипника.
Международная стандартизации ISO
16412RS
В наличии
| Обозначение | Конструктивные изменения |
|---|---|
| 1641DC | Резиновые уплотнения с каждой стороны подшипника. |
| 1641ZZ | Защитные металлические шайбы с обеих сторон. |
| 1641DCTN | Отлитый под давлением защелкивающийся сепаратор из полиамида. Центрированные тела качения. Резиновые уплотнения с каждой стороны подшипника. |
| 1641DS | Защитная металлическая шайба с двух сторон подшипника. |
| 1641DSTNTG18 | Отлитый под давлением защелкивающийся сепаратор из полиамида. Центрированные тела качения. Защитная металлическая шайба с двух сторон подшипника. Shell Alvania 2 Grease. |
| 1641 | Подшипник однорядный шариковый радиальный. Основное конструктивное исполнение. |
| 1641-2RLD+L151 | Two. Nitrile. Contact Seals (Standard Torque). Mobil. Polyrex EM. Blue. Polyurea. Mineral. -40°F / 350°F. |
| 1641DSTN | Отлитый под давлением защелкивающийся сепаратор из полиамида. Центрированные тела качения. Защитная металлическая шайба с двух сторон подшипника. |
| 1641 2RS NR | Резиновые уплотнения с каждой стороны подшипника. Канавка под стопорное кольцо на наружном кольце с соответствующим стопорным кольцом. |
Модификации шарикового подшипника 1641 2RS — это измененное основное конструктивное исполнение 1641, основные размеры (25x50x14) не отличаются.
| Обозначение | Гост | Конструктивные особенности |
|---|---|---|
| 3041DC | ISO | Резиновые уплотнения с каждой стороны подшипника. |
| 3041DSTN | ISO | Отлитый под давлением защелкивающийся сепаратор из полиамида. Центрированные тела качения. Защитная металлическая шайба с двух сторон подшипника. |
| BR7741 | ISO | Подшипник однорядный шариковый радиальный. |
| 23216-88 | ISO | Two Synthetic Contact Seals. |
Аналог шарикового подшипника 1641 2RS — это подшипник такого же размера dx25,Dx50,Bx14, типа и конструкции.
| Обозначение | Конструктивные особенности | Внутренний (d) | Наружный (D) | Ширина (B) |
|---|---|---|---|---|
| 2007405-А1 | Роликовый радиальный-упорный однорядный подшипник. Повышенная грузоподъемность. | 25.40 | 50.29 | 14.22 |
| 2007405A1 | Роликовый радиальный-упорный однорядный подшипник. ABEC.1. | 25.40 | 50.29 | 14.73 |
| 4T-07100/07196 | Роликовый радиальный-упорный конический однорядный подшипник. Цементованная сталь. | 25.40 | 50.01 | 13.49 |
| 4T-07097/07196 | Роликовый радиальный-упорный конический однорядный подшипник. Цементованная сталь. | 25.00 | 50.01 | 13.49 |
| 4T-07098/07196 | Роликовый радиальный-упорный конический однорядный подшипник. Цементованная сталь. | 24.98 | 50.01 | 13.49 |
| 4T-07096/07196 | Роликовый радиальный-упорный конический однорядный подшипник. Цементованная сталь. | 25.16 | 50.01 | 13.49 |
| L44643X/L44610-L44600LA | Роликовый радиальный-упорный однорядный подшипник. Измененные размеры границ. введенные пересмотренными стандартами ISO. | 25.40 | 50.29 | 14.22 |
| 07098/07196-B | Роликовый радиальный-упорный однорядный подшипник. Конический роликовый подшипник. Угол контакта 20 градусов. | 24.98 | 50.01 | 14.26 |
| 07100/07196-B | Роликовый радиальный-упорный однорядный подшипник. Конический роликовый подшипник. Угол контакта 20 градусов. | 25.40 | 50.01 | 14.26 |
| 07100-SA/07210XB | Роликовый радиальный-упорный однорядный подшипник. Sliding Material - Contacting Surfaces Steel - Steel. | 25.40 | 50.80 | 14.26 |
| L44643L/L44610 | Роликовый радиальный-упорный подшипник. Одно механическое уплотнение. | 25.40 | 50.29 | 14.22 |
| L44642/10 | Роликовый радиальный-упорный однорядный подшипник. Отдельное внутреннее или наружное кольцо разборного подшипника. Distance Between Beginning Of The Rail And First Hole In MM. | 25.40 | 50.29 | 14.22 |
| L44643R/L44610 | Роликовый радиальный-упорный однорядный подшипник. С выпуклыми асимметричными роликами и обработанным сепаратором. | 25.40 | 50.29 | 14.22 |
| 07100S/7196 | Роликовый радиальный-упорный однорядный подшипник. Запечатанная версия кулачкового ролика. | 25.40 | 50.01 | 13.49 |
| 7905-А1 | Роликовый радиальный-упорный однорядный подшипник. Повышенная грузоподъемность. | 26.00 | 50.00 | 14.00 |
Способы доставки
Отправка через ведущие транспортные и курьерские компании: ПЭК, Деловые Линии, СДЭК, Байкал-Сервис, Энергия, КИТ, ЖелДорЭкспедиция.
Самовывоз возможен напрямую со склада в Москве.
Сроки доставки
Срок зависит от региона и выбранной транспортной компании. Все заказы комплектуются и отправляются в кратчайшие сроки со склада в Москве.
Надёжность и сохранность
Вся продукция упаковывается с учётом требований транспортировки. Мы гарантируем, что подшипники и комплектующие прибудут к заказчику в полной сохранности.
Доставка в страны ЕАЭС
Мы работаем с проверенными логистическими партнёрами, что позволяет оперативно доставлять заказы в Беларусь, Казахстан, Армению и другие страны ЕАЭС.
Варианты оплаты:
Минимальная сумма заказа и скидки:
Документы и гарантии:
Да, конечно! Наши технические специалисты готовы помочь вам с подбором точного аналога или замены подшипника. Просто позвоните нам по телефону +7 (495) 104-99-04 или напишите на почту zakaz@podsnab.ru.
Для оперативной консультации подготовьте, пожалуйста, имеющиеся данные: маркировку, размеры, тип оборудования или артикул старого подшипника.
Да, конечно! Мы высоко ценим долгосрочное сотрудничество и доверие клиентов по всей России. Для постоянных клиентов действует персональная система скидок.
Условия формируются индивидуально и зависят от:
Чтобы узнать свои условия и получить максимально выгодное предложение, свяжитесь с персональным менеджером или напишите нам на почту zakaz@podsnab.ru.
Вы можете оформить заказ несколькими способами:
Для оформления заказа от юридического лица свяжитесь с нашим отделом по работе с корпоративными клиентами по телефону +7 (495) 104-99-04 или напишите на email zakaz@podsnab.ru, прикрепив реквизиты вашей организации.
Мы оперативно подготовим коммерческое предложение и выставим счет.
Возврат товара надлежащего качества возможен в течение 10 дней с момента получения, если товар не был в употреблении, сохранен товарный вид, упаковка не вскрывалась и присутствуют все сопроводительные документы.
Возврат денежных средств осуществляется в течение 10 рабочих дней после проверки товара складом.
В соответствии с законодательством возврату не подлежат подшипники надлежащего качества, если отсутствует оригинальная упаковка или имеются следы монтажа.
В случае выявления брака или гарантийного случая мы гарантируем возврат или обмен товара.
Да, гарантийный срок хранения устанавливается заводом-изготовителем и в среднем составляет 2 года при соблюдении условий хранения: сухое помещение, оригинальная упаковка и смазка.
Точный срок для конкретного типа подшипника уточняйте у наших менеджеров.
Пн–Пт: с 8:00 до 17:00 (МСК).
Сб–Вс: выходные дни.
Заказы на сайте принимаются круглосуточно. Заявки, поступившие после окончания рабочего дня, обрабатываются на следующий рабочий день.
Минимальная сумма заказа для доставки составляет 3000 рублей. Самовывоз со склада возможен на любую сумму при наличии товара.
ООО «УралТехГрупп»
ИНН: 7415093830
КПП: 772401001
ОГРН: 1167456069021
Банк: ПАО Сбербанк
Р/с: 40702810838000475273
К/с: 30101810400000000225
БИК: 044525225
У подшипника 1641 2RS пока нет отзывов. Вы можете стать первым покупателем, поделившимся своим мнением.