Поиск подшипника
Статьи
61888MA — Подшипник однорядный шариковый радиальный, модификация основного исполнения 61888, выпускается производителями: FAG, ISB, NEUTRAL, NKE, SKF.
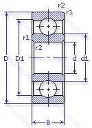
Размер подшипника: 440x540x46 мм.
Механически обработанный латунный сепаратор. центрирование по внешнему кольцу.
Международная стандартизации ISO
61888MA
В наличии
| Обозначение | Конструктивные изменения |
|---|---|
| 61888-MA-C5 | Внутренний зазор подшипника больше. чем С4. Механически обработанный латунный сепаратор. Центрирование по внешнему кольцу. |
| 61888MA C3 | Внутренний зазор больше нормального. Механически обработанный латунный сепаратор. Центрирование по внешнему кольцу. |
| 61888M | Твердый латунный сепаратор с шариковой направляющей. |
| 61888 | Подшипник однорядный шариковый радиальный. Основное конструктивное исполнение. |
| 61888-M-P4-C3-J26C | Внутренний зазор больше нормального. Твердый латунный сепаратор. Шариковые направляющие. Класс точности Р4 по ISO (точнее. чем P5) - Abec.7. Marking Of The Largest Radial Runout Deviation On The Inner Ring And Outer Ring. |
| 61888-M-C4 | Внутренний зазор подшипника больше. чем C3. Твердый латунный сепаратор. Шариковые направляющие. |
| 61888-M-C3 | Внутренний зазор больше нормального. Твердый латунный сепаратор. Шариковые направляющие. |
| 61888MB | Механически обработанный латунный сепаратор. направляющий по внутреннему кольцу. |
Модификации шарикового подшипника 61888MA — это измененное основное конструктивное исполнение 61888, основные размеры (440x540x46) не отличаются.
| Обозначение | Гост | Конструктивные особенности |
|---|---|---|
| 6888 | ISO | Подшипник однорядный шариковый радиальный. |
| 6888M | ISO | Механически обработанный латунный сепаратор .Расположенный на элементах качения. |
| 6888CS125 FY P0 | ISO | Обработанный латунный сепаратор. Standard Tolerance Class (Not Indicated). |
Аналог шарикового подшипника 61888MA — это подшипник такого же размера dx440,Dx540,Bx46, типа и конструкции.
| Обозначение | Конструктивные особенности | Внутренний (d) | Наружный (D) | Ширина (B) |
|---|---|---|---|---|
| NJ1888-MPAX-C3 | Однорядный цилиндрический роликовый подшипник. Внутренний зазор больше нормального. Ребристый однокомпонентный цельнолатунный сепаратор является дальнейшим развитием сепараторов FAG типов MPA и MP1A и будет последовательно заменять эти типы. Он обладает большей прочностью по отношению к ударным нагрузкам и вибрациям. чем его предшественники. и особенно хорошо подходит для применения в условиях высоких нагрузок. | 440.00 | 540.00 | 46.00 |
| NJ1888-MPAX-C3-M32AX | Однорядный цилиндрический роликовый подшипник. Внутренний зазор больше нормального. Ребристый однокомпонентный цельнолатунный сепаратор является дальнейшим развитием сепараторов FAG типов MPA и MP1A и будет последовательно заменять эти типы. Он обладает большей прочностью по отношению к ударным нагрузкам и вибрациям. чем его предшественники. и особенно хорошо подходит для применения в условиях высоких нагрузок. Продукция с протоколом приемочных испытаний согласно EN10204-3.1B. | 440.00 | 540.00 | 46.00 |
| 71888MP.P5 | Подшипник шариковый однорядный радиально-упорный. Размерная и рабочая точность соответствует классу допуска ISO 5. Механически обработанный латунный сепаратор оконного типа. | 440.00 | 540.00 | 46.00 |
| SL181888-E-BR | Однорядный цилиндрический роликовый подшипник. Повышенная грузоподъемность. Чёрный цвет. | 440.00 | 540.00 | 46.00 |
| SL181888-E-BR-CN/2M | Однорядный цилиндрический роликовый подшипник. Повышенная грузоподъемность. Нормальный радиальный внутренний зазор. Чёрный цвет. Clearance Range Corresponding To The Medium Half Of The Actual Clearance Range. | 440.00 | 540.00 | 46.00 |
| SL181888-E-BR-CN/3L | Однорядный цилиндрический роликовый подшипник. Повышенная грузоподъемность. Нормальный радиальный внутренний зазор. Чёрный цвет. Clearance Range Corresponding To The Lower Half Of The Actual Clearance Range. | 440.00 | 540.00 | 46.00 |
| SL181888-E-BR-C3 | Однорядный цилиндрический роликовый подшипник. Внутренний зазор больше нормального. Повышенная грузоподъемность. Чёрный цвет. | 440.00 | 540.00 | 46.00 |
| SL181888-E-BR-IR/T-CN/3L | Однорядный цилиндрический роликовый подшипник. Повышенная грузоподъемность. Нормальный радиальный внутренний зазор. Чёрный цвет. Clearance Range Corresponding To The Lower Half Of The Actual Clearance Range. Канавки во внутреннем кольце находятся со стороны стопорного кольца. | 440.00 | 540.00 | 46.00 |
| SL181888-E-IR/T-CN/3L | Однорядный цилиндрический роликовый подшипник. Повышенная грузоподъемность. Нормальный радиальный внутренний зазор. Clearance Range Corresponding To The Lower Half Of The Actual Clearance Range. Канавки во внутреннем кольце находятся со стороны стопорного кольца. | 440.00 | 540.00 | 46.00 |
| SL18-1888A C3 | Однорядный цилиндрический роликовый подшипник. Внутренний зазор больше нормального. Особенность внутренней конструкции. | 440.00 | 540.00 | 46.00 |
| SL181888-E-C3 | Однорядный цилиндрический роликовый подшипник. Внутренний зазор больше нормального. Повышенная грузоподъемность. | 440.00 | 540.00 | 46.00 |
| 71888MP | Подшипник шариковый однорядный радиально-упорный. Механически обработанный латунный сепаратор оконного типа. | 440.00 | 540.00 | 46.00 |
| 71888-MP-P5-UL | Подшипник шариковый однорядный радиально-упорный. Два однорядных радиально-упорных шарикоподшипника для универсального сопряжения. т. е. в паре для монтажа «спиной к спине». «лицом к лицу» или «тандем». Размерная и рабочая точность соответствует классу допуска ISO 5. Механически обработанный латунный сепаратор оконного типа. | 440.00 | 540.00 | 46.00 |
| NJ1888MA | Роликовый радиальный однорядный подшипник. Механически обработанный латунный сепаратор. Центрирование по внешнему кольцу. | 440.00 | 540.00 | 46.00 |
| PSL 612-323 | Роликовый радиальный-упорный однорядный подшипник. 1.7/16. | 440.00 | 540.00 | 46.00 |
Способы доставки
Отправка через ведущие транспортные и курьерские компании: ПЭК, Деловые Линии, СДЭК, Байкал-Сервис, Энергия, КИТ, ЖелДорЭкспедиция.
Самовывоз возможен напрямую со склада в Москве.
Сроки доставки
Срок зависит от региона и выбранной транспортной компании. Все заказы комплектуются и отправляются в кратчайшие сроки со склада в Москве.
Надёжность и сохранность
Вся продукция упаковывается с учётом требований транспортировки. Мы гарантируем, что подшипники и комплектующие прибудут к заказчику в полной сохранности.
Доставка в страны ЕАЭС
Мы работаем с проверенными логистическими партнёрами, что позволяет оперативно доставлять заказы в Беларусь, Казахстан, Армению и другие страны ЕАЭС.
Варианты оплаты:
Минимальная сумма заказа и скидки:
Документы и гарантии:
Да, конечно! Наши технические специалисты готовы помочь вам с подбором точного аналога или замены подшипника. Просто позвоните нам по телефону +7 (495) 104-99-04 или напишите на почту zakaz@podsnab.ru.
Для оперативной консультации подготовьте, пожалуйста, имеющиеся данные: маркировку, размеры, тип оборудования или артикул старого подшипника.
Да, конечно! Мы высоко ценим долгосрочное сотрудничество и доверие клиентов по всей России. Для постоянных клиентов действует персональная система скидок.
Условия формируются индивидуально и зависят от:
Чтобы узнать свои условия и получить максимально выгодное предложение, свяжитесь с персональным менеджером или напишите нам на почту zakaz@podsnab.ru.
Вы можете оформить заказ несколькими способами:
Для оформления заказа от юридического лица свяжитесь с нашим отделом по работе с корпоративными клиентами по телефону +7 (495) 104-99-04 или напишите на email zakaz@podsnab.ru, прикрепив реквизиты вашей организации.
Мы оперативно подготовим коммерческое предложение и выставим счет.
Возврат товара надлежащего качества возможен в течение 10 дней с момента получения, если товар не был в употреблении, сохранен товарный вид, упаковка не вскрывалась и присутствуют все сопроводительные документы.
Возврат денежных средств осуществляется в течение 10 рабочих дней после проверки товара складом.
В соответствии с законодательством возврату не подлежат подшипники надлежащего качества, если отсутствует оригинальная упаковка или имеются следы монтажа.
В случае выявления брака или гарантийного случая мы гарантируем возврат или обмен товара.
Да, гарантийный срок хранения устанавливается заводом-изготовителем и в среднем составляет 2 года при соблюдении условий хранения: сухое помещение, оригинальная упаковка и смазка.
Точный срок для конкретного типа подшипника уточняйте у наших менеджеров.
Пн–Пт: с 8:00 до 17:00 (МСК).
Сб–Вс: выходные дни.
Заказы на сайте принимаются круглосуточно. Заявки, поступившие после окончания рабочего дня, обрабатываются на следующий рабочий день.
Минимальная сумма заказа для доставки составляет 3000 рублей. Самовывоз со склада возможен на любую сумму при наличии товара.
ООО «УралТехГрупп»
ИНН: 7415093830
КПП: 772401001
ОГРН: 1167456069021
Банк: ПАО Сбербанк
Р/с: 40702810838000475273
К/с: 30101810400000000225
БИК: 044525225
У подшипника 61888MA пока нет отзывов. Вы можете стать первым покупателем, поделившимся своим мнением.