Поиск подшипника
Статьи
61892MA — Подшипник однорядный шариковый радиальный, модификация основного исполнения 61892, выпускается производителями: AUSTIN, FAG, ISB, NEUTRAL, NKE, SKF.
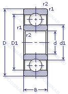
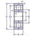
Размер подшипника: 460x580x56 мм.
Механически обработанный латунный сепаратор. центрирование по внешнему кольцу.
Аналоги: 61892-MA FAG.
Международная стандартизации ISO
61892MA
В наличии
| Обозначение | Конструктивные изменения |
|---|---|
| 61892MA/C3 | Внутренний зазор больше нормального. Механически обработанный латунный сепаратор. Центрирование по внешнему кольцу. |
| 61892M.C4 | Внутренний зазор подшипника больше. чем C3. Твердый латунный сепаратор. Шариковые направляющие. |
| 61892 | Подшипник однорядный шариковый радиальный. Основное конструктивное исполнение. |
| 61892-M-C5 | Твердый латунный сепаратор. Шариковые направляющие. Внутренний зазор подшипника больше. чем С4. |
| 61892-MA-C4 | Внутренний зазор подшипника больше. чем C3. Механически обработанный латунный сепаратор. Центрирование по внешнему кольцу. |
| 61892AM CG195 P5A | Internal Design Differs From Standard Design. Механически обработанный латунный сепаратор .Расположенный на элементах качения. In Some Parameters Higher Tolerance Class Than P5. Special Radial Clearance (Segment Rad. Int. Play. Code S). |
| 61892L1 A C3 | Внутренний зазор больше нормального. Двухрядный радиально-упорный шарикоподшипник без отверстия для смазки. Механически обработанный латунный сепаратор. |
| 61892-M-C3 | Внутренний зазор больше нормального. Твердый латунный сепаратор. Шариковые направляющие. |
| 61892M | Твердый латунный сепаратор. Шариковые направляющие. |
| 61892MB C3 | Внутренний зазор больше нормального. Механически обработанный латунный сепаратор. направляющий по внутреннему кольцу. |
| 61892MB | Механически обработанный латунный сепаратор. направляющий по внутреннему кольцу. |
Модификации шарикового подшипника 61892MA — это измененное основное конструктивное исполнение 61892, основные размеры (460x580x56) не отличаются.
| Обозначение | Гост | Конструктивные особенности |
|---|---|---|
| 6892 | ISO | Подшипник однорядный шариковый радиальный. |
| 304143A | ISO | Измененная или модифицированная внутренняя конструкция при неизменных основных размерах. Как правило. значение буквы привязано к определенному подшипнику или серии подшипника. |
Аналог шарикового подшипника 61892MA — это подшипник такого же размера dx460,Dx580,Bx56, типа и конструкции.
| Обозначение | Конструктивные особенности | Внутренний (d) | Наружный (D) | Ширина (B) |
|---|---|---|---|---|
| SL181892-E-BR | Однорядный цилиндрический роликовый подшипник. Повышенная грузоподъемность. Чёрный цвет. | 460.00 | 580.00 | 56.00 |
| SL181892-E-CN/3L | Однорядный цилиндрический роликовый подшипник. Повышенная грузоподъемность. Нормальный радиальный внутренний зазор. Clearance Range Corresponding To The Lower Half Of The Actual Clearance Range. | 460.00 | 580.00 | 56.00 |
| SL181892-E-IR/T-CN/3L | Однорядный цилиндрический роликовый подшипник. Повышенная грузоподъемность. Нормальный радиальный внутренний зазор. Clearance Range Corresponding To The Lower Half Of The Actual Clearance Range. Канавки во внутреннем кольце находятся со стороны стопорного кольца. | 460.00 | 580.00 | 56.00 |
| SL181892-E-N1 | Однорядный цилиндрический роликовый подшипник. Повышенная грузоподъемность. Один фиксирующий паз (выемка) в одной боковой поверхности наружного кольца или шайбы корпуса. | 460.00 | 580.00 | 56.00 |
| SL181892-E-R0-50 | Однорядный цилиндрический роликовый подшипник. Повышенная грузоподъемность. Radial Clearance In μm. | 460.00 | 580.00 | 56.00 |
| SL181892-A | Однорядный цилиндрический роликовый подшипник. Особенность внутренней конструкции. | 460.00 | 580.00 | 56.00 |
| SL18-1892E C3 | Однорядный цилиндрический роликовый подшипник. Внутренний зазор больше нормального. Повышенная грузоподъемность. | 460.00 | 580.00 | 56.00 |
| 71892-MP-P5-N10BA-A60 | Подшипник шариковый однорядный радиально-упорный. Размерная и рабочая точность соответствует классу допуска ISO 5. Механически обработанный латунный сепаратор оконного типа. Angular Contact Ball Bearing Matched In Pairs In O-Arrangement. | 460.00 | 580.00 | 56.00 |
| 71892MP | Подшипник шариковый однорядный радиально-упорный. Механически обработанный латунный сепаратор оконного типа. | 460.00 | 580.00 | 56.00 |
| N 1892 M2P/HB3 | Роликовый радиальный цилиндрический однорядный подшипник. Однорядный цилиндрический роликовый подшипник. Bainite-Hardened Bearing Or Bearing Component. Inner Ring. | 460.00 | 580.00 | 56.00 |
| N1892 | Роликовый радиальный однорядный подшипник. Канавка под стопорное кольцо на наружном кольце подшипника. | 460.00 | 580.00 | 56.00 |
| NF1892 | Роликовый радиальный однорядный подшипник. Механически обработанный сепаратор из стали или специального чугуна. Канавка под стопорное кольцо на наружном кольце подшипника. | 460.00 | 580.00 | 56.00 |
| NP1892 | Роликовый радиальный однорядный подшипник. Канавка под стопорное кольцо на наружном кольце подшипника. | 460.00 | 580.00 | 56.00 |
| 86-1000892 У | Шариковый радиальный однорядный подшипник. Дополнительные технические требования. | 460.00 | 580.00 | 56.00 |
| 6-1000892 У | Шариковый радиальный однорядный подшипник. Дополнительные технические требования. | 460.00 | 580.00 | 56.00 |
Способы доставки
Отправка через ведущие транспортные и курьерские компании: ПЭК, Деловые Линии, СДЭК, Байкал-Сервис, Энергия, КИТ, ЖелДорЭкспедиция.
Самовывоз возможен напрямую со склада в Москве.
Сроки доставки
Срок зависит от региона и выбранной транспортной компании. Все заказы комплектуются и отправляются в кратчайшие сроки со склада в Москве.
Надёжность и сохранность
Вся продукция упаковывается с учётом требований транспортировки. Мы гарантируем, что подшипники и комплектующие прибудут к заказчику в полной сохранности.
Доставка в страны ЕАЭС
Мы работаем с проверенными логистическими партнёрами, что позволяет оперативно доставлять заказы в Беларусь, Казахстан, Армению и другие страны ЕАЭС.
Варианты оплаты:
Минимальная сумма заказа и скидки:
Документы и гарантии:
Да, конечно! Наши технические специалисты готовы помочь вам с подбором точного аналога или замены подшипника. Просто позвоните нам по телефону +7 (495) 104-99-04 или напишите на почту zakaz@podsnab.ru.
Для оперативной консультации подготовьте, пожалуйста, имеющиеся данные: маркировку, размеры, тип оборудования или артикул старого подшипника.
Да, конечно! Мы высоко ценим долгосрочное сотрудничество и доверие клиентов по всей России. Для постоянных клиентов действует персональная система скидок.
Условия формируются индивидуально и зависят от:
Чтобы узнать свои условия и получить максимально выгодное предложение, свяжитесь с персональным менеджером или напишите нам на почту zakaz@podsnab.ru.
Вы можете оформить заказ несколькими способами:
Для оформления заказа от юридического лица свяжитесь с нашим отделом по работе с корпоративными клиентами по телефону +7 (495) 104-99-04 или напишите на email zakaz@podsnab.ru, прикрепив реквизиты вашей организации.
Мы оперативно подготовим коммерческое предложение и выставим счет.
Возврат товара надлежащего качества возможен в течение 10 дней с момента получения, если товар не был в употреблении, сохранен товарный вид, упаковка не вскрывалась и присутствуют все сопроводительные документы.
Возврат денежных средств осуществляется в течение 10 рабочих дней после проверки товара складом.
В соответствии с законодательством возврату не подлежат подшипники надлежащего качества, если отсутствует оригинальная упаковка или имеются следы монтажа.
В случае выявления брака или гарантийного случая мы гарантируем возврат или обмен товара.
Да, гарантийный срок хранения устанавливается заводом-изготовителем и в среднем составляет 2 года при соблюдении условий хранения: сухое помещение, оригинальная упаковка и смазка.
Точный срок для конкретного типа подшипника уточняйте у наших менеджеров.
Пн–Пт: с 8:00 до 17:00 (МСК).
Сб–Вс: выходные дни.
Заказы на сайте принимаются круглосуточно. Заявки, поступившие после окончания рабочего дня, обрабатываются на следующий рабочий день.
Минимальная сумма заказа для доставки составляет 3000 рублей. Самовывоз со склада возможен на любую сумму при наличии товара.
ООО «УралТехГрупп»
ИНН: 7415093830
КПП: 772401001
ОГРН: 1167456069021
Банк: ПАО Сбербанк
Р/с: 40702810838000475273
К/с: 30101810400000000225
БИК: 044525225
У подшипника 61892MA пока нет отзывов. Вы можете стать первым покупателем, поделившимся своим мнением.