Поиск подшипника
Статьи
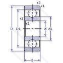
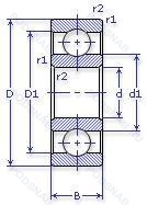
6310-C3 — Подшипник однорядный шариковый радиальный, модификация основного исполнения 6310, выпускается производителями: BTC, CSB, FAG, FELSTROM, GPZ, KBC, KBF, KFB CLARFELD, KG, KOYO, MTK, NBC, NEUTRAL, NIS, NKE, NSK, NTN, RHP, ROLLWAY, SKF, SLF FRAUREUTH, SNR, TIMKEN, TORRINGTON WUXI BRAND, ZKL, ZVL.
Размер подшипника: 50x110x27 мм.
Внутренний зазор больше нормального.
Альтернативное обозначение: 6310-C-C3.
Аналоги: 6310-C-C3 FAG,6310/C3 Felstrom,6310/C3 SKF,6310/C3QE6 SKF,6310C3 Timken,6310C3 Trans Link,6310C3 MTK.
Международная стандартизации ISO
6310C3
В наличии
| Обозначение | Конструктивные изменения |
|---|---|
| 6310BI | Угол контакта 40 градусов. |
| 6310UU | Символ защиты от загрязнения. |
| 6310-2RU | Non Contact Type Friction Torque = Small High Speed Performance = Good Grease Sealing = Better Than ZZ-Type Dirt Resistance = Better Than ZZ-Type Water Resistance = Better Than ZZ / Inferior To 2RS Operating Temp. -30°C To + 100°C. |
| 6310 2RD C3 | Внутренний зазор больше нормального. Облегченное контактное уплотнение с двух сторон.. |
| 6310-2RD | Облегченное контактное уплотнение с двух сторон.. |
| 6310-2NKE | Double Labyrinth Seal (Non Contact). |
| 6310NSE | Резиновое уплотнение с одной стороны. |
| 6310-2NKE9 | Double Labyrinth Seal (Non Contact). |
| 6310ZE | щит из листовой прессованной стали с одной стороны подшипника. |
| 6310-RS2 | Contact Seal Of Fluoro Rubber (FPM) With Sheet Steel Reinforcement On One Side Of The Bearing. |
| 6310VV | Защитные металлические шайбы. с обеих сторон подшипника. Бесконтактное уплотнение. (лучше. чем ZZ. Можно использовать в умеренно запыленной среде). |
| 6310LLB | Уплотнение бесконтактного типа из синтетического каучука. |
| 6310LLBNR | Канавка и стопорное кольцо на наружном кольце. Бесконтактное нитриловое уплотнение. |
| 6310D2 | Два одинаковых парных подшипника. |
| 6310LLUNR | Канавка и стопорное кольцо на наружном кольце. Двухкромочное нитриловое контактное уплотнение. |
| 6310LB | Бесконтактное нитриловое уплотнение. |
| 6310LH | Бесконтактное нитриловое уплотнение с пониженным трением. |
| 6310LLH | Манжетное уплотнение с обеих сторон подшипника. |
| 6310ZZD2 | Стальная шайба. |
| 6310NEE | Контактные уплотнения с двух сторон. Канавка на наружном кольце. |
| 6310HT200 | Ассортимент TOPLINE для высокой температуры - Максимум 200 С° с уплотнениями FKM с обеих сторон. |
| 6310NRZ | Защитная пластина с одной стороны. Канавка и стопорное кольцо на наружном кольце. |
| 6310NREE | Канавка и стопорное кольцо на наружном кольце. Контактные уплотнения с двух сторон. |
| 6310FT150ZZ | Ассортимент TOPLINE для высокой температуры - Максимум 150 С° со стальными защитными пластинами с обеих сторон. |
| 6310NRZZ | Защитные пластины с двух сторон. Канавка и стопорное кольцо на наружном кольце. |
Модификации шарикового подшипника 6310-C3 — это измененное основное конструктивное исполнение 6310, основные размеры (50x110x27) не отличаются.
| Обозначение | Гост | Конструктивные особенности |
|---|---|---|
| 7MC3-6310L1 B C3 | ISO | Внутренний зазор больше нормального. Механически обработанный латунный сепаратор. центрированный на шариках. |
| 310WDDN | ISO | Радиальный подшипник. Тип заправочного паза. On Shielded Bearings. Suffix “N” Means Closer-Fitting Grease Shield With More Land On Bearing Face. Example/ 307WDDN. Защитные стальные шайбы с обеих сторон. |
| 310/C3 | ISO | Внутренний зазор больше нормального. |
| 1310SL | ISO | Канавка под стопорное кольцо на стороне подшипника. противоположной защитному щитку. Стопорное кольцо входит в комплект поставки. |
| 310WDGN | ISO | Канавка под стопорное кольцо на наружном кольце с соответствующим стопорным кольцом. Защитная шайба из штампованной стали с одной стороны. |
| 310KDD | ISO | Защитные металлические шайбы по обе стороны подшипника с цилиндрическим наружным диаметром. |
| 310MFG | ISO | Максимальная производительность. Канавка для ввода тел качения. Однорядный радиальный шарикоподшипник с защитной шайбой с одной стороны. Канавка под стопорное кольцо на наружном кольце с соответствующим стопорным кольцом. |
| 310MG | ISO | Формованный сепаратор из полиамида. укрепленного стекловолокном. |
| E2.6310-2Z/C3 | ISO | Внутренний зазор больше нормального. Защитные металлические шайбы с обеих сторон подшипника. |
| 310ZN | ISO | щит из листовой прессованной стали с одной стороны подшипника. Канавка под стопорное кольцо на внешнем кольце. |
| 310SFG | ISO | Single Row Radial Conrad-Type Bearings. Однорядный радиальный шарикоподшипник с защитной шайбой с одной стороны. Канавка под стопорное кольцо на наружном кольце с соответствующим стопорным кольцом. |
| 310SG | ISO | Single Row Radial Conrad-Type Bearings. Канавка под стопорное кольцо на наружном кольце с соответствующим стопорным кольцом. |
| 310SZZC | ISO | Однорядный радиальный подшипник, ширина картриджа, с двумя уплотнениями. |
| M6310Z | ISO | щит из листовой прессованной стали с одной стороны подшипника. |
| UR6310A 2Z | ISO | Двухрядный радиально-упорный шарикоподшипник без отверстия для смазки. Защитные металлические шайбы с обеих сторон. |
| 310SFC4 | ISO | Single Row Radial Conrad-Type Bearings. ABMA #4 Radial Clearance (MRC-XL Fit). Однорядный радиальный шарикоподшипник с защитной шайбой с одной стороны. |
| MRC.310SZZC | ISO | Conrad Deep Groove. Cartridge Width Bearing. Защитные металлические шайбы с обеих сторон подшипника. |
| K6310 2RS | ISO | Резиновые уплотнения с каждой стороны подшипника. |
| 310KDDG | ISO | Conrad (Non-Filling Slot) Type. Wireloc (стопорное кольцо). Защитные стальные шайбы с обеих сторон. |
| 310-2Z | ISO | Защитные металлические шайбы с обеих сторон подшипника. |
Аналог шарикового подшипника 6310-C3 — это подшипник такого же размера dx50,Dx110,Bx27, типа и конструкции.
| Обозначение | Конструктивные особенности | Внутренний (d) | Наружный (D) | Ширина (B) |
|---|---|---|---|---|
| 46310Л1 | Шариковый радиально-упорный однорядный подшипник. Сепаратор из латуни.. | 50.00 | 110.00 | 27.00 |
| 5-310 АК | Шариковый радиальный однорядный подшипник. Повышенная грузоподъемность. | 50.00 | 110.00 | 27.00 |
| 5-310 ЕТ8Ш2 | Шариковый радиальный однорядный подшипник. Сепаратор из текстолита.. Нормы шумности. Специальный режим термообработки деталей подшипника. | 50.00 | 110.00 | 27.00 |
| 5-310 ЕТ8Ш3 | Шариковый радиальный однорядный подшипник. Сепаратор из текстолита.. Нормы шумности. Специальный режим термообработки деталей подшипника. | 50.00 | 110.00 | 27.00 |
| 5-310 ЕШ2 | Шариковый радиальный однорядный подшипник. Сепаратор из текстолита.. Нормы шумности. | 50.00 | 110.00 | 27.00 |
| 5-310 ЕШ3 | Шариковый радиальный однорядный подшипник. Сепаратор из текстолита.. Нормы шумности. | 50.00 | 110.00 | 27.00 |
| 5-32310 Р | Роликовый радиальный однорядный подшипник. Детали из теплоустойчивой (быстрорежущие) стали.. | 50.00 | 110.00 | 27.00 |
| 5-46310 АЛ | Шариковый радиально-упорный однорядный подшипник. Сепаратор из латуни.. Повышенная грузоподъемность. | 50.00 | 110.00 | 27.00 |
| 5-46310 Л | Шариковый радиально-упорный однорядный подшипник. Сепаратор из латуни.. | 50.00 | 110.00 | 27.00 |
| 50310-А | Шариковый радиальный однорядный подшипник. Повышенная грузоподъемность. | 50.00 | 110.00 | 27.00 |
| 50310-АW2 | Шариковый радиальный однорядный подшипник. Детали из вакуумированной стали.. Повышенная грузоподъемность. | 50.00 | 110.00 | 27.00 |
| 50310-АК | Шариковый радиальный однорядный подшипник. Повышенная грузоподъемность. | 50.00 | 110.00 | 27.00 |
| 6-102310 М | Роликовый радиальный однорядный подшипник. Модифицированный контакт.. | 50.00 | 110.00 | 27.00 |
| 6-12310 КМ | Роликовый радиальный однорядный подшипник. Кольцевая проточка на середине цилиндрической наружной поверхности наружного кольца плюс три отверстия для смазки. Модифицированный контакт.. | 50.00 | 110.00 | 27.00 |
| 6-1310 Л | Шариковый радиальный двухрядный подшипник. Сепаратор из латуни.. | 50.00 | 110.00 | 27.00 |
Способы доставки
Отправка через ведущие транспортные и курьерские компании: ПЭК, Деловые Линии, СДЭК, Байкал-Сервис, Энергия, КИТ, ЖелДорЭкспедиция.
Самовывоз возможен напрямую со склада в Москве.
Сроки доставки
Срок зависит от региона и выбранной транспортной компании. Все заказы комплектуются и отправляются в кратчайшие сроки со склада в Москве.
Надёжность и сохранность
Вся продукция упаковывается с учётом требований транспортировки. Мы гарантируем, что подшипники и комплектующие прибудут к заказчику в полной сохранности.
Доставка в страны ЕАЭС
Мы работаем с проверенными логистическими партнёрами, что позволяет оперативно доставлять заказы в Беларусь, Казахстан, Армению и другие страны ЕАЭС.
Варианты оплаты:
Минимальная сумма заказа и скидки:
Документы и гарантии:
Да, конечно! Наши технические специалисты готовы помочь вам с подбором точного аналога или замены подшипника. Просто позвоните нам по телефону +7 (495) 104-99-04 или напишите на почту zakaz@podsnab.ru.
Для оперативной консультации подготовьте, пожалуйста, имеющиеся данные: маркировку, размеры, тип оборудования или артикул старого подшипника.
Да, конечно! Мы высоко ценим долгосрочное сотрудничество и доверие клиентов по всей России. Для постоянных клиентов действует персональная система скидок.
Условия формируются индивидуально и зависят от:
Чтобы узнать свои условия и получить максимально выгодное предложение, свяжитесь с персональным менеджером или напишите нам на почту zakaz@podsnab.ru.
Вы можете оформить заказ несколькими способами:
Для оформления заказа от юридического лица свяжитесь с нашим отделом по работе с корпоративными клиентами по телефону +7 (495) 104-99-04 или напишите на email zakaz@podsnab.ru, прикрепив реквизиты вашей организации.
Мы оперативно подготовим коммерческое предложение и выставим счет.
Возврат товара надлежащего качества возможен в течение 10 дней с момента получения, если товар не был в употреблении, сохранен товарный вид, упаковка не вскрывалась и присутствуют все сопроводительные документы.
Возврат денежных средств осуществляется в течение 10 рабочих дней после проверки товара складом.
В соответствии с законодательством возврату не подлежат подшипники надлежащего качества, если отсутствует оригинальная упаковка или имеются следы монтажа.
В случае выявления брака или гарантийного случая мы гарантируем возврат или обмен товара.
Да, гарантийный срок хранения устанавливается заводом-изготовителем и в среднем составляет 2 года при соблюдении условий хранения: сухое помещение, оригинальная упаковка и смазка.
Точный срок для конкретного типа подшипника уточняйте у наших менеджеров.
Пн–Пт: с 8:00 до 17:00 (МСК).
Сб–Вс: выходные дни.
Заказы на сайте принимаются круглосуточно. Заявки, поступившие после окончания рабочего дня, обрабатываются на следующий рабочий день.
Минимальная сумма заказа для доставки составляет 3000 рублей. Самовывоз со склада возможен на любую сумму при наличии товара.
ООО «УралТехГрупп»
ИНН: 7415093830
КПП: 772401001
ОГРН: 1167456069021
Банк: ПАО Сбербанк
Р/с: 40702810838000475273
К/с: 30101810400000000225
БИК: 044525225
У подшипника 6310-C3 пока нет отзывов. Вы можете стать первым покупателем, поделившимся своим мнением.