Поиск подшипника
Статьи
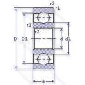
61820 — Подшипник однорядный шариковый радиальный, основное исполнение, выпускается производителями: AUSTIN, CRAFT, CX, ELGES, FAG, INA, ISB, ISO, NKE, NSK, SIGMA, SKF, ZEN.
Размер подшипника: 100x125x13 мм.
Альтернативное обозначение: 6820.
Аналоги: 61820 SKF,6820 NTN,6820 NSK.
Международная стандартизации ISO
61820
В наличии
| Обозначение | Конструктивные изменения |
|---|---|
| 61820-2RZ | Шарикоподшипник. С уплотнением и низким коэффициентом трения с обеих сторон. Уплотнение состоит из шайбы из листовой стали с вулканизированной резиной. |
| 61820Y | Листовая латунная клетка. |
| 61820ZZ | Защитные металлические шайбы (бесконтактные уплотнения) с обеих сторон подшипника. |
| 61820ZZY | Защитные металлические шайбы с обеих сторон. Штампованный латунный фиксатор. Направляемые элементы качения. |
| 61820-2RSR-Y | Резиновые уплотнения с каждой стороны подшипника. Штампованный латунный фиксатор. Направляемые элементы качения. |
| 61820-Y-C3 | Внутренний зазор больше нормального. Подшипник с сепаратором из латуни центрированный по телам качения. |
| 61820-Y-C5 | Внутренний зазор подшипника больше. чем С4. Подшипник с сепаратором из латуни центрированный по телам качения. |
| 61820Y.C4 | Внутренний зазор подшипника больше. чем C3. Штампованный латунный фиксатор. Направляемые элементы качения. |
| 61820-RSR-Y | Подшипник с сепаратором из латуни центрированный по телам качения. One Seal. Buna-N Rubber. Radial Type.. |
| 61820-2RSR-C3 | Внутренний зазор больше нормального. Резиновые уплотнения с каждой стороны подшипника. |
| 61820-2Z-C3 | Внутренний зазор больше нормального. Защитные стальные шайбы с обеих сторон. |
| 61820-2Z-Y-C3 | Внутренний зазор больше нормального. Зазорные уплотнения с обеих сторон подшипника.. Штампованный латунный фиксатор. Направляемые элементы качения. |
| 61820-2RSR | Резиновые уплотнения с каждой стороны подшипника. |
| 61820-2RS-C3 | Внутренний зазор больше нормального. Резиновые уплотнения с каждой стороны подшипника. |
| 61820TNHB SQ47 | Glass Fibre Reinforced Plastic Snap Cage. Guided On The Inner Ring. |
| 61820T | Литой защелкивающийся сепаратор из полиамида. армированного стекловолокном. |
| 61820-Y-P6-O-AVK | Размерные и геометрические допуски соответствуют классу точности P6. Подшипник с сепаратором из латуни центрированный по телам качения. Класс точности 1 по стандарту ABEC 1F. |
| 61820M | Механически обработанный латунный сепаратор .Расположенный на элементах качения. |
| 61820-2RS-Y-SF218-C3 | Внутренний зазор больше нормального. Резиновые уплотнения с каждой стороны подшипника. Штампованный латунный фиксатор. Направляемые элементы качения. |
| 61820 2BRS Y | Сепаратор из прессованной латуни. Центрирование шарика. Бесконтактные лабиринтные уплотнения с обеих сторон. |
| 61820 2URS Y | Сепаратор из прессованной латуни. Центрирование шарика. Специальное манжетное уплотнение с обеих сторон подшипника. |
| 61820 BRS Y | Сепаратор из прессованной латуни. Центрирование шарика. Бесконтактные лабиринтные уплотнения с одной стороны. |
| 61820 RS Y | Сепаратор из прессованной латуни. Центрирование шарика. Резиновое уплотнение с одной стороны. |
| 61820 URS Y | Сепаратор из прессованной латуни. Центрирование шарика. |
| 61820 Z Y | щит из листовой прессованной стали с одной стороны подшипника. Сепаратор из прессованной латуни. Центрирование шарика. |
Модификации шарикового подшипника 61820 — это измененное основное конструктивное исполнение 61820, основные размеры (100x125x13) не отличаются.
| Обозначение | Гост | Конструктивные особенности |
|---|---|---|
| 6820 ZNR | ISO | Подшипник однорядный шариковый радиальный. |
| 6820 NR | ISO | Канавка и стопорное кольцо на наружном кольце. |
| 6820ZZ | ISO | Металлическая защитная шайба с двух сторон. |
| 6820 2RS | ISO | Резиновые уплотнения с каждой стороны подшипника. |
| 6820 | ISO | Подшипник однорядный шариковый радиальный. |
| 6820MB | ISO | Механически обработанный латунный сепаратор. клёпаный. центрируемый по внутреннему кольцу. |
| 6820 2RU GA2 | ISO | Non Contact Type Friction Torque = Small High Speed Performance = Good Grease Sealing = Better Than ZZ-Type Dirt Resistance = Better Than ZZ-Type Water Resistance = Better Than ZZ / Inferior To 2RS Operating Temp. -30 To + 100. Смазка. Shell Oil Co. Alvania #2 Grease. |
| 6820DD/AS2S | ISO | Стандартное заполнение. Резиновые уплотнения с каждой стороны подшипника. 1/4 Full. Смазка Aeroshell 7. |
| 6820 2RU | ISO | Non Contact Type Friction Torque = Small High Speed Performance = Good Grease Sealing = Better Than ZZ-Type Dirt Resistance = Better Than ZZ-Type Water Resistance = Better Than ZZ / Inferior To 2RS Operating Temp. -30°C To + 100°C. |
| 6820 2RS Y | ISO | Резиновые уплотнения с каждой стороны подшипника. Штампованный латунный фиксатор. Направляемые элементы качения. |
| 6820ZZ Y | ISO | Защитные металлические шайбы с обеих сторон. Штампованный латунный фиксатор. Направляемые элементы качения. |
| 6820CM | ISO | Шариковый подшипник. Специальный радиальный внутренний зазор для электродвигателей. |
| 6820C3 | ISO | Внутренний зазор больше нормального. |
| 6820LLU | ISO | Резиновые уплотнения с каждой стороны подшипника. |
| 6820VV | ISO | Защитные металлические шайбы. с обеих сторон подшипника. Бесконтактное уплотнение. (лучше. чем ZZ. Можно использовать в умеренно запыленной среде). |
| 6820DD | ISO | Резиновые уплотнения с каждой стороны подшипника. |
| 6820LLU/2A | ISO | Резиновые уплотнения с каждой стороны подшипника. Lubricant. Shell Oil Co.. Alvania #2 Grease. Mil-G-18709A. |
| 6820DD AV2S | ISO | Резиновые уплотнения с каждой стороны подшипника. Lubricant. Shell Oil Co.. Alvania #2 Grease. 1/4 Full. Temperature Range = -10°C / + 110°C (Normal Temperature Grease). |
Аналог шарикового подшипника 61820 — это подшипник такого же размера dx100,Dx125,Bx13, типа и конструкции.
| Обозначение | Конструктивные особенности | Внутренний (d) | Наружный (D) | Ширина (B) |
|---|---|---|---|---|
| 7820C | Шариковый радиально-упорный однорядный подшипник. Угол контакта 15°. | 100.00 | 125.00 | 13.00 |
| 71820 A | Шариковый радиально-упорный однорядный подшипник. Двухрядный радиально-упорный шарикоподшипник без отверстия для смазки. | 100.00 | 125.00 | 13.00 |
| 71820AC | Шариковый радиально-упорный однорядный подшипник. Суффикс для радиально-упорного шарикоподшипника. | 100.00 | 125.00 | 13.00 |
| 71820 C | Шариковый радиально-упорный однорядный подшипник. 15° Угол контакта. | 100.00 | 125.00 | 13.00 |
| 71820 CD/HCP4A | Шариковый радиальный однорядный подшипник. Измененная или модифицированная внутренняя конструкция при неизменных основных размерах. Двухкомпонентный штампованный стальной сепаратор с направляющим кольцом. | 100.00 | 125.00 | 13.00 |
| 71820 CD/P4A | Шариковый радиальный однорядный подшипник. Двухкомпонентный штампованный стальной сепаратор с направляющим кольцом. Точность размеров в соответствии с классом допуска ISO 4. точность вращения лучше чем класс допуска ISO 4. | 100.00 | 125.00 | 13.00 |
| 6820-2RZ | Шариковый радиальный однорядный подшипник. Шарикоподшипник. С уплотнением и низким коэффициентом трения с обеих сторон. Уплотнение состоит из шайбы из листовой стали с вулканизированной резиной. | 100.00 | 125.00 | 13.00 |
| 6820-2RD | Шариковый радиальный однорядный подшипник. Облегченное контактное уплотнение с двух сторон.. | 100.00 | 125.00 | 13.00 |
| 6820Z | Шариковый радиальный однорядный подшипник. щит из листовой прессованной стали с одной стороны подшипника. | 100.00 | 125.00 | 13.00 |
| 6820N | Шариковый радиальный однорядный подшипник. Канавка для стопорного кольца на наружном кольце. | 100.00 | 125.00 | 13.00 |
| 76-1126820 Б | Шариковый радиально-упорный однорядный подшипник. Сепаратор из безоловянистой бронзы.. | 100.00 | 125.00 | 13.00 |
| 6820LLB | Шариковый радиальный однорядный подшипник. Уплотнение бесконтактного типа из синтетического каучука. | 100.00 | 125.00 | 13.00 |
| S61820-2RS | Шариковый радиальный однорядный подшипник. Резиновые уплотнения с каждой стороны подшипника. | 100.00 | 125.00 | 13.00 |
| 1000820-АЕ25 | Шариковый радиальный однорядный подшипник. Повышенная грузоподъемность. Сепаратор из пластических материалов.. | 100.00 | 125.00 | 13.00 |
| 5-1126820 Р | Шариковый радиально-упорный однорядный подшипник. Детали из теплоустойчивой (быстрорежущие) стали.. | 100.00 | 125.00 | 13.00 |
Способы доставки
Отправка через ведущие транспортные и курьерские компании: ПЭК, Деловые Линии, СДЭК, Байкал-Сервис, Энергия, КИТ, ЖелДорЭкспедиция.
Самовывоз возможен напрямую со склада в Москве.
Сроки доставки
Срок зависит от региона и выбранной транспортной компании. Все заказы комплектуются и отправляются в кратчайшие сроки со склада в Москве.
Надёжность и сохранность
Вся продукция упаковывается с учётом требований транспортировки. Мы гарантируем, что подшипники и комплектующие прибудут к заказчику в полной сохранности.
Доставка в страны ЕАЭС
Мы работаем с проверенными логистическими партнёрами, что позволяет оперативно доставлять заказы в Беларусь, Казахстан, Армению и другие страны ЕАЭС.
Варианты оплаты:
Минимальная сумма заказа и скидки:
Документы и гарантии:
Да, конечно! Наши технические специалисты готовы помочь вам с подбором точного аналога или замены подшипника. Просто позвоните нам по телефону +7 (495) 104-99-04 или напишите на почту zakaz@podsnab.ru.
Для оперативной консультации подготовьте, пожалуйста, имеющиеся данные: маркировку, размеры, тип оборудования или артикул старого подшипника.
Да, конечно! Мы высоко ценим долгосрочное сотрудничество и доверие клиентов по всей России. Для постоянных клиентов действует персональная система скидок.
Условия формируются индивидуально и зависят от:
Чтобы узнать свои условия и получить максимально выгодное предложение, свяжитесь с персональным менеджером или напишите нам на почту zakaz@podsnab.ru.
Вы можете оформить заказ несколькими способами:
Для оформления заказа от юридического лица свяжитесь с нашим отделом по работе с корпоративными клиентами по телефону +7 (495) 104-99-04 или напишите на email zakaz@podsnab.ru, прикрепив реквизиты вашей организации.
Мы оперативно подготовим коммерческое предложение и выставим счет.
Возврат товара надлежащего качества возможен в течение 10 дней с момента получения, если товар не был в употреблении, сохранен товарный вид, упаковка не вскрывалась и присутствуют все сопроводительные документы.
Возврат денежных средств осуществляется в течение 10 рабочих дней после проверки товара складом.
В соответствии с законодательством возврату не подлежат подшипники надлежащего качества, если отсутствует оригинальная упаковка или имеются следы монтажа.
В случае выявления брака или гарантийного случая мы гарантируем возврат или обмен товара.
Да, гарантийный срок хранения устанавливается заводом-изготовителем и в среднем составляет 2 года при соблюдении условий хранения: сухое помещение, оригинальная упаковка и смазка.
Точный срок для конкретного типа подшипника уточняйте у наших менеджеров.
Пн–Пт: с 8:00 до 17:00 (МСК).
Сб–Вс: выходные дни.
Заказы на сайте принимаются круглосуточно. Заявки, поступившие после окончания рабочего дня, обрабатываются на следующий рабочий день.
Минимальная сумма заказа для доставки составляет 3000 рублей. Самовывоз со склада возможен на любую сумму при наличии товара.
ООО «УралТехГрупп»
ИНН: 7415093830
КПП: 772401001
ОГРН: 1167456069021
Банк: ПАО Сбербанк
Р/с: 40702810838000475273
К/с: 30101810400000000225
БИК: 044525225
У подшипника 61820 пока нет отзывов. Вы можете стать первым покупателем, поделившимся своим мнением.