Поиск подшипника
Статьи
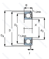
216Z NR — Подшипник однорядный шариковый радиальный, модификация основного исполнения 216, выпускается производителями: NSK, SKF.
Размер подшипника: 80x140x26 мм.
Канавка под стопорное кольцо на наружном кольце с соответствующим стопорным кольцом, щит из листовой прессованной стали с одной стороны подшипника.
Альтернативное обозначение: 216MFG.
Международная стандартизации ISO
216ZNR
В наличии
| Обозначение | Конструктивные изменения |
|---|---|
| 216RDS-BKE#5 | Расточенное наружное кольцо. Подшипник однорядный радиального типа. Угол контакта 15°. These “Universal” Bearings Are A Special Version Of The Precision Bearings And Are Intended For Paired Mounting. They Are Adjusted During Manufacture So That They May Be Mounted Immediately Adjacent To Each Other In A Back-To-Back. Face-To-Face Or Tandem Arrangement As Desired. When Arranged Back-To-Back Or Face-To-Face. The Bearings Will Have A Light Preload. Обработанный фенольный состав (бакелит). Distance Between Beginning Of The Rail And First Hole In MM. |
| 216RDS-STL#5 | Расточенное наружное кольцо. Подшипник однорядный радиального типа. Угол контакта 15°. These “Universal” Bearings Are A Special Version Of The Precision Bearings And Are Intended For Paired Mounting. They Are Adjusted During Manufacture So That They May Be Mounted Immediately Adjacent To Each Other In A Back-To-Back. Face-To-Face Or Tandem Arrangement As Desired. When Arranged Back-To-Back Or Face-To-Face. The Bearings Will Have A Light Preload. Сепаратор из стали. Distance Between Beginning Of The Rail And First Hole In MM. |
| 3MM216WICRDUL | Подшипник однорядный шариковый радиальный. |
| 216-2Z | Защитные металлические шайбы с обеих сторон подшипника. |
| 2MMV216WICRSUL | Подшипник однорядный шариковый радиальный. |
| 216H | Сепаратор из фенольной смолы с текстильным ламинированием. Внешнее кольцо центрировано. |
| 216-Z | щит из листовой прессованной стали с одной стороны подшипника. |
| 216ZN | щит из листовой прессованной стали с одной стороны подшипника. Канавка под стопорное кольцо на внешнем кольце. |
| 216NR | Канавка под стопорное кольцо на наружном кольце с соответствующим стопорным кольцом. |
| 216WI | Низкий буртик на наружном кольце. |
| 216S | Single Row Radial Conrad-Type Bearings. |
| 216SFF | Single Row Radial Conrad-Type Bearings. Металлическое уплотнение с двух сторон. |
| 2MM216WI SUL | Одиночный подшипник. Универсальный. Легкий преднатяг. 15° Low Угол контакта. Superprecision Abec-7 (Iso P4).. Низкий борт на наружном кольце, стандартный сепаратор - формованный армированный нейлоновый. |
| 216HDM0-9 | Дуплекс. Средний предварительный натяг. Сепаратор из фенольной смолы с текстильным ламинированием. Внешнее кольцо центрировано. Exxon Avia Instrument Oil - Temp. –65°F (-53.888℃) to +150°F (65.555℃)- Limiting dN Value/ 1.5 × 106. |
| 216RDT ABEC5 | Размерная и рабочая точность соответствует классу допуска ISO 5. |
| 216HE | Закрепительная втулка. |
| 2MMV216WI DUL | Дуплексная пара подшипников. Универсальная установка. Лёгкий преднатяг. 15° Low Угол контакта. Superprecision Abec-7 (Iso P4).. 15° Low Угол контакта. High Grade (HG) Between Abec-7 (ISO P4) And Abec-9 (ISO P2).. Низкий борт на наружном кольце, стандартный сепаратор - формованный армированный нейлоновый. |
| 216SS | Защитные металлические шайбы с обеих сторон подшипника. |
| 216SZZC | Однорядный радиальный подшипник, ширина картриджа, с двумя уплотнениями. |
| 216WG | Радиальный подшипник. Тип заправочного паза. Канавка под стопорное кольцо на наружном кольце с соответствующим стопорным кольцом. |
| 216HCDUL G-75 | 15° Угол контакта. Сепаратор из фенольной смолы с текстильным ламинированием. Внешнее кольцо центрировано. Комплект из 2 универсальных подшипников. Небольшой предварительный натяг. Arcanol L-75. |
| 216-ZV | Специальная смазка и увеличенное внутреннее кольцо. |
| NUP 216 ECML | Однорядный цилиндрический роликовый подшипник. |
| 216W | Максимальная грузоподъемность. |
| BL 216 ZZ | Защитные металлические шайбы с обеих сторон. |
Модификации шарикового подшипника 216Z NR — это измененное основное конструктивное исполнение 216, основные размеры (80x140x26) не отличаются.
| Обозначение | Гост | Конструктивные особенности |
|---|---|---|
| 6216-2Z-L207-C3 | ISO | Внутренний зазор больше нормального. Защитные металлические шайбы с обеих сторон. Заполнение консистентной смазкой Arcanol L207 (высокотемпературная смазка). |
| 6216-2Z-L550 | ISO | Защитные металлические шайбы с обеих сторон. |
| 6216-2RS1/JEM | ISO | Усиленные листовой сталью контактные уплотнения из акрилонитрил-бутадиенового каучука (NBR) с обеих сторон подшипника. Сепаратор из штампованной стали. Элемент качения отцентрирован. Тихий ход. Зазор C3 (не обозначается на подшипнике). |
| BL216Z | ISO | щит из листовой прессованной стали с одной стороны подшипника. |
| 6316/C3VL0271 | ISO | Внутренний зазор больше нормального. Aluminium Oxide Coated Outside Surface Of Inner Ring For Electrical Resistance Up To 1000v DC. |
| 6216HDY2 C3 | ISO | Внутренний зазор больше нормального. Current Insulated 1000v. |
| 6216TCG12P4 | ISO | Фенольный сепаратор. Класс точности Р4 по ISO (точнее. чем P5) - Abec.7. Специальный радиальный зазор. |
| 6216JEM | ISO | Сепаратор из штампованной стали. Элемент качения отцентрирован. Тихий ход. Зазор C3 (не обозначается на подшипнике). |
| 6216DDUC3 | ISO | Внутренний зазор больше нормального. Резиновые уплотнения с каждой стороны подшипника. |
| 6216LLUC3/5K | ISO | Внутренний зазор больше нормального. Резиновые уплотнения с каждой стороны подшипника. Grease/ Kyodo Yushi / Multemp SRL (-40°C to +150°C). |
| 6216-H-2RSR-SN-C3 | ISO | Внутренний зазор больше нормального. Стандартное качество. Резиновые уплотнения с каждой стороны подшипника. Кольца подшипника стабилизированы по размерам до 120°C.. |
| 6216-H-2RSR-SN | ISO | Стандартное качество. Резиновые уплотнения с каждой стороны подшипника. Кольца подшипника стабилизированы по размерам до 120°C.. |
| 6216-H-2Z-SN | ISO | Защитные металлические шайбы с обеих сторон. Стандартное качество. Кольца подшипника стабилизированы по размерам до 120°C.. |
| 6216-H-2Z-SN-C3 | ISO | Внутренний зазор больше нормального. Защитные металлические шайбы с обеих сторон. Стандартное качество. Кольца подшипника стабилизированы по размерам до 120°C.. |
| 6216-H-SN | ISO | Стандартное качество. Кольца подшипника стабилизированы по размерам до 120°C.. |
| 6216-H-SN-C3 | ISO | Внутренний зазор больше нормального. Стандартное качество. Кольца подшипника стабилизированы по размерам до 120°C.. |
| 6216-2Z-L069-C3 | ISO | Внутренний зазор больше нормального. Зазорные уплотнения с обеих сторон.. Insert Bearing Grease For Wide Temperature Range - Polycarbamide Ester Oil - –40°C to +180°C. |
| 6216Z CM | ISO | щит из листовой прессованной стали с одной стороны подшипника. Шариковый подшипник. Специальный радиальный внутренний зазор для электродвигателей. |
| 6216RSR.C3 | ISO | Внутренний зазор больше нормального. Контактное уплотнение с одной стороны. Радиальный тип. |
| 6216ZZ C3 P6/2E | ISO | Внутренний зазор больше нормального. Защитные металлические шайбы с обеих сторон. Размерные и геометрические допуски соответствуют классу точности P6. |
Аналог шарикового подшипника 216Z NR — это подшипник такого же размера dx80,Dx140,Bx26, типа и конструкции.
| Обозначение | Конструктивные особенности | Внутренний (d) | Наружный (D) | Ширина (B) |
|---|---|---|---|---|
| 42216-К1М | Роликовый радиальный однорядный подшипник. Кольцевая проточка на середине цилиндрической наружной поверхности наружного кольца плюс три отверстия для смазки. Модифицированный контакт.. | 80.00 | 140.00 | 26.00 |
| 42216-КМ | Роликовый радиальный однорядный подшипник. Модифицированный контакт.. | 80.00 | 140.00 | 26.00 |
| 42216-Л | Роликовый радиальный однорядный подшипник. Сепаратор из латуни.. | 80.00 | 140.00 | 26.00 |
| 4-46216-Е | Шариковый радиально-упорный сдвоенный подшипник. Сепаратор из текстолита.. | 80.00 | 140.00 | 26.00 |
| 46216-А | Шариковый радиально-упорный однорядный подшипник. Повышенная грузоподъемность. | 80.00 | 140.00 | 26.00 |
| 46216-АЛ | Шариковый радиально-упорный однорядный подшипник. Сепаратор из латуни.. Повышенная грузоподъемность. | 75.00 | 130.00 | 26.00 |
| 46216-Е | Шариковый радиально-упорный однорядный подшипник. Сепаратор из текстолита.. | 80.00 | 140.00 | 26.00 |
| 46216-Л | Шариковый радиально-упорный однорядный подшипник. Сепаратор из латуни.. | 80.00 | 140.00 | 26.00 |
| 46216К | Шариковый радиально-упорный однорядный подшипник. «Замок» (скос) на внутреннем кольце плюс массивный сепаратор из текстолита. | 80.00 | 140.00 | 26.00 |
| 5-32216 Д1Т | Роликовый радиальный однорядный подшипник. Температура отпуска. 160°. Сепаратор из алюминиевого сплава.. | 80.00 | 140.00 | 26.00 |
| 5-36216 К | Шариковый радиально-упорный однорядный подшипник. «Замок» (скос) на внутреннем кольце плюс массивный сепаратор из текстолита. | 80.00 | 140.00 | 26.00 |
| 5-36216 Л | Шариковый радиально-упорный однорядный подшипник. Сепаратор из латуни.. | 80.00 | 140.00 | 26.00 |
| 5-46216 Л | Шариковый радиально-упорный однорядный подшипник. Сепаратор из латуни.. | 80.00 | 140.00 | 26.00 |
| 50216-А | Шариковый радиальный однорядный подшипник. Повышенная грузоподъемность. | 80.00 | 140.00 | 26.00 |
| 50216-АК1 | Шариковый радиальный однорядный подшипник. Повышенная грузоподъемность. | 80.00 | 140.00 | 26.00 |
Способы доставки
Отправка через ведущие транспортные и курьерские компании: ПЭК, Деловые Линии, СДЭК, Байкал-Сервис, Энергия, КИТ, ЖелДорЭкспедиция.
Самовывоз возможен напрямую со склада в Москве.
Сроки доставки
Срок зависит от региона и выбранной транспортной компании. Все заказы комплектуются и отправляются в кратчайшие сроки со склада в Москве.
Надёжность и сохранность
Вся продукция упаковывается с учётом требований транспортировки. Мы гарантируем, что подшипники и комплектующие прибудут к заказчику в полной сохранности.
Доставка в страны ЕАЭС
Мы работаем с проверенными логистическими партнёрами, что позволяет оперативно доставлять заказы в Беларусь, Казахстан, Армению и другие страны ЕАЭС.
Варианты оплаты:
Минимальная сумма заказа и скидки:
Документы и гарантии:
Да, конечно! Наши технические специалисты готовы помочь вам с подбором точного аналога или замены подшипника. Просто позвоните нам по телефону +7 (495) 104-99-04 или напишите на почту zakaz@podsnab.ru.
Для оперативной консультации подготовьте, пожалуйста, имеющиеся данные: маркировку, размеры, тип оборудования или артикул старого подшипника.
Да, конечно! Мы высоко ценим долгосрочное сотрудничество и доверие клиентов по всей России. Для постоянных клиентов действует персональная система скидок.
Условия формируются индивидуально и зависят от:
Чтобы узнать свои условия и получить максимально выгодное предложение, свяжитесь с персональным менеджером или напишите нам на почту zakaz@podsnab.ru.
Вы можете оформить заказ несколькими способами:
Для оформления заказа от юридического лица свяжитесь с нашим отделом по работе с корпоративными клиентами по телефону +7 (495) 104-99-04 или напишите на email zakaz@podsnab.ru, прикрепив реквизиты вашей организации.
Мы оперативно подготовим коммерческое предложение и выставим счет.
Возврат товара надлежащего качества возможен в течение 10 дней с момента получения, если товар не был в употреблении, сохранен товарный вид, упаковка не вскрывалась и присутствуют все сопроводительные документы.
Возврат денежных средств осуществляется в течение 10 рабочих дней после проверки товара складом.
В соответствии с законодательством возврату не подлежат подшипники надлежащего качества, если отсутствует оригинальная упаковка или имеются следы монтажа.
В случае выявления брака или гарантийного случая мы гарантируем возврат или обмен товара.
Да, гарантийный срок хранения устанавливается заводом-изготовителем и в среднем составляет 2 года при соблюдении условий хранения: сухое помещение, оригинальная упаковка и смазка.
Точный срок для конкретного типа подшипника уточняйте у наших менеджеров.
Пн–Пт: с 8:00 до 17:00 (МСК).
Сб–Вс: выходные дни.
Заказы на сайте принимаются круглосуточно. Заявки, поступившие после окончания рабочего дня, обрабатываются на следующий рабочий день.
Минимальная сумма заказа для доставки составляет 3000 рублей. Самовывоз со склада возможен на любую сумму при наличии товара.
ООО «УралТехГрупп»
ИНН: 7415093830
КПП: 772401001
ОГРН: 1167456069021
Банк: ПАО Сбербанк
Р/с: 40702810838000475273
К/с: 30101810400000000225
БИК: 044525225
У подшипника 216Z NR пока нет отзывов. Вы можете стать первым покупателем, поделившимся своим мнением.