Поиск подшипника
Статьи
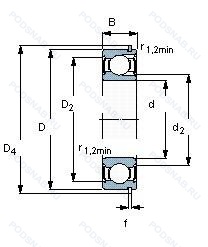
314Z NR — Подшипник однорядный шариковый радиальный, модификация основного исполнения 314, выпускается производителями: NSK, SKF.
Размер подшипника: 70x150x35 мм.
Канавка под стопорное кольцо на наружном кольце с соответствующим стопорным кольцом, щит из листовой прессованной стали с одной стороны подшипника.
Международная стандартизации ISO
314ZNR
В наличии
| Обозначение | Конструктивные изменения |
|---|---|
| 314 | Подшипник однорядный шариковый радиальный. Основное конструктивное исполнение. |
| 314WD | Защитная шайба из штампованной стали с одной стороны. |
| 314KDD | Защитные металлические шайбы по обе стороны подшипника с цилиндрическим наружным диаметром. |
| 314NR | Канавка под стопорное кольцо на наружном кольце с соответствующим стопорным кольцом. |
| 314SFFC | Подшипник с шириной картриджа, с двумя защитными шайбами. |
| 314-Z | щит из листовой прессованной стали с одной стороны подшипника. |
| 314MF | Миниатюрный метрический подшипник со специальными размерами и фланцевым наружным кольцом. |
| 2MM314WICRDUL | Дуплексная пара подшипников. Универсальная установка. Лёгкий преднатяг. 15° Low Угол контакта. Superprecision Abec-7 (Iso P4).. (TB-Segment) Phenolic (Composition) Fafnir Standard. Низкий буртик на наружном кольце. |
| 314S | Single Row Radial Conrad-Type Bearings. |
| 314SFF | Single Row Radial Conrad-Type Bearings. Металлическое уплотнение с двух сторон. |
| 314ZRN | Канавка под стопорное кольцо на внешнем кольце. Металлическое уплотнение с одной стороны. Радиальный тип. |
| N 314 W | Подшипник без смазочных отверстий в наружном кольце. |
| N 314 ECNJ | Однорядный цилиндрический роликовый подшипник. |
| NUP 314 ECM | Однорядный цилиндрический роликовый подшипник. |
| NUP 314 ECML | Однорядный цилиндрический роликовый подшипник. |
| NJ 314 ECML | Однорядный цилиндрический роликовый подшипник. |
| NU 314 ECML | Однорядный цилиндрический роликовый подшипник. |
| NUP 314 ECNP | Однорядный цилиндрический роликовый подшипник. |
| QJ 314 N2PHAS | Измененная или модифицированная внутренняя конструкция при неизменных основных размерах. Шариковый подшипник с четырехточечным контактом. |
| QJ 314 N2MA | Измененная или модифицированная внутренняя конструкция при неизменных основных размерах. Шариковый подшипник с четырехточечным контактом. |
| QJ 314 N2 M | Подшипник с латунным сепаратором. центрированный по телам качения. Два установочных паза (выемки), расположенных под углом 180° друг от друга в одной боковой поверхности наружного кольца или шайбе корпуса.. |
| 314-2Z | Защитные металлические шайбы с обеих сторон подшипника. |
| 314-2ZNR | Подшипник однорядный шариковый радиальный. |
| BL 314 ZZ | Защитные металлические шайбы с обеих сторон. |
| BL 314 Z | щит из листовой прессованной стали с одной стороны подшипника. |
Модификации шарикового подшипника 314Z NR — это измененное основное конструктивное исполнение 314, основные размеры (70x150x35) не отличаются.
| Обозначение | Гост | Конструктивные особенности |
|---|---|---|
| 6314-2Z-L207-C3 | ISO | Внутренний зазор больше нормального. Защитные металлические шайбы с обеих сторон. Заполнение консистентной смазкой Arcanol L207 (высокотемпературная смазка). |
| 6314VV C3 HT120 | ISO | Внутренний зазор больше нормального. Защитные металлические шайбы с двух сторон подшипника (лучше. чем ZZ (пригодно для использования в условиях умеренной запыленности)) Бесконтактного уплотнения. Высокотемпературная смазка. |
| 7MC3-6314L1BC4 | ISO | Внутренний зазор подшипника больше. чем C3. Механически обработанный латунный сепаратор. центрированный на шариках. |
| 6314-2Z-L100-C3 | ISO | Внутренний зазор больше нормального. Защитные металлические шайбы с обеих сторон. High/Low Temperature Grease -40°C/+160°C. |
| 6314-2Z-L237-C3 | ISO | Внутренний зазор больше нормального. Зазорные уплотнения с обеих сторон.. Высокотемпературная смазка. |
| 6314-2Z-L140-C3 | ISO | Внутренний зазор больше нормального. Две металлические защитные шайбы. (Segment Lubrication. Code 2)High Temperature Grease. -20 To +150°C. |
| 6314-Z/C4 | ISO | Внутренний зазор подшипника больше. чем C3. щит из листовой прессованной стали с одной стороны подшипника. |
| 6314-M-J20AA-C4 | ISO | Внутренний зазор подшипника больше. чем C3. Твердый латунный сепаратор. Шариковые направляющие. Электроизоляция. наружное кольцо с керамическим покрытием. |
| 6314-2Z/C3HT | ISO | Внутренний зазор больше нормального. Защитные металлические шайбы с обеих сторон подшипника. Подшипник поставляется со специальной смазкой для высоких температур (до +130°C). |
| 6314DU | ISO | Резиновое уплотнение с одной стороны. |
| 6314DDU C3 | ISO | Внутренний зазор больше нормального. Резиновые уплотнения с каждой стороны подшипника. |
| 6314LLBC3 | ISO | Внутренний зазор больше нормального. Уплотнение бесконтактного типа из синтетического каучука. |
| 6314-2RSR-L406 | ISO | Резиновые уплотнения с каждой стороны подшипника. |
| 6314LLUC3/5K | ISO | Внутренний зазор больше нормального. Резиновые уплотнения с каждой стороны подшипника. Grease/ Kyodo Yushi / Multemp SRL (-40°C to +150°C). |
| 6314-H-2RSR-SN-C3 | ISO | Внутренний зазор больше нормального. Стандартное качество. Резиновые уплотнения с каждой стороны подшипника. Кольца подшипника стабилизированы по размерам до 120°C.. |
| 6314-H-2RSR-SN | ISO | Стандартное качество. Резиновые уплотнения с каждой стороны подшипника. Кольца подшипника стабилизированы по размерам до 120°C.. |
| 6314-H-2Z-SN-C3 | ISO | Внутренний зазор больше нормального. Защитные металлические шайбы с обеих сторон. Стандартное качество. Кольца подшипника стабилизированы по размерам до 120°C.. |
| 6314-H-2Z-SN | ISO | Защитные металлические шайбы с обеих сторон. Стандартное качество. Кольца подшипника стабилизированы по размерам до 120°C.. |
| 6314-H-SN | ISO | Стандартное качество. Кольца подшипника стабилизированы по размерам до 120°C.. |
| 6314-H-SN-C3 | ISO | Внутренний зазор больше нормального. Стандартное качество. Кольца подшипника стабилизированы по размерам до 120°C.. |
Аналог шарикового подшипника 314Z NR — это подшипник такого же размера dx70,Dx150,Bx35, типа и конструкции.
| Обозначение | Конструктивные особенности | Внутренний (d) | Наружный (D) | Ширина (B) |
|---|---|---|---|---|
| 46314-АЛ | Шариковый радиально-упорный однорядный подшипник. Сепаратор из латуни.. Повышенная грузоподъемность. | 70.00 | 150.00 | 35.00 |
| 46314-Л | Шариковый радиально-упорный однорядный подшипник. Сепаратор из латуни.. | 70.00 | 150.00 | 35.00 |
| 46314К | Шариковый радиально-упорный однорядный подшипник. «Замок» (скос) на внутреннем кольце плюс массивный сепаратор из текстолита. | 70.00 | 150.00 | 35.00 |
| 5-46314 Л | Шариковый радиально-упорный однорядный подшипник. Сепаратор из латуни.. | 70.00 | 150.00 | 35.00 |
| 5-50314 Л | Шариковый радиальный однорядный подшипник. Сепаратор из латуни.. | 70.00 | 150.00 | 35.00 |
| 50-2314 КМ | Роликовый радиальный однорядный подшипник. Модифицированный контакт.. | 70.00 | 150.00 | 35.00 |
| 50314-А | Шариковый радиальный однорядный подшипник. Повышенная грузоподъемность. | 70.00 | 150.00 | 35.00 |
| 50314-Л | Шариковый радиальный однорядный подшипник. Сепаратор из латуни.. | 70.00 | 150.00 | 35.00 |
| 50314-АК | Шариковый радиальный однорядный подшипник. Повышенная грузоподъемность. | 70.00 | 150.00 | 35.00 |
| 6-102314 М | Роликовый радиальный однорядный подшипник. Модифицированный контакт.. | 70.00 | 150.00 | 35.00 |
| 6-126314 Л | Шариковый радиально-упорный однорядный подшипник. Сепаратор из латуни.. | 70.00 | 150.00 | 35.00 |
| 6-126314 Р | Шариковый радиально-упорный однорядный подшипник. Детали из теплоустойчивой (быстрорежущие) стали.. | 70.00 | 150.00 | 35.00 |
| 6-170314 Л | Шариковый радиальный однорядный подшипник. Сепаратор из латуни.. | 70.00 | 150.00 | 35.00 |
| 6-176314 Л | Шариковый радиально-упорный однорядный подшипник. Сепаратор из латуни.. | 70.00 | 150.00 | 35.00 |
| 6-180314 Ш1 | Шариковый радиальный однорядный подшипник. Нормы шумности. | 70.00 | 150.00 | 35.00 |
Способы доставки
Отправка через ведущие транспортные и курьерские компании: ПЭК, Деловые Линии, СДЭК, Байкал-Сервис, Энергия, КИТ, ЖелДорЭкспедиция.
Самовывоз возможен напрямую со склада в Москве.
Сроки доставки
Срок зависит от региона и выбранной транспортной компании. Все заказы комплектуются и отправляются в кратчайшие сроки со склада в Москве.
Надёжность и сохранность
Вся продукция упаковывается с учётом требований транспортировки. Мы гарантируем, что подшипники и комплектующие прибудут к заказчику в полной сохранности.
Доставка в страны ЕАЭС
Мы работаем с проверенными логистическими партнёрами, что позволяет оперативно доставлять заказы в Беларусь, Казахстан, Армению и другие страны ЕАЭС.
Варианты оплаты:
Минимальная сумма заказа и скидки:
Документы и гарантии:
Да, конечно! Наши технические специалисты готовы помочь вам с подбором точного аналога или замены подшипника. Просто позвоните нам по телефону +7 (495) 104-99-04 или напишите на почту zakaz@podsnab.ru.
Для оперативной консультации подготовьте, пожалуйста, имеющиеся данные: маркировку, размеры, тип оборудования или артикул старого подшипника.
Да, конечно! Мы высоко ценим долгосрочное сотрудничество и доверие клиентов по всей России. Для постоянных клиентов действует персональная система скидок.
Условия формируются индивидуально и зависят от:
Чтобы узнать свои условия и получить максимально выгодное предложение, свяжитесь с персональным менеджером или напишите нам на почту zakaz@podsnab.ru.
Вы можете оформить заказ несколькими способами:
Для оформления заказа от юридического лица свяжитесь с нашим отделом по работе с корпоративными клиентами по телефону +7 (495) 104-99-04 или напишите на email zakaz@podsnab.ru, прикрепив реквизиты вашей организации.
Мы оперативно подготовим коммерческое предложение и выставим счет.
Возврат товара надлежащего качества возможен в течение 10 дней с момента получения, если товар не был в употреблении, сохранен товарный вид, упаковка не вскрывалась и присутствуют все сопроводительные документы.
Возврат денежных средств осуществляется в течение 10 рабочих дней после проверки товара складом.
В соответствии с законодательством возврату не подлежат подшипники надлежащего качества, если отсутствует оригинальная упаковка или имеются следы монтажа.
В случае выявления брака или гарантийного случая мы гарантируем возврат или обмен товара.
Да, гарантийный срок хранения устанавливается заводом-изготовителем и в среднем составляет 2 года при соблюдении условий хранения: сухое помещение, оригинальная упаковка и смазка.
Точный срок для конкретного типа подшипника уточняйте у наших менеджеров.
Пн–Пт: с 8:00 до 17:00 (МСК).
Сб–Вс: выходные дни.
Заказы на сайте принимаются круглосуточно. Заявки, поступившие после окончания рабочего дня, обрабатываются на следующий рабочий день.
Минимальная сумма заказа для доставки составляет 3000 рублей. Самовывоз со склада возможен на любую сумму при наличии товара.
ООО «УралТехГрупп»
ИНН: 7415093830
КПП: 772401001
ОГРН: 1167456069021
Банк: ПАО Сбербанк
Р/с: 40702810838000475273
К/с: 30101810400000000225
БИК: 044525225
У подшипника 314Z NR пока нет отзывов. Вы можете стать первым покупателем, поделившимся своим мнением.