Поиск подшипника
Статьи
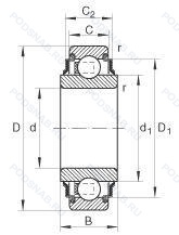
203KRR — Подшипник однорядный шариковый радиальный, модификация основного исполнения 203, выпускается производителями: CHINA, FAFNIR, FKL, INA, NEUTRAL, NKE, RBF.
Размер подшипника: 16x40x18 мм.
Манжетные уплотнения с обеих сторон (уплотнение типа r - имеет оцинкованные внутреннюю и внешнюю крышки. между крышками имеется уплотнительная кромка nbr. идущая по шлифованному буртику).
Аналоги: 203-XL-KRR INA,203FFS MRC/Marlin Rockwell,203FFS H401 MRC/Marlin Rockwell.
Международная стандартизации ISO
203KRR
В наличии
| Обозначение | Конструктивные изменения |
|---|---|
| 203FFS | Two Felt Seals. Replaced By 88xxx. |
| 203KDDG | Conrad (Non-Filling Slot) Type. Wireloc (стопорное кольцо). Защитные стальные шайбы с обеих сторон. |
| 203FF6G18 | Double Flexseal. Exxon Aviation Instrument Oil. Nye Rheotemp 500 - Temp. –50°F (-45.554℃) to +350°F (176.667℃) - Limiting dN Value/ 0.5 × 10.℃. |
| 203-KRR-AH01 | Манжетные уплотнения с обеих сторон (уплотнение типа R - имеет оцинкованные внутреннюю и внешнюю крышки. Между крышками имеется уплотнительная кромка NBR. идущая по шлифованному буртику). Размеры могут отличаться от базового номера детали. Внутренний зазор равен C3 (больше обычного) и защищен от коррозии специальным покрытием Corrotect®. |
| 203KLL | BALL BEARING. CONRAD TYPE. INDUSTRIAL POWER TRANSMISSION. DOUBLE MECHANI-SEAL. |
| 203PP11 | Манжетные уплотнения с обеих сторон подшипника. |
| 203K | Conrad (Non-Filling Slot) Type. |
| 203PP13 | Манжетные уплотнения с обеих сторон подшипника. |
| 203KL | Flanged Type (2 Thru holes)-Medium Load. |
| 203KRR AH06 | Манжетные уплотнения с обеих сторон (уплотнение типа R - имеет оцинкованные внутреннюю и внешнюю крышки. Между крышками имеется уплотнительная кромка NBR. идущая по шлифованному буртику). |
| 203SRRCG | Канавка под стопорное кольцо на наружном кольце с соответствующим стопорным кольцом. Single Row Deep Groove. Cartridge Width Bearing. With Two Labyrinth Seals. |
| 203NPP9 | Манжетные уплотнения с обеих сторон подшипника. Несъемное уплотнение. |
| 2MM203WICRDUL | Дуплексная пара подшипников. Универсальная установка. Лёгкий преднатяг. 15° Low Угол контакта. Superprecision Abec-7 (Iso P4).. (TB-Segment) Phenolic (Composition) Fafnir Standard. Низкий буртик на наружном кольце. |
| 203FYTMT5 G-74 | Устройство повторного смазывания со смазочной канавкой и отверстием на внешнем кольце. Длина направляющей. |
| 3MM203WIDUL | Дуплексная пара подшипников. Универсальная установка. Лёгкий преднатяг. 25° High Угол контакта Superprecision Abec-7 (Iso P4).. Low Shoulder On Outer RIng (Standard Cage!!! (Molded Reinforced Nylon Cage)). |
| 203-XL-KRR-AH02-C5 | Серия X-Life премиум-класс. увеличиный срок службы. Внутренний зазор подшипника больше. чем С4. Манжетные уплотнения с обеих сторон (уплотнение типа R - имеет оцинкованные внутреннюю и внешнюю крышки. Между крышками имеется уплотнительная кромка NBR. идущая по шлифованному буртику). Внутренний диаметр отличается от базового номера детали. |
| 203-XL-KRR-AH05-C3 | Внутренний зазор больше нормального. Серия X-Life премиум-класс. увеличиный срок службы. Манжетные уплотнения с обеих сторон (уплотнение типа R - имеет оцинкованные внутреннюю и внешнюю крышки. Между крышками имеется уплотнительная кромка NBR. идущая по шлифованному буртику). |
| NJ 203 ECML | Однорядный цилиндрический роликовый подшипник. |
| NU 203 ECML | Однорядный цилиндрический роликовый подшипник. |
| QJ 203 N2MA | Измененная или модифицированная внутренняя конструкция при неизменных основных размерах. Шариковый подшипник с четырехточечным контактом. |
| QJ 203 N2 M | Подшипник с латунным сепаратором. центрированный по телам качения. Два установочных паза (выемки), расположенных под углом 180° друг от друга в одной боковой поверхности наружного кольца или шайбе корпуса.. |
| BSA 203 CG-2RZ | Шарикоподшипник. С уплотнением и низким коэффициентом трения с обеих сторон. Уплотнение состоит из шайбы из листовой стали с вулканизированной резиной. Резьбовой винт со стопором и защелкой. |
| BSA 203 CG | Резьбовой винт со стопором и защелкой. |
| N 203 ECPH | Однорядный цилиндрический роликовый подшипник. |
| PCZ 0203 E | Повышенная грузоподъемность. |
Модификации шарикового подшипника 203KRR — это измененное основное конструктивное исполнение 203, основные размеры (16x40x18) не отличаются.
| Обозначение | Гост | Конструктивные особенности |
|---|---|---|
| W203PP | ISO | Широкий. Уплотнения на каждой стороне подшипника. |
| 2032RS | ISO | Резиновые уплотнения с каждой стороны подшипника. |
| 539046.L77 | ISO | High/Low Temperature Grease -40°C/+260°C. |
| 632032RS | ISO | Резиновые уплотнения с каждой стороны подшипника. |
| AN142670 | ISO | Подшипник однорядный шариковый радиальный. |
| W203 2RS C3 | ISO | Внутренний зазор больше нормального. Резиновые уплотнения с каждой стороны подшипника. |
| 63203LLU | ISO | Резиновые уплотнения с каждой стороны подшипника. |
| 63203ZZ CM AV2S | ISO | Два боковых защитных уплотнения. Lubricant. Shell Oil Co.. Alvania #2 Grease. 1/4 Full. Temperature Range = -10°C / + 110°C (Normal Temperature Grease). Шариковый подшипник. Специальный радиальный внутренний зазор для электродвигателей. |
Аналог шарикового подшипника 203KRR — это подшипник такого же размера dx16,Dx40,Bx18, типа и конструкции.
| Обозначение | Конструктивные особенности | Внутренний (d) | Наружный (D) | Ширина (B) |
|---|---|---|---|---|
| 5203SCZZ | Шариковый радиально-упорный двухрядный подшипник. Угол контакта 15°. Только для тел качения. | 17.00 | 40.00 | 17.50 |
| 5203SCLLM | Шариковый радиально-упорный двухрядный подшипник. Угол контакта 15°. Только для тел качения. | 17.00 | 40.00 | 17.50 |
| 5203S | Шариковый радиально-упорный двухрядный подшипник. Запечатанная версия кулачкового ролика. Только для тел качения. | 17.00 | 40.00 | 17.50 |
| 5203SCLLD | Шариковый радиально-упорный двухрядный подшипник. Угол контакта 15°. Только для тел качения. | 17.00 | 40.00 | 17.50 |
| 3056203-Е | Шариковый радиально-упорный двухрядный подшипник. Сепаратор из текстолита.. | 17.00 | 40.00 | 17.50 |
| 3056203-К | Шариковый радиально-упорный двухрядный подшипник. «Замок» (скос) на внутреннем кольце плюс массивный сепаратор из текстолита. | 17.00 | 40.00 | 17.50 |
| 3056203-К1 | Шариковый радиально-упорный двухрядный подшипник. «Замок» (скос) на внутреннем кольце плюс массивный сепаратор из текстолита. | 17.00 | 40.00 | 17.50 |
| SL 5203-2T | Шариковый радиальный двухрядный подшипник. By Construction Is The Same As 2S. Except Rubber Lip Is Tripled. Therefore. It Seals Better But Has Even Larger Friction. The Permitted Speeds Are Much Lower. Up To 500. It Emerges Out Of External Ring Width And Is Applied Only With Special Bearings For The Agricultural Machines (Practically Standard Sealing For The Disc Harrow Bearings) And To The Less Extent. Y-Bearing Program. | 17.00 | 40.00 | 17.50 |
| 63203ZZ | Шариковый радиальный однорядный подшипник. Защитные металлические шайбы (бесконтактные уплотнения) с обеих сторон подшипника. | 17.00 | 40.00 | 17.50 |
| W6203-2RS | Шариковый радиальный однорядный подшипник. Резиновые уплотнения с каждой стороны подшипника. | 17.00 | 40.00 | 17.50 |
| W6203-ZZ | Шариковый радиальный однорядный подшипник. Защитные металлические шайбы с обеих сторон. | 17.00 | 40.00 | 17.50 |
| 6-3056203 Е | Шариковый радиально-упорный двухрядный подшипник. Сепаратор из текстолита.. | 17.00 | 40.00 | 17.50 |
| 63203LLB | Шариковый радиальный однорядный подшипник. Уплотнение бесконтактного типа из синтетического каучука. | 17.00 | 40.00 | 17.46 |
| AB41725 | Шариковый радиальный однорядный подшипник. Однорядный радиально-упорный шариковый подшипник с полиамидным сепаратором. | 16.20 | 40.00 | 18.00 |
| W203PPG | Шариковый радиальный однорядный подшипник. Широкий. Два уплотнения и стопорное кольцо. | 17.00 | 40.00 | 17.48 |
Способы доставки
Отправка через ведущие транспортные и курьерские компании: ПЭК, Деловые Линии, СДЭК, Байкал-Сервис, Энергия, КИТ, ЖелДорЭкспедиция.
Самовывоз возможен напрямую со склада в Москве.
Сроки доставки
Срок зависит от региона и выбранной транспортной компании. Все заказы комплектуются и отправляются в кратчайшие сроки со склада в Москве.
Надёжность и сохранность
Вся продукция упаковывается с учётом требований транспортировки. Мы гарантируем, что подшипники и комплектующие прибудут к заказчику в полной сохранности.
Доставка в страны ЕАЭС
Мы работаем с проверенными логистическими партнёрами, что позволяет оперативно доставлять заказы в Беларусь, Казахстан, Армению и другие страны ЕАЭС.
Варианты оплаты:
Минимальная сумма заказа и скидки:
Документы и гарантии:
Да, конечно! Наши технические специалисты готовы помочь вам с подбором точного аналога или замены подшипника. Просто позвоните нам по телефону +7 (495) 104-99-04 или напишите на почту zakaz@podsnab.ru.
Для оперативной консультации подготовьте, пожалуйста, имеющиеся данные: маркировку, размеры, тип оборудования или артикул старого подшипника.
Да, конечно! Мы высоко ценим долгосрочное сотрудничество и доверие клиентов по всей России. Для постоянных клиентов действует персональная система скидок.
Условия формируются индивидуально и зависят от:
Чтобы узнать свои условия и получить максимально выгодное предложение, свяжитесь с персональным менеджером или напишите нам на почту zakaz@podsnab.ru.
Вы можете оформить заказ несколькими способами:
Для оформления заказа от юридического лица свяжитесь с нашим отделом по работе с корпоративными клиентами по телефону +7 (495) 104-99-04 или напишите на email zakaz@podsnab.ru, прикрепив реквизиты вашей организации.
Мы оперативно подготовим коммерческое предложение и выставим счет.
Возврат товара надлежащего качества возможен в течение 10 дней с момента получения, если товар не был в употреблении, сохранен товарный вид, упаковка не вскрывалась и присутствуют все сопроводительные документы.
Возврат денежных средств осуществляется в течение 10 рабочих дней после проверки товара складом.
В соответствии с законодательством возврату не подлежат подшипники надлежащего качества, если отсутствует оригинальная упаковка или имеются следы монтажа.
В случае выявления брака или гарантийного случая мы гарантируем возврат или обмен товара.
Да, гарантийный срок хранения устанавливается заводом-изготовителем и в среднем составляет 2 года при соблюдении условий хранения: сухое помещение, оригинальная упаковка и смазка.
Точный срок для конкретного типа подшипника уточняйте у наших менеджеров.
Пн–Пт: с 8:00 до 17:00 (МСК).
Сб–Вс: выходные дни.
Заказы на сайте принимаются круглосуточно. Заявки, поступившие после окончания рабочего дня, обрабатываются на следующий рабочий день.
Минимальная сумма заказа для доставки составляет 3000 рублей. Самовывоз со склада возможен на любую сумму при наличии товара.
ООО «УралТехГрупп»
ИНН: 7415093830
КПП: 772401001
ОГРН: 1167456069021
Банк: ПАО Сбербанк
Р/с: 40702810838000475273
К/с: 30101810400000000225
БИК: 044525225
У подшипника 203KRR пока нет отзывов. Вы можете стать первым покупателем, поделившимся своим мнением.