Поиск подшипника
Статьи
61872MA — Подшипник однорядный шариковый радиальный, модификация основного исполнения 61872, выпускается производителями: FAG, ISB, NEUTRAL, NKE, SKF.
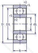
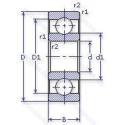
Размер подшипника: 360x440x38 мм.
Механически обработанный латунный сепаратор. центрирование по внешнему кольцу.
Аналоги: 61872-MA FAG.
Международная стандартизации ISO
61872MA
В наличии
| Обозначение | Конструктивные изменения |
|---|---|
| 61872M | Твердый латунный сепаратор с шариковой направляющей. |
| 61872MA C3 | Внутренний зазор больше нормального. Механически обработанный латунный сепаратор. Центрирование по внешнему кольцу. |
| 61872MA/C5 | Внутренний зазор подшипника больше. чем С4. Механически обработанный латунный сепаратор. Центрирование по внешнему кольцу. |
| 61872-M-C5-J26C | Твердый латунный сепаратор. Шариковые направляющие. Внутренний зазор подшипника больше. чем С4. Marking Of The Largest Radial Runout Deviation On The Inner Ring And Outer Ring. |
| 61872-M-P4-C3-J26C | Внутренний зазор больше нормального. Твердый латунный сепаратор. Шариковые направляющие. Класс точности Р4 по ISO (точнее. чем P5) - Abec.7. Marking Of The Largest Radial Runout Deviation On The Inner Ring And Outer Ring. |
| 61872-M-HLB | Подшипник с латунным сепаратором. центрированный по телам качения. Код местонахождения завода. может использоваться в стандартной комплектации. |
| 61872MBS C3 | Внутренний зазор больше нормального. Механически обработанный латунный сепаратор. Направляющие внутреннего кольца. Со смазочными канавками на направляющих поверхностях. |
| 61872M.C3 | Внутренний зазор больше нормального. Твердый латунный сепаратор. Шариковые направляющие. |
| 61872-M-C5 | Твердый латунный сепаратор. Шариковые направляющие. Внутренний зазор подшипника больше. чем С4. |
| 61872 | Подшипник однорядный шариковый радиальный. Основное конструктивное исполнение. |
| 61872 2BRS M | Подшипник с латунным сепаратором. центрированный по телам качения. Бесконтактные лабиринтные уплотнения с обеих сторон. |
| 61872 2RS M | Резиновые уплотнения с каждой стороны подшипника. Подшипник с латунным сепаратором. центрированный по телам качения. |
| 61872 2URS M | Подшипник с латунным сепаратором. центрированный по телам качения. Специальное манжетное уплотнение с обеих сторон подшипника. |
| 61872 2Z M | Подшипник с латунным сепаратором. центрированный по телам качения. Защитные металлические шайбы с обеих сторон подшипника. |
| 61872 BRS M | Подшипник с латунным сепаратором. центрированный по телам качения. Бесконтактные лабиринтные уплотнения с одной стороны. |
| 61872 RS M | Подшипник с латунным сепаратором. центрированный по телам качения. Резиновое уплотнение с одной стороны. |
| 61872 URS M | Подшипник с латунным сепаратором. центрированный по телам качения. |
| 61872 Z M | Подшипник с латунным сепаратором. центрированный по телам качения. щит из листовой прессованной стали с одной стороны подшипника. |
Модификации шарикового подшипника 61872MA — это измененное основное конструктивное исполнение 61872, основные размеры (360x440x38) не отличаются.
| Обозначение | Гост | Конструктивные особенности |
|---|---|---|
| 6872 | ISO | Подшипник однорядный шариковый радиальный. |
| 6872M | ISO | Подшипник с латунным сепаратором. центрированный по телам качения. |
| 6872M C4 | ISO | Внутренний зазор подшипника больше. чем C3. Механически обработанный латунный сепаратор .Расположенный на элементах качения. |
| 6872M C3 | ISO | Внутренний зазор больше нормального. Подшипник с латунным сепаратором. центрированный по телам качения. |
Аналог шарикового подшипника 61872MA — это подшипник такого же размера dx360,Dx440,Bx38, типа и конструкции.
| Обозначение | Конструктивные особенности | Внутренний (d) | Наружный (D) | Ширина (B) |
|---|---|---|---|---|
| 2232872МК | Роликовый радиальный однорядный подшипник. Кольцевая проточка на середине цилиндрической наружной поверхности наружного кольца плюс три отверстия для смазки. Модифицированный контакт.. | 360.00 | 440.00 | 39.00 |
| N1872 | Роликовый радиальный однорядный подшипник. Канавка под стопорное кольцо на наружном кольце подшипника. | 360.00 | 440.00 | 38.00 |
| NCF 1872 V | Роликовый радиальный цилиндрический однорядный подшипник. Бессепараторный подшипник. Однорядный без сепараторный цилиндрический роликовый подшипник. Два борта на внутреннем кольце и один борт на наружном. | 360.00 | 440.00 | 38.00 |
| NF1872 | Роликовый радиальный однорядный подшипник. Механически обработанный сепаратор из стали или специального чугуна. Канавка под стопорное кольцо на наружном кольце подшипника. | 360.00 | 440.00 | 38.00 |
| NJ1872 | Роликовый радиальный однорядный подшипник. Штампованный сепаратор из стального листа. Канавка под стопорное кольцо на наружном кольце подшипника. Однорядный цилиндрический роликовый подшипник. Наружное кольцо имеет два борта. | 360.00 | 440.00 | 38.00 |
| NP1872 | Роликовый радиальный однорядный подшипник. Канавка под стопорное кольцо на наружном кольце подшипника. | 360.00 | 440.00 | 38.00 |
| NU1872 | Роликовый радиальный однорядный подшипник. Сталь сквозной закалки SUJ2 (японская) и взаимозаменяемость (только для метрических серий). Канавка под стопорное кольцо на наружном кольце подшипника. Однорядные цилиндрические роликоподшипники. Наружное кольцо подшипника имеет два борта. | 360.00 | 440.00 | 38.00 |
| NUP1872 | Роликовый радиальный однорядный подшипник. Канавка под стопорное кольцо на наружном кольце подшипника. Точность размеров примерно соответствует классу точности Р4. Однорядный цилиндрический роликовый подшипник. Наружное кольцо имеет два борта. | 360.00 | 440.00 | 38.00 |
| 71872 ACM/P5 | Шариковый радиально-упорный однорядный подшипник. Размерная и рабочая точность соответствует классу допуска ISO 5. Однорядный с углом контакта 25°. | 360.00 | 440.00 | 38.00 |
| 1036872-АЛ | Шариковый радиально-упорный однорядный подшипник. Сепаратор из латуни.. Повышенная грузоподъемность. | 360.00 | 440.00 | 38.00 |
| 6-1036872 АЛШ2 | Шариковый радиально-упорный однорядный подшипник. Сепаратор из латуни.. Нормы шумности. Повышенная грузоподъемность. | 360.00 | 440.00 | 38.00 |
| 71872 ACM | Шариковый радиально-упорный однорядный подшипник. Однорядный с углом контакта 25°. | 360.00 | 440.00 | 38.00 |
| 7872B | Шариковый радиально-упорный однорядный подшипник. Конический роликовый подшипник. Угол контакта 20 градусов. | 360.00 | 440.00 | 38.00 |
| 7872A | Шариковый радиально-упорный однорядный подшипник. Двухрядный радиально-упорный шарикоподшипник без отверстия для смазки. | 360.00 | 440.00 | 38.00 |
| 1036872-Л | Шариковый радиально-упорный однорядный подшипник. Сепаратор из латуни.. | 360.00 | 440.00 | 38.00 |
Способы доставки
Отправка через ведущие транспортные и курьерские компании: ПЭК, Деловые Линии, СДЭК, Байкал-Сервис, Энергия, КИТ, ЖелДорЭкспедиция.
Самовывоз возможен напрямую со склада в Москве.
Сроки доставки
Срок зависит от региона и выбранной транспортной компании. Все заказы комплектуются и отправляются в кратчайшие сроки со склада в Москве.
Надёжность и сохранность
Вся продукция упаковывается с учётом требований транспортировки. Мы гарантируем, что подшипники и комплектующие прибудут к заказчику в полной сохранности.
Доставка в страны ЕАЭС
Мы работаем с проверенными логистическими партнёрами, что позволяет оперативно доставлять заказы в Беларусь, Казахстан, Армению и другие страны ЕАЭС.
Варианты оплаты:
Минимальная сумма заказа и скидки:
Документы и гарантии:
Да, конечно! Наши технические специалисты готовы помочь вам с подбором точного аналога или замены подшипника. Просто позвоните нам по телефону +7 (495) 104-99-04 или напишите на почту zakaz@podsnab.ru.
Для оперативной консультации подготовьте, пожалуйста, имеющиеся данные: маркировку, размеры, тип оборудования или артикул старого подшипника.
Да, конечно! Мы высоко ценим долгосрочное сотрудничество и доверие клиентов по всей России. Для постоянных клиентов действует персональная система скидок.
Условия формируются индивидуально и зависят от:
Чтобы узнать свои условия и получить максимально выгодное предложение, свяжитесь с персональным менеджером или напишите нам на почту zakaz@podsnab.ru.
Вы можете оформить заказ несколькими способами:
Для оформления заказа от юридического лица свяжитесь с нашим отделом по работе с корпоративными клиентами по телефону +7 (495) 104-99-04 или напишите на email zakaz@podsnab.ru, прикрепив реквизиты вашей организации.
Мы оперативно подготовим коммерческое предложение и выставим счет.
Возврат товара надлежащего качества возможен в течение 10 дней с момента получения, если товар не был в употреблении, сохранен товарный вид, упаковка не вскрывалась и присутствуют все сопроводительные документы.
Возврат денежных средств осуществляется в течение 10 рабочих дней после проверки товара складом.
В соответствии с законодательством возврату не подлежат подшипники надлежащего качества, если отсутствует оригинальная упаковка или имеются следы монтажа.
В случае выявления брака или гарантийного случая мы гарантируем возврат или обмен товара.
Да, гарантийный срок хранения устанавливается заводом-изготовителем и в среднем составляет 2 года при соблюдении условий хранения: сухое помещение, оригинальная упаковка и смазка.
Точный срок для конкретного типа подшипника уточняйте у наших менеджеров.
Пн–Пт: с 8:00 до 17:00 (МСК).
Сб–Вс: выходные дни.
Заказы на сайте принимаются круглосуточно. Заявки, поступившие после окончания рабочего дня, обрабатываются на следующий рабочий день.
Минимальная сумма заказа для доставки составляет 3000 рублей. Самовывоз со склада возможен на любую сумму при наличии товара.
ООО «УралТехГрупп»
ИНН: 7415093830
КПП: 772401001
ОГРН: 1167456069021
Банк: ПАО Сбербанк
Р/с: 40702810838000475273
К/с: 30101810400000000225
БИК: 044525225
У подшипника 61872MA пока нет отзывов. Вы можете стать первым покупателем, поделившимся своим мнением.