Поиск подшипника
Статьи
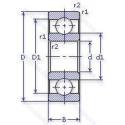
61836 — Подшипник однорядный шариковый радиальный, основное исполнение, выпускается производителями: CX, ELGES, FAG, INA, ISB, ISO, NKE, NSK, SKF, SNR, STEYR, ZEN.
Размер подшипника: 180x225x22 мм.
Альтернативное обозначение: 6836.
Аналоги: 61836-HLU INA.
Международная стандартизации ISO
61836
В наличии
| Обозначение | Конструктивные изменения |
|---|---|
| 61836-MA-C3 | Внутренний зазор больше нормального. Механически обработанный латунный сепаратор. Центрирование по внешнему кольцу. |
| 61836T | Window-Type Cage Of Fabric Reinforced Phenolic Resin. Rolling Element Centered. |
| 61836-HLU | Код местонахождения завода. может использоваться в стандартной комплектации. |
| 61836MB.C3 | Внутренний зазор больше нормального. Механически обработанный латунный сепаратор. клёпаный. центрируемый по внутреннему кольцу. |
| 61836C3 | Внутренний зазор больше нормального. |
| 61836MA | Механически обработанный латунный сепаратор. Центрирование по внешнему кольцу. |
| 61836M | Твердый латунный сепаратор. Шариковые направляющие. |
| 61836M.C3 | Внутренний зазор больше нормального. Механически обработанный латунный сепаратор .Расположенный на элементах качения. |
| 61836-MB | Механически обработанный латунный сепаратор. клёпаный. центрируемый по внутреннему кольцу. |
| 61836-HLU-C3 | Внутренний зазор больше нормального. Код местонахождения завода. может использоваться в стандартной комплектации. |
| 61836-2Z | Зазорные уплотнения с обеих сторон подшипника.. |
| 61836MBS C4 S1 | Внутренний зазор подшипника больше. чем C3. Стабильность размеров при рабочих температурах до +200°C. Механически обработанный латунный сепаратор. Направляющие внутреннего кольца. Со смазочными канавками на направляющих поверхностях. |
| 61836 2BRS | Бесконтактные лабиринтные уплотнения с обеих сторон. |
| 61836 2RS | Резиновые уплотнения с каждой стороны подшипника. |
| 61836 2URS | Специальное манжетное уплотнение с обеих сторон подшипника. |
| 61836 BRS | Бесконтактные лабиринтные уплотнения с одной стороны. |
| 61836 RS | Резиновое уплотнение с одной стороны. |
| 61836 URS | Подшипник однорядный шариковый радиальный. |
| 61836 Z | щит из листовой прессованной стали с одной стороны подшипника. |
| 61836 ZZ | Защитные металлические шайбы (бесконтактные уплотнения) с обеих сторон подшипника. |
Модификации шарикового подшипника 61836 — это измененное основное конструктивное исполнение 61836, основные размеры (180x225x22) не отличаются.
| Обозначение | Гост | Конструктивные особенности |
|---|---|---|
| 6836 2RS | ISO | Резиновые уплотнения с каждой стороны подшипника. |
| 6836 ZZ | ISO | Защитные металлические шайбы с обеих сторон. |
| 6836 | ISO | Подшипник однорядный шариковый радиальный. |
| 6836M | ISO | Подшипник с латунным сепаратором. центрированный по телам качения. |
| 6836C3 | ISO | Внутренний зазор больше нормального. |
| 6836 2RS Y | ISO | Резиновые уплотнения с каждой стороны подшипника. Штампованный латунный фиксатор. Направляемые элементы качения. |
| 6836VV-AS2S | ISO | Стандартное заполнение. 1/4 Full. Смазка Aeroshell 7. Диапазон от –10°C до 110°C.. Защитные металлические шайбы. с обеих сторон подшипника. Бесконтактное уплотнение. (лучше. чем ZZ. Можно использовать в умеренно запыленной среде). |
| 6836JR C3 | ISO | Внутренний зазор больше нормального. Клепаный сепаратор. где стандартный размер обычно приваривается точечной сваркой. |
| 6836 2RD | ISO | Облегченное контактное уплотнение с двух сторон.. |
| 6836VV | ISO | Защитные металлические шайбы. с обеих сторон подшипника. Бесконтактное уплотнение. (лучше. чем ZZ. Можно использовать в умеренно запыленной среде). |
Аналог шарикового подшипника 61836 — это подшипник такого же размера dx180,Dx225,Bx22, типа и конструкции.
| Обозначение | Конструктивные особенности | Внутренний (d) | Наружный (D) | Ширина (B) |
|---|---|---|---|---|
| SL18-1836A | Однорядный цилиндрический роликовый подшипник. Особенность внутренней конструкции. | 180.00 | 225.00 | 22.00 |
| SF3607VP-1 | Шариковый радиально-упорный однорядный подшипник. Number Of Carriages Per Rail Track. | 180.00 | 225.00 | 21.00 |
| SF3607PX1 | Шариковый радиально-упорный однорядный подшипник. Специальный допуск. | 180.00 | 225.00 | 22.00 |
| SF3607V | Шариковый радиально-упорный однорядный подшипник. Подшипник без сепаратора. С полным комплектом тел качения. | 180.00 | 225.00 | 22.00 |
| 71836 A | Шариковый радиально-упорный однорядный подшипник. Двухрядный радиально-упорный шарикоподшипник без отверстия для смазки. | 180.00 | 225.00 | 22.00 |
| 71836 C | Шариковый радиально-упорный однорядный подшипник. 15° Угол контакта. | 180.00 | 225.00 | 22.00 |
| 6836-RZ | Шариковый радиальный однорядный подшипник. Один стальное уплотнение и одно резиновое. | 180.00 | 225.00 | 22.00 |
| 6836Z | Шариковый радиальный однорядный подшипник. щит из листовой прессованной стали с одной стороны подшипника. | 180.00 | 225.00 | 22.00 |
| 6836-RS | Шариковый радиальный однорядный подшипник. Резиновое уплотнение с одной стороны. | 180.00 | 225.00 | 22.00 |
| 6836NR | Шариковый радиальный однорядный подшипник. Канавка под стопорное кольцо на наружном кольце с соответствующим стопорным кольцом. | 180.00 | 225.00 | 22.00 |
| 6836N | Шариковый радиальный однорядный подшипник. Канавка под стопорное кольцо на внешнем кольце. | 180.00 | 225.00 | 22.00 |
| 6836-2RZ | Шариковый радиальный однорядный подшипник. Шарикоподшипник. С уплотнением и низким коэффициентом трения с обеих сторон. Уплотнение состоит из шайбы из листовой стали с вулканизированной резиной. | 180.00 | 225.00 | 22.00 |
| 6836AZZ | Шариковый радиальный однорядный подшипник. Однорядный радиальный шарикоподшипник с двумя уплотнениями. | 180.00 | 225.00 | 22.00 |
| 1000836-Л | Шариковый радиальный однорядный подшипник. Сепаратор из латуни.. | 180.00 | 225.00 | 22.00 |
| 6-1000836-Л | Шариковый радиальный однорядный подшипник. Сепаратор из латуни.. | 180.00 | 225.00 | 22.00 |
Способы доставки
Отправка через ведущие транспортные и курьерские компании: ПЭК, Деловые Линии, СДЭК, Байкал-Сервис, Энергия, КИТ, ЖелДорЭкспедиция.
Самовывоз возможен напрямую со склада в Москве.
Сроки доставки
Срок зависит от региона и выбранной транспортной компании. Все заказы комплектуются и отправляются в кратчайшие сроки со склада в Москве.
Надёжность и сохранность
Вся продукция упаковывается с учётом требований транспортировки. Мы гарантируем, что подшипники и комплектующие прибудут к заказчику в полной сохранности.
Доставка в страны ЕАЭС
Мы работаем с проверенными логистическими партнёрами, что позволяет оперативно доставлять заказы в Беларусь, Казахстан, Армению и другие страны ЕАЭС.
Варианты оплаты:
Минимальная сумма заказа и скидки:
Документы и гарантии:
Да, конечно! Наши технические специалисты готовы помочь вам с подбором точного аналога или замены подшипника. Просто позвоните нам по телефону +7 (495) 104-99-04 или напишите на почту zakaz@podsnab.ru.
Для оперативной консультации подготовьте, пожалуйста, имеющиеся данные: маркировку, размеры, тип оборудования или артикул старого подшипника.
Да, конечно! Мы высоко ценим долгосрочное сотрудничество и доверие клиентов по всей России. Для постоянных клиентов действует персональная система скидок.
Условия формируются индивидуально и зависят от:
Чтобы узнать свои условия и получить максимально выгодное предложение, свяжитесь с персональным менеджером или напишите нам на почту zakaz@podsnab.ru.
Вы можете оформить заказ несколькими способами:
Для оформления заказа от юридического лица свяжитесь с нашим отделом по работе с корпоративными клиентами по телефону +7 (495) 104-99-04 или напишите на email zakaz@podsnab.ru, прикрепив реквизиты вашей организации.
Мы оперативно подготовим коммерческое предложение и выставим счет.
Возврат товара надлежащего качества возможен в течение 10 дней с момента получения, если товар не был в употреблении, сохранен товарный вид, упаковка не вскрывалась и присутствуют все сопроводительные документы.
Возврат денежных средств осуществляется в течение 10 рабочих дней после проверки товара складом.
В соответствии с законодательством возврату не подлежат подшипники надлежащего качества, если отсутствует оригинальная упаковка или имеются следы монтажа.
В случае выявления брака или гарантийного случая мы гарантируем возврат или обмен товара.
Да, гарантийный срок хранения устанавливается заводом-изготовителем и в среднем составляет 2 года при соблюдении условий хранения: сухое помещение, оригинальная упаковка и смазка.
Точный срок для конкретного типа подшипника уточняйте у наших менеджеров.
Пн–Пт: с 8:00 до 17:00 (МСК).
Сб–Вс: выходные дни.
Заказы на сайте принимаются круглосуточно. Заявки, поступившие после окончания рабочего дня, обрабатываются на следующий рабочий день.
Минимальная сумма заказа для доставки составляет 3000 рублей. Самовывоз со склада возможен на любую сумму при наличии товара.
ООО «УралТехГрупп»
ИНН: 7415093830
КПП: 772401001
ОГРН: 1167456069021
Банк: ПАО Сбербанк
Р/с: 40702810838000475273
К/с: 30101810400000000225
БИК: 044525225
У подшипника 61836 пока нет отзывов. Вы можете стать первым покупателем, поделившимся своим мнением.