Поиск подшипника
Статьи
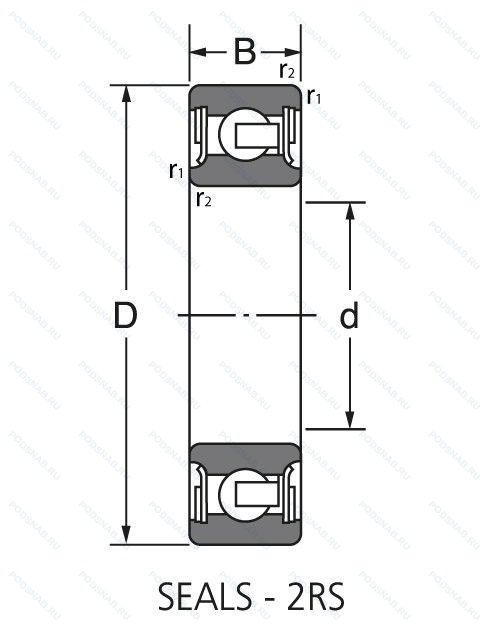
1620 2RS — Подшипник однорядный шариковый радиальный, модификация основного исполнения 1620, выпускается производителями: NEUTRAL, NIS, TRANS LINK.
Размер подшипника: 11x34x11 мм.
Резиновые уплотнения с каждой стороны подшипника.
Альтернативное обозначение: 1620DC.
Международная стандартизации ISO
16202RS
В наличии
| Обозначение | Конструктивные изменения |
|---|---|
| 1620ZZ | Защитные металлические шайбы с обеих сторон. |
| 1620DC | Резиновые уплотнения с каждой стороны подшипника. |
| 1620DS | Защитная металлическая шайба с двух сторон подшипника. |
| BHA 1620 Z | щит из листовой прессованной стали с одной стороны подшипника. |
| FJL-1620L | Одно механическое уплотнение. |
| 12R1620A | Двухрядный радиально-упорный шарикоподшипник без отверстия для смазки. |
| MFJL-1620L | Одно механическое уплотнение. |
Модификации шарикового подшипника 1620 2RS — это измененное основное конструктивное исполнение 1620, основные размеры (11x34x11) не отличаются.
| Обозначение | Гост | Конструктивные особенности |
|---|---|---|
| 6300LLB | ISO | Уплотнение бесконтактного типа из синтетического каучука. |
| 6300.2RSR.C2 | ISO | Внутренний зазор подшипника меньше нормального. Резиновые уплотнения с каждой стороны подшипника. |
| 6300ENC ZZ 270° | ISO | Защитные металлические шайбы с обеих сторон. Resistant Up To 270°C. |
| 6300.EEC3(J30) | ISO | Радиальный внутренний зазор больше нормального. Резиновые уплотнения на каждой стороне подшипника, внутренний зазор больше нормального. |
| 6300ZZ NR | ISO | Защитные металлические шайбы с обеих сторон. Канавка под стопорное кольцо на наружном кольце с соответствующим стопорным кольцом. |
| 6300VV AV2S | ISO | Lubricant. Shell Oil Co.. Alvania #2 Grease. 1/4 Full. Temperature Range = -10°C / + 110°C (Normal Temperature Grease). Защитные металлические шайбы. с обеих сторон подшипника. Бесконтактное уплотнение. (лучше. чем ZZ. Можно использовать в умеренно запыленной среде). |
| 6300LLB/2AU1 | ISO | Lubricant. Shell Oil Co.. Alvania #2 Grease. Mil-G-18709A. Уплотнение бесконтактного типа из синтетического каучука. Сепаратор из стали. |
| 6300-B-2Z-L278-SNZ1-J | ISO | Модифицированная внутренняя конструкция. Дорожки качения наружного кольца. угол контакта и ширина наружного кольца в соответствии с ISO. Защитные металлические шайбы с обеих сторон. Grease With A Lithium Complex Soap With Mineral Oil And/Or Synthetic Oil. Preferred Applications/ Bearing Lubrication With A Temperature Range Of -30°C / 120°C. Long-Term And Continuous Operation For Rolling Bearings. Stands For The FAG Brand. |
| 6300LLUC3/2AS | ISO | Внутренний зазор больше нормального. Резиновые уплотнения с каждой стороны подшипника. LUBRICANT. SHELL OIL CO.. ALVANIA #2 GREASE. MIL-G-18709A. |
| 6300ZZ NR CM | ISO | Защитные металлические шайбы с обеих сторон. Канавка под стопорное кольцо на наружном кольце с соответствующим стопорным кольцом. Шариковый подшипник. Специальный радиальный внутренний зазор для электродвигателей. |
| 6300 2RS CM FG | ISO | Резиновые уплотнения с каждой стороны подшипника. Шариковый подшипник. Специальный радиальный внутренний зазор для электродвигателей. Формованный сепаратор из полиамида. усиленного стекловолокном. |
| 6300ZZ CM FG | ISO | Два боковых защитных уплотнения. Шариковый подшипник. Специальный радиальный внутренний зазор для электродвигателей. Формованный сепаратор из полиамида. усиленного стекловолокном. |
| 6300VV C3/AV2S | ISO | Внутренний зазор больше нормального. Lubricant. Shell Oil Co.. Alvania #2 Grease. 1/4 Full. Temperature Range = -10°C / + 110°C (Normal Temperature Grease). Защитные металлические шайбы с двух сторон подшипника (лучше. чем ZZ (пригодно для использования в условиях умеренной запыленности)) Бесконтактного уплотнения. |
| 6300VV C3/D4M | ISO | Внутренний зазор больше нормального. Защитные металлические шайбы с двух сторон подшипника (лучше. чем ZZ (пригодно для использования в условиях умеренной запыленности)) Бесконтактного уплотнения. Toray Silicone SH44M - Base Oil/ Phlorosilicon - Thickener/ Lithium - Min. Temp/ -40°C - Max. Temp/ +180°C - High Temperature Grease. |
| 6300ZZ C3E/NS7S | ISO | Стандартное заполнение. Защитные металлические шайбы с обеих сторон. NS Hi Lube Grease. (NS7/ Inside With Grease. Up Than 35%. Temperature Resistance -40°C To +140°C). Внутренний зазор больше нормы. Класс электродвигателя. |
| 6300LLU | ISO | Контактное резиновое уплотнение с двух сторон. |
| 6300.2RS2 | ISO | Два контактных уплотнения из фторкаучука (FPM) с усилением из листовой стали (высокотемпературные). |
| 6300-2RS2-C3 | ISO | Внутренний зазор больше нормального. Два контактных уплотнения из фторкаучука (FPM) с усилением из листовой стали (высокотемпературные). |
| 6300DDUCM D8SS | ISO | Стандартное заполнение. Резиновые уплотнения с каждой стороны подшипника. Шариковый подшипник. Специальный радиальный внутренний зазор для электродвигателей. Klüber Isoflex Super LS18. |
| 6300EEC3 | ISO | Резиновые уплотнения с каждой стороны подшипника. |
Аналог шарикового подшипника 1620 2RS — это подшипник такого же размера dx11,Dx34,Bx11, типа и конструкции.
| Обозначение | Конструктивные особенности | Внутренний (d) | Наружный (D) | Ширина (B) |
|---|---|---|---|---|
| 6300-2RSL | Шариковый радиальный однорядный подшипник. Sheet Steel Reinforced Low Friction Contact Seal Of Acrylonitrile-Butadiene Rubber (NBR) On Both Sides Of The Bearing. | 10.00 | 35.00 | 11.00 |
| 6300-RSH | Шариковый радиальный однорядный подшипник. Резиновое уплотнение с одной стороны. | 10.00 | 35.00 | 11.00 |
| 6300-RSL | Шариковый радиальный однорядный подшипник. Sheet Steel Reinforced Low Friction Contact Seal Of Acrylonitrile-Butadiene Rubber (NBR) On One Side Of The Bearing. | 10.00 | 35.00 | 11.00 |
| 6300-2Z/VA201 | Шариковый радиальный однорядный подшипник. Защитные металлические шайбы с обеих сторон подшипника. Подшипник для высокотемпературных применений (например. печных тележек). | 10.00 | 35.00 | 11.00 |
| 6300FT150ZZ | Шариковый радиальный однорядный подшипник. Ассортимент TOPLINE для высокой температуры - Максимум 150 С° со стальными защитными пластинами с обеих сторон. | 10.00 | 35.00 | 11.00 |
| AB12305.S1 | Шариковый радиальный однорядный подшипник. Кольца подшипников или шайбы, стабилизированные по размерам для использования при рабочих температурах до +200°C (392°F).. | 12.00 | 34.00 | 10.00 |
| P6300-SB | Шариковый радиальный однорядный подшипник. Double Row. Angular Contact. Non-Filling Notch Bearing. With Outwardly Convergent Угол контактаs. Rigid Design. | 10.00 | 35.00 | 11.00 |
| P6300-GB | Шариковый радиальный однорядный подшипник. Подшипник для универсального монтажа. Два подшипника. установленные по О-образной или Х-образной схеме. имеют средний преднатяг. | 10.00 | 35.00 | 11.00 |
| S1620-2Z | Шариковый радиальный однорядный подшипник. Защитные металлические шайбы с обеих сторон подшипника. | 11.11 | 34.92 | 11.11 |
| S1620-2RS | Шариковый радиальный однорядный подшипник. Резиновые уплотнения с каждой стороны подшипника. | 11.11 | 34.92 | 11.11 |
| S6300-2Z | Шариковый радиальный однорядный подшипник. Защитные металлические шайбы с обеих сторон подшипника. | 10.00 | 35.00 | 11.00 |
| 6200/35-2Z | Шариковый радиальный однорядный подшипник. Защитные металлические шайбы с обеих сторон подшипника. 2.3/16. | 10.00 | 35.00 | 11.00 |
| 180300-А | Шариковый радиальный однорядный подшипник. Повышенная грузоподъемность. | 10.00 | 35.00 | 11.00 |
| 300-А | Шариковый радиальный однорядный подшипник. Повышенная грузоподъемность. | 10.00 | 35.00 | 11.00 |
| 46300К | Шариковый радиально-упорный однорядный подшипник. «Замок» (скос) на внутреннем кольце плюс массивный сепаратор из текстолита. | 10.00 | 35.00 | 11.00 |
Способы доставки
Отправка через ведущие транспортные и курьерские компании: ПЭК, Деловые Линии, СДЭК, Байкал-Сервис, Энергия, КИТ, ЖелДорЭкспедиция.
Самовывоз возможен напрямую со склада в Москве.
Сроки доставки
Срок зависит от региона и выбранной транспортной компании. Все заказы комплектуются и отправляются в кратчайшие сроки со склада в Москве.
Надёжность и сохранность
Вся продукция упаковывается с учётом требований транспортировки. Мы гарантируем, что подшипники и комплектующие прибудут к заказчику в полной сохранности.
Доставка в страны ЕАЭС
Мы работаем с проверенными логистическими партнёрами, что позволяет оперативно доставлять заказы в Беларусь, Казахстан, Армению и другие страны ЕАЭС.
Варианты оплаты:
Минимальная сумма заказа и скидки:
Документы и гарантии:
Да, конечно! Наши технические специалисты готовы помочь вам с подбором точного аналога или замены подшипника. Просто позвоните нам по телефону +7 (495) 104-99-04 или напишите на почту zakaz@podsnab.ru.
Для оперативной консультации подготовьте, пожалуйста, имеющиеся данные: маркировку, размеры, тип оборудования или артикул старого подшипника.
Да, конечно! Мы высоко ценим долгосрочное сотрудничество и доверие клиентов по всей России. Для постоянных клиентов действует персональная система скидок.
Условия формируются индивидуально и зависят от:
Чтобы узнать свои условия и получить максимально выгодное предложение, свяжитесь с персональным менеджером или напишите нам на почту zakaz@podsnab.ru.
Вы можете оформить заказ несколькими способами:
Для оформления заказа от юридического лица свяжитесь с нашим отделом по работе с корпоративными клиентами по телефону +7 (495) 104-99-04 или напишите на email zakaz@podsnab.ru, прикрепив реквизиты вашей организации.
Мы оперативно подготовим коммерческое предложение и выставим счет.
Возврат товара надлежащего качества возможен в течение 10 дней с момента получения, если товар не был в употреблении, сохранен товарный вид, упаковка не вскрывалась и присутствуют все сопроводительные документы.
Возврат денежных средств осуществляется в течение 10 рабочих дней после проверки товара складом.
В соответствии с законодательством возврату не подлежат подшипники надлежащего качества, если отсутствует оригинальная упаковка или имеются следы монтажа.
В случае выявления брака или гарантийного случая мы гарантируем возврат или обмен товара.
Да, гарантийный срок хранения устанавливается заводом-изготовителем и в среднем составляет 2 года при соблюдении условий хранения: сухое помещение, оригинальная упаковка и смазка.
Точный срок для конкретного типа подшипника уточняйте у наших менеджеров.
Пн–Пт: с 8:00 до 17:00 (МСК).
Сб–Вс: выходные дни.
Заказы на сайте принимаются круглосуточно. Заявки, поступившие после окончания рабочего дня, обрабатываются на следующий рабочий день.
Минимальная сумма заказа для доставки составляет 3000 рублей. Самовывоз со склада возможен на любую сумму при наличии товара.
ООО «УралТехГрупп»
ИНН: 7415093830
КПП: 772401001
ОГРН: 1167456069021
Банк: ПАО Сбербанк
Р/с: 40702810838000475273
К/с: 30101810400000000225
БИК: 044525225
У подшипника 1620 2RS пока нет отзывов. Вы можете стать первым покупателем, поделившимся своим мнением.