Поиск подшипника
Статьи
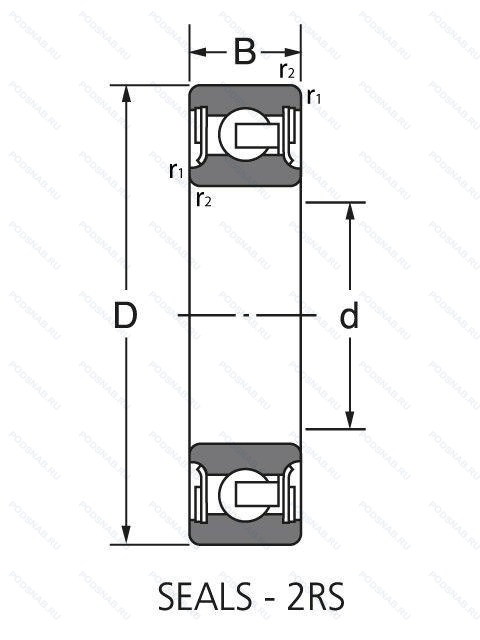
1623 2RS — Подшипник однорядный шариковый радиальный, модификация основного исполнения 1623, выпускается производителями: CHINA, NEUTRAL, NIS, NIS, TRANS LINK.
Размер подшипника: 15x34x11 мм.
Резиновые уплотнения с каждой стороны подшипника.
Международная стандартизации ISO
16232RS
В наличии
| Обозначение | Конструктивные изменения |
|---|---|
| 1623-894-20 | Distance Between Beginning Of The Rail And First Hole In MM. |
| 1623-214-20 | Distance Between Beginning Of The Rail And First Hole In MM. 7/8. |
| 1623DC | Резиновые уплотнения с каждой стороны подшипника. |
| 1623DSTN | Подшипник однорядный шариковый радиальный. |
| 1623-714-10 | Distance Between Beginning Of The Rail And First Hole In MM. |
| 1623-194-10 | Distance Between Beginning Of The Rail And First Hole In MM. |
| 1623DS | Защитная металлическая шайба с двух сторон подшипника. |
| 1623ZZ | Защитные металлические шайбы с обеих сторон. |
| 1623DCTN | Отлитый под давлением защелкивающийся сепаратор из полиамида. Центрированные тела качения. Резиновые уплотнения с каждой стороны подшипника. |
| 1623-494-10 | Distance Between Beginning Of The Rail And First Hole In MM. |
| 1623-214-10 | Distance Between Beginning Of The Rail And First Hole In MM. 7/8. |
| 1623-714-20 | Distance Between Beginning Of The Rail And First Hole In MM. |
| 1623-814-10 | Distance Between Beginning Of The Rail And First Hole In MM. |
| 1623-114-22 | 1.3/8. 1.7/8. |
| 1623-214-22 | 1.3/8. 7/8. |
| 1623-514-10 | Distance Between Beginning Of The Rail And First Hole In MM. |
| 1623DCTNTG18 | Отлитый под давлением защелкивающийся сепаратор из полиамида. Центрированные тела качения. Резиновые уплотнения с каждой стороны подшипника. Shell Alvania 2 Grease. |
| 1623-713-20 | Distance Between Beginning Of The Rail And First Hole In MM. |
| 1623 | Подшипник однорядный шариковый радиальный. Основное конструктивное исполнение. |
| 1623Z | щит из листовой прессованной стали с одной стороны подшипника. |
| 1623 2RS NR | Резиновые уплотнения с каждой стороны подшипника. Канавка под стопорное кольцо на наружном кольце с соответствующим стопорным кольцом. |
| 1623-SQ155 | Подшипник однорядный шариковый радиальный. |
| 1623-824-10 | Distance Between Beginning Of The Rail And First Hole In MM. |
| 1623DLGTN | Отлитый под давлением защелкивающийся сепаратор из полиамида. Центрированные тела качения. Стопорное кольцо. Контактное уплотнение с двух сторон подшипника. |
| 1623-794-10 | Distance Between Beginning Of The Rail And First Hole In MM. |
Модификации шарикового подшипника 1623 2RS — это измененное основное конструктивное исполнение 1623, основные размеры (15x34x11) не отличаются.
| Обозначение | Гост | Конструктивные особенности |
|---|---|---|
| 6202+6 | ISO | Exxon Aviation Instrument Oil. |
| 6202DDU C3 | ISO | Внутренний зазор больше нормального. Резиновые уплотнения с каждой стороны подшипника. |
| 6202DDUC3+6 | ISO | Внутренний зазор больше нормального. Резиновые уплотнения с каждой стороны подшипника. Exxon Aviation Instrument Oil. |
| 6202DDU+6 | ISO | Резиновые уплотнения с каждой стороны подшипника. Exxon Aviation Instrument Oil. |
| 6202ZZ+6 | ISO | Защитные металлические шайбы с обеих сторон. Exxon Aviation Instrument Oil. |
| 6202.2ZR.C3.L38 | ISO | Внутренний зазор больше нормального. Защитные металлические шайбы с обеих сторон. Arcanol Grease Medium Temperature -25°C/+130°C. |
| 6202T2X2C3P6 | ISO | Internal Clearance Greater Than Normal. Размерные и геометрические допуски соответствуют классу точности P6. Специальная фаска. Пластиковый сепаратор. Нейлон или тефлон. |
| 6202DDU NR NS7S | ISO | Стандартное заполнение. SNAP RING GROOVE IN BEARING OUTER RING AND APPROPIATE SNAP. Резиновые уплотнения с каждой стороны подшипника. NS Hi Lube Grease. (NS7/ Inside With Grease. Up Than 35%. Temperature Resistance -40°C To +140°C). |
| 202KT | ISO | Greases With Lower Operating Temperature -30°C. |
| 6202ZZ C2E | ISO | Защитные металлические шайбы с обеих сторон. Внутренний зазор подшипника меньше обычного. Усиленный комплект шариков. |
| 6202-2RS1/C3QE6 | ISO | Внутренний зазор больше нормального. Усиленные листовой сталью контактные уплотнения из акрилонитрил-бутадиенового каучука (NBR) с обеих сторон подшипника. Тихая работа. |
| 6202-2Z/C3QE6 | ISO | Внутренний зазор больше нормального. Защитные металлические шайбы с обеих сторон подшипника. Тихая работа. |
| 6202ZZD-OR V2 | ISO | Для применения. где основное требование снижение вибрации. Защитные металлические шайбы с двух сторон. |
| 6202ZZNR/15A | ISO | Защитные металлические шайбы с обеих сторон. Канавка под стопорное кольцо на наружном кольце с соответствующим стопорным кольцом. Alvania Grease RS. |
| 6202-2RSH/C3HT | ISO | Внутренний зазор больше нормального. Контактное уплотнение RSH с обеих сторон подшипника.. Подшипник поставляется со специальной смазкой для высоких температур (до +130°C). |
| 6202-C-2Z-L207-C3 | ISO | Модифицированная внутренняя конструкция. Внутренний зазор больше нормального. Зазорные уплотнения с обеих сторон.. Заполнение консистентной смазкой Arcanol L207 (высокотемпературная смазка). |
| 6202-ZTN9/VT808 | ISO | Литой защелкивающийся сепаратор из полиамида. армированного стекловолокном 6.6. щит из листовой прессованной стали с одной стороны подшипника. Without Factory Pre-Lubrication And Preservative. |
| 6200ZZ CM/NS7SJ | ISO | Стандартное заполнение. Защитные металлические шайбы с обеих сторон. Шариковый подшипник. Специальный радиальный внутренний зазор для электродвигателей. NS Hi Lube Grease. (NS7/ Inside With Grease. Up Than 35%. Temperature Resistance -40°C To +140°C). |
| 6202ZZCM D8SL | ISO | Два боковых защитных уплотнения. Количество смазки составляет приблизительно от 20% до 30%. Шариковый подшипник. Специальный радиальный внутренний зазор для электродвигателей. Klüber Isoflex Super LS18. |
| 6202ZDU7C3EX28U-01 KB | ISO | Внутренний зазор больше нормального. Шарикоподшипник. Однорядный электродвигатель. Уровень шума. щит из листовой прессованной стали с одной стороны подшипника. Внутреннее и наружное кольца термостабилизированы до 200°C. Design. Материал контакта сталь на бронзе (S/B). Витоновое уплотнение DU и V-типа. |
Аналог шарикового подшипника 1623 2RS — это подшипник такого же размера dx15,Dx34,Bx11, типа и конструкции.
| Обозначение | Конструктивные особенности | Внутренний (d) | Наружный (D) | Ширина (B) |
|---|---|---|---|---|
| 5-80202 КС9 | Шариковый радиальный однорядный подшипник. «Замок» (скос) на внутреннем кольце плюс массивный сепаратор из текстолита. Смазка ЛЗ-31. | 15.00 | 35.00 | 11.00 |
| 5-80202 КШ2УТ2С9 | Шариковый радиальный однорядный подшипник. Дополнительные технические требования. 200°. Температура отпуска. Нормы шумности. Смазка ЛЗ-31. | 15.00 | 35.00 | 11.00 |
| 5-80202 С2Ш2У | Шариковый радиальный однорядный подшипник. Дополнительные технические требования. Смазка ЦИАТИМ-221. Нормы шумности. | 15.00 | 35.00 | 11.00 |
| 5-80202 С9Ш2У | Шариковый радиальный однорядный подшипник. Дополнительные технические требования. Нормы шумности. Смазка ЛЗ-31. | 15.00 | 35.00 | 11.00 |
| 50202-А | Шариковый радиальный однорядный подшипник. Повышенная грузоподъемность. | 15.00 | 35.00 | 11.00 |
| 50202-АЕ | Шариковый радиальный однорядный подшипник. Сепаратор из текстолита.. Повышенная грузоподъемность. | 15.00 | 35.00 | 11.00 |
| 50202-АК | Шариковый радиальный однорядный подшипник. Повышенная грузоподъемность. | 15.00 | 35.00 | 11.00 |
| 550702-М | Шариковый радиальный однорядный подшипник. Модифицированный контакт.. | 15.00 | 35.00 | 12.00 |
| 56-32202 Б1 | Роликовый радиальный однорядный подшипник. Сепаратор из безоловянистой бронзы.. | 15.00 | 35.00 | 11.00 |
| 6-160202 АЕ | Шариковый радиальный однорядный подшипник. Сепаратор из текстолита.. Повышенная грузоподъемность. | 15.00 | 35.00 | 11.00 |
| 6-160202 АЕ2 | Шариковый радиальный однорядный подшипник. Повышенная грузоподъемность. Сепаратор из пластических материалов.. | 15.00 | 35.00 | 11.00 |
| 6-160202 Е | Шариковый радиальный однорядный подшипник. Сепаратор из текстолита.. | 15.00 | 35.00 | 11.00 |
| 6-160202 Е2 | Шариковый радиальный однорядный подшипник. Сепаратор из пластических материалов.. | 15.00 | 35.00 | 11.00 |
| 6-170415 Л | Шариковый радиальный однорядный подшипник. Сепаратор из латуни.. | 15.00 | 35.00 | 11.00 |
| 6-180202 С17 | Шариковый радиальный однорядный подшипник. Смазка Литол-24. | 15.00 | 35.00 | 11.00 |
Способы доставки
Отправка через ведущие транспортные и курьерские компании: ПЭК, Деловые Линии, СДЭК, Байкал-Сервис, Энергия, КИТ, ЖелДорЭкспедиция.
Самовывоз возможен напрямую со склада в Москве.
Сроки доставки
Срок зависит от региона и выбранной транспортной компании. Все заказы комплектуются и отправляются в кратчайшие сроки со склада в Москве.
Надёжность и сохранность
Вся продукция упаковывается с учётом требований транспортировки. Мы гарантируем, что подшипники и комплектующие прибудут к заказчику в полной сохранности.
Доставка в страны ЕАЭС
Мы работаем с проверенными логистическими партнёрами, что позволяет оперативно доставлять заказы в Беларусь, Казахстан, Армению и другие страны ЕАЭС.
Варианты оплаты:
Минимальная сумма заказа и скидки:
Документы и гарантии:
Да, конечно! Наши технические специалисты готовы помочь вам с подбором точного аналога или замены подшипника. Просто позвоните нам по телефону +7 (495) 104-99-04 или напишите на почту zakaz@podsnab.ru.
Для оперативной консультации подготовьте, пожалуйста, имеющиеся данные: маркировку, размеры, тип оборудования или артикул старого подшипника.
Да, конечно! Мы высоко ценим долгосрочное сотрудничество и доверие клиентов по всей России. Для постоянных клиентов действует персональная система скидок.
Условия формируются индивидуально и зависят от:
Чтобы узнать свои условия и получить максимально выгодное предложение, свяжитесь с персональным менеджером или напишите нам на почту zakaz@podsnab.ru.
Вы можете оформить заказ несколькими способами:
Для оформления заказа от юридического лица свяжитесь с нашим отделом по работе с корпоративными клиентами по телефону +7 (495) 104-99-04 или напишите на email zakaz@podsnab.ru, прикрепив реквизиты вашей организации.
Мы оперативно подготовим коммерческое предложение и выставим счет.
Возврат товара надлежащего качества возможен в течение 10 дней с момента получения, если товар не был в употреблении, сохранен товарный вид, упаковка не вскрывалась и присутствуют все сопроводительные документы.
Возврат денежных средств осуществляется в течение 10 рабочих дней после проверки товара складом.
В соответствии с законодательством возврату не подлежат подшипники надлежащего качества, если отсутствует оригинальная упаковка или имеются следы монтажа.
В случае выявления брака или гарантийного случая мы гарантируем возврат или обмен товара.
Да, гарантийный срок хранения устанавливается заводом-изготовителем и в среднем составляет 2 года при соблюдении условий хранения: сухое помещение, оригинальная упаковка и смазка.
Точный срок для конкретного типа подшипника уточняйте у наших менеджеров.
Пн–Пт: с 8:00 до 17:00 (МСК).
Сб–Вс: выходные дни.
Заказы на сайте принимаются круглосуточно. Заявки, поступившие после окончания рабочего дня, обрабатываются на следующий рабочий день.
Минимальная сумма заказа для доставки составляет 3000 рублей. Самовывоз со склада возможен на любую сумму при наличии товара.
ООО «УралТехГрупп»
ИНН: 7415093830
КПП: 772401001
ОГРН: 1167456069021
Банк: ПАО Сбербанк
Р/с: 40702810838000475273
К/с: 30101810400000000225
БИК: 044525225
У подшипника 1623 2RS пока нет отзывов. Вы можете стать первым покупателем, поделившимся своим мнением.