Поиск подшипника
Статьи
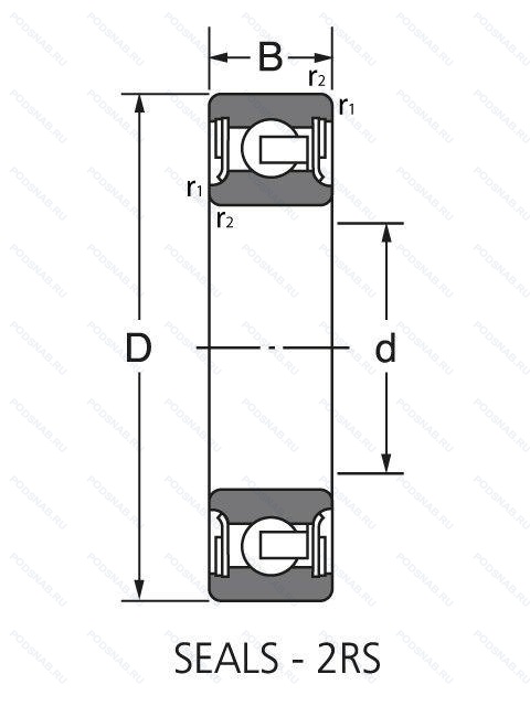
1635 2RS — Подшипник однорядный шариковый радиальный, модификация основного исполнения 1635, выпускается производителями: KSK, NEUTRAL, NICE, NIS, NIS, ZEN.
Размер подшипника: 19x44x12 мм.
Резиновые уплотнения с каждой стороны подшипника.
Международная стандартизации ISO
16352RS
В наличии
| Обозначение | Конструктивные изменения |
|---|---|
| 1635ZZ | Защитные металлические шайбы с обеих сторон. |
| 1635DCTN | Отлитый под давлением защелкивающийся сепаратор из полиамида. Центрированные тела качения. Резиновые уплотнения с каждой стороны подшипника. |
| 1635DC | Резиновые уплотнения с каждой стороны подшипника. |
| 1635 | Подшипник однорядный шариковый радиальный. Основное конструктивное исполнение. |
| 1635DS | Защитная металлическая шайба с двух сторон подшипника. |
| 1635 2RS NR | Резиновые уплотнения с каждой стороны подшипника. Канавка под стопорное кольцо на наружном кольце с соответствующим стопорным кольцом. |
| 1635N | Канавка под стопорное кольцо на внешнем кольце. |
| 1635DSTN | Защитная металлическая шайба с двух сторон подшипника. |
| 1635NS | No Seal/Shield. |
Модификации шарикового подшипника 1635 2RS — это измененное основное конструктивное исполнение 1635, основные размеры (19x44x12) не отличаются.
| Обозначение | Гост | Конструктивные особенности |
|---|---|---|
| EE7 2RS | ISO | Резиновые уплотнения с каждой стороны подшипника. |
| EE7S 2RS | ISO | Шарикоподшипник. Изготовлен в соответствии со специальными требованиями к уровню шума. Резиновые уплотнения с каждой стороны подшипника. |
| B19Z-16C3/AS2S | ISO | Стандартное заполнение. Внутренний зазор больше нормального. щит из листовой прессованной стали с одной стороны подшипника. 1/4 Full. Смазка Aeroshell 7. Диапазон от –10°C до 110°C.. |
| 20BCS26 2NSE | ISO | Резиновые уплотнения с каждой стороны подшипника. |
Аналог шарикового подшипника 1635 2RS — это подшипник такого же размера dx19,Dx44,Bx12, типа и конструкции.
| Обозначение | Конструктивные особенности | Внутренний (d) | Наружный (D) | Ширина (B) |
|---|---|---|---|---|
| CBK173 | однорядный конический роликовый подшипник. | 38.00 | 160.00 | 12.00 |
| 180438M | Подшипник шариковый упорный однонаправленный. Подшипник с латунным сепаратором. центрированный по телам качения. | 20.00 | 44.00 | 11.00 |
| 4A/6 | однорядный конический роликовый подшипник. | 19.05 | 44.45 | 12.70 |
| 4A/6PREC.3 | Однорядный конический роликовый подшипник. (Конус/внутреннее кольцо и чашка/внешнее кольцо) Класс точности 3. | 19.05 | 44.45 | 11.91 |
| 4A/6-30000 | Однорядный конический роликовый подшипник. (Cone/Inner Race And Cup/Outer Race) Same As PREC.3 (Precision Class 3). | 19.05 | 44.45 | 11.91 |
| VBT20Z-1 | Шариковый радиально-упорный подшипник однонаправленный. щит из листовой прессованной стали с одной стороны подшипника. Number Of Carriages Per Rail Track. | 20.00 | 44.00 | 12.00 |
| SET101 | Однорядный конический роликовый подшипник. | 19.05 | 44.45 | 12.70 |
| 4T-4A/6 | Роликовый радиальный-упорный конический однорядный подшипник. Цементованная сталь. | 19.05 | 44.45 | 12.70 |
| ASA2943 | Шариковый радиально-упорный однорядный подшипник. | 20.00 | 43.00 | 12.00 |
| S1635-2RS | Шариковый радиальный однорядный подшипник. Резиновые уплотнения с каждой стороны подшипника. | 19.05 | 44.45 | 12.70 |
| S1635-2Z | Шариковый радиальный однорядный подшипник. Защитные металлические шайбы с обеих сторон подшипника. | 19.05 | 44.45 | 12.70 |
Способы доставки
Отправка через ведущие транспортные и курьерские компании: ПЭК, Деловые Линии, СДЭК, Байкал-Сервис, Энергия, КИТ, ЖелДорЭкспедиция.
Самовывоз возможен напрямую со склада в Москве.
Сроки доставки
Срок зависит от региона и выбранной транспортной компании. Все заказы комплектуются и отправляются в кратчайшие сроки со склада в Москве.
Надёжность и сохранность
Вся продукция упаковывается с учётом требований транспортировки. Мы гарантируем, что подшипники и комплектующие прибудут к заказчику в полной сохранности.
Доставка в страны ЕАЭС
Мы работаем с проверенными логистическими партнёрами, что позволяет оперативно доставлять заказы в Беларусь, Казахстан, Армению и другие страны ЕАЭС.
Варианты оплаты:
Минимальная сумма заказа и скидки:
Документы и гарантии:
Да, конечно! Наши технические специалисты готовы помочь вам с подбором точного аналога или замены подшипника. Просто позвоните нам по телефону +7 (495) 104-99-04 или напишите на почту zakaz@podsnab.ru.
Для оперативной консультации подготовьте, пожалуйста, имеющиеся данные: маркировку, размеры, тип оборудования или артикул старого подшипника.
Да, конечно! Мы высоко ценим долгосрочное сотрудничество и доверие клиентов по всей России. Для постоянных клиентов действует персональная система скидок.
Условия формируются индивидуально и зависят от:
Чтобы узнать свои условия и получить максимально выгодное предложение, свяжитесь с персональным менеджером или напишите нам на почту zakaz@podsnab.ru.
Вы можете оформить заказ несколькими способами:
Для оформления заказа от юридического лица свяжитесь с нашим отделом по работе с корпоративными клиентами по телефону +7 (495) 104-99-04 или напишите на email zakaz@podsnab.ru, прикрепив реквизиты вашей организации.
Мы оперативно подготовим коммерческое предложение и выставим счет.
Возврат товара надлежащего качества возможен в течение 10 дней с момента получения, если товар не был в употреблении, сохранен товарный вид, упаковка не вскрывалась и присутствуют все сопроводительные документы.
Возврат денежных средств осуществляется в течение 10 рабочих дней после проверки товара складом.
В соответствии с законодательством возврату не подлежат подшипники надлежащего качества, если отсутствует оригинальная упаковка или имеются следы монтажа.
В случае выявления брака или гарантийного случая мы гарантируем возврат или обмен товара.
Да, гарантийный срок хранения устанавливается заводом-изготовителем и в среднем составляет 2 года при соблюдении условий хранения: сухое помещение, оригинальная упаковка и смазка.
Точный срок для конкретного типа подшипника уточняйте у наших менеджеров.
Пн–Пт: с 8:00 до 17:00 (МСК).
Сб–Вс: выходные дни.
Заказы на сайте принимаются круглосуточно. Заявки, поступившие после окончания рабочего дня, обрабатываются на следующий рабочий день.
Минимальная сумма заказа для доставки составляет 3000 рублей. Самовывоз со склада возможен на любую сумму при наличии товара.
ООО «УралТехГрупп»
ИНН: 7415093830
КПП: 772401001
ОГРН: 1167456069021
Банк: ПАО Сбербанк
Р/с: 40702810838000475273
К/с: 30101810400000000225
БИК: 044525225
У подшипника 1635 2RS пока нет отзывов. Вы можете стать первым покупателем, поделившимся своим мнением.