Поиск подшипника
Статьи
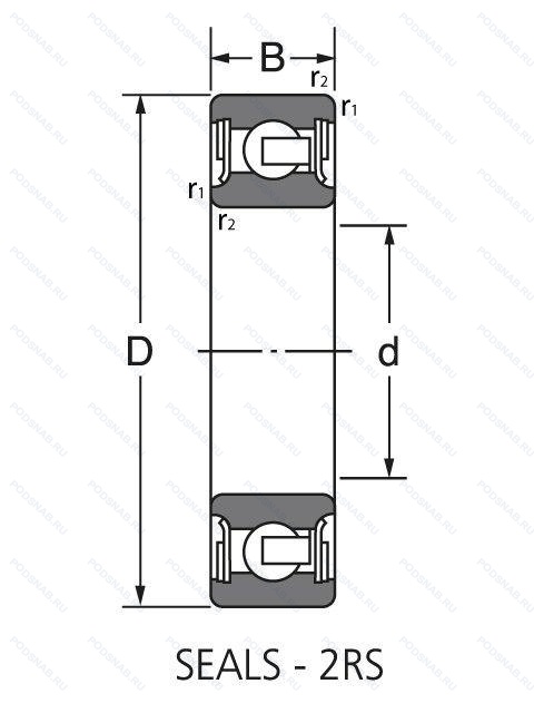
1654 2RS — Подшипник однорядный шариковый радиальный, модификация основного исполнения 1654, выпускается производителями: IJK INOUE JIKUUKE KOGYO, NEUTRAL, NIS.
Размер подшипника: 31x63x15 мм.
Резиновые уплотнения с каждой стороны подшипника.
Международная стандартизации ISO
16542RS
В наличии
| Обозначение | Конструктивные изменения |
|---|---|
| 1654DS | Защитная металлическая шайба с двух сторон подшипника. |
| 1654ZZ | Защитные металлические шайбы с обеих сторон. |
| 1654DCTN | Отлитый под давлением защелкивающийся сепаратор из полиамида. Центрированные тела качения. Резиновые уплотнения с каждой стороны подшипника. |
Модификации шарикового подшипника 1654 2RS — это измененное основное конструктивное исполнение 1654, основные размеры (31x63x15) не отличаются.
| Обозначение | Гост | Конструктивные особенности |
|---|---|---|
| 6206ZZ EMQ | ISO | Защитные металлические шайбы с обеих сторон. Качество электродвигателя. |
| 6206-2RSLTN9/F6 | ISO | Литой защелкивающийся сепаратор из полиамида. армированного стекловолокном 6.6. Sheet Steel Reinforced Low Friction Contact Seal Of Acrylonitrile-Butadiene Rubber (NBR) On Both Sides Of The Bearing. Machined Steel Or Special Cast Iron Cage. Rolling Element Centred_ Different Designs Or Material Grades Are Identified By A Figure Following The F. |
| 6206DDU CM NS7S | ISO | Стандартное заполнение. Резиновые уплотнения с каждой стороны подшипника. Шариковый подшипник. Специальный радиальный внутренний зазор для электродвигателей. Смазка NS Hi Lube. Диапазон рабочей смазки -40 +110 °С. |
| 6206LLU | ISO | Контактное резиновое уплотнение с двух сторон. |
| 6206NR+6 | ISO | Канавка под стопорное кольцо на наружном кольце с соответствующим стопорным кольцом. Exxon Aviation Instrument Oil. |
| 6206DDU+6 | ISO | Резиновые уплотнения с каждой стороны подшипника. Exxon Aviation Instrument Oil. |
| 6206ZZ+6 | ISO | Защитные металлические шайбы с обеих сторон. Exxon Aviation Instrument Oil. |
| 6206 2ZJEM | ISO | Защитные металлические шайбы с обеих сторон подшипника. Сепаратор из штампованной стали. Элемент качения отцентрирован. Тихий ход. Зазор C3 (не обозначается на подшипнике). |
| 6206ZZC4M4 | ISO | Внутренний зазор подшипника больше. чем C3. Защитные металлические шайбы с обеих сторон. |
| 6206LLB/2A | ISO | Lubricant. Shell Oil Co.. Alvania #2 Grease. Mil-G-18709A. Уплотнение бесконтактного типа из синтетического каучука. |
| 6206ZZC4/L683 | ISO | Внутренний зазор подшипника больше. чем C3. Защитные металлические шайбы с обеих сторон. Смазка. |
| 6206F320C | ISO | Polyamide Cage And E10 Seal At One Side. |
| 6206LLB/5K | ISO | Уплотнение бесконтактного типа из синтетического каучука. Grease/ Kyodo Yushi / Multemp SRL (-40°C to +150°C). |
| 83404-9 C3 | ISO | Внутренний зазор больше нормального. Largest Fill. |
| 6206-C-2HRS-C4 | ISO | Модифицированная внутренняя конструкция. Внутренний зазор подшипника больше. чем C3. Манжетные уплотнения с обеих сторон изготовлены из нитрил-бутадиенового каучука. Эти конструкции смазываются на весь срок службы высококачественной смазкой и подходят для умеренных скоростей. Момент трения и тепловыделение ниже, чем при использовании предыдущего уплотнения RSR.. |
| 6206.C5.L55/2 | ISO | Внутренний зазор подшипника больше. чем С4. ISO Tolerance Class ABEC.9. High Pressure Grease -50°C/+70°C. |
| 6206ZR.C3 | ISO | Внутренний зазор больше нормального. Металлическое уплотнение с одной стороны. Радиальный тип. |
| 6206DT-V4A | ISO | Дуплексные подшипники для установки в тандеме. |
| 6206ZZC4E EA5S | ISO | Стандартное заполнение. Внутренний зазор подшипника больше. чем C3. Шарикоподшипник. Однорядный электродвигатель. Уровень шума. Защитные металлические шайбы с обеих сторон. Working Temperature Range/ -40°C / +160°C. |
| TM206C3U1 | ISO | Внутренний зазор больше нормального. Special Specification. |
Аналог шарикового подшипника 1654 2RS — это подшипник такого же размера dx31,Dx63,Bx15, типа и конструкции.
| Обозначение | Конструктивные особенности | Внутренний (d) | Наружный (D) | Ширина (B) |
|---|---|---|---|---|
| 530206-С5 | Шариковый радиальный подшипник. Смазка ЦИАТИМ-202. | 30.00 | 62.00 | 16.00 |
| 55-2206 БМТ2 | Роликовый радиальный однорядный подшипник. 200°. Модифицированный контакт.. Температура отпуска. Сепаратор из безоловянистой бронзы.. | 30.00 | 62.00 | 16.00 |
| 55-32206 Р10 | Роликовый радиальный однорядный подшипник. Детали из теплоустойчивой (быстрорежущие) стали.. | 30.00 | 62.00 | 16.00 |
| 55-32206 Р7 | Роликовый радиальный однорядный подшипник. Детали из теплоустойчивой (быстрорежущие) стали.. | 30.00 | 62.00 | 16.00 |
| 56-2206 БМТ2 | Роликовый радиальный однорядный подшипник. 200°. Модифицированный контакт.. Температура отпуска. Сепаратор из безоловянистой бронзы.. | 30.00 | 62.00 | 16.00 |
| 6-150206-АКШ1 | Шариковый радиальный однорядный подшипник. Нормы шумности. Повышенная грузоподъемность. | 30.00 | 62.00 | 16.00 |
| 6-150206-КШ1 | Шариковый радиальный однорядный подшипник. Нормы шумности. | 30.00 | 62.00 | 16.00 |
| 6-160206-А | Шариковый радиальный однорядный подшипник. Повышенная грузоподъемность. | 30.00 | 62.00 | 16.00 |
| 6-180206-АКС9 | Шариковый радиальный однорядный подшипник. Повышенная грузоподъемность. Смазка ЛЗ-31. | 30.00 | 62.00 | 16.00 |
| 6-180206 АС23 | Шариковый радиальный однорядный подшипник. Повышенная грузоподъемность. Смазка ШРУС-4. | 30.00 | 62.00 | 16.00 |
| 6-180206-АС9 | Шариковый радиальный однорядный подшипник. Повышенная грузоподъемность. Смазка ЛЗ-31. | 30.00 | 62.00 | 16.00 |
| 6-180206 К3С9 | Шариковый радиальный однорядный подшипник. Смазка ЛЗ-31. | 30.00 | 62.00 | 16.00 |
| 6-180206-С17 | Шариковый радиальный однорядный подшипник. Смазка Литол-24. | 30.00 | 62.00 | 16.00 |
| 6-180206-С9 | Шариковый радиальный однорядный подшипник. Смазка ЛЗ-31. | 30.00 | 62.00 | 16.00 |
| 6-180206-С9Ш2 | Шариковый радиальный однорядный подшипник. Нормы шумности. Смазка ЛЗ-31. | 30.00 | 62.00 | 16.00 |
Способы доставки
Отправка через ведущие транспортные и курьерские компании: ПЭК, Деловые Линии, СДЭК, Байкал-Сервис, Энергия, КИТ, ЖелДорЭкспедиция.
Самовывоз возможен напрямую со склада в Москве.
Сроки доставки
Срок зависит от региона и выбранной транспортной компании. Все заказы комплектуются и отправляются в кратчайшие сроки со склада в Москве.
Надёжность и сохранность
Вся продукция упаковывается с учётом требований транспортировки. Мы гарантируем, что подшипники и комплектующие прибудут к заказчику в полной сохранности.
Доставка в страны ЕАЭС
Мы работаем с проверенными логистическими партнёрами, что позволяет оперативно доставлять заказы в Беларусь, Казахстан, Армению и другие страны ЕАЭС.
Варианты оплаты:
Минимальная сумма заказа и скидки:
Документы и гарантии:
Да, конечно! Наши технические специалисты готовы помочь вам с подбором точного аналога или замены подшипника. Просто позвоните нам по телефону +7 (495) 104-99-04 или напишите на почту zakaz@podsnab.ru.
Для оперативной консультации подготовьте, пожалуйста, имеющиеся данные: маркировку, размеры, тип оборудования или артикул старого подшипника.
Да, конечно! Мы высоко ценим долгосрочное сотрудничество и доверие клиентов по всей России. Для постоянных клиентов действует персональная система скидок.
Условия формируются индивидуально и зависят от:
Чтобы узнать свои условия и получить максимально выгодное предложение, свяжитесь с персональным менеджером или напишите нам на почту zakaz@podsnab.ru.
Вы можете оформить заказ несколькими способами:
Для оформления заказа от юридического лица свяжитесь с нашим отделом по работе с корпоративными клиентами по телефону +7 (495) 104-99-04 или напишите на email zakaz@podsnab.ru, прикрепив реквизиты вашей организации.
Мы оперативно подготовим коммерческое предложение и выставим счет.
Возврат товара надлежащего качества возможен в течение 10 дней с момента получения, если товар не был в употреблении, сохранен товарный вид, упаковка не вскрывалась и присутствуют все сопроводительные документы.
Возврат денежных средств осуществляется в течение 10 рабочих дней после проверки товара складом.
В соответствии с законодательством возврату не подлежат подшипники надлежащего качества, если отсутствует оригинальная упаковка или имеются следы монтажа.
В случае выявления брака или гарантийного случая мы гарантируем возврат или обмен товара.
Да, гарантийный срок хранения устанавливается заводом-изготовителем и в среднем составляет 2 года при соблюдении условий хранения: сухое помещение, оригинальная упаковка и смазка.
Точный срок для конкретного типа подшипника уточняйте у наших менеджеров.
Пн–Пт: с 8:00 до 17:00 (МСК).
Сб–Вс: выходные дни.
Заказы на сайте принимаются круглосуточно. Заявки, поступившие после окончания рабочего дня, обрабатываются на следующий рабочий день.
Минимальная сумма заказа для доставки составляет 3000 рублей. Самовывоз со склада возможен на любую сумму при наличии товара.
ООО «УралТехГрупп»
ИНН: 7415093830
КПП: 772401001
ОГРН: 1167456069021
Банк: ПАО Сбербанк
Р/с: 40702810838000475273
К/с: 30101810400000000225
БИК: 044525225
У подшипника 1654 2RS пока нет отзывов. Вы можете стать первым покупателем, поделившимся своим мнением.