Поиск подшипника
Статьи
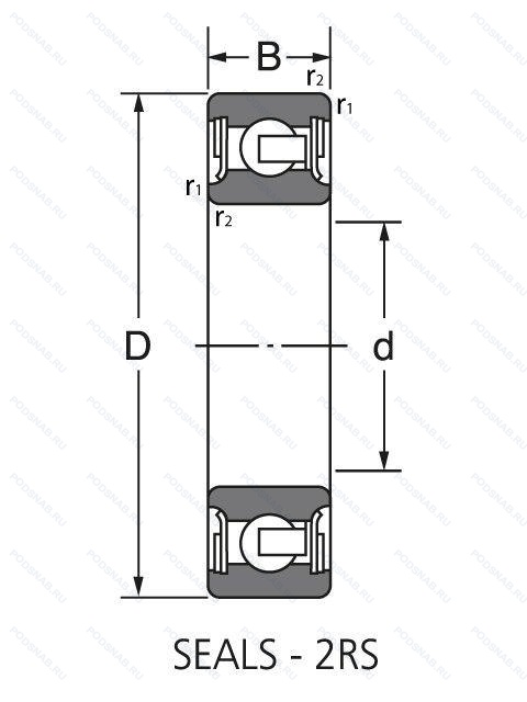
1657 2RS — Подшипник однорядный шариковый радиальный, модификация основного исполнения 1657, выпускается производителями: NEUTRAL, NIS.
Размер подшипника: 31x65x17 мм.
Резиновые уплотнения с каждой стороны подшипника.
Международная стандартизации ISO
16572RS
В наличии
| Обозначение | Конструктивные изменения |
|---|---|
| 1657ZZ | Защитные металлические шайбы с обеих сторон. |
| 1657DS | Защитная металлическая шайба с двух сторон подшипника. |
| 1657DCTN | Сепаратор из полиамида. TWO SYNTHETIC CONTACT SEALS. |
Модификации шарикового подшипника 1657 2RS — это измененное основное конструктивное исполнение 1657, основные размеры (31x65x17) не отличаются.
| Обозначение | Гост | Конструктивные особенности |
|---|---|---|
| 62/32 2RS C3 | ISO | Внутренний зазор больше нормального. Резиновые уплотнения с каждой стороны подшипника. |
| 62/32Z NR | ISO | Стальная шайба. Канавка и стопорное кольцо на наружном кольце. |
| 62/32 2RS | ISO | Контактные уплотнения типа RS с обеих сторон игольчатого роликоподшипника. |
| 1657DSTN | ISO | Отлитый под давлением защелкивающийся сепаратор из полиамида. Центрированные тела качения. Защитная металлическая шайба с двух сторон подшипника. |
| 62/32NR | ISO | Канавка и стопорное кольцо на наружном кольце. |
| 62/32DDU | ISO | Резиновые уплотнения с каждой стороны подшипника. |
| 62/32DDU C3 | ISO | Внутренний зазор больше нормального. Резиновые уплотнения с каждой стороны подшипника. |
| 62/32ZZ/AS2S | ISO | Стандартное заполнение. Защитные металлические шайбы с обеих сторон. 1/4 Full. Смазка Aeroshell 7. |
| 801777A | ISO | Внутренняя конструкция отличается от стандартной. |
| 62/32LLU/5K | ISO | Резиновые уплотнения с каждой стороны подшипника. Grease/ Kyodo Yushi / Multemp SRL (-40°C to +150°C). |
| 83519-9C3 | ISO | Внутренний зазор больше нормального. |
| 62/32X2CM5 | ISO | Специальная фаска. Шариковый подшипник. Специальный радиальный внутренний зазор для электродвигателей. |
| 62/32-B-AH01 | ISO | Модифицированная внутренняя конструкция. Размеры могут отличаться от базового номера детали. Внутренний зазор равен C3 (больше обычного) и защищен от коррозии специальным покрытием Corrotect®. |
| 62/32LLU | ISO | Резиновые уплотнения с каждой стороны подшипника. |
| 62/32LU C3 | ISO | Внутренний зазор больше нормального. Контактное армированное уплотнение из резины с одной стороны подшипника. |
| 62/32-2RS1 | ISO | Усиленные листовой сталью контактные уплотнения из акрилонитрил-бутадиенового каучука (NBR) с обеих сторон подшипника. |
| 83746ASH4-9TC3 | ISO | Угол контакта 20 градусов. Внутренний зазор больше нормального. |
| 83A263SH4-9TC3 | ISO | Внутренний зазор больше нормального. |
| 30TM31ANX1RXURCG-01 | ISO | Специальные размеры канавок и стопорных колец (например. NX1. NX2 и т.д. для различных размеров канавок специальных колец). |
| 30TM31ANX2RXCG101 | ISO | Специальные размеры канавок и стопорных колец (например. NX1. NX2 и т.д. для различных размеров канавок специальных колец). |
Аналог шарикового подшипника 1657 2RS — это подшипник такого же размера dx31,Dx65,Bx17, типа и конструкции.
| Обозначение | Конструктивные особенности | Внутренний (d) | Наружный (D) | Ширина (B) |
|---|---|---|---|---|
| 62/32N | Шариковый радиальный однорядный подшипник. Канавка для стопорного кольца на наружном кольце. | 32.00 | 65.00 | 17.00 |
| 62/32-2RU | Шариковый радиальный однорядный подшипник. Non Contact Type Friction Torque = Small High Speed Performance = Good Grease Sealing = Better Than ZZ-Type Dirt Resistance = Better Than ZZ-Type Water Resistance = Better Than ZZ / Inferior To 2RS Operating Temp. -30°C To + 100°C. | 32.00 | 65.00 | 17.00 |
| 62/32-2RD | Шариковый радиальный однорядный подшипник. Облегченное контактное уплотнение с двух сторон.. | 32.00 | 65.00 | 17.00 |
| 83519RSH2-9TC3 | Шариковый радиальный однорядный подшипник. Угол контакта 20 градусов. Indicates Larger Ball Complement. Enhanced Heat Treatment Bearing. Koyo Corp. | 30.00 | 65.00 | 16.00 |
| 83519D-9C3 | Шариковый радиальный однорядный подшипник. Угол контакта 20 градусов. Половина целого игольчатого валика. Применять суффикс 'D' в базовом номере. | 30.00 | 65.00 | 16.00 |
| 62/32-2NSE | Шариковый радиальный однорядный подшипник. Резиновые уплотнения с каждой стороны подшипника. | 32.00 | 65.00 | 17.00 |
| 62/32ZE | Шариковый радиальный однорядный подшипник. щит из листовой прессованной стали с одной стороны подшипника. | 32.00 | 65.00 | 17.00 |
| 62/32-2NKE | Шариковый радиальный однорядный подшипник. Double Labyrinth Seal (Non Contact). | 32.00 | 65.00 | 17.00 |
| 62/32NSE | Шариковый радиальный однорядный подшипник. Резиновое уплотнение с одной стороны. | 32.00 | 65.00 | 17.00 |
| 62/32ZZE | Шариковый радиальный однорядный подшипник. | 32.00 | 65.00 | 17.00 |
| 62/32VV | Шариковый радиальный однорядный подшипник. Защитные металлические шайбы. с обеих сторон подшипника. Бесконтактное уплотнение. (лучше. чем ZZ. Можно использовать в умеренно запыленной среде). | 32.00 | 65.00 | 17.00 |
| 62/32C3U51 | Шариковый радиальный однорядный подшипник. Внутренний радиальный зазор С3. Открытый подшипник с канавками для установки плотнений. | 32.00 | 65.00 | 17.00 |
| 62/32LLB | Шариковый радиальный однорядный подшипник. Уплотнение бесконтактного типа из синтетического каучука. | 32.00 | 65.00 | 17.00 |
| 62/32LLH | Шариковый радиальный однорядный подшипник. Манжетное уплотнение с обеих сторон подшипника. | 32.00 | 65.00 | 17.00 |
| AB44080S01 | Шариковый радиальный однорядный подшипник. Сферический наружный диаметр. | 32.00 | 65.00 | 17.00 |
Способы доставки
Отправка через ведущие транспортные и курьерские компании: ПЭК, Деловые Линии, СДЭК, Байкал-Сервис, Энергия, КИТ, ЖелДорЭкспедиция.
Самовывоз возможен напрямую со склада в Москве.
Сроки доставки
Срок зависит от региона и выбранной транспортной компании. Все заказы комплектуются и отправляются в кратчайшие сроки со склада в Москве.
Надёжность и сохранность
Вся продукция упаковывается с учётом требований транспортировки. Мы гарантируем, что подшипники и комплектующие прибудут к заказчику в полной сохранности.
Доставка в страны ЕАЭС
Мы работаем с проверенными логистическими партнёрами, что позволяет оперативно доставлять заказы в Беларусь, Казахстан, Армению и другие страны ЕАЭС.
Варианты оплаты:
Минимальная сумма заказа и скидки:
Документы и гарантии:
Да, конечно! Наши технические специалисты готовы помочь вам с подбором точного аналога или замены подшипника. Просто позвоните нам по телефону +7 (495) 104-99-04 или напишите на почту zakaz@podsnab.ru.
Для оперативной консультации подготовьте, пожалуйста, имеющиеся данные: маркировку, размеры, тип оборудования или артикул старого подшипника.
Да, конечно! Мы высоко ценим долгосрочное сотрудничество и доверие клиентов по всей России. Для постоянных клиентов действует персональная система скидок.
Условия формируются индивидуально и зависят от:
Чтобы узнать свои условия и получить максимально выгодное предложение, свяжитесь с персональным менеджером или напишите нам на почту zakaz@podsnab.ru.
Вы можете оформить заказ несколькими способами:
Для оформления заказа от юридического лица свяжитесь с нашим отделом по работе с корпоративными клиентами по телефону +7 (495) 104-99-04 или напишите на email zakaz@podsnab.ru, прикрепив реквизиты вашей организации.
Мы оперативно подготовим коммерческое предложение и выставим счет.
Возврат товара надлежащего качества возможен в течение 10 дней с момента получения, если товар не был в употреблении, сохранен товарный вид, упаковка не вскрывалась и присутствуют все сопроводительные документы.
Возврат денежных средств осуществляется в течение 10 рабочих дней после проверки товара складом.
В соответствии с законодательством возврату не подлежат подшипники надлежащего качества, если отсутствует оригинальная упаковка или имеются следы монтажа.
В случае выявления брака или гарантийного случая мы гарантируем возврат или обмен товара.
Да, гарантийный срок хранения устанавливается заводом-изготовителем и в среднем составляет 2 года при соблюдении условий хранения: сухое помещение, оригинальная упаковка и смазка.
Точный срок для конкретного типа подшипника уточняйте у наших менеджеров.
Пн–Пт: с 8:00 до 17:00 (МСК).
Сб–Вс: выходные дни.
Заказы на сайте принимаются круглосуточно. Заявки, поступившие после окончания рабочего дня, обрабатываются на следующий рабочий день.
Минимальная сумма заказа для доставки составляет 3000 рублей. Самовывоз со склада возможен на любую сумму при наличии товара.
ООО «УралТехГрупп»
ИНН: 7415093830
КПП: 772401001
ОГРН: 1167456069021
Банк: ПАО Сбербанк
Р/с: 40702810838000475273
К/с: 30101810400000000225
БИК: 044525225
У подшипника 1657 2RS пока нет отзывов. Вы можете стать первым покупателем, поделившимся своим мнением.