Поиск подшипника
Статьи
6311/C3 — Подшипник однорядный шариковый радиальный, модификация основного исполнения 6311, выпускается производителями: CX, FAG, FELSTROM, KBC, KINEX, KOYO, MTK, NEUTRAL, NKE, NSK, NTN, ORS, RHP, ROLLWAY, SIN NAN HWA, SKF, SNR, STEYR, TIMKEN, TORRINGTON WUXI BRAND, URB, ZKL, ZVL.
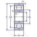
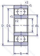
Размер подшипника: 55x120x29 мм.
Внутренний зазор больше нормального.
Альтернативное обозначение: 6311-C-C3.
Аналоги: 6311-C-C3 FAG,6311/C3 Felstrom,6311J30 SNR,6311C3 Nachi,6311C3 ZKL,6311AC3 ZKL,6311A C3 ZKL,6311C3 Neuweg,6311C3 MTK.
Международная стандартизации ISO
6311C3
В наличии
| Обозначение | Конструктивные изменения |
|---|---|
| 6311DDU C3 | Внутренний зазор больше нормального. Резиновые уплотнения с каждой стороны подшипника. |
| 6311-H-SN | Стандартное качество. Кольца подшипника стабилизированы по размерам до 120°C.. |
| 6311LLBNAC3/2A | Внутренний зазор больше нормального. Не взаимозаменяемые детали. Lubricant. Shell Oil Co.. Alvania #2 Grease. Mil-G-18709A. Уплотнение бесконтактного типа из синтетического каучука. |
| 6311LLBNA/2A | Не взаимозаменяемые детали. Lubricant. Shell Oil Co.. Alvania #2 Grease. Mil-G-18709A. Уплотнение бесконтактного типа из синтетического каучука. |
| 6311LLBC3/5KU | Внутренний зазор больше нормального. Уплотнение бесконтактного типа из синтетического каучука. Grease/ Kyodo Yushi / Multemp SRL (-40°C to +150°C). |
| 6311.EEC3 | Резиновые уплотнения с каждой стороны подшипника. |
| 6311DDU CM/AS2S | Стандартное заполнение. Резиновые уплотнения с каждой стороны подшипника. 1/4 Full. Шариковый подшипник. Специальный радиальный внутренний зазор для электродвигателей. Смазка Aeroshell 7. Диапазон от –10°C до 110°C.. |
| 6311DDU C3E AS2S | Стандартное заполнение. Резиновое уплотнение с обеих сторон. 1/4 Full. Смазка Aeroshell 7. Внутренний зазор больше нормы. Класс электродвигателя. |
| 6311BI | Угол контакта 40 градусов. |
| 6311-2Z/VA228 | Защитные металлические шайбы с обеих сторон подшипника. Подшипник для работы при высоких температурах (+350℃). |
| 6311UU | Символ защиты от загрязнения. |
| 6311-2RU | Non Contact Type Friction Torque = Small High Speed Performance = Good Grease Sealing = Better Than ZZ-Type Dirt Resistance = Better Than ZZ-Type Water Resistance = Better Than ZZ / Inferior To 2RS Operating Temp. -30°C To + 100°C. |
| 6311-2NKE | Double Labyrinth Seal (Non Contact). |
| 6311NSE | Резиновое уплотнение с одной стороны. |
| 6311ZE | щит из листовой прессованной стали с одной стороны подшипника. |
| 6311-2Z-N | Защитные металлические шайбы с обеих сторон подшипника. Канавка под стопорное кольцо на внешнем кольце. |
| 6311VV | Защитные металлические шайбы. с обеих сторон подшипника. Бесконтактное уплотнение. (лучше. чем ZZ. Можно использовать в умеренно запыленной среде). |
| 6311LLB | Уплотнение бесконтактного типа из синтетического каучука. |
| 6311LLBNR | Канавка и стопорное кольцо на наружном кольце. Бесконтактное нитриловое уплотнение. |
| 6311ZZD2 | Стальная шайба. |
| 6311LU | Двухкромочное нитриловое контактное уплотнение. |
| 6311LB | Бесконтактное нитриловое уплотнение. |
| 6311LLUNR | Канавка и стопорное кольцо на наружном кольце. Двухкромочное нитриловое контактное уплотнение. |
| 6311LUNR | Канавка и стопорное кольцо на наружном кольце. Двухкромочное нитриловое контактное уплотнение. |
| 6311F600 | Ассортимент TOPLINE для очень высокой температуры - Максимум 350 C°. |
Модификации шарикового подшипника 6311/C3 — это измененное основное конструктивное исполнение 6311, основные размеры (55x120x29) не отличаются.
| Обозначение | Гост | Конструктивные особенности |
|---|---|---|
| 311MFF | ISO | Максимальная производительность. Канавка для ввода тел качения. Металлическое уплотнение с двух сторон. |
| TM311A2NRC3U02 | ISO | Внутренний зазор больше нормального. Канавка под стопорное кольцо на наружном кольце с соответствующим стопорным кольцом. |
| 311X3 | ISO | Специальная фаска. |
| TMB311NR C3 | ISO | Внутренний зазор больше нормального. Канавка под стопорное кольцо на наружном кольце с соответствующим стопорным кольцом. |
| M6311Z NR | ISO | щит из листовой прессованной стали с одной стороны подшипника. Канавка под стопорное кольцо на наружном кольце с соответствующим стопорным кольцом. |
| BL311ZN | ISO | щит из листовой прессованной стали с одной стороны подшипника. Канавка под стопорное кольцо на внешнем кольце. |
| 311SFF | ISO | Single Row Radial Conrad-Type Bearings. Металлическое уплотнение с двух сторон. |
| 311KG | ISO | Серия с закрепительной втулкой и смазочным отверстием. |
| BL311ZZ | ISO | Защитные металлические шайбы с обеих сторон. |
| E2.6311-2Z/C3 | ISO | Внутренний зазор больше нормального. Защитные металлические шайбы с обеих сторон подшипника. |
| 311-ZNR/C3 | ISO | Внутренний зазор больше нормального. щит из листовой прессованной стали с одной стороны подшипника. Канавка под стопорное кольцо на наружном кольце с соответствующим стопорным кольцом. |
| BL311Z | ISO | щит из листовой прессованной стали с одной стороны подшипника. |
| 311KS | ISO | Ball Bearing. Conrad Type. Single Row. Deep Groove (100K Series). |
| 311SFG | ISO | Single Row Radial Conrad-Type Bearings. Однорядный радиальный шарикоподшипник с защитной шайбой с одной стороны. Канавка под стопорное кольцо на наружном кольце с соответствующим стопорным кольцом. |
| 311NR/C3 | ISO | Внутренний зазор больше нормального. Канавка под стопорное кольцо на наружном кольце с соответствующим стопорным кольцом. |
| 311-Z/C3 | ISO | Внутренний зазор больше нормального. щит из листовой прессованной стали с одной стороны подшипника. |
| UR6311A | ISO | Axial Clearance In Non-Standardized Range (Range In µm - e.g. 3210 A20-30). |
| 311MFF/H201 | ISO | Максимальная производительность. Канавка для ввода тел качения. Металлическое уплотнение с двух сторон. Внутренний суффикс-код MRC. |
| 311R | ISO | Расточенное наружное кольцо. Подшипник однорядный радиального типа. Угол контакта 15°. |
| 311M | ISO | Подшипник с латунным сепаратором. центрированный по телам качения. |
Аналог шарикового подшипника 6311/C3 — это подшипник такого же размера dx55,Dx120,Bx29, типа и конструкции.
| Обозначение | Конструктивные особенности | Внутренний (d) | Наружный (D) | Ширина (B) |
|---|---|---|---|---|
| 42311-Л | Роликовый радиальный однорядный подшипник. Сепаратор из латуни.. | 55.00 | 120.00 | 29.00 |
| 42311-М1 | Роликовый радиальный однорядный подшипник. Модифицированный контакт.. | 55.00 | 120.00 | 29.00 |
| 45-176311 ЕШ2 | Шариковый радиально-упорный однорядный подшипник. Сепаратор из текстолита.. Нормы шумности. | 55.00 | 120.00 | 29.00 |
| 46311-АК | Шариковый радиально-упорный однорядный подшипник. Повышенная грузоподъемность. | 55.00 | 120.00 | 29.00 |
| 46311-АЛ | Шариковый радиально-упорный однорядный подшипник. Сепаратор из латуни.. Повышенная грузоподъемность. | 55.00 | 120.00 | 29.00 |
| 46311-Л | Шариковый радиально-упорный однорядный подшипник. Сепаратор из латуни.. | 55.00 | 120.00 | 29.00 |
| 46311К | Шариковый радиально-упорный однорядный подшипник. «Замок» (скос) на внутреннем кольце плюс массивный сепаратор из текстолита. | 55.00 | 120.00 | 29.00 |
| 5-46311 Е | Шариковый радиально-упорный однорядный подшипник. Сепаратор из текстолита.. | 55.00 | 120.00 | 29.00 |
| 50311-А | Шариковый радиальный однорядный подшипник. Повышенная грузоподъемность. | 55.00 | 120.00 | 29.00 |
| 50311-АW2 | Шариковый радиальный однорядный подшипник. Детали из вакуумированной стали.. Повышенная грузоподъемность. | 55.00 | 120.00 | 29.00 |
| 50311-АК2 | Шариковый радиальный однорядный подшипник. Повышенная грузоподъемность. | 55.00 | 120.00 | 29.00 |
| 50311-С17 | Шариковый радиальный однорядный подшипник. Смазка Литол-24. | 55.00 | 120.00 | 29.00 |
| 53311-H | Роликовый радиальный двухрядный подшипник. Pressed Snap-Type Steel Cage. Hardened. | 55.00 | 120.00 | 29.00 |
| 56-32311 Р1 | Роликовый радиальный однорядный подшипник. Детали из теплоустойчивой (быстрорежущие) стали.. | 55.00 | 120.00 | 29.00 |
| 6-12311 К1М | Роликовый радиальный однорядный подшипник. Модифицированный контакт.. | 55.00 | 120.00 | 29.00 |
Способы доставки
Отправка через ведущие транспортные и курьерские компании: ПЭК, Деловые Линии, СДЭК, Байкал-Сервис, Энергия, КИТ, ЖелДорЭкспедиция.
Самовывоз возможен напрямую со склада в Москве.
Сроки доставки
Срок зависит от региона и выбранной транспортной компании. Все заказы комплектуются и отправляются в кратчайшие сроки со склада в Москве.
Надёжность и сохранность
Вся продукция упаковывается с учётом требований транспортировки. Мы гарантируем, что подшипники и комплектующие прибудут к заказчику в полной сохранности.
Доставка в страны ЕАЭС
Мы работаем с проверенными логистическими партнёрами, что позволяет оперативно доставлять заказы в Беларусь, Казахстан, Армению и другие страны ЕАЭС.
Варианты оплаты:
Минимальная сумма заказа и скидки:
Документы и гарантии:
Да, конечно! Наши технические специалисты готовы помочь вам с подбором точного аналога или замены подшипника. Просто позвоните нам по телефону +7 (495) 104-99-04 или напишите на почту zakaz@podsnab.ru.
Для оперативной консультации подготовьте, пожалуйста, имеющиеся данные: маркировку, размеры, тип оборудования или артикул старого подшипника.
Да, конечно! Мы высоко ценим долгосрочное сотрудничество и доверие клиентов по всей России. Для постоянных клиентов действует персональная система скидок.
Условия формируются индивидуально и зависят от:
Чтобы узнать свои условия и получить максимально выгодное предложение, свяжитесь с персональным менеджером или напишите нам на почту zakaz@podsnab.ru.
Вы можете оформить заказ несколькими способами:
Для оформления заказа от юридического лица свяжитесь с нашим отделом по работе с корпоративными клиентами по телефону +7 (495) 104-99-04 или напишите на email zakaz@podsnab.ru, прикрепив реквизиты вашей организации.
Мы оперативно подготовим коммерческое предложение и выставим счет.
Возврат товара надлежащего качества возможен в течение 10 дней с момента получения, если товар не был в употреблении, сохранен товарный вид, упаковка не вскрывалась и присутствуют все сопроводительные документы.
Возврат денежных средств осуществляется в течение 10 рабочих дней после проверки товара складом.
В соответствии с законодательством возврату не подлежат подшипники надлежащего качества, если отсутствует оригинальная упаковка или имеются следы монтажа.
В случае выявления брака или гарантийного случая мы гарантируем возврат или обмен товара.
Да, гарантийный срок хранения устанавливается заводом-изготовителем и в среднем составляет 2 года при соблюдении условий хранения: сухое помещение, оригинальная упаковка и смазка.
Точный срок для конкретного типа подшипника уточняйте у наших менеджеров.
Пн–Пт: с 8:00 до 17:00 (МСК).
Сб–Вс: выходные дни.
Заказы на сайте принимаются круглосуточно. Заявки, поступившие после окончания рабочего дня, обрабатываются на следующий рабочий день.
Минимальная сумма заказа для доставки составляет 3000 рублей. Самовывоз со склада возможен на любую сумму при наличии товара.
ООО «УралТехГрупп»
ИНН: 7415093830
КПП: 772401001
ОГРН: 1167456069021
Банк: ПАО Сбербанк
Р/с: 40702810838000475273
К/с: 30101810400000000225
БИК: 044525225
У подшипника 6311/C3 пока нет отзывов. Вы можете стать первым покупателем, поделившимся своим мнением.