Поиск подшипника
Статьи
6413 — Подшипник однорядный шариковый радиальный, основное исполнение, выпускается производителями: CHINA, CRAFT, CX, F&S, FAG, FBJ, FERSA, FLT, GPZ, ISB, ISO, JBS JAPANESE, KFB CLARFELD, KOYO, NEUTRAL, NIS, NKE, NSK, NTN, NTN-SNR, RIV, SIGMA, SKF, SNR, SRO, STEYR, URB, URS, WINKEL, ZEN, ZKL, ZVL.
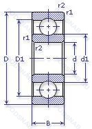
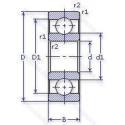
Размер подшипника: 65x160x37 мм.
Альтернативное обозначение: 413.
Аналоги: 6413 FAG,6413A FAG,6413 SKF,6413 RHP,6413 Koyo,6413 Steyr,6413 JBS Japanese Bearing Service,6413 SNR,6413 NSK,6413 NKE.
Международная стандартизации ISO
6413
В наличии
| Обозначение | Конструктивные изменения |
|---|---|
| 6413 2Z/C3 | Внутренний зазор больше нормального. Защитные металлические шайбы с обеих сторон подшипника. |
| 6413NR | Канавка и стопорное кольцо на наружном кольце. |
| 6413 2RS | Резиновые уплотнения с каждой стороны подшипника. |
| 6413N C3 | Внутренний зазор больше нормального. Канавка под стопорное кольцо на внешнем кольце. |
| 6413/W64 | Антифрикционный заполнитель. твердая смазка. |
| 6413 ZZ | Защитные металлические шайбы с обеих сторон. |
| 6413 ZNR | Подшипник однорядный шариковый радиальный. |
| 6413ZZ C3 | Внутренний зазор больше нормального. Защитные металлические шайбы с обеих сторон. |
| 6413NR C3 | Внутренний зазор больше нормального. Канавка под стопорное кольцо на наружном кольце с соответствующим стопорным кольцом. |
| 6413C4 | Внутренний зазор подшипника больше. чем C3. |
| 6413N | Канавка под стопорное кольцо на внешнем кольце. |
| 6413-Z | щит из листовой прессованной стали с одной стороны подшипника. |
| 6413C3 | Внутренний зазор больше нормального. |
| 6413-M-C4 | Внутренний зазор подшипника больше. чем C3. Твердый латунный сепаратор. Шариковые направляющие. |
| 6413-M-C5 | Твердый латунный сепаратор. Шариковые направляющие. Внутренний зазор подшипника больше. чем С4. |
| 6413-M | Твердый латунный сепаратор. Шариковые направляющие. |
| 6413D | Extended Inner Ring. Metric Bore. |
| 6413NN | Probably the same as. |
| 6413A | Модификация внутренней конструкции. |
Модификации шарикового подшипника 6413 — это измененное основное конструктивное исполнение 6413, основные размеры (65x160x37) не отличаются.
| Обозначение | Гост | Конструктивные особенности |
|---|---|---|
| 413NMB | ISO | Механически обработанный латунный сепаратор. клёпаный. центрируемый по внутреннему кольцу. Канавка под стопорное кольцо на внешнем кольце. |
| 237362CC | ISO | Enhanced Ball Guidance. One Snap Ring Groove 3.2 mm Width And One Snap Ring Groove 6.5 mm Width. |
| 237362BA | ISO | Two Snap Ring Grooves In Outer Ring. |
| 413 | ISO | Подшипник однорядный шариковый радиальный. |
| 614086/C3 | ISO | Подшипник однорядный шариковый радиальный. |
| 6413 | ГОСТ | Подшипник однорядный шариковый радиальный. |
| 413 | ГОСТ | Подшипник однорядный шариковый радиальный. |
Аналог шарикового подшипника 6413 — это подшипник такого же размера dx65,Dx160,Bx37, типа и конструкции.
| Обозначение | Конструктивные особенности | Внутренний (d) | Наружный (D) | Ширина (B) |
|---|---|---|---|---|
| 80-413 А | Шариковый радиальный однорядный подшипник. Повышенная грузоподъемность. | 65.00 | 160.00 | 37.00 |
| 5-170413 АЛШ2 | Шариковый радиальный однорядный подшипник. Сепаратор из латуни.. Нормы шумности. Повышенная грузоподъемность. | 65.00 | 160.00 | 37.00 |
| 6-170413 АЛШ1 | Шариковый радиальный однорядный подшипник. Сепаратор из латуни.. Повышенная грузоподъемность. Нормы шумности. | 65.00 | 160.00 | 37.00 |
| 6-170413 ЛШ | Шариковый радиальный однорядный подшипник. Сепаратор из латуни.. Нормы шумности. | 65.00 | 160.00 | 37.00 |
| 6-413 АШ1 | Шариковый радиальный однорядный подшипник. Повышенная грузоподъемность. Нормы шумности. | 65.00 | 160.00 | 37.00 |
| 6-413 АШ | Шариковый радиальный однорядный подшипник. Повышенная грузоподъемность. Нормы шумности. | 65.00 | 160.00 | 37.00 |
| 6-50413 АЛШ | Шариковый радиальный однорядный подшипник. Сепаратор из латуни.. Повышенная грузоподъемность. Нормы шумности. | 65.00 | 160.00 | 37.00 |
| 6-50413 АШ1 | Шариковый радиальный однорядный подшипник. Повышенная грузоподъемность. Нормы шумности. | 65.00 | 160.00 | 37.00 |
| 6-50413 АШ | Шариковый радиальный однорядный подшипник. Повышенная грузоподъемность. Нормы шумности. | 65.00 | 160.00 | 37.00 |
| 170413-АЛ | Шариковый радиальный однорядный подшипник. Сепаратор из латуни.. Повышенная грузоподъемность. | 65.00 | 160.00 | 37.00 |
| 170413-Л | Шариковый радиальный однорядный подшипник. Сепаратор из латуни.. | 65.00 | 160.00 | 37.00 |
| 1315-K-M-C3 + H315 | Шариковый сферический двухрядный подшипник. Внутренний зазор больше нормального. Коническое отверстие. Конусность 1/12. Подшипник с латунным сепаратором. центрированный по телам качения. | 65.00 | 160.00 | 37.00 |
| 413-А | Шариковый радиальный однорядный подшипник. Повышенная грузоподъемность. | 65.00 | 160.00 | 37.00 |
| 42413-М | Роликовый радиальный однорядный подшипник. Модифицированный контакт.. | 65.00 | 160.00 | 37.00 |
| 50413-А | Шариковый радиальный однорядный подшипник. Повышенная грузоподъемность. | 65.00 | 160.00 | 37.00 |
Способы доставки
Отправка через ведущие транспортные и курьерские компании: ПЭК, Деловые Линии, СДЭК, Байкал-Сервис, Энергия, КИТ, ЖелДорЭкспедиция.
Самовывоз возможен напрямую со склада в Москве.
Сроки доставки
Срок зависит от региона и выбранной транспортной компании. Все заказы комплектуются и отправляются в кратчайшие сроки со склада в Москве.
Надёжность и сохранность
Вся продукция упаковывается с учётом требований транспортировки. Мы гарантируем, что подшипники и комплектующие прибудут к заказчику в полной сохранности.
Доставка в страны ЕАЭС
Мы работаем с проверенными логистическими партнёрами, что позволяет оперативно доставлять заказы в Беларусь, Казахстан, Армению и другие страны ЕАЭС.
Варианты оплаты:
Минимальная сумма заказа и скидки:
Документы и гарантии:
Да, конечно! Наши технические специалисты готовы помочь вам с подбором точного аналога или замены подшипника. Просто позвоните нам по телефону +7 (495) 104-99-04 или напишите на почту zakaz@podsnab.ru.
Для оперативной консультации подготовьте, пожалуйста, имеющиеся данные: маркировку, размеры, тип оборудования или артикул старого подшипника.
Да, конечно! Мы высоко ценим долгосрочное сотрудничество и доверие клиентов по всей России. Для постоянных клиентов действует персональная система скидок.
Условия формируются индивидуально и зависят от:
Чтобы узнать свои условия и получить максимально выгодное предложение, свяжитесь с персональным менеджером или напишите нам на почту zakaz@podsnab.ru.
Вы можете оформить заказ несколькими способами:
Для оформления заказа от юридического лица свяжитесь с нашим отделом по работе с корпоративными клиентами по телефону +7 (495) 104-99-04 или напишите на email zakaz@podsnab.ru, прикрепив реквизиты вашей организации.
Мы оперативно подготовим коммерческое предложение и выставим счет.
Возврат товара надлежащего качества возможен в течение 10 дней с момента получения, если товар не был в употреблении, сохранен товарный вид, упаковка не вскрывалась и присутствуют все сопроводительные документы.
Возврат денежных средств осуществляется в течение 10 рабочих дней после проверки товара складом.
В соответствии с законодательством возврату не подлежат подшипники надлежащего качества, если отсутствует оригинальная упаковка или имеются следы монтажа.
В случае выявления брака или гарантийного случая мы гарантируем возврат или обмен товара.
Да, гарантийный срок хранения устанавливается заводом-изготовителем и в среднем составляет 2 года при соблюдении условий хранения: сухое помещение, оригинальная упаковка и смазка.
Точный срок для конкретного типа подшипника уточняйте у наших менеджеров.
Пн–Пт: с 8:00 до 17:00 (МСК).
Сб–Вс: выходные дни.
Заказы на сайте принимаются круглосуточно. Заявки, поступившие после окончания рабочего дня, обрабатываются на следующий рабочий день.
Минимальная сумма заказа для доставки составляет 3000 рублей. Самовывоз со склада возможен на любую сумму при наличии товара.
ООО «УралТехГрупп»
ИНН: 7415093830
КПП: 772401001
ОГРН: 1167456069021
Банк: ПАО Сбербанк
Р/с: 40702810838000475273
К/с: 30101810400000000225
БИК: 044525225
У подшипника 6413 пока нет отзывов. Вы можете стать первым покупателем, поделившимся своим мнением.