Поиск подшипника
Статьи
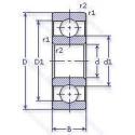
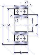
618/600MA — Подшипник однорядный шариковый радиальный, модификация основного исполнения 618/600, выпускается производителями: FAG, ISB, NKE, NSK, SKF.
Размер подшипника: 600x730x60 мм.
Механически обработанный латунный сепаратор. центрирование по внешнему кольцу.
Аналоги: 618/600-MA FAG,618/600MA SKF.
Международная стандартизации ISO
618600MA
В наличии
| Обозначение | Конструктивные изменения |
|---|---|
| 618/600MA C4 | Внутренний зазор подшипника больше. чем C3. Механически обработанный латунный сепаратор. Центрирование по внешнему кольцу. |
| 618/600MA/C3 | Внутренний зазор больше нормального. Механически обработанный латунный сепаратор. Центрирование по внешнему кольцу. |
| 618/600M.C3 | Внутренний зазор больше нормального. Твердый латунный сепаратор. Шариковые направляющие. |
| 618/600M | Твердый латунный сепаратор. Шариковые направляющие. |
| 618/600-MA-R500-550-J | Дорожки качения наружного кольца. угол контакта и ширина наружного кольца в соответствии с ISO. Механически обработанный латунный сепаратор. Центрирование по внешнему кольцу. Radial Clearance in µm. |
| 618/600MB C3 | Внутренний зазор больше нормального. Механически обработанный латунный сепаратор. направляющий по внутреннему кольцу. |
| 618/600 | Подшипник однорядный шариковый радиальный. Основное конструктивное исполнение. |
Модификации шарикового подшипника 618/600MA — это измененное основное конструктивное исполнение 618/600, основные размеры (600x730x60) не отличаются.
| Обозначение | Конструктивные особенности | Внутренний (d) | Наружный (D) | Ширина (B) |
|---|---|---|---|---|
| SL1818/600-E-BR-CN/3L | Однорядный цилиндрический роликовый подшипник. Повышенная грузоподъемность. Нормальный радиальный внутренний зазор. Чёрный цвет. Длина направляющей. Clearance Range Corresponding To The Lower Half Of The Actual Clearance Range. | 600.00 | 730.00 | 60.00 |
| SL1818/600-E-BR-SP5-CN/3M | Однорядный цилиндрический роликовый подшипник. Повышенная грузоподъемность. Нормальный радиальный внутренний зазор. Чёрный цвет. Длина направляющей. Clearance Range Corresponding To The Medium Half Of The Actual Clearance Range. | 600.00 | 730.00 | 60.00 |
| SL1818/600-E | Однорядный цилиндрический роликовый подшипник. Повышенная грузоподъемность. Длина направляющей. | 600.00 | 730.00 | 60.00 |
| SL1818/600E-BR-IR/T-CN/3L | Однорядный цилиндрический роликовый подшипник. Повышенная грузоподъемность. Нормальный радиальный внутренний зазор. Чёрный цвет. Clearance Range Corresponding To The Lower Half Of The Actual Clearance Range. Канавки во внутреннем кольце находятся со стороны стопорного кольца. | 600.00 | 730.00 | 60.00 |
| 718/600-MP-P5 | Подшипник шариковый однорядный радиально-упорный. Размерная и рабочая точность соответствует классу допуска ISO 5. Механически обработанный латунный сепаратор оконного типа. | 600.00 | 730.00 | 60.00 |
| NJ18/600 | Роликовый радиальный однорядный подшипник. Однорядный цилиндрический роликовый подшипник. Наружное кольцо имеет два борта. Длина направляющей. | 600.00 | 730.00 | 60.00 |
| NU18/600 | Роликовый радиальный однорядный подшипник. Длина направляющей. Однорядные цилиндрические роликоподшипники. Наружное кольцо подшипника имеет два борта. | 600.00 | 730.00 | 60.00 |
| NUP18/600 | Роликовый радиальный однорядный подшипник. Длина направляющей. Однорядный цилиндрический роликовый подшипник. Наружное кольцо имеет два борта. | 600.00 | 730.00 | 60.00 |
| SL1818/600-E-TB | Роликовый радиальный подшипник. Повышенная грузоподъемность. Textite (Fabric-Reinforced Phenolic Resin) Cage Guided On The Inner Ring. Длина направляющей. | 600.00 | 730.00 | 60.00 |
| 718/600 AMB | Шариковый радиально-упорный однорядный подшипник. Измененная или модифицированная внутренняя конструкция при неизменных основных размерах. | 600.00 | 730.00 | 60.00 |
| 10468/600Л1 | Шариковый радиально-упорный однорядный подшипник. Сепаратор из латуни.. | 600.00 | 730.00 | 60.00 |
| 718/600 AC/VQ074 | Шариковый радиальный однорядный подшипник. Суффикс для радиально-упорного шарикоподшипника. | 600.00 | 730.00 | 60.00 |
| NU 18/600 ECMA/HB1 | Роликовый радиальный однорядный подшипник. Измененная или модифицированная внутренняя конструкция при неизменных основных размерах. Однорядный цилиндрический роликовый подшипник. | 600.00 | 730.00 | 60.00 |
| 5-10468/600 Л | Шариковый радиально-упорный однорядный подшипник. Сепаратор из латуни.. | 600.00 | 730.00 | 60.00 |
| 6-10468/600 Л | Шариковый радиально-упорный подшипник. Сепаратор из латуни.. | 600.00 | 730.00 | 60.00 |
Способы доставки
Отправка через ведущие транспортные и курьерские компании: ПЭК, Деловые Линии, СДЭК, Байкал-Сервис, Энергия, КИТ, ЖелДорЭкспедиция.
Самовывоз возможен напрямую со склада в Москве.
Сроки доставки
Срок зависит от региона и выбранной транспортной компании. Все заказы комплектуются и отправляются в кратчайшие сроки со склада в Москве.
Надёжность и сохранность
Вся продукция упаковывается с учётом требований транспортировки. Мы гарантируем, что подшипники и комплектующие прибудут к заказчику в полной сохранности.
Доставка в страны ЕАЭС
Мы работаем с проверенными логистическими партнёрами, что позволяет оперативно доставлять заказы в Беларусь, Казахстан, Армению и другие страны ЕАЭС.
Варианты оплаты:
Минимальная сумма заказа и скидки:
Документы и гарантии:
Да, конечно! Наши технические специалисты готовы помочь вам с подбором точного аналога или замены подшипника. Просто позвоните нам по телефону +7 (495) 104-99-04 или напишите на почту zakaz@podsnab.ru.
Для оперативной консультации подготовьте, пожалуйста, имеющиеся данные: маркировку, размеры, тип оборудования или артикул старого подшипника.
Да, конечно! Мы высоко ценим долгосрочное сотрудничество и доверие клиентов по всей России. Для постоянных клиентов действует персональная система скидок.
Условия формируются индивидуально и зависят от:
Чтобы узнать свои условия и получить максимально выгодное предложение, свяжитесь с персональным менеджером или напишите нам на почту zakaz@podsnab.ru.
Вы можете оформить заказ несколькими способами:
Для оформления заказа от юридического лица свяжитесь с нашим отделом по работе с корпоративными клиентами по телефону +7 (495) 104-99-04 или напишите на email zakaz@podsnab.ru, прикрепив реквизиты вашей организации.
Мы оперативно подготовим коммерческое предложение и выставим счет.
Возврат товара надлежащего качества возможен в течение 10 дней с момента получения, если товар не был в употреблении, сохранен товарный вид, упаковка не вскрывалась и присутствуют все сопроводительные документы.
Возврат денежных средств осуществляется в течение 10 рабочих дней после проверки товара складом.
В соответствии с законодательством возврату не подлежат подшипники надлежащего качества, если отсутствует оригинальная упаковка или имеются следы монтажа.
В случае выявления брака или гарантийного случая мы гарантируем возврат или обмен товара.
Да, гарантийный срок хранения устанавливается заводом-изготовителем и в среднем составляет 2 года при соблюдении условий хранения: сухое помещение, оригинальная упаковка и смазка.
Точный срок для конкретного типа подшипника уточняйте у наших менеджеров.
Пн–Пт: с 8:00 до 17:00 (МСК).
Сб–Вс: выходные дни.
Заказы на сайте принимаются круглосуточно. Заявки, поступившие после окончания рабочего дня, обрабатываются на следующий рабочий день.
Минимальная сумма заказа для доставки составляет 3000 рублей. Самовывоз со склада возможен на любую сумму при наличии товара.
ООО «УралТехГрупп»
ИНН: 7415093830
КПП: 772401001
ОГРН: 1167456069021
Банк: ПАО Сбербанк
Р/с: 40702810838000475273
К/с: 30101810400000000225
БИК: 044525225
У подшипника 618/600MA пока нет отзывов. Вы можете стать первым покупателем, поделившимся своим мнением.