Поиск подшипника
Статьи
RLS6ZZ — Подшипник однорядный шариковый радиальный, модификация основного исполнения RLS6, выпускается производителями: IKS IZUMOTO SEIKO CO., JAF, JAPANESE ORIGIN, KOK, KOYO, KSM, LTD, NEUTRAL, NIS, NKE, NSK, RHP, STEYR, WTW.
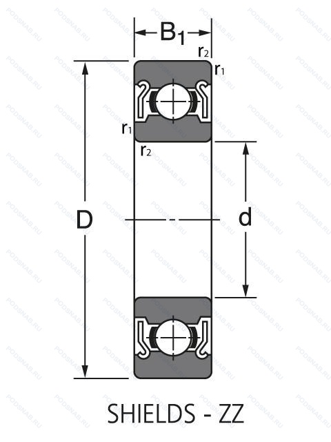
Размер подшипника: 19x47x14 мм.
Цилиндрический роликовый подшипник, однорядный, двухкромочное внутреннее кольцо, цилиндрическое наружное кольцо, легкая дюймовая серия, защитные металлические шайбы с обеих сторон.
Альтернативное обозначение: LS8.2ZR.
Аналоги: LS8.2Z FAG,RLS6-2Z SKF,RLS6ZZ JAF.
Международная стандартизации ISO
RLS6ZZ
В наличии
| Обозначение | Конструктивные изменения |
|---|---|
| RLS6 | Подшипник однорядный шариковый радиальный. Основное конструктивное исполнение. |
| RLS6-2RS1 | Усиленные листовой сталью контактные уплотнения из акрилонитрил-бутадиенового каучука (NBR) с обеих сторон подшипника. |
| RLS6-Z | щит из листовой прессованной стали с одной стороны подшипника. |
| RLS6/C6 | Уровень шума ниже нормы (бесшумная работа). |
| RLS6-2Z | Защитные металлические шайбы с обеих сторон подшипника. |
| RLS6 2RS | Резиновые уплотнения с каждой стороны подшипника. |
| RLS6/Q7 | Подшипник однорядный шариковый радиальный. |
Модификации шарикового подшипника RLS6ZZ — это измененное основное конструктивное исполнение RLS6, основные размеры (19x47x14) не отличаются.
| Обозначение | Гост | Конструктивные особенности |
|---|---|---|
| LS8.2Z | ISO | Защитные металлические шайбы с обеих сторон. |
| 6204.2RSD.J22R.L235T | ISO | Lip Seals On Both Sides. Non-Contact. Сделано в Корее. Смазка. |
| 6204 2ZJEM | ISO | Защитные металлические шайбы с обеих сторон подшипника. Сепаратор из штампованной стали. Элемент качения отцентрирован. Тихий ход. Зазор C3 (не обозначается на подшипнике). |
| 6204ZZCMD2 | ISO | Два боковых защитных уплотнения. Шариковый подшипник. Специальный радиальный внутренний зазор для электродвигателей. |
| 6204 2RS GA2 | ISO | Резиновые уплотнения с каждой стороны подшипника. Смазка. Shell Oil Co. Alvania #2 Grease. |
| 204PPS | ISO | Внешний самоустанавливающийся тип. Сферическая поверхность наружного кольца совпадает с внутренней сферической поверхностью дополнительного кольца с прямым или плоским наружным диаметром. Используется для обозначения однорядных подшипников с широким внутренним кольцом.. Манжетные уплотнения с обеих сторон подшипника. |
| 6204-THB-C3 | ISO | Внутренний зазор больше нормального. Механически обработанный текстильный ламинированный фенольный сепаратор защелкивающегося типа. |
| 6204-C-2Z-L207-C3 | ISO | Модифицированная внутренняя конструкция. Внутренний зазор больше нормального. Зазорные уплотнения с обеих сторон.. Заполнение консистентной смазкой Arcanol L207 (высокотемпературная смазка). |
| 6204CM M1 | ISO | Стальной сепаратор вместо латунного. Шариковый подшипник. Специальный радиальный внутренний зазор для электродвигателей. |
| 6204LLU/5K | ISO | Резиновые уплотнения с каждой стороны подшипника. Grease/ Kyodo Yushi / Multemp SRL (-40°C to +150°C). |
| 6204.G15C4 | ISO | Внутренний зазор подшипника больше. чем C3. TN/TN9 (SKF)=Glass Fibre Reinforced Polyamide Cage. |
| 6204ZZS1 | ISO | Защитные металлические шайбы с обеих сторон. Кольца подшипников или шайбы, стабилизированные по размерам для использования при рабочих температурах до +200°C (392°F).. |
| 6204DDU7 C3E X28/ENS | ISO | Внутреннее и наружное кольца термостабилизированы до 200°C. Nippon Grease ENS (-40/+160°C. piek +180°C). Витоновое уплотнение DU и V-типа. Внутренний зазор больше нормы. Класс электродвигателя. |
| 6204-2RSL/C4WTF7VT901 | ISO | Внутренний зазор подшипника больше. чем C3. Sheet Steel Reinforced Low Friction Contact Seal Of Acrylonitrile-Butadiene Rubber (NBR) On Both Sides Of The Bearing. Grease Fill For Low As Well As High Temperature e.g. -40°C/+160°C. WT Or A Two-Figure Number Following WT Identifies The Actual Grease. An Additional Letter Or Letter/ Figure Combination As Mentioned Under “HT” Identifies Filling Degrees Other Than Standard. |
| 6204ZZ C3E/DNS7S | ISO | Standard Fill. (NS7S/ Inside With Grease. Up Than 35%. Temperature Resistance -40°C To +140°C). Защитные металлические шайбы с обеих сторон. Смазка NS Hi Lube. Диапазон рабочей смазки -40 +110 °С. Внутренний зазор больше нормы. Класс электродвигателя. |
| 6204CMD | ISO | Шариковый подшипник. Специальный радиальный внутренний зазор для электродвигателей. |
| 6204DDU7 C3/EX28ENSS | ISO | Стандартное заполнение. Внутренний зазор больше нормального. Термостабилизация внутреннего и наружного кольца до 200°C. Nippon Grease ENS (-40/+160°C. piek +180°C). Витоновое уплотнение DU и V-типа. |
| 6204ZZC2 NS7S | ISO | Стандартное заполнение. Радиальный внутренний зазор меньше нормального. Защитные металлические шайбы с обеих сторон. NS Hi Lube Grease. (NS7/ Inside With Grease. Up Than 35%. Temperature Resistance -40°C To +140°C). |
| 6204ZZC3EP6 EA5S | ISO | Стандартное заполнение. Внутренний зазор больше нормального. Шарикоподшипник. Однорядный электродвигатель. Уровень шума. Защитные металлические шайбы с обеих сторон. Working Temperature Range/ -40°C / +160°C. |
| /SI/6204VVCG17A-01 HA | ISO | Стандартное заполнение. Защитные металлические шайбы. с обеих сторон подшипника. Бесконтактное уплотнение. (лучше. чем ZZ. Можно использовать в умеренно запыленной среде). |
| 6204K 2RS | ISO | Коническое отверстие. конус 1/12. Резиновые уплотнения с каждой стороны подшипника. |
Аналог шарикового подшипника RLS6ZZ — это подшипник такого же размера dx19,Dx47,Bx14, типа и конструкции.
| Обозначение | Конструктивные особенности | Внутренний (d) | Наружный (D) | Ширина (B) |
|---|---|---|---|---|
| 580204-АКС17 | Шариковый радиальный однорядный подшипник. Смазка Литол-24. Повышенная грузоподъемность. | 20.00 | 47.00 | 14.00 |
| 580204-АКУС17 | Шариковый радиальный однорядный подшипник. Смазка Литол-24. Дополнительные технические требования. Повышенная грузоподъемность. | 20.00 | 47.00 | 14.00 |
| 580204-КС17 | Шариковый радиальный однорядный подшипник. Смазка Литол-24. «Замок» (скос) на внутреннем кольце плюс массивный сепаратор из текстолита. | 20.00 | 47.00 | 14.00 |
| 580204-КС17W | Шариковый радиальный однорядный подшипник. Детали из вакуумированной стали.. Смазка Литол-24. «Замок» (скос) на внутреннем кольце плюс массивный сепаратор из текстолита. | 20.00 | 47.00 | 14.00 |
| 580204-КС17W2 | Шариковый радиальный однорядный подшипник. Детали из вакуумированной стали.. Смазка Литол-24. «Замок» (скос) на внутреннем кольце плюс массивный сепаратор из текстолита. | 20.00 | 47.00 | 14.00 |
| 580204-С17 | Шариковый радиальный однорядный подшипник. Смазка Литол-24. | 20.00 | 47.00 | 14.00 |
| 580204АК | Шариковый радиальный однорядный подшипник. Повышенная грузоподъемность. | 20.00 | 47.00 | 14.00 |
| 6-12204 К2 | Роликовый радиальный однорядный подшипник. Кольцевая проточка на середине цилиндрической наружной поверхности наружного кольца плюс три отверстия для смазки. | 20.00 | 47.00 | 14.00 |
| 6-180204 АКС17 | Шариковый радиальный однорядный подшипник. Смазка Литол-24. Повышенная грузоподъемность. | 20.00 | 47.00 | 14.00 |
| 6-180204 АС17 | Шариковый радиальный однорядный подшипник. Смазка Литол-24. Повышенная грузоподъемность. | 20.00 | 47.00 | 14.00 |
| 6-180204 АС9 | Шариковый радиальный однорядный подшипник. Повышенная грузоподъемность. Смазка ЛЗ-31. | 20.00 | 47.00 | 14.00 |
| 6-180204 КС9Ш2У | Шариковый радиальный однорядный подшипник. Дополнительные технические требования. Нормы шумности. Смазка ЛЗ-31. | 20.00 | 47.00 | 14.00 |
| 6-180204 С17 | Шариковый радиальный однорядный подшипник. Смазка Литол-24. | 20.00 | 47.00 | 14.00 |
| 6-180204 С9Ш2 | Шариковый радиальный однорядный подшипник. Нормы шумности. Смазка ЛЗ-31. | 20.00 | 47.00 | 14.00 |
| 6-180204 С9Ш2У | Шариковый радиальный однорядный подшипник. Дополнительные технические требования. Нормы шумности. Смазка ЛЗ-31. | 20.00 | 47.00 | 14.00 |
Способы доставки
Отправка через ведущие транспортные и курьерские компании: ПЭК, Деловые Линии, СДЭК, Байкал-Сервис, Энергия, КИТ, ЖелДорЭкспедиция.
Самовывоз возможен напрямую со склада в Москве.
Сроки доставки
Срок зависит от региона и выбранной транспортной компании. Все заказы комплектуются и отправляются в кратчайшие сроки со склада в Москве.
Надёжность и сохранность
Вся продукция упаковывается с учётом требований транспортировки. Мы гарантируем, что подшипники и комплектующие прибудут к заказчику в полной сохранности.
Доставка в страны ЕАЭС
Мы работаем с проверенными логистическими партнёрами, что позволяет оперативно доставлять заказы в Беларусь, Казахстан, Армению и другие страны ЕАЭС.
Варианты оплаты:
Минимальная сумма заказа и скидки:
Документы и гарантии:
Да, конечно! Наши технические специалисты готовы помочь вам с подбором точного аналога или замены подшипника. Просто позвоните нам по телефону +7 (495) 104-99-04 или напишите на почту zakaz@podsnab.ru.
Для оперативной консультации подготовьте, пожалуйста, имеющиеся данные: маркировку, размеры, тип оборудования или артикул старого подшипника.
Да, конечно! Мы высоко ценим долгосрочное сотрудничество и доверие клиентов по всей России. Для постоянных клиентов действует персональная система скидок.
Условия формируются индивидуально и зависят от:
Чтобы узнать свои условия и получить максимально выгодное предложение, свяжитесь с персональным менеджером или напишите нам на почту zakaz@podsnab.ru.
Вы можете оформить заказ несколькими способами:
Для оформления заказа от юридического лица свяжитесь с нашим отделом по работе с корпоративными клиентами по телефону +7 (495) 104-99-04 или напишите на email zakaz@podsnab.ru, прикрепив реквизиты вашей организации.
Мы оперативно подготовим коммерческое предложение и выставим счет.
Возврат товара надлежащего качества возможен в течение 10 дней с момента получения, если товар не был в употреблении, сохранен товарный вид, упаковка не вскрывалась и присутствуют все сопроводительные документы.
Возврат денежных средств осуществляется в течение 10 рабочих дней после проверки товара складом.
В соответствии с законодательством возврату не подлежат подшипники надлежащего качества, если отсутствует оригинальная упаковка или имеются следы монтажа.
В случае выявления брака или гарантийного случая мы гарантируем возврат или обмен товара.
Да, гарантийный срок хранения устанавливается заводом-изготовителем и в среднем составляет 2 года при соблюдении условий хранения: сухое помещение, оригинальная упаковка и смазка.
Точный срок для конкретного типа подшипника уточняйте у наших менеджеров.
Пн–Пт: с 8:00 до 17:00 (МСК).
Сб–Вс: выходные дни.
Заказы на сайте принимаются круглосуточно. Заявки, поступившие после окончания рабочего дня, обрабатываются на следующий рабочий день.
Минимальная сумма заказа для доставки составляет 3000 рублей. Самовывоз со склада возможен на любую сумму при наличии товара.
ООО «УралТехГрупп»
ИНН: 7415093830
КПП: 772401001
ОГРН: 1167456069021
Банк: ПАО Сбербанк
Р/с: 40702810838000475273
К/с: 30101810400000000225
БИК: 044525225
У подшипника RLS6ZZ пока нет отзывов. Вы можете стать первым покупателем, поделившимся своим мнением.