Поиск подшипника
Статьи
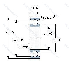
6320M.C3 — Подшипник однорядный шариковый радиальный, модификация основного исполнения 6320, выпускается производителями: FAG, NEUTRAL, NKE, SKF, STEYR, URB.
Размер подшипника: 100x215x47 мм.
Внутренний зазор больше нормального, подшипник с латунным сепаратором. центрированный по телам качения.
Аналоги: 6320-M-C3 FAG,6320M/C3 SKF,6320M1 C3 SV77D Steyr.
Международная стандартизации ISO
6320MC3
В наличии
| Обозначение | Конструктивные изменения |
|---|---|
| 6320C15 | Combination Of C10 & C05. |
| 6320C3 SQ77 | Внутренний зазор больше нормального. Изолированный до 500 Вольт. |
| 6320J30 | Внутренний зазор больше нормального. |
| 6320ZZ J30 | Защитные металлические шайбы с обеих сторон. Внутренний зазор больше нормального. |
| 6320N | Канавка под стопорное кольцо на внешнем кольце. |
| 6320MCM | Механически обработанный латунный сепаратор .Расположенный на элементах качения. Шариковый подшипник. Специальный радиальный внутренний зазор для электродвигателей. |
| 6320-2Z/C3GJN | Внутренний зазор больше нормального. Защитные металлические шайбы с обеих сторон подшипника. Grease With Polyurea Thickener Of Consistency 2 To The NLGI Scale For Temperature Range -30°C/+150°C (Normal Filling Grade). |
| 6320JC3S | Специальная термическая обработка. Внутренний зазор больше нормального. Прессованный стальной сепаратор. |
| 6320-2RSR | Резиновые уплотнения с каждой стороны подшипника. |
| 6320-J20AA | Электроизоляция. наружное кольцо с керамическим покрытием. |
| 6320-S1-C4 | Внутренний зазор подшипника больше. чем C3. Кольца подшипников или шайбы, стабилизированные по размерам для использования при рабочих температурах до +200°C (392°F).. |
| 6320-2Z-L038-C3 | Внутренний зазор больше нормального. Защитные металлические шайбы с обеих сторон. Arcanol Grease Medium Temperature -25°C/+130°C. |
| 6320ZZ C3 G3 | Внутренний зазор больше нормального. Защитные стальные шайбы с обеих сторон. Класс точности 3. |
| 6320VV CM/AV2S | Lubricant. Shell Oil Co.. Alvania #2 Grease. 1/4 Full. Temperature Range = -10°C / + 110°C (Normal Temperature Grease). Шариковый подшипник. Специальный радиальный внутренний зазор для электродвигателей. Защитные металлические шайбы. с обеих сторон подшипника. Бесконтактное уплотнение. (лучше. чем ZZ. Можно использовать в умеренно запыленной среде). |
| 6320LLU | Резиновые уплотнения с каждой стороны подшипника. |
| 6320CM | Шариковый подшипник. Специальный радиальный внутренний зазор для электродвигателей. |
| 6320.P5 | Размерная и рабочая точность соответствует классу допуска ISO 5. |
| 6320-RS1 | Резиновое уплотнение с одной стороны. |
| 6320-2RU | Non Contact Type Friction Torque = Small High Speed Performance = Good Grease Sealing = Better Than ZZ-Type Dirt Resistance = Better Than ZZ-Type Water Resistance = Better Than ZZ / Inferior To 2RS Operating Temp. -30°C To + 100°C. |
| 6320ZX | Съемная защитная шайба с одной стороны. |
| 6320-2NK | Double Labyrinth Seal (Non Contact). |
| 6320NSL | Резиновое уплотнение с одной стороны. |
| 6320NK | One Labyrinth Seal (Non Contact). |
| 6320LLB | Уплотнение бесконтактного типа из синтетического каучука. |
| 6320NR | Канавка и стопорное кольцо на наружном кольце. |
Модификации шарикового подшипника 6320M.C3 — это измененное основное конструктивное исполнение 6320, основные размеры (100x215x47) не отличаются.
| Обозначение | Гост | Конструктивные особенности |
|---|---|---|
| BB1-3039 | ISO | Подшипник однорядный шариковый радиальный. |
| 21B | ISO | Конический роликовый подшипник. Угол контакта 20 градусов. |
| 7MC3-6320L1BC3 | ISO | Внутренний зазор больше нормального. Механически обработанный латунный сепаратор. центрированный на шариках. |
| 60320 | ISO | Подшипник однорядный шариковый радиальный. |
| 320W | ISO | Радиальный подшипник. Тип заправочного паза. |
| 320M | ISO | Максимальная производительность. Канавка для ввода тел качения. |
| 320SFF | ISO | Single Row Radial Conrad-Type Bearings. Металлическое уплотнение с двух сторон. |
Аналог шарикового подшипника 6320M.C3 — это подшипник такого же размера dx100,Dx215,Bx47, типа и конструкции.
| Обозначение | Конструктивные особенности | Внутренний (d) | Наружный (D) | Ширина (B) |
|---|---|---|---|---|
| 320-АЛ | Шариковый радиальный однорядный подшипник. Сепаратор из латуни.. Повышенная грузоподъемность. | 100.00 | 215.00 | 47.00 |
| 320-Л | Шариковый радиальный однорядный подшипник. Сепаратор из латуни.. | 100.00 | 215.00 | 47.00 |
| 320Е | Шариковый радиальный однорядный подшипник. Сепаратор из текстолита.. | 100.00 | 215.00 | 47.00 |
| 36-320 Т1 | Шариковый радиальный однорядный подшипник. 180°. Температура отпуска. | 100.00 | 215.00 | 47.00 |
| 1320S | Шариковый сферический двухрядный подшипник. Запечатанная версия кулачкового ролика. | 100.00 | 215.00 | 47.00 |
| 7603100-TVP | Шариковый упорный однорядный подшипник. Molded Snap-Type Cage Of Glass Fibre Reinforced Polyamide. Rolling Element Riding. | 100.00 | 215.00 | 47.00 |
| 42320-Л | Роликовый радиальный однорядный подшипник. Сепаратор из латуни.. | 100.00 | 215.00 | 47.00 |
| 42320-М | Роликовый радиальный однорядный подшипник. Модифицированный контакт.. | 100.00 | 215.00 | 47.00 |
| 45-176320 ЕШ2 | Шариковый радиально-упорный однорядный подшипник. Сепаратор из текстолита.. Нормы шумности. | 100.00 | 215.00 | 47.00 |
| 46320-Л | Шариковый радиально-упорный однорядный подшипник. Сепаратор из латуни.. | 100.00 | 215.00 | 47.00 |
| 46320Е | Шариковый радиально-упорный однорядный подшипник. Сепаратор из текстолита.. | 100.00 | 215.00 | 47.00 |
| 46320К | Шариковый радиально-упорный однорядный подшипник. «Замок» (скос) на внутреннем кольце плюс массивный сепаратор из текстолита. | 100.00 | 215.00 | 47.00 |
| 5-32320 К1МШ2 | Роликовый радиальный однорядный подшипник. Модифицированный контакт.. Нормы шумности. | 100.00 | 215.00 | 47.00 |
| 52320-М | Роликовый радиальный подшипник. Модифицированный контакт.. | 100.00 | 215.00 | 47.00 |
| 6-12320 МГ5 | Роликовый радиальный однорядный подшипник. Модифицированный контакт.. Сепаратор из черных металлов.. | 100.00 | 215.00 | 47.00 |
Способы доставки
Отправка через ведущие транспортные и курьерские компании: ПЭК, Деловые Линии, СДЭК, Байкал-Сервис, Энергия, КИТ, ЖелДорЭкспедиция.
Самовывоз возможен напрямую со склада в Москве.
Сроки доставки
Срок зависит от региона и выбранной транспортной компании. Все заказы комплектуются и отправляются в кратчайшие сроки со склада в Москве.
Надёжность и сохранность
Вся продукция упаковывается с учётом требований транспортировки. Мы гарантируем, что подшипники и комплектующие прибудут к заказчику в полной сохранности.
Доставка в страны ЕАЭС
Мы работаем с проверенными логистическими партнёрами, что позволяет оперативно доставлять заказы в Беларусь, Казахстан, Армению и другие страны ЕАЭС.
Варианты оплаты:
Минимальная сумма заказа и скидки:
Документы и гарантии:
Да, конечно! Наши технические специалисты готовы помочь вам с подбором точного аналога или замены подшипника. Просто позвоните нам по телефону +7 (495) 104-99-04 или напишите на почту zakaz@podsnab.ru.
Для оперативной консультации подготовьте, пожалуйста, имеющиеся данные: маркировку, размеры, тип оборудования или артикул старого подшипника.
Да, конечно! Мы высоко ценим долгосрочное сотрудничество и доверие клиентов по всей России. Для постоянных клиентов действует персональная система скидок.
Условия формируются индивидуально и зависят от:
Чтобы узнать свои условия и получить максимально выгодное предложение, свяжитесь с персональным менеджером или напишите нам на почту zakaz@podsnab.ru.
Вы можете оформить заказ несколькими способами:
Для оформления заказа от юридического лица свяжитесь с нашим отделом по работе с корпоративными клиентами по телефону +7 (495) 104-99-04 или напишите на email zakaz@podsnab.ru, прикрепив реквизиты вашей организации.
Мы оперативно подготовим коммерческое предложение и выставим счет.
Возврат товара надлежащего качества возможен в течение 10 дней с момента получения, если товар не был в употреблении, сохранен товарный вид, упаковка не вскрывалась и присутствуют все сопроводительные документы.
Возврат денежных средств осуществляется в течение 10 рабочих дней после проверки товара складом.
В соответствии с законодательством возврату не подлежат подшипники надлежащего качества, если отсутствует оригинальная упаковка или имеются следы монтажа.
В случае выявления брака или гарантийного случая мы гарантируем возврат или обмен товара.
Да, гарантийный срок хранения устанавливается заводом-изготовителем и в среднем составляет 2 года при соблюдении условий хранения: сухое помещение, оригинальная упаковка и смазка.
Точный срок для конкретного типа подшипника уточняйте у наших менеджеров.
Пн–Пт: с 8:00 до 17:00 (МСК).
Сб–Вс: выходные дни.
Заказы на сайте принимаются круглосуточно. Заявки, поступившие после окончания рабочего дня, обрабатываются на следующий рабочий день.
Минимальная сумма заказа для доставки составляет 3000 рублей. Самовывоз со склада возможен на любую сумму при наличии товара.
ООО «УралТехГрупп»
ИНН: 7415093830
КПП: 772401001
ОГРН: 1167456069021
Банк: ПАО Сбербанк
Р/с: 40702810838000475273
К/с: 30101810400000000225
БИК: 044525225
У подшипника 6320M.C3 пока нет отзывов. Вы можете стать первым покупателем, поделившимся своим мнением.