Поиск подшипника
Статьи
6034C3 — Подшипник однорядный шариковый радиальный, модификация основного исполнения 6034, выпускается производителями: FAG, NEUTRAL, NSK, NTN, ROLLWAY.
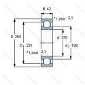
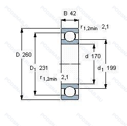
Размер подшипника: 170x260x42 мм.
Внутренний зазор больше нормального.
Аналоги: 6034-C3 FAG.
Международная стандартизации ISO
6034C3
В наличии
| Обозначение | Конструктивные изменения |
|---|---|
| 6034 2RS | Резиновые уплотнения с каждой стороны подшипника. |
| 6034M/W64 | Антифрикционный заполнитель. твердая смазка. Подшипник с латунным сепаратором. центрированный по телам качения. |
| 6034 ZZ | Защитные металлические шайбы (бесконтактные уплотнения) с обеих сторон подшипника. |
| 6034M C3 | Внутренний зазор больше нормального. Подшипник с латунным сепаратором. центрированный по телам качения. |
| 6034M | Массивный латунный сепаратор. |
| 6034MA | Механически обработанный латунный сепаратор. Центрирование по внешнему кольцу. |
| 6034MA C3 | Внутренний зазор больше нормального. Механически обработанный латунный сепаратор. Центрирование по внешнему кольцу. |
| 6034MA.P64 | Механически обработанный латунный сепаратор. Центрирование по внешнему кольцу. Комбинация P6 (Точность размеров и хода по классу допуска ISO 6 (лучше. чем нормальный)) и C4 (Внутренний зазор подшипника больше. чем C3). |
| 6034-MA-P6-C4 | Внутренний зазор подшипника больше. чем C3. Механически обработанный латунный сепаратор. Центрирование по внешнему кольцу. Размерные и геометрические допуски соответствуют классу точности P6. |
| 6034E | Повышенная грузоподъемность. |
| 6034-2RS1 | Усиленные листовой сталью контактные уплотнения из акрилонитрил-бутадиенового каучука (NBR) с обеих сторон подшипника. |
| 6034-2RSR | Резиновые уплотнения с каждой стороны подшипника. |
| 6034MC3E | (Миниатюрные радиальные шарикоподшипники серии Metric. M = без латунного сепаратора) = Нормальный радиальный внутренний зазор. |
| 6034ZZ C3 | Внутренний зазор больше нормального. Защитные стальные шайбы с обеих сторон. |
| 6034M1 | Механически обработанный латунный сепаратор. Направляющий роликовый элемент. |
| 6034N | Канавка под стопорное кольцо на внешнем кольце. |
| 6034M J30 | Механически обработанный латунный сепаратор .Расположенный на элементах качения. Внутренний зазор больше нормального. |
| 6034P63 | Комбинация P6 (Точность размеров и пробега в соответствии с классом допуска ISO 6 (лучше нормы)) и C3 (Внутренний зазор больше нормы). |
| 6034MA P63 | Combination Of P6 (Dimensional And Running Accuracy To ISO Tolerance Class 6 (Better Than Normal)) And C3 (Internal Clearance Larger Than Normal.). Механически обработанный латунный сепаратор. Центрирование по внешнему кольцу. |
| 6034-M-J20C-C3 | Внутренний зазор больше нормального. Твердый латунный сепаратор. Шариковые направляющие. Внутреннее кольцо. изолированное тонким керамическим покрытием. |
| 6034MA.C4 | Внутренний зазор подшипника больше. чем C3. Механически обработанный латунный сепаратор. Центрирование по внешнему кольцу. |
| 6034-RS | Резиновое уплотнение с одной стороны. |
| 6034Z | Стальная шайба. |
| 6034-2RU | Non Contact Type Friction Torque = Small High Speed Performance = Good Grease Sealing = Better Than ZZ-Type Dirt Resistance = Better Than ZZ-Type Water Resistance = Better Than ZZ / Inferior To 2RS Operating Temp. -30°C To + 100°C. |
| 6034ZX | Съемная защитная шайба с одной стороны. |
Модификации шарикового подшипника 6034C3 — это измененное основное конструктивное исполнение 6034, основные размеры (170x260x42) не отличаются.
| Обозначение | Гост | Конструктивные особенности |
|---|---|---|
| 578822 | ISO | Подшипник однорядный шариковый радиальный. |
| 134 | ISO | Подшипник однорядный шариковый радиальный. |
Аналог шарикового подшипника 6034C3 — это подшипник такого же размера dx170,Dx260,Bx42, типа и конструкции.
| Обозначение | Конструктивные особенности | Внутренний (d) | Наружный (D) | Ширина (B) |
|---|---|---|---|---|
| 3NCHAR034C | Шариковый радиальный однорядный подшипник. Угол контакта 20 градусов. | 170.00 | 260.00 | 42.00 |
| 3NCHAR034CA | Шариковый радиальный однорядный подшипник. Угол контакта 20 градусов. Латунный сепаратор с симметричными роликами. | 170.00 | 260.00 | 42.00 |
| 134-А | Шариковый радиальный однорядный подшипник. Повышенная грузоподъемность. | 170.00 | 260.00 | 42.00 |
| 134-Л | Шариковый радиальный однорядный подшипник. Сепаратор из латуни.. | 170.00 | 260.00 | 42.00 |
| 2В0-134 Л | Шариковый радиальный однорядный подшипник. Сепаратор из латуни.. | 170.00 | 260.00 | 42.00 |
| 46134-АЛ | Шариковый радиально-упорный однорядный подшипник. Сепаратор из латуни.. Повышенная грузоподъемность. | 170.00 | 260.00 | 42.00 |
| 46134-Л | Шариковый радиально-упорный однорядный подшипник. Сепаратор из латуни.. | 170.00 | 260.00 | 42.00 |
| 46134К | Шариковый радиально-упорный однорядный подшипник. «Замок» (скос) на внутреннем кольце плюс массивный сепаратор из текстолита. | 170.00 | 260.00 | 42.00 |
| 5-176134 Д1Т1 | Шариковый радиально-упорный однорядный подшипник. 180°. Сепаратор из алюминиевого сплава.. Температура отпуска. | 170.00 | 260.00 | 42.00 |
| 5-46134 Л | Шариковый радиально-упорный однорядный подшипник. Сепаратор из латуни.. | 170.00 | 260.00 | 42.00 |
| 6-134 АЛ | Шариковый радиальный однорядный подшипник. Сепаратор из латуни.. Повышенная грузоподъемность. | 170.00 | 260.00 | 42.00 |
| 6-134 Л | Шариковый радиальный однорядный подшипник. Сепаратор из латуни.. | 170.00 | 260.00 | 42.00 |
| 6-176134 Д | Шариковый радиально-упорный однорядный подшипник. Сепаратор из алюминиевого сплава.. | 170.00 | 260.00 | 42.00 |
| 6-176134 Д1Т1 | Шариковый радиально-упорный однорядный подшипник. 180°. Сепаратор из алюминиевого сплава.. Температура отпуска. | 170.00 | 260.00 | 42.00 |
| 6-176134 Л | Шариковый радиально-упорный однорядный подшипник. Сепаратор из латуни.. | 170.00 | 260.00 | 42.00 |
Способы доставки
Отправка через ведущие транспортные и курьерские компании: ПЭК, Деловые Линии, СДЭК, Байкал-Сервис, Энергия, КИТ, ЖелДорЭкспедиция.
Самовывоз возможен напрямую со склада в Москве.
Сроки доставки
Срок зависит от региона и выбранной транспортной компании. Все заказы комплектуются и отправляются в кратчайшие сроки со склада в Москве.
Надёжность и сохранность
Вся продукция упаковывается с учётом требований транспортировки. Мы гарантируем, что подшипники и комплектующие прибудут к заказчику в полной сохранности.
Доставка в страны ЕАЭС
Мы работаем с проверенными логистическими партнёрами, что позволяет оперативно доставлять заказы в Беларусь, Казахстан, Армению и другие страны ЕАЭС.
Варианты оплаты:
Минимальная сумма заказа и скидки:
Документы и гарантии:
Да, конечно! Наши технические специалисты готовы помочь вам с подбором точного аналога или замены подшипника. Просто позвоните нам по телефону +7 (495) 104-99-04 или напишите на почту zakaz@podsnab.ru.
Для оперативной консультации подготовьте, пожалуйста, имеющиеся данные: маркировку, размеры, тип оборудования или артикул старого подшипника.
Да, конечно! Мы высоко ценим долгосрочное сотрудничество и доверие клиентов по всей России. Для постоянных клиентов действует персональная система скидок.
Условия формируются индивидуально и зависят от:
Чтобы узнать свои условия и получить максимально выгодное предложение, свяжитесь с персональным менеджером или напишите нам на почту zakaz@podsnab.ru.
Вы можете оформить заказ несколькими способами:
Для оформления заказа от юридического лица свяжитесь с нашим отделом по работе с корпоративными клиентами по телефону +7 (495) 104-99-04 или напишите на email zakaz@podsnab.ru, прикрепив реквизиты вашей организации.
Мы оперативно подготовим коммерческое предложение и выставим счет.
Возврат товара надлежащего качества возможен в течение 10 дней с момента получения, если товар не был в употреблении, сохранен товарный вид, упаковка не вскрывалась и присутствуют все сопроводительные документы.
Возврат денежных средств осуществляется в течение 10 рабочих дней после проверки товара складом.
В соответствии с законодательством возврату не подлежат подшипники надлежащего качества, если отсутствует оригинальная упаковка или имеются следы монтажа.
В случае выявления брака или гарантийного случая мы гарантируем возврат или обмен товара.
Да, гарантийный срок хранения устанавливается заводом-изготовителем и в среднем составляет 2 года при соблюдении условий хранения: сухое помещение, оригинальная упаковка и смазка.
Точный срок для конкретного типа подшипника уточняйте у наших менеджеров.
Пн–Пт: с 8:00 до 17:00 (МСК).
Сб–Вс: выходные дни.
Заказы на сайте принимаются круглосуточно. Заявки, поступившие после окончания рабочего дня, обрабатываются на следующий рабочий день.
Минимальная сумма заказа для доставки составляет 3000 рублей. Самовывоз со склада возможен на любую сумму при наличии товара.
ООО «УралТехГрупп»
ИНН: 7415093830
КПП: 772401001
ОГРН: 1167456069021
Банк: ПАО Сбербанк
Р/с: 40702810838000475273
К/с: 30101810400000000225
БИК: 044525225
У подшипника 6034C3 пока нет отзывов. Вы можете стать первым покупателем, поделившимся своим мнением.