Поиск подшипника
Статьи
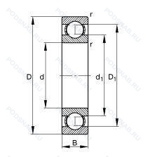
61801C3 — Подшипник однорядный шариковый радиальный, модификация основного исполнения 61801, выпускается производителями: NEUTRAL, NKE, SKF.
Размер подшипника: 12x21x5 мм.
Внутренний зазор больше нормального.
Аналоги: EC-6801C3 NTN,61801C3 NKE.
Международная стандартизации ISO
61801C3
В наличии
| Обозначение | Конструктивные изменения |
|---|---|
| 61801-2Z | Защитные металлические шайбы с обеих сторон подшипника. |
| 61801FH ZZ | Защитные металлические шайбы с обеих сторон. Steel Retainer. Carburizing And Quenching. |
| 61801-2Z-L019-HLC | Защитные металлические шайбы с обеих сторон. Код местонахождения завода. может использоваться в стандартной комплектации. |
| 61801ZT9HC3 | Внутренний зазор больше нормального. щит из листовой прессованной стали с одной стороны подшипника. Защелкивающийся сепаратор. Усиленный стекловолокном полиамид. Шариковые тела качения. |
| 61801T | Литой защелкивающийся сепаратор из полиамида. армированного стекловолокном. |
| 61801TNH | Подшипник с защелкиваемым сепаратором из пластмассы. |
| 61801EE G15 | Литой сепаратор из полиамида 6.6. армированного стекловолокном. Элемент качения по центру. Резиновые уплотнения с каждой стороны подшипника. |
| 61801ZZ C3 | Внутренний зазор больше нормального. Защитные металлические шайбы с обеих сторон. |
| 61801-H-2RSR | Стандартное качество. Резиновые уплотнения с каждой стороны подшипника. |
| 61801.2RSZ | Бесконтактное уплотнение с обеих сторон подшипника. |
| 61801-2RSR-HLU | Резиновые уплотнения с каждой стороны подшипника. Код местонахождения завода. может использоваться в стандартной комплектации. |
| 61801H ZZ | Защитные металлические шайбы с обеих сторон. Нержавеющая сталь. |
| 61801ZZ G15 | Защитные металлические шайбы с обеих сторон. Литой сепаратор из полиамида 6.6. армированного стекловолокном. Центрированный элемент качения.. |
| 61801E G15 | Шарикоподшипник. Стандартное одиночное уплотнение. Литой сепаратор из полиамида 6.6. армированного стекловолокном. Элемент качения по центру. |
| 61801-2Z-C3 | Внутренний зазор больше нормального. Защитные стальные шайбы с обеих сторон. |
| 61801ZZ K71 | Защитные металлические шайбы с двух сторон подшипника. Molybdenum Disulfide Coating. |
| 61801T9H | Glass-Fibre Reinforced (25%) Thermoplastic Polyamide PA 6.6. 1-Piece. Operating Temperature 120°C. |
| 61801-2Z-L417/50-HLN | Защитные металлические шайбы с обеих сторон подшипника. Fill Factor %. Код местонахождения завода. может использоваться в стандартной комплектации. Grease/ Kyodo Yushi/E5 (-30 to +180°C). |
| 61801VA | Нержавеющая сталь. |
| 61801-2RSR-T9H | Резиновые уплотнения с каждой стороны подшипника. Защелкивающийся сепаратор. Усиленный стекловолокном полиамид. Шариковые тела качения. |
| 61801 2BRS | Бесконтактные лабиринтные уплотнения с обеих сторон. |
| 61801 2URS | Специальное манжетное уплотнение с обеих сторон подшипника. |
| 61801 BRS | Бесконтактные лабиринтные уплотнения с одной стороны. |
| 61801 RS | Резиновое уплотнение с одной стороны. |
| 61801 Z | щит из листовой прессованной стали с одной стороны подшипника. |
Модификации шарикового подшипника 61801C3 — это измененное основное конструктивное исполнение 61801, основные размеры (12x21x5) не отличаются.
| Обозначение | Гост | Конструктивные особенности |
|---|---|---|
| EC-6801C3 | ISO | Внутренний зазор больше нормального. |
| 6801ZZ Y | ISO | Защитные металлические шайбы с обеих сторон. Штампованный латунный фиксатор. Направляемые элементы качения. |
| 6801DD CM NS7S | ISO | Стандартное заполнение. Резиновые уплотнения с каждой стороны подшипника. Шариковый подшипник. Специальный радиальный внутренний зазор для электродвигателей. Смазка NS Hi Lube. Диапазон рабочей смазки -40 +110 °С. |
| 6801DD AS2S | ISO | Стандартное заполнение. Резиновые уплотнения с каждой стороны подшипника. 1/4 Full. Смазка Aeroshell 7. |
| 6801LLU/2A | ISO | Резиновые уплотнения с каждой стороны подшипника. Lubricant. Shell Oil Co.. Alvania #2 Grease. Mil-G-18709A. |
| 6801ZZ C3 | ISO | Внутренний зазор больше нормального. Защитные стальные шайбы с обеих сторон. |
| 6801ZZ1 CM | ISO | Шариковый подшипник. Специальный радиальный внутренний зазор для электродвигателей. Защитные из нержавеющей стали шайбы с двух сторон подшипника. |
| 62801 2RS | ISO | Резиновые уплотнения с каждой стороны подшипника. |
| 6801C3 | ISO | Внутренний зазор больше нормального. |
| 6801RS | ISO | Резиновое уплотнение с одной стороны. |
| L2112KK | ISO | NMB Suffix. Equivalent To 2Z. |
| 6801DDU C3 | ISO | Внутренний зазор больше нормального. Резиновые уплотнения с каждой стороны подшипника. |
| 6801DD C3 | ISO | Внутренний зазор больше нормального. Контактное уплотнение с двух сторон. |
| 6801DD | ISO | Резиновые уплотнения с каждой стороны подшипника. |
| 6801ZZE | ISO | Радиальный шарикоподшипник серии Excel. Защитные металлические шайбы с обеих сторон. |
| 6801 2RS C3 | ISO | Внутренний зазор больше нормального. Резиновые уплотнения с каждой стороны подшипника. |
| 6801ZZ1 | ISO | Защитные из нержавеющей стали шайбы с двух сторон подшипника. |
| 6801DDCM | ISO | Резиновые уплотнения с каждой стороны подшипника. Шариковый подшипник. Специальный радиальный внутренний зазор для электродвигателей. |
| 62801ZZC99 | ISO | Защитные металлические шайбы с обеих сторон. |
| 6801DDU | ISO | Резиновые уплотнения с каждой стороны подшипника. |
| 6801-2ZF GPR E G520 | ISO | Сепаратор изготовлен из листовой стали. Испытание на шум. Steel Shield And Felt Seal. |
Аналог шарикового подшипника 61801C3 — это подшипник такого же размера dx12,Dx21,Bx5, типа и конструкции.
| Обозначение | Конструктивные особенности | Внутренний (d) | Наружный (D) | Ширина (B) |
|---|---|---|---|---|
| 62801-2Z | Шариковый радиальный однорядный подшипник. Защитные металлические шайбы с обеих сторон подшипника. | 12.00 | 21.00 | 6.00 |
| F61801-2Z | Шариковый радиальный однорядный подшипник. Защитные металлические шайбы с обеих сторон подшипника. | 12.00 | 21.00 | 5.00 |
| 1000801-ZZ | Шариковый радиальный однорядный подшипник. Защитные металлические шайбы с обеих сторон. | 12.00 | 21.00 | 5.00 |
| 1000801-Л | Шариковый радиальный однорядный подшипник. Сепаратор из латуни.. | 12.00 | 21.00 | 5.00 |
| 1000801-Ю | Шариковый радиальный однорядный подшипник. Все детали или часть деталей из нержавеющей стали.. | 12.00 | 21.00 | 5.00 |
| 1000801.2RS | Шариковый радиальный однорядный подшипник. Резиновые уплотнения с каждой стороны подшипника. | 12.00 | 21.00 | 5.00 |
| 4-1000801 Ю2 | Шариковый радиальный однорядный подшипник. Все детали или часть деталей из нержавеющей стали.. | 12.00 | 21.00 | 5.00 |
| 4-640073 Р | Шариковый радиальный однорядный подшипник. Детали из теплоустойчивой (быстрорежущие) стали.. | 11.00 | 20.00 | 5.00 |
| 5-1000801 Л | Шариковый радиальный однорядный подшипник. Сепаратор из латуни.. | 12.00 | 21.00 | 5.00 |
| 5-1000801 Ю | Шариковый радиальный однорядный подшипник. Все детали или часть деталей из нержавеющей стали.. | 12.00 | 21.00 | 5.00 |
| 5-1000801 ЮТ | Шариковый радиальный однорядный подшипник. Температура отпуска. 160°. Все детали или часть деталей из нержавеющей стали.. | 12.00 | 21.00 | 5.00 |
| 6-1000801 Л | Шариковый радиальный однорядный подшипник. Сепаратор из латуни.. | 12.00 | 21.00 | 5.00 |
| 6-1000801 Ю1 | Шариковый радиальный однорядный подшипник. Все детали или часть деталей из нержавеющей стали.. | 12.00 | 21.00 | 5.00 |
| 6-1000801 Ю1Т | Шариковый радиальный однорядный подшипник. Температура отпуска. 160°. Все детали или часть деталей из нержавеющей стали.. | 12.00 | 21.00 | 5.00 |
| 6-1210801 Л | Шариковый радиальный подшипник. Сепаратор из латуни.. | 12.00 | 21.00 | 5.00 |
Способы доставки
Отправка через ведущие транспортные и курьерские компании: ПЭК, Деловые Линии, СДЭК, Байкал-Сервис, Энергия, КИТ, ЖелДорЭкспедиция.
Самовывоз возможен напрямую со склада в Москве.
Сроки доставки
Срок зависит от региона и выбранной транспортной компании. Все заказы комплектуются и отправляются в кратчайшие сроки со склада в Москве.
Надёжность и сохранность
Вся продукция упаковывается с учётом требований транспортировки. Мы гарантируем, что подшипники и комплектующие прибудут к заказчику в полной сохранности.
Доставка в страны ЕАЭС
Мы работаем с проверенными логистическими партнёрами, что позволяет оперативно доставлять заказы в Беларусь, Казахстан, Армению и другие страны ЕАЭС.
Варианты оплаты:
Минимальная сумма заказа и скидки:
Документы и гарантии:
Да, конечно! Наши технические специалисты готовы помочь вам с подбором точного аналога или замены подшипника. Просто позвоните нам по телефону +7 (495) 104-99-04 или напишите на почту zakaz@podsnab.ru.
Для оперативной консультации подготовьте, пожалуйста, имеющиеся данные: маркировку, размеры, тип оборудования или артикул старого подшипника.
Да, конечно! Мы высоко ценим долгосрочное сотрудничество и доверие клиентов по всей России. Для постоянных клиентов действует персональная система скидок.
Условия формируются индивидуально и зависят от:
Чтобы узнать свои условия и получить максимально выгодное предложение, свяжитесь с персональным менеджером или напишите нам на почту zakaz@podsnab.ru.
Вы можете оформить заказ несколькими способами:
Для оформления заказа от юридического лица свяжитесь с нашим отделом по работе с корпоративными клиентами по телефону +7 (495) 104-99-04 или напишите на email zakaz@podsnab.ru, прикрепив реквизиты вашей организации.
Мы оперативно подготовим коммерческое предложение и выставим счет.
Возврат товара надлежащего качества возможен в течение 10 дней с момента получения, если товар не был в употреблении, сохранен товарный вид, упаковка не вскрывалась и присутствуют все сопроводительные документы.
Возврат денежных средств осуществляется в течение 10 рабочих дней после проверки товара складом.
В соответствии с законодательством возврату не подлежат подшипники надлежащего качества, если отсутствует оригинальная упаковка или имеются следы монтажа.
В случае выявления брака или гарантийного случая мы гарантируем возврат или обмен товара.
Да, гарантийный срок хранения устанавливается заводом-изготовителем и в среднем составляет 2 года при соблюдении условий хранения: сухое помещение, оригинальная упаковка и смазка.
Точный срок для конкретного типа подшипника уточняйте у наших менеджеров.
Пн–Пт: с 8:00 до 17:00 (МСК).
Сб–Вс: выходные дни.
Заказы на сайте принимаются круглосуточно. Заявки, поступившие после окончания рабочего дня, обрабатываются на следующий рабочий день.
Минимальная сумма заказа для доставки составляет 3000 рублей. Самовывоз со склада возможен на любую сумму при наличии товара.
ООО «УралТехГрупп»
ИНН: 7415093830
КПП: 772401001
ОГРН: 1167456069021
Банк: ПАО Сбербанк
Р/с: 40702810838000475273
К/с: 30101810400000000225
БИК: 044525225
У подшипника 61801C3 пока нет отзывов. Вы можете стать первым покупателем, поделившимся своим мнением.