Поиск подшипника
Статьи
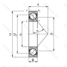
7206-B-JP — Подшипник шариковый однорядный радиально-упорный, модификация основного исполнения 7206, производство FAG.
Размер подшипника: 30x62x16 мм.
Прессованный стальной сепаратор. направленный элемент качения, 40° угол контакта.
Альтернативное обозначение: 7206-B-XL-JP.
Аналоги: 7206-B-XL-JP FAG,7206B Steyr,7206B URB,7206B Bishop-Wisecarver.
Международная стандартизации ISO
7206BJP
В наличии
| Обозначение | Конструктивные изменения |
|---|---|
| 7206CDB | Однорядный радиально-упорный шарикоподшипник улучшенной конструкции с углом контакта 15°. |
| 7206BDF | Угол контакта 40°. Механически обработанный сепаратор из стали или специального чугуна. |
| 7206CDF | Механически обработанный сепаратор из стали или специального чугуна. Однорядный радиально-упорный шарикоподшипник улучшенной конструкции с углом контакта 15°. |
| 7206BDT | Угол контакта 40°. Механически обработанный сепаратор из текстолита. |
| 7206CDT | Механически обработанный сепаратор из текстолита. Однорядный радиально-упорный шарикоподшипник улучшенной конструкции с углом контакта 15°. |
| 7206DF | Комплект из двух подшипников. согласованных для установки по Х-образной схеме. Число. следующее непосредственно после букв DF. обозначает конструкцию промежуточного кольца. |
| 7206DT | Дуплексные подшипники для установки в тандеме. |
| 7206 ADB | Modified Snap Ring Grooves In The Outer Ring_ Two-Piece Inner Ring Held Together By A Retaining Ring. |
| 7206 ADT | Механически обработанный сепаратор из текстолита. |
| 7206 ADF | Механически обработанный сепаратор из стали или специального чугуна. |
| 5S-7206UCG/GNP42 | Угол контакта 15°. Универсальный подшипник. Класс точности JIS4 для размеров и JIS 2 для точности вращения. Гибридный подшипник. |
| 7206CG/GLP4 | Универсальный подшипник. Класс точности JIS4 / ISO 4. Резьбовой винт со стопором и защелкой. |
| 7206UCG/GNP42 | Угол контакта 15°. Универсальный подшипник. Класс точности JIS4 для размеров и JIS 2 для точности вращения. |
| 7206CGD2/GLP4 | Угол контакта 15°. Универсальный подшипник. Класс точности JIS4 / ISO 4. |
| 7206CP5 | Класс точности. |
| 7206T2G/GMP42 | Универсальный подшипник. Пластиковый. Класс точности JIS4 для размеров и JIS 2 для точности вращения. |
| 7206CG/GNP4 | Универсальный подшипник. Класс точности JIS4 / ISO 4. Резьбовой винт со стопором и защелкой. |
| 7206HG1UJ74 | Угол контакта 25°. Преднатяг (Лёгкий. Универсальные подшпники. |
| 7206AC | Суффикс для радиально-упорного шарикоподшипника. |
| 7206 A | Двухрядный радиально-упорный шарикоподшипник без отверстия для смазки. |
| 7206CPA | Угол контакта 15 градусов. |
| 7206-BECB-TVP | Molded Snap-Type Cage Of Glass Fibre Reinforced Polyamide. Rolling Element Riding. |
| 7206-BE-MP | Single Row Angular Contact Ball Bearing With A 40° Угол контакта And Optimized Internal Design. Массивный латунный сепаратор. центрированный по телам качения. |
| 7206BEA | 40° Угол контакта. High Capacity. All Four Corners Equal. |
| 3NC 7206 FT | REINFORCED PHENOLIC CAGE. |
Модификации шарикового подшипника 7206-B-JP — это измененное основное конструктивное исполнение 7206, основные размеры (30x62x16) не отличаются.
| Обозначение | Гост | Конструктивные особенности |
|---|---|---|
| E230 7 CE3 UL | ISO | Фенольная смола. Подшипник для универсального монтажа. Два подшипника. установленные по О-образной или Х-образной схеме. имеют лёгкий преднатяг. Расположение внешнего сепаратора. P4 (SKF)=Abec.7. ACD (SKF)=25° Угол контакта. |
| E230 7CE1 UM | ISO | Фенольная смола. Расположение внешнего сепаратора. P4 (SKF)=Abec.7. CD (SKF)=15° Угол контакта. Одиночный. Универсальная установка. Для умеренного преднатяга. |
| 206R | ISO | Расточенное наружное кольцо. Подшипник однорядный радиального типа. Угол контакта 15°. |
| B7206-C-T-P4S-UM | ISO | 15° Угол контакта. Textile Laminated Phenolic Resin. Outer Ring Guided. The Cage Is Suitable For Long-Term Operation At Temperatures Up To 100°C. Класс точности. стандарт FAG лучше чем P4. Однорядный. Универсальный. Средний преднатяг. |
| BNT206/GNP4 | ISO | Класс точности Р4 по ISO (точнее. чем P5) - Abec.7. Нормальный преднатяг. |
| B7206C.TPA.P4.UL | ISO | 15° Угол контакта. Универсальный монтаж и легкий преднатяг. Сепаратор из текстильной ламинированной фенольной смолы. Точность размеров и хода соответствует классу допуска ISO 4 (точнее. чем P5) — Abec-7. |
| B7206-C-2RSD-T-P4S-UL | ISO | 15° Угол контакта. Универсальный монтаж и легкий преднатяг. Textile Laminated Phenolic Resin. Outer Ring Guided. The Cage Is Suitable For Long-Term Operation At Temperatures Up To 100°C. Класс точности. стандарт FAG лучше чем P4. Lip Seals On Both Sides. Non-Contact. |
| 6206TB EP7 | ISO | Сепаратор оконного типа из армированной тканью фенольной смолы. Внутреннее кольцо центрировано. Сверхточный класс 7. |
| 2MM206WI SUL | ISO | Одиночный подшипник. Универсальный. Легкий преднатяг. 15° Low Угол контакта. Superprecision Abec-7 (Iso P4).. Низкий борт на наружном кольце, стандартный сепаратор - формованный армированный нейлоновый. |
| 2MM206WICRSUL | ISO | Одиночный подшипник. Универсальный. Легкий преднатяг. 15° Low Угол контакта. Superprecision Abec-7 (Iso P4).. (TB-Segment) Phenolic (Composition) Fafnir Standard. Low Shoulder On Outer RIng (Standard Cage!!! (Molded Reinforced Nylon Cage)). |
| 2MMV206WICRSUL | ISO | Одиночный подшипник. Универсальный. Легкий преднатяг. 15° Low Угол контакта. Superprecision Abec-7 (Iso P4).. 15° Low Угол контакта. High Grade (HG) Between Abec-7 (ISO P4) And Abec-9 (ISO P2).. (TB-Segment) Phenolic (Composition) Fafnir Standard. Low Shoulder On Outer RIng (Standard Cage!!! (Molded Reinforced Nylon Cage)). |
| B7206-E-T-P4S-K5-UM | ISO | 25° Угол контакта. Textile Laminated Phenolic Resin. Outer Ring Guided. The Cage Is Suitable For Long-Term Operation At Temperatures Up To 100°C. Однорядный. Универсальный. Средний преднатяг. Комбинация P4S (граничные размеры ISO 4. ABEC-7. Точность вращения ISO 2. ABEC-9) и K5 (то же. что и P4S. но со средней сортировкой отверстия и наружного диаметра). |
| B7206E.T.P4S.UM | ISO | 25° Угол контакта. Textile Laminated Phenolic Resin. Outer Ring Guided. The Cage Is Suitable For Long-Term Operation At Temperatures Up To 100°C. Класс точности. стандарт FAG лучше чем P4. Однорядный. Универсальный. Средний преднатяг. |
| B7206-C-T-P4S-UH | ISO | 15° Угол контакта. Textile Laminated Phenolic Resin. Outer Ring Guided. The Cage Is Suitable For Long-Term Operation At Temperatures Up To 100°C. Класс точности. стандарт FAG лучше чем P4. Универсальный одиночный подшипник. Высокий преднатяг. |
| B7206C.TPA.HG.UM | ISO | 15° Угол контакта. Сепаратор из текстильной ламинированной фенольной смолы. Класс допуска (FAG) для подшипников шпинделя (аналог P2). Однорядный. Универсальный. Средний преднатяг. |
| B7206C.TPA.P4.K5.UL | ISO | 15° Угол контакта. Универсальный монтаж и легкий преднатяг. Сепаратор из текстильной ламинированной фенольной смолы. Точность размеров и хода соответствует классу допуска ISO 4 (точнее. чем P5) — Abec-7. Ближе к стандартным допускам. |
| B7206E.TPA.HG.UL | ISO | Универсальный монтаж и легкий преднатяг. Сепаратор из текстильной ламинированной фенольной смолы. Класс допуска (FAG) для подшипников шпинделя (аналог P2). 25° Угол контакта. |
| E230 7 PE1 UM | ISO | Внешнее расположение сепаратора. Формованный под давлением сепаратор из полиамида 6.6. P4 (SKF)=Abec.7. CD (SKF)=15° Угол контакта. GB (SKF)=Single. Universally Matchable. For Medium Preload. |
| B7206-E-T-P4S-DBL | ISO | 25° Угол контакта. Textile Laminated Phenolic Resin. Outer Ring Guided. The Cage Is Suitable For Long-Term Operation At Temperatures Up To 100°C. Класс точности. стандарт FAG лучше чем P4. Комплект из двух подшипников. согласованных для установки по О-образной схеме. Легкий преднатяг. |
| B7206C.T.HG.UL | ISO | 15° Угол контакта. Универсальный монтаж и легкий преднатяг. Высокая точность. Textile Laminated Phenolic Resin. Outer Ring Guided. The Cage Is Suitable For Long-Term Operation At Temperatures Up To 100°C. |
Аналог шарикового подшипника 7206-B-JP — это подшипник такого же размера dx30,Dx62,Bx16, типа и конструкции.
| Обозначение | Конструктивные особенности | Внутренний (d) | Наружный (D) | Ширина (B) |
|---|---|---|---|---|
| 530206-С5 | Шариковый радиальный подшипник. Смазка ЦИАТИМ-202. | 30.00 | 62.00 | 16.00 |
| 55-2206 БМТ2 | Роликовый радиальный однорядный подшипник. 200°. Модифицированный контакт.. Температура отпуска. Сепаратор из безоловянистой бронзы.. | 30.00 | 62.00 | 16.00 |
| 55-32206 Р10 | Роликовый радиальный однорядный подшипник. Детали из теплоустойчивой (быстрорежущие) стали.. | 30.00 | 62.00 | 16.00 |
| 55-32206 Р7 | Роликовый радиальный однорядный подшипник. Детали из теплоустойчивой (быстрорежущие) стали.. | 30.00 | 62.00 | 16.00 |
| 56-2206 БМТ2 | Роликовый радиальный однорядный подшипник. 200°. Модифицированный контакт.. Температура отпуска. Сепаратор из безоловянистой бронзы.. | 30.00 | 62.00 | 16.00 |
| 6-150206-АКШ1 | Шариковый радиальный однорядный подшипник. Нормы шумности. Повышенная грузоподъемность. | 30.00 | 62.00 | 16.00 |
| 6-150206-КШ1 | Шариковый радиальный однорядный подшипник. Нормы шумности. | 30.00 | 62.00 | 16.00 |
| 6-160206-А | Шариковый радиальный однорядный подшипник. Повышенная грузоподъемность. | 30.00 | 62.00 | 16.00 |
| 6-180206-АКС9 | Шариковый радиальный однорядный подшипник. Повышенная грузоподъемность. Смазка ЛЗ-31. | 30.00 | 62.00 | 16.00 |
| 6-180206 АС23 | Шариковый радиальный однорядный подшипник. Повышенная грузоподъемность. Смазка ШРУС-4. | 30.00 | 62.00 | 16.00 |
| 6-180206-АС9 | Шариковый радиальный однорядный подшипник. Повышенная грузоподъемность. Смазка ЛЗ-31. | 30.00 | 62.00 | 16.00 |
| 6-180206 К3С9 | Шариковый радиальный однорядный подшипник. Смазка ЛЗ-31. | 30.00 | 62.00 | 16.00 |
| 6-180206-С17 | Шариковый радиальный однорядный подшипник. Смазка Литол-24. | 30.00 | 62.00 | 16.00 |
| 6-180206-С9 | Шариковый радиальный однорядный подшипник. Смазка ЛЗ-31. | 30.00 | 62.00 | 16.00 |
| 6-180206-С9Ш2 | Шариковый радиальный однорядный подшипник. Нормы шумности. Смазка ЛЗ-31. | 30.00 | 62.00 | 16.00 |
Способы доставки
Отправка через ведущие транспортные и курьерские компании: ПЭК, Деловые Линии, СДЭК, Байкал-Сервис, Энергия, КИТ, ЖелДорЭкспедиция.
Самовывоз возможен напрямую со склада в Москве.
Сроки доставки
Срок зависит от региона и выбранной транспортной компании. Все заказы комплектуются и отправляются в кратчайшие сроки со склада в Москве.
Надёжность и сохранность
Вся продукция упаковывается с учётом требований транспортировки. Мы гарантируем, что подшипники и комплектующие прибудут к заказчику в полной сохранности.
Доставка в страны ЕАЭС
Мы работаем с проверенными логистическими партнёрами, что позволяет оперативно доставлять заказы в Беларусь, Казахстан, Армению и другие страны ЕАЭС.
Варианты оплаты:
Минимальная сумма заказа и скидки:
Документы и гарантии:
Да, конечно! Наши технические специалисты готовы помочь вам с подбором точного аналога или замены подшипника. Просто позвоните нам по телефону +7 (495) 104-99-04 или напишите на почту zakaz@podsnab.ru.
Для оперативной консультации подготовьте, пожалуйста, имеющиеся данные: маркировку, размеры, тип оборудования или артикул старого подшипника.
Да, конечно! Мы высоко ценим долгосрочное сотрудничество и доверие клиентов по всей России. Для постоянных клиентов действует персональная система скидок.
Условия формируются индивидуально и зависят от:
Чтобы узнать свои условия и получить максимально выгодное предложение, свяжитесь с персональным менеджером или напишите нам на почту zakaz@podsnab.ru.
Вы можете оформить заказ несколькими способами:
Для оформления заказа от юридического лица свяжитесь с нашим отделом по работе с корпоративными клиентами по телефону +7 (495) 104-99-04 или напишите на email zakaz@podsnab.ru, прикрепив реквизиты вашей организации.
Мы оперативно подготовим коммерческое предложение и выставим счет.
Возврат товара надлежащего качества возможен в течение 10 дней с момента получения, если товар не был в употреблении, сохранен товарный вид, упаковка не вскрывалась и присутствуют все сопроводительные документы.
Возврат денежных средств осуществляется в течение 10 рабочих дней после проверки товара складом.
В соответствии с законодательством возврату не подлежат подшипники надлежащего качества, если отсутствует оригинальная упаковка или имеются следы монтажа.
В случае выявления брака или гарантийного случая мы гарантируем возврат или обмен товара.
Да, гарантийный срок хранения устанавливается заводом-изготовителем и в среднем составляет 2 года при соблюдении условий хранения: сухое помещение, оригинальная упаковка и смазка.
Точный срок для конкретного типа подшипника уточняйте у наших менеджеров.
Пн–Пт: с 8:00 до 17:00 (МСК).
Сб–Вс: выходные дни.
Заказы на сайте принимаются круглосуточно. Заявки, поступившие после окончания рабочего дня, обрабатываются на следующий рабочий день.
Минимальная сумма заказа для доставки составляет 3000 рублей. Самовывоз со склада возможен на любую сумму при наличии товара.
ООО «УралТехГрупп»
ИНН: 7415093830
КПП: 772401001
ОГРН: 1167456069021
Банк: ПАО Сбербанк
Р/с: 40702810838000475273
К/с: 30101810400000000225
БИК: 044525225
У подшипника 7206-B-JP пока нет отзывов. Вы можете стать первым покупателем, поделившимся своим мнением.