Поиск подшипника
Статьи
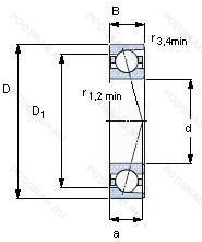
7205CD/P4A — Подшипник шариковый однорядный радиально-упорный, модификация основного исполнения 7205, производство SKF.
Размер подшипника: 25x52x15 мм.
Точность размеров в соответствии с классом допуска iso 4. точность вращения лучше чем класс допуска iso 4, 15° угол контакта.
Альтернативное обозначение: S6205C TA P4 UL.
Международная стандартизации ISO
7205CDP4A
В наличии
| Обозначение | Конструктивные изменения |
|---|---|
| 7205DT | Дуплексные подшипники для установки в тандеме. |
| 7205DB | Two Single Row Deep Groove Ball Bearings. Single Row Angular Contact Ball Bearings Or Single Row Tapered Roller Bearings Matched For Mounting In A Back-To-Back Arrangement. |
| 7205BDF | Угол контакта 40°. Механически обработанный сепаратор из стали или специального чугуна. |
| 7205CDT | Механически обработанный сепаратор из текстолита. Однорядный радиально-упорный шарикоподшипник улучшенной конструкции с углом контакта 15°. |
| 7205CDF | Механически обработанный сепаратор из стали или специального чугуна. Однорядный радиально-упорный шарикоподшипник улучшенной конструкции с углом контакта 15°. |
| 7205CDB | Однорядный радиально-упорный шарикоподшипник улучшенной конструкции с углом контакта 15°. |
| 7205BDT | Угол контакта 40°. Механически обработанный сепаратор из текстолита. |
| 7205 ADF | Механически обработанный сепаратор из стали или специального чугуна. |
| 7205 ADT | Механически обработанный сепаратор из текстолита. |
| 7205 ADB | Modified Snap Ring Grooves In The Outer Ring_ Two-Piece Inner Ring Held Together By A Retaining Ring. |
| 5S-7205UCG/GNP42 | Угол контакта 15°. Универсальный подшипник. Класс точности JIS4 для размеров и JIS 2 для точности вращения. Гибридный подшипник. |
| 7205CGD2/GLP4 | Угол контакта 15°. Универсальный подшипник. Класс точности JIS4 / ISO 4. |
| 7205CG/GLP4 | Универсальный подшипник. Класс точности JIS4 / ISO 4. Резьбовой винт со стопором и защелкой. |
| 7205CG/GNP4 | Универсальный подшипник. Класс точности JIS4 / ISO 4. Резьбовой винт со стопором и защелкой. |
| 7205UCG/GNP42 | Угол контакта 15°. Универсальный подшипник. Класс точности JIS4 для размеров и JIS 2 для точности вращения. |
| 7205T1G/GNP4 | Универсальный подшипник. Класс точности JIS4 / ISO 4. Фенольный механически обработанный сепаратор. |
| 7205HG1UJ74 | Угол контакта 25°. Преднатяг (Лёгкий. Универсальные подшпники. |
| 7205W | Максимальная грузоподъемность. |
| 7205AC | Суффикс для радиально-упорного шарикоподшипника. |
| 7205C | Угол контакта 15°. |
| 7205CPA | Угол контакта 15 градусов. |
| 7205-BE-MP | Single Row Angular Contact Ball Bearing With A 40° Угол контакта And Optimized Internal Design. Массивный латунный сепаратор. центрированный по телам качения. |
| 7205-BECB-MP | Массивный латунный сепаратор. центрированный по телам качения. |
| 7205BEA | 40° Угол контакта. High Capacity. All Four Corners Equal. |
| 3NC 7205 FT | REINFORCED PHENOLIC CAGE. |
Модификации шарикового подшипника 7205CD/P4A — это измененное основное конструктивное исполнение 7205, основные размеры (25x52x15) не отличаются.
| Обозначение | Гост | Конструктивные особенности |
|---|---|---|
| BSB2025SUH P3 | ISO | Класс точности ниже. чем P2. но выше. чем P4. Одиночный универсальный подшипник. Большой преднатяг. |
| 205HC | ISO | Подшипник или компоненты подшипника из керамики. |
| 2MMV205WICRSUL | ISO | Одиночный подшипник. Универсальный. Легкий преднатяг. 15° Low Угол контакта. Superprecision Abec-7 (Iso P4).. 15° Low Угол контакта. High Grade (HG) Between Abec-7 (ISO P4) And Abec-9 (ISO P2).. (TB-Segment) Phenolic (Composition) Fafnir Standard. Low Shoulder On Outer RIng (Standard Cage!!! (Molded Reinforced Nylon Cage)). |
| 2MM205CR SU | ISO | 15° Low Угол контакта. Superprecision Abec-7 (Iso P4).. (TB-Segment) Phenolic (Composition) Fafnir Standard. Single Bearing. Universally Ground. |
| B7205-C-2RSZ-T-P4A-UL | ISO | 15° Угол контакта. Универсальный монтаж и легкий преднатяг. Сепаратор из обработанной фенольной смолы. Расположен на элементах качения. Подшипник с чрезвычайно высокой точностью вращения (Abec9) и допуском формы (Abec7). Бесконтактное уплотнение с обеих сторон подшипника. |
| B7205-C-T-P4S-K5-UL | ISO | 15° Угол контакта. Универсальный монтаж и легкий преднатяг. Textile Laminated Phenolic Resin. Outer Ring Guided. The Cage Is Suitable For Long-Term Operation At Temperatures Up To 100°C. Комбинация P4S (граничные размеры ISO 4. ABEC-7. Точность вращения ISO 2. ABEC-9) и K5 (то же. что и P4S. но со средней сортировкой отверстия и наружного диаметра). |
| B7205-C-T-P4S-UM | ISO | 15° Угол контакта. Textile Laminated Phenolic Resin. Outer Ring Guided. The Cage Is Suitable For Long-Term Operation At Temperatures Up To 100°C. Класс точности. стандарт FAG лучше чем P4. Однорядный. Универсальный. Средний преднатяг. |
| B7205-E-T-P4S-UM | ISO | 25° Угол контакта. Textile Laminated Phenolic Resin. Outer Ring Guided. The Cage Is Suitable For Long-Term Operation At Temperatures Up To 100°C. Класс точности. стандарт FAG лучше чем P4. Однорядный. Универсальный. Средний преднатяг. |
| B7205-C-T-P4S-UH | ISO | 15° Угол контакта. Textile Laminated Phenolic Resin. Outer Ring Guided. The Cage Is Suitable For Long-Term Operation At Temperatures Up To 100°C. Класс точности. стандарт FAG лучше чем P4. Универсальный одиночный подшипник. Высокий преднатяг. |
| E225 7CE3 UL | ISO | Сепаратор из фенольной смолы. Подшипник для универсального монтажа. Два подшипника. установленные по О-образной или Х-образной схеме. имеют лёгкий преднатяг. Внешнее расположение. P4 (SKF)=Abec.7. ACD (SKF)=25° Угол контакта. |
| MM205KCR | ISO | Глубокая канавка радиальная. (TB-Segment) Phenolic (Composition) Fafnir Standard. |
| 205RDU | ISO | Ball Bearing. Single Row. Counterbored Outer Ring. With Shield On Side Opposite Counterbore. 15 Degree Угол контакта. |
| B7205C.TPA.HG.UM | ISO | 15° Угол контакта. Сепаратор из текстильной ламинированной фенольной смолы. Класс допуска (FAG) для подшипников шпинделя (аналог P2). Однорядный. Универсальный. Средний преднатяг. |
| B7205C.TPA.P4.K5.UL | ISO | 15° Угол контакта. Универсальный монтаж и легкий преднатяг. Сепаратор из текстильной ламинированной фенольной смолы. Точность размеров и хода соответствует классу допуска ISO 4 (точнее. чем P5) — Abec-7. Ближе к стандартным допускам. |
| B7205-E-TPA-P4 | ISO | Сепаратор из текстильной ламинированной фенольной смолы. 25° Угол контакта. Точность размеров и хода соответствует классу допуска ISO 4 (точнее. чем P5) — Abec-7. |
| B7205-E-2RSD-T-P4S-UL | ISO | Универсальный монтаж и легкий преднатяг. 25° Угол контакта. Textile Laminated Phenolic Resin. Outer Ring Guided. The Cage Is Suitable For Long-Term Operation At Temperatures Up To 100°C. Класс точности. стандарт FAG лучше чем P4. Lip Seals On Both Sides. Non-Contact. |
| 205HCDUHABEC7 | ISO | 15° Угол контакта. Сепаратор из фенольной смолы с текстильным ламинированием. Внешнее кольцо центрировано. Класс точности ABEC 7 согласно ABMA. Set Of 2 Universal Bearings. Heavy Preload. |
| B7205E.TPA.P4.UL | ISO | Универсальный монтаж и легкий преднатяг. Сепаратор из текстильной ламинированной фенольной смолы. 25° Угол контакта. Точность размеров и хода соответствует классу допуска ISO 4 (точнее. чем P5) — Abec-7. |
| B7205E.TPA.P4.UM | ISO | Сепаратор из текстильной ламинированной фенольной смолы. Повышенная грузоподъемность. Точность размеров и хода соответствует классу допуска ISO 4 (точнее. чем P5) — Abec-7. Однорядный. Универсальный. Средний преднатяг. |
| B7205P6 | ISO | Размерные и геометрические допуски соответствуют классу точности P6. |
Аналог шарикового подшипника 7205CD/P4A — это подшипник такого же размера dx25,Dx52,Bx15, типа и конструкции.
| Обозначение | Конструктивные особенности | Внутренний (d) | Наружный (D) | Ширина (B) |
|---|---|---|---|---|
| 55-32205 Б3 | Роликовый радиальный однорядный подшипник. Сепаратор из безоловянистой бронзы.. | 25.00 | 52.00 | 15.00 |
| 580205-AC17 | Шариковый радиальный однорядный подшипник. Литол-24. | 25.00 | 52.00 | 15.00 |
| 580205-А | Шариковый радиальный однорядный подшипник. Повышенная грузоподъемность. | 25.00 | 52.00 | 15.00 |
| 580205-АЕК7С17 | Шариковый радиальный однорядный подшипник. Смазка Литол-24. Сепаратор из текстолита.. Повышенная грузоподъемность. | 25.00 | 52.00 | 15.00 |
| 580205-АС17 | Шариковый радиальный однорядный подшипник. Смазка Литол-24. Повышенная грузоподъемность. | 25.00 | 52.00 | 15.00 |
| 6-180205 А | Шариковый радиальный однорядный подшипник. Повышенная грузоподъемность. | 25.00 | 52.00 | 15.00 |
| 6-180205 А1С9 | Шариковый радиальный однорядный подшипник. Повышенная грузоподъемность. Смазка ЛЗ-31. | 25.00 | 52.00 | 15.00 |
| 6-180205 АКС17 | Шариковый радиальный однорядный подшипник. Смазка Литол-24. Повышенная грузоподъемность. | 25.00 | 52.00 | 15.00 |
| 6-180205 АС17 | Шариковый радиальный однорядный подшипник. Смазка Литол-24. Повышенная грузоподъемность. | 25.00 | 52.00 | 15.00 |
| 6-180205 АС17Ш1 | Шариковый радиальный однорядный подшипник. Смазка Литол-24. Повышенная грузоподъемность. Нормы шумности. | 25.00 | 52.00 | 15.00 |
| 6-180205 К6С2 | Шариковый радиальный однорядный подшипник. Смазка ЦИАТИМ-221. | 25.00 | 52.00 | 15.00 |
| 6-180205 КС9 | Шариковый радиальный однорядный подшипник. «Замок» (скос) на внутреннем кольце плюс массивный сепаратор из текстолита. Смазка ЛЗ-31. | 25.00 | 52.00 | 15.00 |
| 6-180205 С17 | Шариковый радиальный однорядный подшипник. Смазка Литол-24. | 25.00 | 52.00 | 15.00 |
| 6-180205 С9 | Шариковый радиальный однорядный подшипник. Смазка ЛЗ-31. | 25.00 | 52.00 | 15.00 |
| 6-180205 Ш1 | Шариковый радиальный однорядный подшипник. Нормы шумности. | 25.00 | 52.00 | 15.00 |
Способы доставки
Отправка через ведущие транспортные и курьерские компании: ПЭК, Деловые Линии, СДЭК, Байкал-Сервис, Энергия, КИТ, ЖелДорЭкспедиция.
Самовывоз возможен напрямую со склада в Москве.
Сроки доставки
Срок зависит от региона и выбранной транспортной компании. Все заказы комплектуются и отправляются в кратчайшие сроки со склада в Москве.
Надёжность и сохранность
Вся продукция упаковывается с учётом требований транспортировки. Мы гарантируем, что подшипники и комплектующие прибудут к заказчику в полной сохранности.
Доставка в страны ЕАЭС
Мы работаем с проверенными логистическими партнёрами, что позволяет оперативно доставлять заказы в Беларусь, Казахстан, Армению и другие страны ЕАЭС.
Варианты оплаты:
Минимальная сумма заказа и скидки:
Документы и гарантии:
Да, конечно! Наши технические специалисты готовы помочь вам с подбором точного аналога или замены подшипника. Просто позвоните нам по телефону +7 (495) 104-99-04 или напишите на почту zakaz@podsnab.ru.
Для оперативной консультации подготовьте, пожалуйста, имеющиеся данные: маркировку, размеры, тип оборудования или артикул старого подшипника.
Да, конечно! Мы высоко ценим долгосрочное сотрудничество и доверие клиентов по всей России. Для постоянных клиентов действует персональная система скидок.
Условия формируются индивидуально и зависят от:
Чтобы узнать свои условия и получить максимально выгодное предложение, свяжитесь с персональным менеджером или напишите нам на почту zakaz@podsnab.ru.
Вы можете оформить заказ несколькими способами:
Для оформления заказа от юридического лица свяжитесь с нашим отделом по работе с корпоративными клиентами по телефону +7 (495) 104-99-04 или напишите на email zakaz@podsnab.ru, прикрепив реквизиты вашей организации.
Мы оперативно подготовим коммерческое предложение и выставим счет.
Возврат товара надлежащего качества возможен в течение 10 дней с момента получения, если товар не был в употреблении, сохранен товарный вид, упаковка не вскрывалась и присутствуют все сопроводительные документы.
Возврат денежных средств осуществляется в течение 10 рабочих дней после проверки товара складом.
В соответствии с законодательством возврату не подлежат подшипники надлежащего качества, если отсутствует оригинальная упаковка или имеются следы монтажа.
В случае выявления брака или гарантийного случая мы гарантируем возврат или обмен товара.
Да, гарантийный срок хранения устанавливается заводом-изготовителем и в среднем составляет 2 года при соблюдении условий хранения: сухое помещение, оригинальная упаковка и смазка.
Точный срок для конкретного типа подшипника уточняйте у наших менеджеров.
Пн–Пт: с 8:00 до 17:00 (МСК).
Сб–Вс: выходные дни.
Заказы на сайте принимаются круглосуточно. Заявки, поступившие после окончания рабочего дня, обрабатываются на следующий рабочий день.
Минимальная сумма заказа для доставки составляет 3000 рублей. Самовывоз со склада возможен на любую сумму при наличии товара.
ООО «УралТехГрупп»
ИНН: 7415093830
КПП: 772401001
ОГРН: 1167456069021
Банк: ПАО Сбербанк
Р/с: 40702810838000475273
К/с: 30101810400000000225
БИК: 044525225
У подшипника 7205CD/P4A пока нет отзывов. Вы можете стать первым покупателем, поделившимся своим мнением.