Поиск подшипника
Статьи
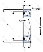
708ACDGA/P4A — Подшипник шариковый однорядный радиально-упорный, модификация основного исполнения 708, производство SKF.
Размер подшипника: 8x22x7 мм.
Точность размеров в соответствии с классом допуска iso 4. точность вращения лучше чем класс допуска iso 4, 25° угол контакта, однорядный радиально-упорный шарикоподшипник для универсальной установки. два подшипника. расположенных «спина к спине» или «лицом к лицу». будут иметь небольшой преднатяг.
Международная стандартизации ISO
708ACDGAP4A
В наличии
| Обозначение | Конструктивные изменения |
|---|---|
| 708CD/P4ADBA | 15° Угол контакта. Точность размеров в соответствии с классом допуска ISO 4. точность вращения лучше чем класс допуска ISO 4. Два однорядных радиальных шарикоподшипника. Однорядные радиально-упорные шарикоподшипники или однорядные конические роликовые подшипники. подходящие для монтажа в схеме «спина к спине». Легкая предварительная нагрузка. |
| 708CD/P4ADBB | 15° Угол контакта. Точность размеров в соответствии с классом допуска ISO 4. точность вращения лучше чем класс допуска ISO 4. Два однорядных радиальных шарикоподшипника. Дуплекс. Однорядные радиально-упорные шарикоподшипники или однорядные конические роликовые подшипники. подходящие для монтажа в схеме «спина к спине». Средний преднатяг. |
| 708ACD/P4ADBA | Точность размеров в соответствии с классом допуска ISO 4. точность вращения лучше чем класс допуска ISO 4. 25° Угол контакта. Два однорядных радиальных шарикоподшипника. Однорядные радиально-упорные шарикоподшипники или однорядные конические роликовые подшипники. подходящие для монтажа в схеме «спина к спине». Легкая предварительная нагрузка. |
| 708CD/P4ADGA | 15° Угол контакта. Точность размеров в соответствии с классом допуска ISO 4. точность вращения лучше чем класс допуска ISO 4. Два однорядных радиально-упорных шарикоподшипника для универсального монтажа. т.е. спаренные для монтажа по схеме спина к спине. лицом к лицу или в тандемном расположении. Легкий преднатяг. |
| 708CDGA/PA9A | 15° Угол контакта. Однорядный радиально-упорный шарикоподшипник для универсальной установки. Два подшипника. расположенных «спина к спине» или «лицом к лицу». будут иметь небольшой преднатяг. P2 класс точности - соответствует классу точности ABEC-9. |
| 708ATYNDFMP5 | 30° Угол контакта. Соответствие подшипников со средним преднатягом. Размерная и рабочая точность соответствует классу допуска ISO 5. Два однорядных радиально-упорных шарикоподшипника. подобранных для установки лицом к лицу. Это специальная конструкция сепараторов которая позволяет подшипнику иметь более низкое трение и более низкий уровень шума. Превышение температуры подшипника с сепаратором из TYN ниже. чем с фенольным. |
| 708CE/P4ADGA | Точность размеров в соответствии с классом допуска ISO 4. точность вращения лучше чем класс допуска ISO 4. Два однорядных радиально-упорных шарикоподшипника для универсального сопряжения. т. е. в паре для монтажа «спиной к спине». «лицом к лицу» или «тандем». 15° Угол контакта And (E) Small Size Steel Balls. |
| 708CEGA/P4A | Точность размеров в соответствии с классом допуска ISO 4. точность вращения лучше чем класс допуска ISO 4. Однорядный радиально-упорный шарикоподшипник для универсальной установки. Два подшипника. расположенных «спина к спине» или «лицом к лицу». будут иметь небольшой преднатяг. 15° Угол контакта And (E) Small Size Steel Balls. |
| 708CTYP5 | 15° Угол контакта. Размерная и рабочая точность соответствует классу допуска ISO 5. Шарикоподшипник. Радиально-упорный. Сверхточный. Сепаратор из полиамида. усиленного стекловолокном. |
| 708 ACD/HCP4AH | Измененная или модифицированная внутренняя конструкция при неизменных основных размерах. Однорядный с улучшенной конструкцией и углом контакта 25°. |
| 708 ACD/P4AH | Измененная или модифицированная внутренняя конструкция при неизменных основных размерах. Однорядный с улучшенной конструкцией и углом контакта 25°. |
| 708 ACE/P4AH | Измененная или модифицированная внутренняя конструкция при неизменных основных размерах. 25° Угол контакта And (E) Small Size Steel Balls. |
| 708 ACE/HCP4AH | Измененная или модифицированная внутренняя конструкция при неизменных основных размерах. 25° Угол контакта And (E) Small Size Steel Balls. |
| 708 CE/P4AH | Измененная или модифицированная внутренняя конструкция при неизменных основных размерах. 15° Угол контакта And (E) Small Size Steel Balls. |
| 708 CE/HCP4A | Измененная или модифицированная внутренняя конструкция при неизменных основных размерах. 15° Угол контакта And (E) Small Size Steel Balls. |
| 708 CE/P4A | Точность размеров в соответствии с классом допуска ISO 4. точность вращения лучше чем класс допуска ISO 4. 15° Угол контакта And (E) Small Size Steel Balls. |
| 708 ACD/HCP4A | Измененная или модифицированная внутренняя конструкция при неизменных основных размерах. Однорядный с улучшенной конструкцией и углом контакта 25°. |
| 708 ACE/HCP4A | Измененная или модифицированная внутренняя конструкция при неизменных основных размерах. 25° Угол контакта And (E) Small Size Steel Balls. |
| 708 CD/P4AH | Измененная или модифицированная внутренняя конструкция при неизменных основных размерах. Двухкомпонентный штампованный стальной сепаратор с направляющим кольцом. |
| 708 ACE/P4A | Точность размеров в соответствии с классом допуска ISO 4. точность вращения лучше чем класс допуска ISO 4. 25° Угол контакта And (E) Small Size Steel Balls. |
| 708 CD/HCP4AH | Измененная или модифицированная внутренняя конструкция при неизменных основных размерах. Двухкомпонентный штампованный стальной сепаратор с направляющим кольцом. |
| 708A | Двухрядный радиально-упорный шарикоподшипник без отверстия для смазки. |
| 708C | 15° Угол контакта. |
| PCZ 0708 M | Подшипник с латунным сепаратором. центрированный по телам качения. |
| TAPR 708 DO | Прессованный стальной сепаратор. Вращающийся элемент по центру. Незакаленный. |
Модификации шарикового подшипника 708ACDGA/P4A — это измененное основное конструктивное исполнение 708, основные размеры (8x22x7) не отличаются.
| Обозначение | Гост | Конструктивные особенности |
|---|---|---|
| S608C TB HG | ISO | 15° Угол контакта. Класс допуска (FAG) для подшипников шпинделя (аналог P2). Textite (Fabric-Reinforced Phenolic Resin) Cage Guided On The Inner Ring. |
| SM608C TA P2 GUL | ISO | 15° Угол контакта. Цельный. центрированный по внешнему кольцу. механически обработанный. ламинированный. фенольный сепаратор. Подшипник для универсального монтажа. Два подшипника. установленные по О-образной или Х-образной схеме. имеют лёгкий преднатяг. P2 класс точности - соответствует классу точности ABEC-9. |
| 708CD/P4AW64 | ISO | Антифрикционный заполнитель. твердая смазка. 15° Угол контакта. Точность размеров в соответствии с классом допуска ISO 4. точность вращения лучше чем класс допуска ISO 4. |
| HS608C TPA P4 UL | ISO | 15° Угол контакта. Универсальный монтаж и легкий преднатяг. Обработанное с использованием фенольной смолы направляющее наружное кольцо. Точность размеров и хода соответствует классу допуска ISO 4 (точнее. чем P5) — Abec-7. |
| S608C TA ABEC7 UL | ISO | 15° Угол контакта. Подшипник для универсального монтажа. Два подшипника. установленные по О-образной или Х-образной схеме. имеют лёгкий преднатяг. Клетка из ламинированной фенольной смолы или полиамидный сепаратор. направляемый по внешнему кольцу. Класс точности ABEC 7 согласно Abma (используйте сегмент P4). |
| S608C TA P4 | ISO | 15° Угол контакта. Клетка из ламинированной фенольной смолы или полиамидный сепаратор. направляемый по внешнему кольцу. Класс точности. |
| VEX8 7 CE1 UL | ISO | Подшипник для универсального монтажа. Два подшипника. установленные по О-образной или Х-образной схеме. имеют лёгкий преднатяг. Расположение внешнего сепаратора. P4 (SKF)=Abec.7. C-Phenolic Resin. E-External Cage Location. 1-15° Угол контакта. |
| 708C TA P4 | ISO | 15° Угол контакта. Клетка из ламинированной фенольной смолы или полиамидный сепаратор. направляемый по внешнему кольцу. Класс точности Р4 по ISO (точнее. чем P5) - Abec.7. |
| B708-C-T-P4S-UM | ISO | 15° Угол контакта. Textile Laminated Phenolic Resin. Outer Ring Guided. The Cage Is Suitable For Long-Term Operation At Temperatures Up To 100°C. Класс точности. стандарт FAG лучше чем P4. Однорядный. Универсальный. Средний преднатяг. |
| HCB708-C-T-P4S-UL | ISO | 15° Угол контакта. Универсальный монтаж и легкий преднатяг. Textile Laminated Phenolic Resin. Outer Ring Guided. The Cage Is Suitable For Long-Term Operation At Temperatures Up To 100°C. Класс точности. стандарт FAG лучше чем P4. |
| 38H | ISO | Сепаратор из фенольной смолы с текстильным ламинированием. Внешнее кольцо центрировано. |
| S608CE | ISO | 15° Угол контакта. |
| HY708C MA P4 | ISO | 15° Угол контакта. Механически обработанный латунный сепаратор. Центрирование по внешнему кольцу. Класс точности Р4 по ISO (точнее. чем P5) - Abec.7. |
| B708C.T.P4S.UL | ISO | 15° Угол контакта. Универсальный монтаж и легкий преднатяг. Textile Laminated Phenolic Resin. Outer Ring Guided. The Cage Is Suitable For Long-Term Operation At Temperatures Up To 100°C. Класс точности. стандарт FAG лучше чем P4. |
| SV708C P4 TA X UL L00 | ISO | 15° Угол контакта. Универсальный монтаж и легкий преднатяг. Bore And Outer Diameter In 2 Groups. Цельный. центрированный по внешнему кольцу. механически обработанный. ламинированный. фенольный сепаратор. Класс точности Р4 по ISO (точнее. чем P5) - Abec.7. |
| SV708E P4 TA X UL L00 | ISO | Универсальный монтаж и легкий преднатяг. 25° Угол контакта. Bore And Outer Diameter In 2 Groups. Цельный. центрированный по внешнему кольцу. механически обработанный. ламинированный. фенольный сепаратор. Класс точности Р4 по ISO (точнее. чем P5) - Abec.7. |
| S608C TA HG | ISO | 15° Угол контакта. Высокая точность согласно спецификации GMN. Клетка из ламинированной фенольной смолы или полиамидный сепаратор. направляемый по внешнему кольцу. |
| EX8 9CE1 UL | ISO | Фенольная смола. Универсальный монтаж и легкий преднатяг. Расположение внешнего сепаратора. P2 (SKF)=Abec.9. CD (SKF)=15° Угол контакта. |
| 608TB EP7 | ISO | Сепаратор оконного типа из армированной тканью фенольной смолы. Внутреннее кольцо центрировано. Сверхточный класс 7. |
Аналог шарикового подшипника 708ACDGA/P4A — это подшипник такого же размера dx8,Dx22,Bx7, типа и конструкции.
| Обозначение | Конструктивные особенности | Внутренний (d) | Наружный (D) | Ширина (B) |
|---|---|---|---|---|
| 5-80027 К1С9 | Шариковый радиальный однорядный подшипник. Смазка ЛЗ-31. | 7.00 | 22.00 | 7.00 |
| 5-80027 КС2 | Шариковый радиальный однорядный подшипник. «Замок» (скос) на внутреннем кольце плюс массивный сепаратор из текстолита. Смазка ЦИАТИМ-221. | 7.00 | 22.00 | 7.00 |
| 5-80027 С1 | Шариковый радиальный однорядный подшипник. Смазка ОКБ 122-7. | 7.00 | 22.00 | 7.00 |
| 6-1008 Ю | Шариковый радиальный двухрядный подшипник. Все детали или часть деталей из нержавеющей стали.. | 8.00 | 22.00 | 7.00 |
| 6-18 Л | Шариковый радиальный подшипник. Сепаратор из латуни.. | 8.00 | 22.00 | 7.00 |
| 6-18 Т2 | Шариковый радиальный однорядный подшипник. 200°. Температура отпуска. | 8.00 | 22.00 | 7.00 |
| 6-18 У | Шариковый радиальный однорядный подшипник. Дополнительные технические требования. | 8.00 | 22.00 | 7.00 |
| 6-18 УТ2 | Шариковый радиальный однорядный подшипник. Дополнительные технические требования. 200°. Температура отпуска. | 8.00 | 22.00 | 7.00 |
| 6-18 Ш | Шариковый радиальный однорядный подшипник. Нормы шумности. | 8.00 | 22.00 | 7.00 |
| 6-18 Ю3 | Шариковый радиальный однорядный подшипник. Все детали или часть деталей из нержавеющей стали.. | 8.00 | 22.00 | 7.00 |
| 6-18 Ю6Т | Шариковый радиальный подшипник. Температура отпуска. 160°. Все детали или часть деталей из нержавеющей стали.. | 8.00 | 22.00 | 7.00 |
| 6-18 Ю9 | Шариковый радиальный подшипник. Все детали или часть деталей из нержавеющей стали.. | 8.00 | 22.00 | 7.00 |
| 6-18 ЮТ | Шариковый радиальный подшипник. Температура отпуска. 160°. Все детали или часть деталей из нержавеющей стали.. | 8.00 | 22.00 | 7.00 |
| 6-18 ЮУТ | Шариковый радиальный однорядный подшипник. Дополнительные технические требования. Температура отпуска. 160°. Все детали или часть деталей из нержавеющей стали.. | 8.00 | 22.00 | 7.00 |
| 6-180018 КС17 | Шариковый радиальный однорядный подшипник. Смазка Литол-24. «Замок» (скос) на внутреннем кольце плюс массивный сепаратор из текстолита. | 8.00 | 22.00 | 7.00 |
Способы доставки
Отправка через ведущие транспортные и курьерские компании: ПЭК, Деловые Линии, СДЭК, Байкал-Сервис, Энергия, КИТ, ЖелДорЭкспедиция.
Самовывоз возможен напрямую со склада в Москве.
Сроки доставки
Срок зависит от региона и выбранной транспортной компании. Все заказы комплектуются и отправляются в кратчайшие сроки со склада в Москве.
Надёжность и сохранность
Вся продукция упаковывается с учётом требований транспортировки. Мы гарантируем, что подшипники и комплектующие прибудут к заказчику в полной сохранности.
Доставка в страны ЕАЭС
Мы работаем с проверенными логистическими партнёрами, что позволяет оперативно доставлять заказы в Беларусь, Казахстан, Армению и другие страны ЕАЭС.
Варианты оплаты:
Минимальная сумма заказа и скидки:
Документы и гарантии:
Да, конечно! Наши технические специалисты готовы помочь вам с подбором точного аналога или замены подшипника. Просто позвоните нам по телефону +7 (495) 104-99-04 или напишите на почту zakaz@podsnab.ru.
Для оперативной консультации подготовьте, пожалуйста, имеющиеся данные: маркировку, размеры, тип оборудования или артикул старого подшипника.
Да, конечно! Мы высоко ценим долгосрочное сотрудничество и доверие клиентов по всей России. Для постоянных клиентов действует персональная система скидок.
Условия формируются индивидуально и зависят от:
Чтобы узнать свои условия и получить максимально выгодное предложение, свяжитесь с персональным менеджером или напишите нам на почту zakaz@podsnab.ru.
Вы можете оформить заказ несколькими способами:
Для оформления заказа от юридического лица свяжитесь с нашим отделом по работе с корпоративными клиентами по телефону +7 (495) 104-99-04 или напишите на email zakaz@podsnab.ru, прикрепив реквизиты вашей организации.
Мы оперативно подготовим коммерческое предложение и выставим счет.
Возврат товара надлежащего качества возможен в течение 10 дней с момента получения, если товар не был в употреблении, сохранен товарный вид, упаковка не вскрывалась и присутствуют все сопроводительные документы.
Возврат денежных средств осуществляется в течение 10 рабочих дней после проверки товара складом.
В соответствии с законодательством возврату не подлежат подшипники надлежащего качества, если отсутствует оригинальная упаковка или имеются следы монтажа.
В случае выявления брака или гарантийного случая мы гарантируем возврат или обмен товара.
Да, гарантийный срок хранения устанавливается заводом-изготовителем и в среднем составляет 2 года при соблюдении условий хранения: сухое помещение, оригинальная упаковка и смазка.
Точный срок для конкретного типа подшипника уточняйте у наших менеджеров.
Пн–Пт: с 8:00 до 17:00 (МСК).
Сб–Вс: выходные дни.
Заказы на сайте принимаются круглосуточно. Заявки, поступившие после окончания рабочего дня, обрабатываются на следующий рабочий день.
Минимальная сумма заказа для доставки составляет 3000 рублей. Самовывоз со склада возможен на любую сумму при наличии товара.
ООО «УралТехГрупп»
ИНН: 7415093830
КПП: 772401001
ОГРН: 1167456069021
Банк: ПАО Сбербанк
Р/с: 40702810838000475273
К/с: 30101810400000000225
БИК: 044525225
У подшипника 708ACDGA/P4A пока нет отзывов. Вы можете стать первым покупателем, поделившимся своим мнением.