Поиск подшипника
Статьи
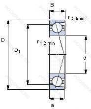
71940CD/P4A — Подшипник шариковый однорядный радиально-упорный, модификация основного исполнения 71940, производство SKF.
Размер подшипника: 200x280x38 мм.
Точность размеров в соответствии с классом допуска iso 4. точность вращения лучше чем класс допуска iso 4, 15° угол контакта.
Альтернативное обозначение: SEB200 7CE1.
Международная стандартизации ISO
71940CDP4A
В наличии
| Обозначение | Конструктивные изменения |
|---|---|
| 71940CDGA/P4A | 15° Угол контакта. Точность размеров в соответствии с классом допуска ISO 4. точность вращения лучше чем класс допуска ISO 4. Однорядный радиально-упорный шарикоподшипник для универсальной установки. Два подшипника. расположенных «спина к спине» или «лицом к лицу». будут иметь небольшой преднатяг. |
| 71940ACDGA/P4A | Точность размеров в соответствии с классом допуска ISO 4. точность вращения лучше чем класс допуска ISO 4. Однорядный радиально-упорный шарикоподшипник для универсальной установки. Два подшипника. расположенных «спина к спине» или «лицом к лицу». будут иметь небольшой преднатяг. 25° Угол контакта. |
| 71940ACD/P4A | Точность размеров в соответствии с классом допуска ISO 4. точность вращения лучше чем класс допуска ISO 4. 25° Угол контакта. |
| 71940CD/P4ADBB | 15° Угол контакта. Точность размеров в соответствии с классом допуска ISO 4. точность вращения лучше чем класс допуска ISO 4. Два однорядных радиальных шарикоподшипника. Дуплекс. Однорядные радиально-упорные шарикоподшипники или однорядные конические роликовые подшипники. подходящие для монтажа в схеме «спина к спине». Средний преднатяг. |
| 71940CD/P4ADGA | 15° Угол контакта. Точность размеров в соответствии с классом допуска ISO 4. точность вращения лучше чем класс допуска ISO 4. Два однорядных радиально-упорных шарикоподшипника для универсального монтажа. т.е. спаренные для монтажа по схеме спина к спине. лицом к лицу или в тандемном расположении. Легкий преднатяг. |
| 71940E.T.P2H.TBTM | 25° Угол контакта. Сепаратор из обработанной фенольной смолы. Расположен на элементах качения. Подшипник с чрезвычайно высокой точностью вращения (Abec9) и допуском формы (Abec7). Set Of 3 Bearings Tandem – O-Arrangement. Medium Preload. |
| 71940MP | Механически обработанный латунный сепаратор оконного типа. |
| 71940CD/P4ADGAVT143 | 15° Угол контакта. Точность размеров в соответствии с классом допуска ISO 4. точность вращения лучше чем класс допуска ISO 4. Два однорядных радиально-упорных шарикоподшипника для универсального монтажа. т.е. спаренные для монтажа по схеме спина к спине. лицом к лицу или в тандемном расположении. Легкий преднатяг. Заполнение пластичной смазкой SKF LGEP 2 на 25–35 %. |
| 71940ACDGB/VQ253 | 25° Угол контакта. Single Row Angular Contact Ball Bearing For Universal Matching. Two Bearings Arranged Back-To-Back Or Face-To-Face Will Have A Medium Preload. VQ(253)=(Segment Precision. Code 88)=Quality And Tolerances Other Than Standard. |
| 71940ACD/P4ADGA | Точность размеров в соответствии с классом допуска ISO 4. точность вращения лучше чем класс допуска ISO 4. 25° Угол контакта. Два однорядных радиально-упорных шарикоподшипника для универсального сопряжения. т. е. в паре для монтажа «спиной к спине». «лицом к лицу» или «тандем». |
| 71940-MP-P5-N10BA-A150-190 | Размерная и рабочая точность соответствует классу допуска ISO 5. Механически обработанный латунный сепаратор оконного типа. Осевой зазор в мкм. Angular Contact Ball Bearing Matched In Pairs In O-Arrangement. |
| 71940ACDGB/V0253 | 25° Угол контакта. Single Row Angular Contact Ball Bearing For Universal Matching. Two Bearings Arranged Back-To-Back Or Face-To-Face Will Have A Medium Preload. |
| 71940 CD/P4AH1 | Измененная или модифицированная внутренняя конструкция при неизменных основных размерах. Двухкомпонентный штампованный стальной сепаратор с направляющим кольцом. |
| 71940 ACD/HCP4AH1 | Измененная или модифицированная внутренняя конструкция при неизменных основных размерах. Однорядный с улучшенной конструкцией и углом контакта 25°. |
| 71940 CD/HCP4A | Измененная или модифицированная внутренняя конструкция при неизменных основных размерах. Двухкомпонентный штампованный стальной сепаратор с направляющим кольцом. |
| 71940 ACD/HCP4A | Измененная или модифицированная внутренняя конструкция при неизменных основных размерах. Однорядный с улучшенной конструкцией и углом контакта 25°. |
| 71940 ACD/P4AH1 | Измененная или модифицированная внутренняя конструкция при неизменных основных размерах. Однорядный с улучшенной конструкцией и углом контакта 25°. |
| 71940 CD/HCP4AH1 | Измененная или модифицированная внутренняя конструкция при неизменных основных размерах. Двухкомпонентный штампованный стальной сепаратор с направляющим кольцом. |
| 71940CVUJ74 | Угол контакта 15°. Преднатяг (Лёгкий. Универсальные подшпники. |
| 71940HVUJ74 | Угол контакта 25°. Преднатяг (Лёгкий. Универсальные подшпники. |
| 71940HVDUJ74 | Угол контакта 25°. Преднатяг (Лёгкий. Комплекты из 2. |
| 71940CVDUJ74 | Угол контакта 15°. Преднатяг (Лёгкий. Комплекты из 2. |
| 71940 A | Двухрядный радиально-упорный шарикоподшипник без отверстия для смазки. |
| 71940AC | Суффикс для радиально-упорного шарикоподшипника. |
| 71940 C | 15° Угол контакта. |
Модификации шарикового подшипника 71940CD/P4A — это измененное основное конструктивное исполнение 71940, основные размеры (200x280x38) не отличаются.
| Обозначение | Гост | Конструктивные особенности |
|---|---|---|
| 2MM9340WICRSULA4426 | ISO | Подшипник шариковый однорядный радиально-упорный. |
| B71940E T P4S UL | ISO | Универсальный монтаж и легкий преднатяг. Повышенная грузоподъемность. Textile Laminated Phenolic Resin. Outer Ring Guided. The Cage Is Suitable For Long-Term Operation At Temperatures Up To 100°C. Класс точности. стандарт FAG лучше чем P4. |
| B71940-E-T-P4S-UL-GA2 | ISO | Универсальный монтаж и легкий преднатяг. 25° Угол контакта. Textile Laminated Phenolic Resin. Outer Ring Guided. The Cage Is Suitable For Long-Term Operation At Temperatures Up To 100°C. Класс точности. стандарт FAG лучше чем P4. Смазка. Shell Oil Co. Alvania #2 Grease. |
| HCB71940-E-T-P4S-UL | ISO | Универсальный монтаж и легкий преднатяг. 25° Угол контакта. Textile Laminated Phenolic Resin. Outer Ring Guided. The Cage Is Suitable For Long-Term Operation At Temperatures Up To 100°C. Класс точности. стандарт FAG лучше чем P4. |
| 7940C TR SUL P3 | ISO | 15° Угол контакта. Одиночный шарикоподшипник. Радиально упорный. Сверхточный. Одиночный подшипник выполнен для универсального монтажа. Малый преднатяг. Сепаратор из фенольных смол. центрируемый по внутреннему кольцу. Класс точности ниже. чем P2. но выше. чем P4. |
| B71940-C-T-P4S-UL | ISO | 15° Угол контакта. Универсальный монтаж и легкий преднатяг. Textile Laminated Phenolic Resin. Outer Ring Guided. The Cage Is Suitable For Long-Term Operation At Temperatures Up To 100°C. Класс точности. стандарт FAG лучше чем P4. |
| B71940-C-T-P4S-K5-UL | ISO | 15° Угол контакта. Универсальный монтаж и легкий преднатяг. Textile Laminated Phenolic Resin. Outer Ring Guided. The Cage Is Suitable For Long-Term Operation At Temperatures Up To 100°C. Комбинация P4S (граничные размеры ISO 4. ABEC-7. Точность вращения ISO 2. ABEC-9) и K5 (то же. что и P4S. но со средней сортировкой отверстия и наружного диаметра). |
| B71940C.T.P4S.UM | ISO | 15° Угол контакта. Textile Laminated Phenolic Resin. Outer Ring Guided. The Cage Is Suitable For Long-Term Operation At Temperatures Up To 100°C. Класс точности. стандарт FAG лучше чем P4. Однорядный. Универсальный. Средний преднатяг. |
| B71940-E-T-P4S-UM | ISO | 25° Угол контакта. Textile Laminated Phenolic Resin. Outer Ring Guided. The Cage Is Suitable For Long-Term Operation At Temperatures Up To 100°C. Класс точности. стандарт FAG лучше чем P4. Однорядный. Универсальный. Средний преднатяг. |
| B71940-E-T-P4S-UH | ISO | 25° Угол контакта. Textile Laminated Phenolic Resin. Outer Ring Guided. The Cage Is Suitable For Long-Term Operation At Temperatures Up To 100°C. Класс точности. стандарт FAG лучше чем P4. Универсальный одиночный подшипник. Высокий преднатяг. |
| 7940C T SUL P4 | ISO | 15° Угол контакта. Механически обработанный ламинированный фенольный сепаратор. Класс точности Р4 по ISO (точнее. чем P5) - Abec.7. Одиночный. Универсальный. Легкий преднатяг. |
| B71940-E-T-P4S-TUL | ISO | 25° Угол контакта. Textile Laminated Phenolic Resin. Outer Ring Guided. The Cage Is Suitable For Long-Term Operation At Temperatures Up To 100°C. Класс точности. стандарт FAG лучше чем P4. Набор из 3-х универсальных подшипников. Легкая преднатяг. |
Аналог шарикового подшипника 71940CD/P4A — это подшипник такого же размера dx200,Dx280,Bx38, типа и конструкции.
| Обозначение | Конструктивные особенности | Внутренний (d) | Наружный (D) | Ширина (B) |
|---|---|---|---|---|
| 7940B | Шариковый радиально-упорный однорядный подшипник. Угол контакта 40 градусов. | 200.00 | 280.00 | 38.00 |
| AC4028B | Шариковый радиально-упорный однорядный подшипник. Угол контакта 40 градусов. | 200.00 | 279.50 | 38.00 |
| BA210-10 | Шариковый радиально-упорный однорядный подшипник. Distance Between Beginning Of The Rail And First Hole In MM. | 200.00 | 280.00 | 38.00 |
| 1036940К | Шариковый радиально-упорный однорядный подшипник. «Замок» (скос) на внутреннем кольце плюс массивный сепаратор из текстолита. | 200.00 | 280.00 | 38.00 |
| 1046940К | Шариковый радиально-упорный однорядный подшипник. «Замок» (скос) на внутреннем кольце плюс массивный сепаратор из текстолита. | 200.00 | 280.00 | 38.00 |
| 6940-2RZ | Шариковый радиальный однорядный подшипник. Шарикоподшипник. С уплотнением и низким коэффициентом трения с обеих сторон. Уплотнение состоит из шайбы из листовой стали с вулканизированной резиной. | 200.00 | 280.00 | 38.00 |
| 6940-RZ | Шариковый радиальный однорядный подшипник. Один стальное уплотнение и одно резиновое. | 200.00 | 280.00 | 38.00 |
| 6940N | Шариковый радиальный однорядный подшипник. Канавка под стопорное кольцо на внешнем кольце. | 200.00 | 280.00 | 38.00 |
| 6940NR | Шариковый радиальный однорядный подшипник. Канавка под стопорное кольцо на наружном кольце с соответствующим стопорным кольцом. | 200.00 | 280.00 | 38.00 |
| 6940-2RS | Шариковый радиальный однорядный подшипник. Резиновые уплотнения с каждой стороны подшипника. | 200.00 | 280.00 | 38.00 |
| 6940-Z | Шариковый радиальный однорядный подшипник. щит из листовой прессованной стали с одной стороны подшипника. | 200.00 | 280.00 | 38.00 |
| 6940-RS | Шариковый радиальный однорядный подшипник. Резиновое уплотнение с одной стороны. | 200.00 | 280.00 | 38.00 |
| 1000940-Л | Шариковый радиальный однорядный подшипник. Сепаратор из латуни.. | 200.00 | 280.00 | 38.00 |
| 5-1000940 Л | Шариковый радиальный однорядный подшипник. Сепаратор из латуни.. | 200.00 | 280.00 | 38.00 |
| 6-1176940 Д | Шариковый радиально-упорный однорядный подшипник. Сепаратор из алюминиевого сплава.. | 200.00 | 280.00 | 38.00 |
Способы доставки
Отправка через ведущие транспортные и курьерские компании: ПЭК, Деловые Линии, СДЭК, Байкал-Сервис, Энергия, КИТ, ЖелДорЭкспедиция.
Самовывоз возможен напрямую со склада в Москве.
Сроки доставки
Срок зависит от региона и выбранной транспортной компании. Все заказы комплектуются и отправляются в кратчайшие сроки со склада в Москве.
Надёжность и сохранность
Вся продукция упаковывается с учётом требований транспортировки. Мы гарантируем, что подшипники и комплектующие прибудут к заказчику в полной сохранности.
Доставка в страны ЕАЭС
Мы работаем с проверенными логистическими партнёрами, что позволяет оперативно доставлять заказы в Беларусь, Казахстан, Армению и другие страны ЕАЭС.
Варианты оплаты:
Минимальная сумма заказа и скидки:
Документы и гарантии:
Да, конечно! Наши технические специалисты готовы помочь вам с подбором точного аналога или замены подшипника. Просто позвоните нам по телефону +7 (495) 104-99-04 или напишите на почту zakaz@podsnab.ru.
Для оперативной консультации подготовьте, пожалуйста, имеющиеся данные: маркировку, размеры, тип оборудования или артикул старого подшипника.
Да, конечно! Мы высоко ценим долгосрочное сотрудничество и доверие клиентов по всей России. Для постоянных клиентов действует персональная система скидок.
Условия формируются индивидуально и зависят от:
Чтобы узнать свои условия и получить максимально выгодное предложение, свяжитесь с персональным менеджером или напишите нам на почту zakaz@podsnab.ru.
Вы можете оформить заказ несколькими способами:
Для оформления заказа от юридического лица свяжитесь с нашим отделом по работе с корпоративными клиентами по телефону +7 (495) 104-99-04 или напишите на email zakaz@podsnab.ru, прикрепив реквизиты вашей организации.
Мы оперативно подготовим коммерческое предложение и выставим счет.
Возврат товара надлежащего качества возможен в течение 10 дней с момента получения, если товар не был в употреблении, сохранен товарный вид, упаковка не вскрывалась и присутствуют все сопроводительные документы.
Возврат денежных средств осуществляется в течение 10 рабочих дней после проверки товара складом.
В соответствии с законодательством возврату не подлежат подшипники надлежащего качества, если отсутствует оригинальная упаковка или имеются следы монтажа.
В случае выявления брака или гарантийного случая мы гарантируем возврат или обмен товара.
Да, гарантийный срок хранения устанавливается заводом-изготовителем и в среднем составляет 2 года при соблюдении условий хранения: сухое помещение, оригинальная упаковка и смазка.
Точный срок для конкретного типа подшипника уточняйте у наших менеджеров.
Пн–Пт: с 8:00 до 17:00 (МСК).
Сб–Вс: выходные дни.
Заказы на сайте принимаются круглосуточно. Заявки, поступившие после окончания рабочего дня, обрабатываются на следующий рабочий день.
Минимальная сумма заказа для доставки составляет 3000 рублей. Самовывоз со склада возможен на любую сумму при наличии товара.
ООО «УралТехГрупп»
ИНН: 7415093830
КПП: 772401001
ОГРН: 1167456069021
Банк: ПАО Сбербанк
Р/с: 40702810838000475273
К/с: 30101810400000000225
БИК: 044525225
У подшипника 71940CD/P4A пока нет отзывов. Вы можете стать первым покупателем, поделившимся своим мнением.