Поиск подшипника
Статьи
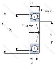
7202ACD/P4A — Подшипник шариковый однорядный радиально-упорный, модификация основного исполнения 7202, производство SKF.
Размер подшипника: 15x35x11 мм.
Точность размеров в соответствии с классом допуска iso 4. точность вращения лучше чем класс допуска iso 4, 25° угол контакта.
Альтернативное обозначение: 7202A TB P4.
Международная стандартизации ISO
7202ACDP4A
В наличии
| Обозначение | Конструктивные изменения |
|---|---|
| 7202 B-UO | Конический роликовый подшипник. Угол контакта 20 градусов. Универсальный монтаж. Для установки по O- и X- образной схеме - беззазорные.. |
| 7202 B-UD | Конический роликовый подшипник. Угол контакта 20 градусов. |
| 7202 A-UX | Двухрядный радиально-упорный шарикоподшипник без отверстия для смазки. Универсальный монтаж, сверхлегкая предварительная нагрузка.. |
| 7202 C-UD | 15° Угол контакта. |
| 7202 A-UO | Двухрядный радиально-упорный шарикоподшипник без отверстия для смазки. Универсальный монтаж. Для установки по O- и X- образной схеме - беззазорные.. |
| 7202CDT | Механически обработанный сепаратор из текстолита. Однорядный радиально-упорный шарикоподшипник улучшенной конструкции с углом контакта 15°. |
| 7202CDB | Однорядный радиально-упорный шарикоподшипник улучшенной конструкции с углом контакта 15°. |
| 7202CDF | Однорядный радиально-упорный шарикоподшипник улучшенной конструкции с углом контакта 15°. |
| 7202BDF | Угол контакта 40°. Механически обработанный сепаратор из стали или специального чугуна. |
| 7202BDT | Угол контакта 40°. Механически обработанный сепаратор из текстолита. |
| 7202DT | Дуплексные подшипники для установки в тандеме. |
| 7202DF | Комплект из двух подшипников. согласованных для установки по Х-образной схеме. Число. следующее непосредственно после букв DF. обозначает конструкцию промежуточного кольца. |
| 7202 ADB | Modified Snap Ring Grooves In The Outer Ring_ Two-Piece Inner Ring Held Together By A Retaining Ring. |
| 7202 ADT | Механически обработанный сепаратор из текстолита. |
| 7202 ADF | Механически обработанный сепаратор из стали или специального чугуна. |
| 5S-7202UCG/GNP42 | Угол контакта 15°. Универсальный подшипник. Класс точности JIS4 для размеров и JIS 2 для точности вращения. Гибридный подшипник. |
| 7202CGD2/GNP4 | Угол контакта 15°. Универсальный подшипник. Класс точности JIS4 / ISO 4. |
| 7202UCG/GNP42 | Угол контакта 15°. Универсальный подшипник. Класс точности JIS4 для размеров и JIS 2 для точности вращения. |
| 7202W | Максимальная грузоподъемность. |
| 7202C | Угол контакта 15°. |
| 7202CPA | Угол контакта 15 градусов. |
| 7202AC | Суффикс для радиально-упорного шарикоподшипника. |
| 7202-BECB-TVP | Molded Snap-Type Cage Of Glass Fibre Reinforced Polyamide. Rolling Element Riding. |
| 7202BEA | 40° Угол контакта. High Capacity. All Four Corners Equal. |
| 3NC 7202 FT | REINFORCED PHENOLIC CAGE. |
Модификации шарикового подшипника 7202ACD/P4A — это измененное основное конструктивное исполнение 7202, основные размеры (15x35x11) не отличаются.
| Обозначение | Гост | Конструктивные особенности |
|---|---|---|
| HCB7202-C-T-P4S-UL | ISO | 15° Угол контакта. Универсальный монтаж и легкий преднатяг. Textile Laminated Phenolic Resin. Outer Ring Guided. The Cage Is Suitable For Long-Term Operation At Temperatures Up To 100°C. Класс точности. стандарт FAG лучше чем P4. |
| B7202CB TB P4 | ISO | 10° Угол контакта. Textite (Fabric Reïnforced Phenolic Resin) Cage Guided On The Inner Ring. Класс точности Р4 по ISO (точнее. чем P5) - Abec.7. |
| 202R | ISO | Расточенное наружное кольцо. Подшипник однорядный радиального типа. Угол контакта 15°. |
| CB7202C.T.P4A.UL | ISO | 15° Угол контакта. Подшипник для универсального монтажа. Легкий преднатяг. Сепаратор из обработанной фенольной смолы. Расположен на элементах качения. Подшипник с чрезвычайно высокой точностью вращения (Abec9) и допуском формы (Abec7). |
| B7202-E-2RSD-T-P4S-UL | ISO | Универсальный монтаж и легкий преднатяг. 25° Угол контакта. Textile Laminated Phenolic Resin. Outer Ring Guided. The Cage Is Suitable For Long-Term Operation At Temperatures Up To 100°C. Класс точности. стандарт FAG лучше чем P4. Lip Seals On Both Sides. Non-Contact. |
| B7202AATB | ISO | Сепаратор оконного типа из армированной тканью фенольной смолы. Внутреннее кольцо центрировано. 26° Угол контакта. |
| B7202-E-T-P4S-UM | ISO | 25° Угол контакта. Textile Laminated Phenolic Resin. Outer Ring Guided. The Cage Is Suitable For Long-Term Operation At Temperatures Up To 100°C. Класс точности. стандарт FAG лучше чем P4. Однорядный. Универсальный. Средний преднатяг. |
| E215 7 CE1 UM | ISO | Расположение внешнего сепаратора. P4 (SKF)=Abec.7. CD (SKF)=15° Угол контакта. Одиночный. Универсальная установка. Для умеренного преднатяга. C-Phenolic Resin. E-External Cage Location. 1-15° Угол контакта. |
| B7202E.TPA.HG.UL | ISO | Универсальный монтаж и легкий преднатяг. Сепаратор из текстильной ламинированной фенольной смолы. Класс допуска (FAG) для подшипников шпинделя (аналог P2). 25° Угол контакта. |
| 2MM202WI CR SUL | ISO | Одиночный подшипник. Универсальный. Легкий преднатяг. 15° Low Угол контакта. Superprecision Abec-7 (Iso P4).. (TB-Segment) Phenolic (Composition) Fafnir Standard. Low Shoulder On Outer RIng (Standard Cage!!! (Molded Reinforced Nylon Cage)). |
| E215 7CE3 UL | ISO | Сепаратор из фенольной смолы. Подшипник для универсального монтажа. Два подшипника. установленные по О-образной или Х-образной схеме. имеют лёгкий преднатяг. Внешнее расположение. P4 (SKF)=Abec.7. ACD (SKF)=25° Угол контакта. |
| B7202X2 TA UL EP7 | ISO | Два однорядных радиально-упорных шарикоподшипника для универсального сопряжения. т. е. в паре для монтажа «спиной к спине». «лицом к лицу» или «тандем». Цельный. центрированный по внешнему кольцу. механически обработанный. ламинированный. фенольный сепаратор. Сверхточный класс 7. 15° Угол контакта. |
| B7202E.TPA.P4.UL | ISO | Универсальный монтаж и легкий преднатяг. Сепаратор из текстильной ламинированной фенольной смолы. 25° Угол контакта. Точность размеров и хода соответствует классу допуска ISO 4 (точнее. чем P5) — Abec-7. |
| B7202C.TPA.P4.K5.UL | ISO | 15° Угол контакта. Универсальный монтаж и легкий преднатяг. Сепаратор из текстильной ламинированной фенольной смолы. Точность размеров и хода соответствует классу допуска ISO 4 (точнее. чем P5) — Abec-7. Ближе к стандартным допускам. |
| 202HCUL 0-11 | ISO | 15° Угол контакта. Универсальный монтаж и легкий преднатяг. Сепаратор из фенольной смолы с текстильным ламинированием. Внешнее кольцо центрировано. Anderson WInsorlube L245X MIL L6085A. Temperature Range -67°F (-55°C) / +175°F (+79.44°C). |
| B7202C.TPA.P4.UL | ISO | 15° Угол контакта. Универсальный монтаж и легкий преднатяг. Сепаратор из текстильной ламинированной фенольной смолы. Точность размеров и хода соответствует классу допуска ISO 4 (точнее. чем P5) — Abec-7. |
| 2MM202WISUL | ISO | Одиночный подшипник. Универсальный. Легкий преднатяг. 15° Low Угол контакта. Super Precision Abec-7 (Iso P4).. Низкий борт на наружном кольце, стандартный сепаратор - формованный армированный нейлоновый. |
| E215 7 PE1 UM | ISO | Внешнее расположение сепаратора. Формованный под давлением сепаратор из полиамида 6.6. P4 (SKF)=Abec.7. CD (SKF)=15° Угол контакта. GB (SKF)=Single. Universally Matchable. For Medium Preload. |
| B7202-E-T-P4S-UL | ISO | Универсальный монтаж и легкий преднатяг. 25° Угол контакта. Textile Laminated Phenolic Resin. Outer Ring Guided. The Cage Is Suitable For Long-Term Operation At Temperatures Up To 100°C. Класс точности. стандарт FAG лучше чем P4. |
| SV7202C P4 TA X4D L02 | ISO | 15° Угол контакта. Bore And Outer Diameter In 2 Groups. Цельный. центрированный по внешнему кольцу. механически обработанный. ламинированный. фенольный сепаратор. Класс точности Р4 по ISO (точнее. чем P5) - Abec.7. Light General Purpose Instrument Oil -65° F to 300° F. |
Аналог шарикового подшипника 7202ACD/P4A — это подшипник такого же размера dx15,Dx35,Bx11, типа и конструкции.
| Обозначение | Конструктивные особенности | Внутренний (d) | Наружный (D) | Ширина (B) |
|---|---|---|---|---|
| 5-80202 КС9 | Шариковый радиальный однорядный подшипник. «Замок» (скос) на внутреннем кольце плюс массивный сепаратор из текстолита. Смазка ЛЗ-31. | 15.00 | 35.00 | 11.00 |
| 5-80202 КШ2УТ2С9 | Шариковый радиальный однорядный подшипник. Дополнительные технические требования. 200°. Температура отпуска. Нормы шумности. Смазка ЛЗ-31. | 15.00 | 35.00 | 11.00 |
| 5-80202 С2Ш2У | Шариковый радиальный однорядный подшипник. Дополнительные технические требования. Смазка ЦИАТИМ-221. Нормы шумности. | 15.00 | 35.00 | 11.00 |
| 5-80202 С9Ш2У | Шариковый радиальный однорядный подшипник. Дополнительные технические требования. Нормы шумности. Смазка ЛЗ-31. | 15.00 | 35.00 | 11.00 |
| 50202-А | Шариковый радиальный однорядный подшипник. Повышенная грузоподъемность. | 15.00 | 35.00 | 11.00 |
| 50202-АЕ | Шариковый радиальный однорядный подшипник. Сепаратор из текстолита.. Повышенная грузоподъемность. | 15.00 | 35.00 | 11.00 |
| 50202-АК | Шариковый радиальный однорядный подшипник. Повышенная грузоподъемность. | 15.00 | 35.00 | 11.00 |
| 550702-М | Шариковый радиальный однорядный подшипник. Модифицированный контакт.. | 15.00 | 35.00 | 12.00 |
| 56-32202 Б1 | Роликовый радиальный однорядный подшипник. Сепаратор из безоловянистой бронзы.. | 15.00 | 35.00 | 11.00 |
| 6-160202 АЕ | Шариковый радиальный однорядный подшипник. Сепаратор из текстолита.. Повышенная грузоподъемность. | 15.00 | 35.00 | 11.00 |
| 6-160202 АЕ2 | Шариковый радиальный однорядный подшипник. Повышенная грузоподъемность. Сепаратор из пластических материалов.. | 15.00 | 35.00 | 11.00 |
| 6-160202 Е | Шариковый радиальный однорядный подшипник. Сепаратор из текстолита.. | 15.00 | 35.00 | 11.00 |
| 6-160202 Е2 | Шариковый радиальный однорядный подшипник. Сепаратор из пластических материалов.. | 15.00 | 35.00 | 11.00 |
| 6-170415 Л | Шариковый радиальный однорядный подшипник. Сепаратор из латуни.. | 15.00 | 35.00 | 11.00 |
| 6-180202 С17 | Шариковый радиальный однорядный подшипник. Смазка Литол-24. | 15.00 | 35.00 | 11.00 |
Способы доставки
Отправка через ведущие транспортные и курьерские компании: ПЭК, Деловые Линии, СДЭК, Байкал-Сервис, Энергия, КИТ, ЖелДорЭкспедиция.
Самовывоз возможен напрямую со склада в Москве.
Сроки доставки
Срок зависит от региона и выбранной транспортной компании. Все заказы комплектуются и отправляются в кратчайшие сроки со склада в Москве.
Надёжность и сохранность
Вся продукция упаковывается с учётом требований транспортировки. Мы гарантируем, что подшипники и комплектующие прибудут к заказчику в полной сохранности.
Доставка в страны ЕАЭС
Мы работаем с проверенными логистическими партнёрами, что позволяет оперативно доставлять заказы в Беларусь, Казахстан, Армению и другие страны ЕАЭС.
Варианты оплаты:
Минимальная сумма заказа и скидки:
Документы и гарантии:
Да, конечно! Наши технические специалисты готовы помочь вам с подбором точного аналога или замены подшипника. Просто позвоните нам по телефону +7 (495) 104-99-04 или напишите на почту zakaz@podsnab.ru.
Для оперативной консультации подготовьте, пожалуйста, имеющиеся данные: маркировку, размеры, тип оборудования или артикул старого подшипника.
Да, конечно! Мы высоко ценим долгосрочное сотрудничество и доверие клиентов по всей России. Для постоянных клиентов действует персональная система скидок.
Условия формируются индивидуально и зависят от:
Чтобы узнать свои условия и получить максимально выгодное предложение, свяжитесь с персональным менеджером или напишите нам на почту zakaz@podsnab.ru.
Вы можете оформить заказ несколькими способами:
Для оформления заказа от юридического лица свяжитесь с нашим отделом по работе с корпоративными клиентами по телефону +7 (495) 104-99-04 или напишите на email zakaz@podsnab.ru, прикрепив реквизиты вашей организации.
Мы оперативно подготовим коммерческое предложение и выставим счет.
Возврат товара надлежащего качества возможен в течение 10 дней с момента получения, если товар не был в употреблении, сохранен товарный вид, упаковка не вскрывалась и присутствуют все сопроводительные документы.
Возврат денежных средств осуществляется в течение 10 рабочих дней после проверки товара складом.
В соответствии с законодательством возврату не подлежат подшипники надлежащего качества, если отсутствует оригинальная упаковка или имеются следы монтажа.
В случае выявления брака или гарантийного случая мы гарантируем возврат или обмен товара.
Да, гарантийный срок хранения устанавливается заводом-изготовителем и в среднем составляет 2 года при соблюдении условий хранения: сухое помещение, оригинальная упаковка и смазка.
Точный срок для конкретного типа подшипника уточняйте у наших менеджеров.
Пн–Пт: с 8:00 до 17:00 (МСК).
Сб–Вс: выходные дни.
Заказы на сайте принимаются круглосуточно. Заявки, поступившие после окончания рабочего дня, обрабатываются на следующий рабочий день.
Минимальная сумма заказа для доставки составляет 3000 рублей. Самовывоз со склада возможен на любую сумму при наличии товара.
ООО «УралТехГрупп»
ИНН: 7415093830
КПП: 772401001
ОГРН: 1167456069021
Банк: ПАО Сбербанк
Р/с: 40702810838000475273
К/с: 30101810400000000225
БИК: 044525225
У подшипника 7202ACD/P4A пока нет отзывов. Вы можете стать первым покупателем, поделившимся своим мнением.