Поиск подшипника
Статьи
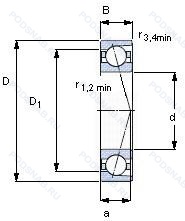
7217ACD/P4A — Подшипник шариковый однорядный радиально-упорный, модификация основного исполнения 7217, производство SKF.
Размер подшипника: 85x150x28 мм.
Точность размеров в соответствии с классом допуска iso 4. точность вращения лучше чем класс допуска iso 4, 25° угол контакта.
Альтернативное обозначение: B7217-E-T-P4S.
Международная стандартизации ISO
7217ACDP4A
В наличии
| Обозначение | Конструктивные изменения |
|---|---|
| 7217 A-UX | Двухрядный радиально-упорный шарикоподшипник без отверстия для смазки. Универсальный монтаж, сверхлегкая предварительная нагрузка.. |
| 7217 B-UX | Конический роликовый подшипник. Угол контакта 20 градусов. Универсальный монтаж, сверхлегкая предварительная нагрузка.. |
| 7217 C-UD | 15° Угол контакта. |
| 7217BDF | Угол контакта 40°. Механически обработанный сепаратор из стали или специального чугуна. |
| 7217CDT | Механически обработанный сепаратор из текстолита. Однорядный радиально-упорный шарикоподшипник улучшенной конструкции с углом контакта 15°. |
| 7217DB | Two Single Row Deep Groove Ball Bearings. Single Row Angular Contact Ball Bearings Or Single Row Tapered Roller Bearings Matched For Mounting In A Back-To-Back Arrangement. |
| 7217CDB | Однорядный радиально-упорный шарикоподшипник улучшенной конструкции с углом контакта 15°. |
| 7217DT | Дуплексные подшипники для установки в тандеме. |
| 7217DF | Комплект из двух подшипников. согласованных для установки по Х-образной схеме. Число. следующее непосредственно после букв DF. обозначает конструкцию промежуточного кольца. |
| 7217CDF | Механически обработанный сепаратор из стали или специального чугуна. Однорядный радиально-упорный шарикоподшипник улучшенной конструкции с углом контакта 15°. |
| 7217BDB | Угол контакта 40°. |
| 7217BDT | Угол контакта 40°. Механически обработанный сепаратор из текстолита. |
| 7217 ADB | Modified Snap Ring Grooves In The Outer Ring_ Two-Piece Inner Ring Held Together By A Retaining Ring. |
| 7217 ADF | Механически обработанный сепаратор из стали или специального чугуна. |
| 7217 ADT | Механически обработанный сепаратор из текстолита. |
| 5S-7217UCG/GNP42 | Угол контакта 15°. Универсальный подшипник. Класс точности JIS4 для размеров и JIS 2 для точности вращения. Гибридный подшипник. |
| 7217CGD2/GLP4 | Угол контакта 15°. Универсальный подшипник. Класс точности JIS4 / ISO 4. |
| 7217UCG/GNP42 | Угол контакта 15°. Универсальный подшипник. Класс точности JIS4 для размеров и JIS 2 для точности вращения. |
| 7217WN | Sizes 7201K Through 7203WN Have A 20° Угол контакта And A Nylon Cage. Sizes 7204WN through 7218WN have a 40° Угол контакта And A One-Piece. Ball Piloted. Pressed Brass Cage. Larger Sizes 7219WN Through 7230WN Have A 40° Угол контакта And A One-Piece. Outer Ring Piloted High-Strength Machined Bronze Cage. |
| 7217C | Угол контакта 15°. |
| 7217 A | Двухрядный радиально-упорный шарикоподшипник без отверстия для смазки. |
| 7217CPA | Угол контакта 15 градусов. |
| 7217-BE-MP | Single Row Angular Contact Ball Bearing With A 40° Угол контакта And Optimized Internal Design. Массивный латунный сепаратор. центрированный по телам качения. |
| 7217-BE-TVP | Molded Snap-Type Cage Of Glass Fibre Reinforced Polyamide. Rolling Element Riding. Single Row Angular Contact Ball Bearing With A 40° Угол контакта And Optimized Internal Design. |
| 7217-BECB-MP | Массивный латунный сепаратор. центрированный по телам качения. |
Модификации шарикового подшипника 7217ACD/P4A — это измененное основное конструктивное исполнение 7217, основные размеры (85x150x28) не отличаются.
| Обозначение | Гост | Конструктивные особенности |
|---|---|---|
| B7217-E-T-P4S-UL | ISO | Универсальный монтаж и легкий преднатяг. Повышенная грузоподъемность. Textile Laminated Phenolic Resin. Outer Ring Guided. The Cage Is Suitable For Long-Term Operation At Temperatures Up To 100°C. Класс точности. стандарт FAG лучше чем P4. |
| 2MM217WICRSUL | ISO | Подшипник шариковый однорядный радиально-упорный. |
| 18AON | ISO | Без суффикса. но с обозначением типа. |
| B7217E.TPA.P4.UL | ISO | Универсальный монтаж и легкий преднатяг. Сепаратор из текстильной ламинированной фенольной смолы. 25° Угол контакта. Точность размеров и хода соответствует классу допуска ISO 4 (точнее. чем P5) — Abec-7. |
| B7217C.TPA.P4 | ISO | 15° Угол контакта. Сепаратор из текстильной ламинированной фенольной смолы. Точность размеров и хода соответствует классу допуска ISO 4 (точнее. чем P5) — Abec-7. |
| 185ACD | ISO | 25° Угол контакта. |
| B7217-E-T-P4S | ISO | 25° Угол контакта. Textile Laminated Phenolic Resin. Outer Ring Guided. The Cage Is Suitable For Long-Term Operation At Temperatures Up To 100°C. Класс точности. стандарт FAG лучше чем P4. |
| B7217-C-T-P4S | ISO | 15° Угол контакта. Textile Laminated Phenolic Resin. Outer Ring Guided. The Cage Is Suitable For Long-Term Operation At Temperatures Up To 100°C. Класс точности. стандарт FAG лучше чем P4. |
| F-X808850.SPL | ISO | Подшипник шариковый однорядный радиально-упорный. |
| B7217C.TPA.P4.UL | ISO | 15° Угол контакта. Универсальный монтаж и легкий преднатяг. Сепаратор из текстильной ламинированной фенольной смолы. Точность размеров и хода соответствует классу допуска ISO 4 (точнее. чем P5) — Abec-7. |
| B7217-C-T-P4S-UL | ISO | 15° Угол контакта. Универсальный монтаж и легкий преднатяг. Textile Laminated Phenolic Resin. Outer Ring Guided. The Cage Is Suitable For Long-Term Operation At Temperatures Up To 100°C. Класс точности. стандарт FAG лучше чем P4. |
| HCB7217-C-T-P4S-UL | ISO | 15° Угол контакта. Универсальный монтаж и легкий преднатяг. Textile Laminated Phenolic Resin. Outer Ring Guided. The Cage Is Suitable For Long-Term Operation At Temperatures Up To 100°C. Класс точности. стандарт FAG лучше чем P4. |
| 46217 | ISO | Подшипник шариковый однорядный радиально-упорный. |
| B7217UL P5 | ISO | Два однорядных радиально-упорных шарикоподшипника для универсального сопряжения. т. е. в паре для монтажа «спиной к спине». «лицом к лицу» или «тандем». Класс точности ISO P5 (=ABEC5). |
| 217R | ISO | Расточенное наружное кольцо. Подшипник однорядный радиального типа. Угол контакта 15°. |
| 217HE | ISO | Закрепительная втулка. |
| B7217-C-T-P4S-UM | ISO | 15° Угол контакта. Textile Laminated Phenolic Resin. Outer Ring Guided. The Cage Is Suitable For Long-Term Operation At Temperatures Up To 100°C. Класс точности. стандарт FAG лучше чем P4. Однорядный. Универсальный. Средний преднатяг. |
| B7217-E-T-P4S-UM | ISO | 25° Угол контакта. Textile Laminated Phenolic Resin. Outer Ring Guided. The Cage Is Suitable For Long-Term Operation At Temperatures Up To 100°C. Класс точности. стандарт FAG лучше чем P4. Однорядный. Универсальный. Средний преднатяг. |
| B7217-E-T-P4S-K5-UL | ISO | Универсальный монтаж и легкий преднатяг. 25° Угол контакта. Textile Laminated Phenolic Resin. Outer Ring Guided. The Cage Is Suitable For Long-Term Operation At Temperatures Up To 100°C. Комбинация P4S (граничные размеры ISO 4. ABEC-7. Точность вращения ISO 2. ABEC-9) и K5 (то же. что и P4S. но со средней сортировкой отверстия и наружного диаметра). |
| B7217TA UL EP7 YG O/D | ISO | Два однорядных радиально-упорных шарикоподшипника для универсального сопряжения. т. е. в паре для монтажа «спиной к спине». «лицом к лицу» или «тандем». Половина целого игольчатого валика. Применять суффикс 'D' в базовом номере. Цельный. центрированный по внешнему кольцу. механически обработанный. ламинированный. фенольный сепаратор. Сверхточный класс 7. Класс точности 1 по стандарту ABEC 1F. |
Аналог шарикового подшипника 7217ACD/P4A — это подшипник такого же размера dx85,Dx150,Bx28, типа и конструкции.
| Обозначение | Конструктивные особенности | Внутренний (d) | Наружный (D) | Ширина (B) |
|---|---|---|---|---|
| 42217KM | Роликовый радиальный однорядный подшипник. Type Of Model. | 85.00 | 150.00 | 28.00 |
| 42217M | Роликовый радиальный однорядный подшипник. Подшипник с латунным сепаратором. центрированный по телам качения. | 85.00 | 150.00 | 28.00 |
| 46217-Е | Шариковый радиально-упорный однорядный подшипник. Сепаратор из текстолита.. | 85.00 | 150.00 | 28.00 |
| 46217-Л | Шариковый радиально-упорный однорядный подшипник. Сепаратор из латуни.. | 85.00 | 150.00 | 28.00 |
| 46217К | Шариковый радиально-упорный однорядный подшипник. «Замок» (скос) на внутреннем кольце плюс массивный сепаратор из текстолита. | 85.00 | 150.00 | 28.00 |
| 5-217 К5 | Шариковый радиальный однорядный подшипник. Повышенная грузоподъемность. | 85.00 | 150.00 | 28.00 |
| 5-217 Л | Шариковый радиальный однорядный подшипник. Сепаратор из латуни.. | 85.00 | 150.00 | 28.00 |
| 5-276217 БТ2 | Шариковый радиально-упорный однорядный подшипник. 200°. Температура отпуска. Сепаратор из безоловянистой бронзы.. | 85.00 | 150.00 | 28.00 |
| 5-36217 Е | Шариковый радиально-упорный однорядный подшипник. Сепаратор из текстолита.. | 85.00 | 150.00 | 28.00 |
| 5-36217 Е5 | Шариковый радиально-упорный однорядный подшипник. Сепаратор из текстолита.. | 85.00 | 150.00 | 28.00 |
| 5-36217 Л | Шариковый радиально-упорный однорядный подшипник. Сепаратор из латуни.. | 85.00 | 150.00 | 28.00 |
| 5-46217 Е | Шариковый радиально-упорный однорядный подшипник. Сепаратор из текстолита.. | 85.00 | 150.00 | 28.00 |
| 5-46217 Л | Шариковый радиально-упорный однорядный подшипник. Сепаратор из латуни.. | 85.00 | 150.00 | 28.00 |
| 50217-АК5 | Шариковый радиальный однорядный подшипник. Повышенная грузоподъемность. | 85.00 | 150.00 | 28.00 |
| 50217-К5 | Шариковый радиальный однорядный подшипник. Повышенная грузоподъемность. | 85.00 | 150.00 | 28.00 |
Способы доставки
Отправка через ведущие транспортные и курьерские компании: ПЭК, Деловые Линии, СДЭК, Байкал-Сервис, Энергия, КИТ, ЖелДорЭкспедиция.
Самовывоз возможен напрямую со склада в Москве.
Сроки доставки
Срок зависит от региона и выбранной транспортной компании. Все заказы комплектуются и отправляются в кратчайшие сроки со склада в Москве.
Надёжность и сохранность
Вся продукция упаковывается с учётом требований транспортировки. Мы гарантируем, что подшипники и комплектующие прибудут к заказчику в полной сохранности.
Доставка в страны ЕАЭС
Мы работаем с проверенными логистическими партнёрами, что позволяет оперативно доставлять заказы в Беларусь, Казахстан, Армению и другие страны ЕАЭС.
Варианты оплаты:
Минимальная сумма заказа и скидки:
Документы и гарантии:
Да, конечно! Наши технические специалисты готовы помочь вам с подбором точного аналога или замены подшипника. Просто позвоните нам по телефону +7 (495) 104-99-04 или напишите на почту zakaz@podsnab.ru.
Для оперативной консультации подготовьте, пожалуйста, имеющиеся данные: маркировку, размеры, тип оборудования или артикул старого подшипника.
Да, конечно! Мы высоко ценим долгосрочное сотрудничество и доверие клиентов по всей России. Для постоянных клиентов действует персональная система скидок.
Условия формируются индивидуально и зависят от:
Чтобы узнать свои условия и получить максимально выгодное предложение, свяжитесь с персональным менеджером или напишите нам на почту zakaz@podsnab.ru.
Вы можете оформить заказ несколькими способами:
Для оформления заказа от юридического лица свяжитесь с нашим отделом по работе с корпоративными клиентами по телефону +7 (495) 104-99-04 или напишите на email zakaz@podsnab.ru, прикрепив реквизиты вашей организации.
Мы оперативно подготовим коммерческое предложение и выставим счет.
Возврат товара надлежащего качества возможен в течение 10 дней с момента получения, если товар не был в употреблении, сохранен товарный вид, упаковка не вскрывалась и присутствуют все сопроводительные документы.
Возврат денежных средств осуществляется в течение 10 рабочих дней после проверки товара складом.
В соответствии с законодательством возврату не подлежат подшипники надлежащего качества, если отсутствует оригинальная упаковка или имеются следы монтажа.
В случае выявления брака или гарантийного случая мы гарантируем возврат или обмен товара.
Да, гарантийный срок хранения устанавливается заводом-изготовителем и в среднем составляет 2 года при соблюдении условий хранения: сухое помещение, оригинальная упаковка и смазка.
Точный срок для конкретного типа подшипника уточняйте у наших менеджеров.
Пн–Пт: с 8:00 до 17:00 (МСК).
Сб–Вс: выходные дни.
Заказы на сайте принимаются круглосуточно. Заявки, поступившие после окончания рабочего дня, обрабатываются на следующий рабочий день.
Минимальная сумма заказа для доставки составляет 3000 рублей. Самовывоз со склада возможен на любую сумму при наличии товара.
ООО «УралТехГрупп»
ИНН: 7415093830
КПП: 772401001
ОГРН: 1167456069021
Банк: ПАО Сбербанк
Р/с: 40702810838000475273
К/с: 30101810400000000225
БИК: 044525225
У подшипника 7217ACD/P4A пока нет отзывов. Вы можете стать первым покупателем, поделившимся своим мнением.