Поиск подшипника
Статьи
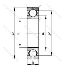
HS71903C.T.P4S.UL — Подшипник шариковый однорядный радиально-упорный, модификация основного исполнения HS71903, производство FAG.
Размер подшипника: 17x30x7 мм.
Высокоскоростной шпиндельный подшипник, класс точности. стандарт fag лучше чем p4, универсальный монтаж и легкий преднатяг, 15° угол контакта, textile laminated phenolic resin. outer ring guided. the cage is suitable for long-term operation at temperatures up to 100°c.
Аналоги: HS71903-C-T-P4S-UL FAG.
Международная стандартизации ISO
HS71903CTP4SUL
В наличии
| Обозначение | Конструктивные изменения |
|---|---|
| HS71903E.T.P4S.UL | Универсальный монтаж и легкий преднатяг. 25° Угол контакта. Textile Laminated Phenolic Resin. Outer Ring Guided. The Cage Is Suitable For Long-Term Operation At Temperatures Up To 100°C. Класс точности. стандарт FAG лучше чем P4. |
| HS71903-E-T-P4S-UM | 25° Угол контакта. Textile Laminated Phenolic Resin. Outer Ring Guided. The Cage Is Suitable For Long-Term Operation At Temperatures Up To 100°C. Класс точности. стандарт FAG лучше чем P4. Однорядный. Универсальный. Средний преднатяг. |
| HS71903-C-T-P4S | 15° Угол контакта. Textile Laminated Phenolic Resin. Outer Ring Guided. The Cage Is Suitable For Long-Term Operation At Temperatures Up To 100°C. Класс точности. стандарт FAG лучше чем P4. |
| HS71903-E-T-P4S | Повышенная грузоподъемность. Textile Laminated Phenolic Resin. Outer Ring Guided. The Cage Is Suitable For Long-Term Operation At Temperatures Up To 100°C. Класс точности. стандарт FAG лучше чем P4. |
Модификации шарикового подшипника HS71903C.T.P4S.UL — это измененное основное конструктивное исполнение HS71903, основные размеры (17x30x7) не отличаются.
| Обозначение | Гост | Конструктивные особенности |
|---|---|---|
| B71903-E-T-P4S-K5-UL | ISO | Универсальный монтаж и легкий преднатяг. 25° Угол контакта. Textile Laminated Phenolic Resin. Outer Ring Guided. The Cage Is Suitable For Long-Term Operation At Temperatures Up To 100°C. Комбинация P4S (граничные размеры ISO 4. ABEC-7. Точность вращения ISO 2. ABEC-9) и K5 (то же. что и P4S. но со средней сортировкой отверстия и наружного диаметра). |
| B71903-E-TPA-P4-UL | ISO | Универсальный монтаж и легкий преднатяг. Сепаратор из текстильной ламинированной фенольной смолы. 25° Угол контакта. Точность размеров и хода соответствует классу допуска ISO 4 (точнее. чем P5) — Abec-7. |
| B71903C.TPA.P4.UL | ISO | 15° Угол контакта. Универсальный монтаж и легкий преднатяг. Сепаратор из текстильной ламинированной фенольной смолы. Точность размеров и хода соответствует классу допуска ISO 4 (точнее. чем P5) — Abec-7. |
| 7903CPA GL FT P4U | ISO | 15° Contact Angel. Небольшая предварительная нагрузка. Outer Ring-Guiding. Machined Cage Made Of Reinforced Phenolic. Tolerance Class Code. |
| HSS71903-C-T-P4S-UL | ISO | 15° Угол контакта. Универсальный монтаж и легкий преднатяг. Textile Laminated Phenolic Resin. Outer Ring Guided. The Cage Is Suitable For Long-Term Operation At Temperatures Up To 100°C. Класс точности. стандарт FAG лучше чем P4. |
| 7903UCG/GNP42U3G | ISO | 15˚ Угол контакта. Одиночные подшипники. Универсальный монтаж. Серия ULTAGE. Точность размеров = JIS класс 4. точность хода = JIS Класс 2. Нормальный преднатяг. |
| S71903CEGA/P4A | ISO | Точность размеров в соответствии с классом допуска ISO 4. точность вращения лучше чем класс допуска ISO 4. Однорядный радиально-упорный шарикоподшипник для универсальной установки. Два подшипника. расположенных «спина к спине» или «лицом к лицу». будут иметь небольшой преднатяг. 15° Угол контакта And (E) Small Size Steel Balls. |
| S71903CEGA/HCP4A | ISO | Точность размеров в соответствии с классом допуска ISO 4. точность вращения лучше чем класс допуска ISO 4. Однорядный радиально-упорный шарикоподшипник для универсальной установки. Два подшипника. расположенных «спина к спине» или «лицом к лицу». будут иметь небольшой преднатяг. Подшипник или компоненты подшипника из керамики. 15° Угол контакта And (E) Small Size Steel Balls. |
| S71903ACEGA/P4A | ISO | Точность размеров в соответствии с классом допуска ISO 4. точность вращения лучше чем класс допуска ISO 4. Однорядный радиально-упорный шарикоподшипник для универсальной установки. Два подшипника. расположенных «спина к спине» или «лицом к лицу». будут иметь небольшой преднатяг. 25° Угол контакта And (E) Small Size Steel Balls. |
| S71903ACEGA/HCP4A | ISO | Точность размеров в соответствии с классом допуска ISO 4. точность вращения лучше чем класс допуска ISO 4. Однорядный радиально-упорный шарикоподшипник для универсальной установки. Два подшипника. расположенных «спина к спине» или «лицом к лицу». будут иметь небольшой преднатяг. Подшипник или компоненты подшипника из керамики. 25° Угол контакта And (E) Small Size Steel Balls. |
| 71903ACDGA/HCP4A | ISO | Точность размеров в соответствии с классом допуска ISO 4. точность вращения лучше чем класс допуска ISO 4. Однорядный радиально-упорный шарикоподшипник для универсальной установки. Два подшипника. расположенных «спина к спине» или «лицом к лицу». будут иметь небольшой преднатяг. 25° Угол контакта. Подшипник или компоненты подшипника из керамики. |
| 71903CXGA/P4A | ISO | 15° Угол контакта. Размеры границ изменены в соответствии со стандартами ISO. Точность размеров в соответствии с классом допуска ISO 4. точность вращения лучше чем класс допуска ISO 4. Однорядный радиально-упорный шарикоподшипник для универсальной установки. Два подшипника. расположенных «спина к спине» или «лицом к лицу». будут иметь небольшой преднатяг. |
| 71903.C.T.P2H.UL | ISO | 15° Угол контакта. Подшипник для универсального монтажа. Легкий преднатяг. Сепаратор из обработанной фенольной смолы. Расположен на элементах качения. Подшипник с чрезвычайно высокой точностью вращения (Abec9) и допуском формы (Abec7). |
| XC71903-E-T-P4S-UL | ISO | Универсальный монтаж и легкий преднатяг. 25° Угол контакта. Textile Laminated Phenolic Resin. Outer Ring Guided. The Cage Is Suitable For Long-Term Operation At Temperatures Up To 100°C. Класс точности. стандарт FAG лучше чем P4. |
| 7903A5 TR SUM P3 | ISO | Сепаратор из фенольных смол. центрируемый по внутреннему кольцу. 25° Угол контакта. Одиночный. Универсальный. Средний преднатяг. Класс точности ниже. чем P2. но выше. чем P4. |
| 71903HVUJ84 | ISO | Ламинированный фенольный сепаратор с центрированием на внешнем кольце. 25° Угол контакта. Универсальный одиночный подшипник. Точность размеров и хода соответствует классу допусков 4 (более высокая. чем P5)-ABEC7. |
| 7903A5TRSULP3 | ISO | Одиночный подшипник. Универсальный. Легкий преднатяг. Сепаратор из фенольных смол. центрируемый по внутреннему кольцу. 25° Угол контакта. Класс точности ниже. чем P2. но выше. чем P4. |
| 7903CTRSUMP3 | ISO | 15° Угол контакта. Сепаратор из фенольных смол. центрируемый по внутреннему кольцу. Одиночный подшипник. Средний преднатяг. Класс точности ниже. чем P2. но выше. чем P4. |
| HCB71903-E-2RSD-T-P4S | ISO | 25° Угол контакта. Textile Laminated Phenolic Resin. Outer Ring Guided. The Cage Is Suitable For Long-Term Operation At Temperatures Up To 100°C. Класс точности. стандарт FAG лучше чем P4. Lip Seals On Both Sides. Non-Contact. |
| B71903-E-2RSD-T-P4S-K | ISO | Коническое отверстие. Конусность 1/12. 25° Угол контакта. Textile Laminated Phenolic Resin. Outer Ring Guided. The Cage Is Suitable For Long-Term Operation At Temperatures Up To 100°C. Класс точности. стандарт FAG лучше чем P4. Lip Seals On Both Sides. Non-Contact. |
Аналог шарикового подшипника HS71903C.T.P4S.UL — это подшипник такого же размера dx17,Dx30,Bx7, типа и конструкции.
| Обозначение | Конструктивные особенности | Внутренний (d) | Наружный (D) | Ширина (B) |
|---|---|---|---|---|
| 3NCHAC903CA | Шариковый радиальный однорядный подшипник. Угол контакта 20 градусов. Латунный сепаратор с симметричными роликами. | 17.00 | 30.00 | 7.00 |
| 1000903-ZZ | Шариковый радиальный однорядный подшипник. Защитные металлические шайбы с обеих сторон. | 17.00 | 30.00 | 7.00 |
| 1000903-ЮТ | Шариковый радиальный однорядный подшипник. Температура отпуска. 160°. Все детали или часть деталей из нержавеющей стали.. | 17.00 | 30.00 | 7.00 |
| 1000903.2RS | Шариковый радиальный однорядный подшипник. Резиновые уплотнения с каждой стороны подшипника. | 17.00 | 30.00 | 7.00 |
| 5-1000903 Л | Шариковый радиальный однорядный подшипник. Сепаратор из латуни.. | 17.00 | 30.00 | 7.00 |
| 5-1000903 Т2 | Шариковый радиальный однорядный подшипник. 200°. Температура отпуска. | 17.00 | 30.00 | 7.00 |
| 5-1000903 У | Шариковый радиальный однорядный подшипник. Дополнительные технические требования. | 17.00 | 30.00 | 7.00 |
| 5-1000903 Ю | Шариковый радиальный однорядный подшипник. Все детали или часть деталей из нержавеющей стали.. | 17.00 | 30.00 | 7.00 |
| 5-1000903 Ю1Т | Шариковый радиальный однорядный подшипник. Температура отпуска. 160°. Все детали или часть деталей из нержавеющей стали.. | 17.00 | 30.00 | 7.00 |
| 5-1000903 ЮТ | Шариковый радиальный однорядный подшипник. Температура отпуска. 160°. Все детали или часть деталей из нержавеющей стали.. | 17.00 | 30.00 | 7.00 |
| 5-1000903 ЮТП | Шариковый радиальный однорядный подшипник. Температура отпуска. 160°. Все детали или часть деталей из нержавеющей стали.. | 17.00 | 30.00 | 7.00 |
| 6-1000903 Р1 | Шариковый радиальный однорядный подшипник. Детали из теплоустойчивой (быстрорежущие) стали.. | 17.00 | 30.00 | 7.00 |
| 6-1000903 Ю | Шариковый радиальный однорядный подшипник. Все детали или часть деталей из нержавеющей стали.. | 17.00 | 30.00 | 7.00 |
| 6-1000903 ЮТ | Шариковый радиальный однорядный подшипник. Температура отпуска. 160°. Все детали или часть деталей из нержавеющей стали.. | 17.00 | 30.00 | 7.00 |
| 6-180903 С24 | Шариковый радиальный однорядный подшипник. Смазка СЭДА. | 17.00 | 30.00 | 7.00 |
Способы доставки
Отправка через ведущие транспортные и курьерские компании: ПЭК, Деловые Линии, СДЭК, Байкал-Сервис, Энергия, КИТ, ЖелДорЭкспедиция.
Самовывоз возможен напрямую со склада в Москве.
Сроки доставки
Срок зависит от региона и выбранной транспортной компании. Все заказы комплектуются и отправляются в кратчайшие сроки со склада в Москве.
Надёжность и сохранность
Вся продукция упаковывается с учётом требований транспортировки. Мы гарантируем, что подшипники и комплектующие прибудут к заказчику в полной сохранности.
Доставка в страны ЕАЭС
Мы работаем с проверенными логистическими партнёрами, что позволяет оперативно доставлять заказы в Беларусь, Казахстан, Армению и другие страны ЕАЭС.
Варианты оплаты:
Минимальная сумма заказа и скидки:
Документы и гарантии:
Да, конечно! Наши технические специалисты готовы помочь вам с подбором точного аналога или замены подшипника. Просто позвоните нам по телефону +7 (495) 104-99-04 или напишите на почту zakaz@podsnab.ru.
Для оперативной консультации подготовьте, пожалуйста, имеющиеся данные: маркировку, размеры, тип оборудования или артикул старого подшипника.
Да, конечно! Мы высоко ценим долгосрочное сотрудничество и доверие клиентов по всей России. Для постоянных клиентов действует персональная система скидок.
Условия формируются индивидуально и зависят от:
Чтобы узнать свои условия и получить максимально выгодное предложение, свяжитесь с персональным менеджером или напишите нам на почту zakaz@podsnab.ru.
Вы можете оформить заказ несколькими способами:
Для оформления заказа от юридического лица свяжитесь с нашим отделом по работе с корпоративными клиентами по телефону +7 (495) 104-99-04 или напишите на email zakaz@podsnab.ru, прикрепив реквизиты вашей организации.
Мы оперативно подготовим коммерческое предложение и выставим счет.
Возврат товара надлежащего качества возможен в течение 10 дней с момента получения, если товар не был в употреблении, сохранен товарный вид, упаковка не вскрывалась и присутствуют все сопроводительные документы.
Возврат денежных средств осуществляется в течение 10 рабочих дней после проверки товара складом.
В соответствии с законодательством возврату не подлежат подшипники надлежащего качества, если отсутствует оригинальная упаковка или имеются следы монтажа.
В случае выявления брака или гарантийного случая мы гарантируем возврат или обмен товара.
Да, гарантийный срок хранения устанавливается заводом-изготовителем и в среднем составляет 2 года при соблюдении условий хранения: сухое помещение, оригинальная упаковка и смазка.
Точный срок для конкретного типа подшипника уточняйте у наших менеджеров.
Пн–Пт: с 8:00 до 17:00 (МСК).
Сб–Вс: выходные дни.
Заказы на сайте принимаются круглосуточно. Заявки, поступившие после окончания рабочего дня, обрабатываются на следующий рабочий день.
Минимальная сумма заказа для доставки составляет 3000 рублей. Самовывоз со склада возможен на любую сумму при наличии товара.
ООО «УралТехГрупп»
ИНН: 7415093830
КПП: 772401001
ОГРН: 1167456069021
Банк: ПАО Сбербанк
Р/с: 40702810838000475273
К/с: 30101810400000000225
БИК: 044525225
У подшипника HS71903C.T.P4S.UL пока нет отзывов. Вы можете стать первым покупателем, поделившимся своим мнением.