Поиск подшипника
Статьи
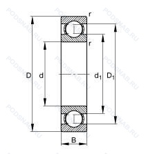
HS7021-E-T-P4S-UL — Подшипник шариковый однорядный радиально-упорный, модификация основного исполнения HS7021, производство FAG.
Размер подшипника: 105x160x26 мм.
Высокоскоростной шпиндельный подшипник, класс точности. стандарт fag лучше чем p4, универсальный монтаж и легкий преднатяг, 25° угол контакта, textile laminated phenolic resin. outer ring guided. the cage is suitable for long-term operation at temperatures up to 100°c.
Международная стандартизации ISO
HS7021ETP4SUL
В наличии
| Обозначение | Конструктивные изменения |
|---|---|
| HS7021-C-T-P4S-UL | 15° Угол контакта. Универсальный монтаж и легкий преднатяг. Textile Laminated Phenolic Resin. Outer Ring Guided. The Cage Is Suitable For Long-Term Operation At Temperatures Up To 100°C. Класс точности. стандарт FAG лучше чем P4. |
| HS7021-E-T-P4S | Повышенная грузоподъемность. Textile Laminated Phenolic Resin. Outer Ring Guided. The Cage Is Suitable For Long-Term Operation At Temperatures Up To 100°C. Класс точности. стандарт FAG лучше чем P4. |
| HS7021-C-T-P4S | 15° Угол контакта. Textile Laminated Phenolic Resin. Outer Ring Guided. The Cage Is Suitable For Long-Term Operation At Temperatures Up To 100°C. Класс точности. стандарт FAG лучше чем P4. |
Модификации шарикового подшипника HS7021-E-T-P4S-UL — это измененное основное конструктивное исполнение HS7021, основные размеры (105x160x26) не отличаются.
| Обозначение | Гост | Конструктивные особенности |
|---|---|---|
| B7021-E-T-P4S-K5-UL | ISO | Универсальный монтаж и легкий преднатяг. 25° Угол контакта. Textile Laminated Phenolic Resin. Outer Ring Guided. The Cage Is Suitable For Long-Term Operation At Temperatures Up To 100°C. Комбинация P4S (граничные размеры ISO 4. ABEC-7. Точность вращения ISO 2. ABEC-9) и K5 (то же. что и P4S. но со средней сортировкой отверстия и наружного диаметра). |
| B7021E.T.P4S.UM | ISO | 25° Угол контакта. Textile Laminated Phenolic Resin. Outer Ring Guided. The Cage Is Suitable For Long-Term Operation At Temperatures Up To 100°C. Класс точности. стандарт FAG лучше чем P4. Однорядный. Универсальный. Средний преднатяг. |
| B7021X3 TAUM EP7 | ISO | Сверхточный класс 7. Специальная фаска. |
| EX105 7 CE1 UM | ISO | Расположение внешнего сепаратора. P4 (SKF)=Abec.7. CD (SKF)=15° Угол контакта. Одиночный. Универсальная установка. Для умеренного преднатяга. C-Phenolic Resin. E-External Cage Location. 1-15° Угол контакта. |
| EX105 7 CE1 UL | ISO | Подшипник для универсального монтажа. Два подшипника. установленные по О-образной или Х-образной схеме. имеют лёгкий преднатяг. Расположение внешнего сепаратора. P4 (SKF)=Abec.7. CD (SKF)=15° Угол контакта. C-Phenolic Resin. E-External Cage Location. 1-15° Угол контакта. |
| B7021-E-T-P4S-UL | ISO | Универсальный монтаж и легкий преднатяг. 25° Угол контакта. Textile Laminated Phenolic Resin. Outer Ring Guided. The Cage Is Suitable For Long-Term Operation At Temperatures Up To 100°C. Класс точности. стандарт FAG лучше чем P4. |
| HC7021-C-T-P4S-UL | ISO | 15° Угол контакта. Универсальный монтаж и легкий преднатяг. Textile Laminated Phenolic Resin. Outer Ring Guided. The Cage Is Suitable For Long-Term Operation At Temperatures Up To 100°C. Класс точности. стандарт FAG лучше чем P4. |
| 7021ACEGA/P4A | ISO | Точность размеров в соответствии с классом допуска ISO 4. точность вращения лучше чем класс допуска ISO 4. Однорядный радиально-упорный шарикоподшипник для универсальной установки. Два подшипника. расположенных «спина к спине» или «лицом к лицу». будут иметь небольшой преднатяг. 25° Угол контакта And (E) Small Size Steel Balls. |
| S7021ACEGA/P4A | ISO | Точность размеров в соответствии с классом допуска ISO 4. точность вращения лучше чем класс допуска ISO 4. Однорядный радиально-упорный шарикоподшипник для универсальной установки. Два подшипника. расположенных «спина к спине» или «лицом к лицу». будут иметь небольшой преднатяг. 25° Угол контакта And (E) Small Size Steel Balls. |
| S7021ACEGA/HCP4A | ISO | Точность размеров в соответствии с классом допуска ISO 4. точность вращения лучше чем класс допуска ISO 4. Однорядный радиально-упорный шарикоподшипник для универсальной установки. Два подшипника. расположенных «спина к спине» или «лицом к лицу». будут иметь небольшой преднатяг. Подшипник или компоненты подшипника из керамики. 25° Угол контакта And (E) Small Size Steel Balls. |
| S7021CEGA/P4A | ISO | Точность размеров в соответствии с классом допуска ISO 4. точность вращения лучше чем класс допуска ISO 4. Однорядный радиально-упорный шарикоподшипник для универсальной установки. Два подшипника. расположенных «спина к спине» или «лицом к лицу». будут иметь небольшой преднатяг. 15° Угол контакта And (E) Small Size Steel Balls. |
| S7021CEGA/HCP4A | ISO | Точность размеров в соответствии с классом допуска ISO 4. точность вращения лучше чем класс допуска ISO 4. Однорядный радиально-упорный шарикоподшипник для универсальной установки. Два подшипника. расположенных «спина к спине» или «лицом к лицу». будут иметь небольшой преднатяг. Подшипник или компоненты подшипника из керамики. 15° Угол контакта And (E) Small Size Steel Balls. |
| 7021CDGA/HCP4A | ISO | 15° Угол контакта. Точность размеров в соответствии с классом допуска ISO 4. точность вращения лучше чем класс допуска ISO 4. Однорядный радиально-упорный шарикоподшипник для универсальной установки. Два подшипника. расположенных «спина к спине» или «лицом к лицу». будут иметь небольшой преднатяг. Подшипник или компоненты подшипника из керамики. |
| 7021ACDGA/HCP4A | ISO | Точность размеров в соответствии с классом допуска ISO 4. точность вращения лучше чем класс допуска ISO 4. Однорядный радиально-упорный шарикоподшипник для универсальной установки. Два подшипника. расположенных «спина к спине» или «лицом к лицу». будут иметь небольшой преднатяг. 25° Угол контакта. Подшипник или компоненты подшипника из керамики. |
| 7021C TA P4 | ISO | 15° Угол контакта. Клетка из ламинированной фенольной смолы или полиамидный сепаратор. направляемый по внешнему кольцу. Класс точности Р4 по ISO (точнее. чем P5) - Abec.7. |
| 7021A5 TR SUM P3 | ISO | Сепаратор из фенольных смол. центрируемый по внутреннему кольцу. 25° Угол контакта. Одиночный. Универсальный. Средний преднатяг. Класс точности ниже. чем P2. но выше. чем P4. |
| 7021.E.T.P2H.UL | ISO | Подшипник для универсального монтажа. Легкий преднатяг. 25° Угол контакта. Сепаратор из обработанной фенольной смолы. Расположен на элементах качения. Подшипник с чрезвычайно высокой точностью вращения (Abec9) и допуском формы (Abec7). |
| 7021.E.T.P4A.UL | ISO | Подшипник для универсального монтажа. Легкий преднатяг. 25° Угол контакта. Сепаратор из обработанной фенольной смолы. Расположен на элементах качения. Подшипник с чрезвычайно высокой точностью вращения (Abec9) и допуском формы (Abec7). |
| B7021-C-2RSD-T-P4S-UL | ISO | 15° Угол контакта. Универсальный монтаж и легкий преднатяг. Textile Laminated Phenolic Resin. Outer Ring Guided. The Cage Is Suitable For Long-Term Operation At Temperatures Up To 100°C. Класс точности. стандарт FAG лучше чем P4. Lip Seals On Both Sides. Non-Contact. |
| 7021.E.T.P2H.UM | ISO | 25° Угол контакта. Сепаратор из обработанной фенольной смолы. Расположен на элементах качения. Подшипник с чрезвычайно высокой точностью вращения (Abec9) и допуском формы (Abec7). Однорядный. Универсальный. Средний преднатяг. |
Аналог шарикового подшипника HS7021-E-T-P4S-UL — это подшипник такого же размера dx105,Dx160,Bx26, типа и конструкции.
| Обозначение | Конструктивные особенности | Внутренний (d) | Наружный (D) | Ширина (B) |
|---|---|---|---|---|
| 6021LLB | Шариковый радиальный однорядный подшипник. Уплотнение бесконтактного типа из синтетического каучука. | 105.00 | 160.00 | 26.00 |
| 6021ZZNR | Шариковый радиальный однорядный подшипник. Стальная шайба. Канавка и стопорное кольцо на наружном кольце. | 105.00 | 160.00 | 26.00 |
| 9121KD | Шариковый радиальный однорядный подшипник. Компоненты с покрытием Protect A имеют суффикс - KD. Protect A - это покрытие из чистого хрома с колончатой структурой поверхности. При использовании Protect A каретки с покрытием и направляющие с покрытием должны всегда комбинироваться. Если каретки с покрытием используются с направляющими без покрытия. например. это приведет к уменьшению преднатяга.. | 105.00 | 160.00 | 26.00 |
| 3NCHAC021C | Шариковый радиальный однорядный подшипник. Угол контакта 20 градусов. | 105.00 | 160.00 | 26.00 |
| 3NC HAR021C FT | Шариковый радиальный однорядный подшипник. Угол контакта 20 градусов. REINFORCED PHENOLIC CAGE. | 105.00 | 160.00 | 26.00 |
| 3NCHAC021CA | Шариковый радиальный однорядный подшипник. Угол контакта 20 градусов. Латунный сепаратор с симметричными роликами. | 105.00 | 160.00 | 26.00 |
| 3NCHAD021CA | Шариковый радиальный однорядный подшипник. Угол контакта 20 градусов. Латунный сепаратор с симметричными роликами. | 105.00 | 160.00 | 26.00 |
| 3NCHAF021CA | Шариковый радиальный однорядный подшипник. Угол контакта 20 градусов. Латунный сепаратор с симметричными роликами. | 105.00 | 160.00 | 26.00 |
| 3NCHAR021 | Шариковый радиальный однорядный подшипник. Угол контакта 20 градусов. | 105.00 | 160.00 | 26.00 |
| 3NCHAR021C | Шариковый радиальный однорядный подшипник. Угол контакта 20 градусов. | 105.00 | 160.00 | 26.00 |
| 3NCHAR021CA | Шариковый радиальный однорядный подшипник. Угол контакта 20 градусов. Латунный сепаратор с симметричными роликами. | 105.00 | 160.00 | 26.00 |
| 121-А | Шариковый радиальный однорядный подшипник. Повышенная грузоподъемность. | 105.00 | 160.00 | 26.00 |
| 46121-КЕ | Шариковый радиально-упорный однорядный подшипник. «Замок» (скос) на внутреннем кольце плюс массивный сепаратор из текстолита. Сепаратор из текстолита.. | 105.00 | 160.00 | 26.00 |
| 5-121 Б1УТ2 | Шариковый радиальный однорядный подшипник. Дополнительные технические требования. 200°. Температура отпуска. Сепаратор из безоловянистой бронзы.. | 105.00 | 160.00 | 26.00 |
| 5-121 БУТ2 | Шариковый радиальный однорядный подшипник. Дополнительные технические требования. 200°. Температура отпуска. Сепаратор из безоловянистой бронзы.. | 105.00 | 160.00 | 26.00 |
Способы доставки
Отправка через ведущие транспортные и курьерские компании: ПЭК, Деловые Линии, СДЭК, Байкал-Сервис, Энергия, КИТ, ЖелДорЭкспедиция.
Самовывоз возможен напрямую со склада в Москве.
Сроки доставки
Срок зависит от региона и выбранной транспортной компании. Все заказы комплектуются и отправляются в кратчайшие сроки со склада в Москве.
Надёжность и сохранность
Вся продукция упаковывается с учётом требований транспортировки. Мы гарантируем, что подшипники и комплектующие прибудут к заказчику в полной сохранности.
Доставка в страны ЕАЭС
Мы работаем с проверенными логистическими партнёрами, что позволяет оперативно доставлять заказы в Беларусь, Казахстан, Армению и другие страны ЕАЭС.
Варианты оплаты:
Минимальная сумма заказа и скидки:
Документы и гарантии:
Да, конечно! Наши технические специалисты готовы помочь вам с подбором точного аналога или замены подшипника. Просто позвоните нам по телефону +7 (495) 104-99-04 или напишите на почту zakaz@podsnab.ru.
Для оперативной консультации подготовьте, пожалуйста, имеющиеся данные: маркировку, размеры, тип оборудования или артикул старого подшипника.
Да, конечно! Мы высоко ценим долгосрочное сотрудничество и доверие клиентов по всей России. Для постоянных клиентов действует персональная система скидок.
Условия формируются индивидуально и зависят от:
Чтобы узнать свои условия и получить максимально выгодное предложение, свяжитесь с персональным менеджером или напишите нам на почту zakaz@podsnab.ru.
Вы можете оформить заказ несколькими способами:
Для оформления заказа от юридического лица свяжитесь с нашим отделом по работе с корпоративными клиентами по телефону +7 (495) 104-99-04 или напишите на email zakaz@podsnab.ru, прикрепив реквизиты вашей организации.
Мы оперативно подготовим коммерческое предложение и выставим счет.
Возврат товара надлежащего качества возможен в течение 10 дней с момента получения, если товар не был в употреблении, сохранен товарный вид, упаковка не вскрывалась и присутствуют все сопроводительные документы.
Возврат денежных средств осуществляется в течение 10 рабочих дней после проверки товара складом.
В соответствии с законодательством возврату не подлежат подшипники надлежащего качества, если отсутствует оригинальная упаковка или имеются следы монтажа.
В случае выявления брака или гарантийного случая мы гарантируем возврат или обмен товара.
Да, гарантийный срок хранения устанавливается заводом-изготовителем и в среднем составляет 2 года при соблюдении условий хранения: сухое помещение, оригинальная упаковка и смазка.
Точный срок для конкретного типа подшипника уточняйте у наших менеджеров.
Пн–Пт: с 8:00 до 17:00 (МСК).
Сб–Вс: выходные дни.
Заказы на сайте принимаются круглосуточно. Заявки, поступившие после окончания рабочего дня, обрабатываются на следующий рабочий день.
Минимальная сумма заказа для доставки составляет 3000 рублей. Самовывоз со склада возможен на любую сумму при наличии товара.
ООО «УралТехГрупп»
ИНН: 7415093830
КПП: 772401001
ОГРН: 1167456069021
Банк: ПАО Сбербанк
Р/с: 40702810838000475273
К/с: 30101810400000000225
БИК: 044525225
У подшипника HS7021-E-T-P4S-UL пока нет отзывов. Вы можете стать первым покупателем, поделившимся своим мнением.