Поиск подшипника
Статьи
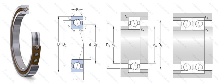
SEA150 7 CE1 UM — Подшипник шариковый однорядный радиально-упорный, модификация основного исполнения SEA150, производство SNFA.
Размер подшипника: 150x190x20 мм.
Серия - SEA. Минимальные габаритные размеры. Радиально-осевая нагрузка 1.500.000 ndm (масло), c-phenolic resin. e-external cage location. 1-15° угол контакта, одиночный. универсальная установка. для умеренного преднатяга, расположение внешнего сепаратора, p4 (skf)=abec.7, cd (skf)=15° угол контакта.
Альтернативное обозначение: 71830CDGB/P4A.
Международная стандартизации ISO
SEA1507CE1UM
В наличии
| Обозначение | Конструктивные изменения |
|---|---|
| SEA150 9 CE1 DDF | Расположение внешнего сепаратора. P2 (SKF)=Abec.9. Большой преднатяг (только для симметричных наборов). Два подшипника. расположенных по схеме O (спиной к спине). CD (SKF)=15° Угол контакта. C-Phenolic Resin. E-External Cage Location. 1-15° Угол контакта. |
| SEA150 7 CE3 UL | Фенольная смола. Подшипник для универсального монтажа. Два подшипника. установленные по О-образной или Х-образной схеме. имеют лёгкий преднатяг. Расположение внешнего сепаратора. P4 (SKF)=Abec.7. ACD (SKF)=25° Угол контакта. |
| SEA150 7CE3 | Подшипник шариковый однорядный радиально-упорный. |
| SEA150/NS 7CE1 | Шарики из нитрида кремния Si3N4 (гибридные подшипники). Керамические шарики. |
| SEA150/NS 7CE3 | Шарики из нитрида кремния Si3N4 (гибридные подшипники). Керамические шарики. |
| SEA150 7CE1 | Подшипник шариковый однорядный радиально-упорный. |
Модификации шарикового подшипника SEA150 7 CE1 UM — это измененное основное конструктивное исполнение SEA150, основные размеры (150x190x20) не отличаются.
| Обозначение | Гост | Конструктивные особенности |
|---|---|---|
| 71830ACDGA/HCP4 | ISO | Однорядный радиально-упорный шарикоподшипник для универсальной установки. Два подшипника. расположенных «спина к спине» или «лицом к лицу». будут иметь небольшой преднатяг. 25° Угол контакта. Класс точности Р4 по ISO (точнее. чем P5) - Abec.7. Подшипник или компоненты подшипника из керамики. |
| 71830ACDGA/P4 | ISO | Однорядный радиально-упорный шарикоподшипник для универсальной установки. Два подшипника. расположенных «спина к спине» или «лицом к лицу». будут иметь небольшой преднатяг. 25° Угол контакта. Класс точности Р4 по ISO (точнее. чем P5) - Abec.7. |
| 71830ACDGB/P4 | ISO | 25° Угол контакта. Подшипник для универсального монтажа. Два подшипника. установленные по О-образной или Х-образной схеме. имеют средний преднатяг. Класс точности Р4 по ISO (точнее. чем P5) - Abec.7. |
| 71830CDGA/P4 | ISO | 15° Угол контакта. Однорядный радиально-упорный шарикоподшипник для универсальной установки. Два подшипника. расположенных «спина к спине» или «лицом к лицу». будут иметь небольшой преднатяг. Точность размеров в соответствии с классом допуска ISO 4. точность вращения лучше чем класс допуска ISO 4. |
| 71830CDGB/P4 | ISO | 15° Угол контакта. Подшипник для универсального монтажа. Два подшипника. установленные по О-образной или Х-образной схеме. имеют средний преднатяг. Класс точности Р4 по ISO (точнее. чем P5) - Abec.7. |
Аналог шарикового подшипника SEA150 7 CE1 UM — это подшипник такого же размера dx150,Dx190,Bx20, типа и конструкции.
| Обозначение | Конструктивные особенности | Внутренний (d) | Наружный (D) | Ширина (B) |
|---|---|---|---|---|
| 61830 Z | Шариковый радиальный однорядный подшипник. щит из листовой прессованной стали с одной стороны подшипника. | 150.00 | 190.00 | 20.00 |
| 71830 CD/HCP4A | Шариковый радиальный однорядный подшипник. Измененная или модифицированная внутренняя конструкция при неизменных основных размерах. Двухкомпонентный штампованный стальной сепаратор с направляющим кольцом. | 150.00 | 190.00 | 20.00 |
| 71830 CD/P4A | Шариковый радиальный однорядный подшипник. Двухкомпонентный штампованный стальной сепаратор с направляющим кольцом. Точность размеров в соответствии с классом допуска ISO 4. точность вращения лучше чем класс допуска ISO 4. | 150.00 | 190.00 | 20.00 |
| 2-1000830 Л | Шариковый радиальный однорядный подшипник. Сепаратор из латуни.. | 150.00 | 190.00 | 20.00 |
| 4-1000830 Л | Шариковый радиальный однорядный подшипник. Сепаратор из латуни.. | 150.00 | 190.00 | 20.00 |
| 6-1000830 Л | Шариковый радиальный однорядный подшипник. Сепаратор из латуни.. | 150.00 | 190.00 | 20.00 |
| 61830 ZZ | Шариковый радиальный однорядный подшипник. Защитные металлические шайбы (бесконтактные уплотнения) с обеих сторон подшипника. | 150.00 | 190.00 | 20.00 |
| 6830-2RZ | Шариковый радиальный однорядный подшипник. Шарикоподшипник. С уплотнением и низким коэффициентом трения с обеих сторон. Уплотнение состоит из шайбы из листовой стали с вулканизированной резиной. | 150.00 | 190.00 | 20.00 |
| 6830-RZ | Шариковый радиальный однорядный подшипник. Один стальное уплотнение и одно резиновое. | 150.00 | 190.00 | 20.00 |
| 6830-Z | Шариковый радиальный однорядный подшипник. щит из листовой прессованной стали с одной стороны подшипника. | 150.00 | 190.00 | 20.00 |
| 6830-RS | Шариковый радиальный однорядный подшипник. Резиновое уплотнение с одной стороны. | 150.00 | 190.00 | 20.00 |
| 6830N | Шариковый радиальный однорядный подшипник. Канавка для стопорного кольца на наружном кольце. | 150.00 | 190.00 | 20.00 |
| 8-1000830 Л | Шариковый радиальный однорядный подшипник. Сепаратор из латуни.. | 150.00 | 190.00 | 20.00 |
| 1000830-Л | Шариковый радиальный однорядный подшипник. Сепаратор из латуни.. | 150.00 | 190.00 | 20.00 |
| 5-1000830 Л | Шариковый радиальный однорядный подшипник. Сепаратор из латуни.. | 150.00 | 190.00 | 20.00 |
Способы доставки
Отправка через ведущие транспортные и курьерские компании: ПЭК, Деловые Линии, СДЭК, Байкал-Сервис, Энергия, КИТ, ЖелДорЭкспедиция.
Самовывоз возможен напрямую со склада в Москве.
Сроки доставки
Срок зависит от региона и выбранной транспортной компании. Все заказы комплектуются и отправляются в кратчайшие сроки со склада в Москве.
Надёжность и сохранность
Вся продукция упаковывается с учётом требований транспортировки. Мы гарантируем, что подшипники и комплектующие прибудут к заказчику в полной сохранности.
Доставка в страны ЕАЭС
Мы работаем с проверенными логистическими партнёрами, что позволяет оперативно доставлять заказы в Беларусь, Казахстан, Армению и другие страны ЕАЭС.
Варианты оплаты:
Минимальная сумма заказа и скидки:
Документы и гарантии:
Да, конечно! Наши технические специалисты готовы помочь вам с подбором точного аналога или замены подшипника. Просто позвоните нам по телефону +7 (495) 104-99-04 или напишите на почту zakaz@podsnab.ru.
Для оперативной консультации подготовьте, пожалуйста, имеющиеся данные: маркировку, размеры, тип оборудования или артикул старого подшипника.
Да, конечно! Мы высоко ценим долгосрочное сотрудничество и доверие клиентов по всей России. Для постоянных клиентов действует персональная система скидок.
Условия формируются индивидуально и зависят от:
Чтобы узнать свои условия и получить максимально выгодное предложение, свяжитесь с персональным менеджером или напишите нам на почту zakaz@podsnab.ru.
Вы можете оформить заказ несколькими способами:
Для оформления заказа от юридического лица свяжитесь с нашим отделом по работе с корпоративными клиентами по телефону +7 (495) 104-99-04 или напишите на email zakaz@podsnab.ru, прикрепив реквизиты вашей организации.
Мы оперативно подготовим коммерческое предложение и выставим счет.
Возврат товара надлежащего качества возможен в течение 10 дней с момента получения, если товар не был в употреблении, сохранен товарный вид, упаковка не вскрывалась и присутствуют все сопроводительные документы.
Возврат денежных средств осуществляется в течение 10 рабочих дней после проверки товара складом.
В соответствии с законодательством возврату не подлежат подшипники надлежащего качества, если отсутствует оригинальная упаковка или имеются следы монтажа.
В случае выявления брака или гарантийного случая мы гарантируем возврат или обмен товара.
Да, гарантийный срок хранения устанавливается заводом-изготовителем и в среднем составляет 2 года при соблюдении условий хранения: сухое помещение, оригинальная упаковка и смазка.
Точный срок для конкретного типа подшипника уточняйте у наших менеджеров.
Пн–Пт: с 8:00 до 17:00 (МСК).
Сб–Вс: выходные дни.
Заказы на сайте принимаются круглосуточно. Заявки, поступившие после окончания рабочего дня, обрабатываются на следующий рабочий день.
Минимальная сумма заказа для доставки составляет 3000 рублей. Самовывоз со склада возможен на любую сумму при наличии товара.
ООО «УралТехГрупп»
ИНН: 7415093830
КПП: 772401001
ОГРН: 1167456069021
Банк: ПАО Сбербанк
Р/с: 40702810838000475273
К/с: 30101810400000000225
БИК: 044525225
У подшипника SEA150 7 CE1 UM пока нет отзывов. Вы можете стать первым покупателем, поделившимся своим мнением.