Поиск подшипника
Статьи
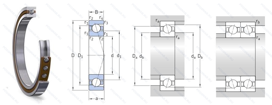
SEA90 7CE1 UL — Подшипник шариковый однорядный радиально-упорный, модификация основного исполнения SEA90, производство SNFA.
Размер подшипника: 90x115x13 мм.
Серия - SEA. Минимальные габаритные размеры. Радиально-осевая нагрузка 1.500.000 ndm (масло), подшипник для универсального монтажа. два подшипника. установленные по о-образной или х-образной схеме. имеют лёгкий преднатяг, фенольная смола, расположение внешнего сепаратора, p4 (skf)=abec.7, cd (skf)=15° угол контакта.
Альтернативное обозначение: 71818CDGA/P4A, B71818-C-T-P4S-UL.
Международная стандартизации ISO
SEA907CE1UL
В наличии
| Обозначение | Конструктивные изменения |
|---|---|
| SEA90 7 CE1 DDM | Расположение внешнего сепаратора. Умеренная предварительная нагрузка (только для симметричных комплектов). P4 (SKF)=Abec.7. Два подшипника. расположенных по схеме O (спиной к спине). C-Phenolic Resin. E-External Cage Location. 1-15° Угол контакта. |
| SEA90/NS 7CE3 | Шарики из нитрида кремния Si3N4 (гибридные подшипники). Керамические шарики. |
| SEA90 7CE1 | Подшипник шариковый однорядный радиально-упорный. |
| SEA90/NS 7CE1 | Шарики из нитрида кремния Si3N4 (гибридные подшипники). Керамические шарики. |
| SEA90 7CE3 | Подшипник шариковый однорядный радиально-упорный. |
Модификации шарикового подшипника SEA90 7CE1 UL — это измененное основное конструктивное исполнение SEA90, основные размеры (90x115x13) не отличаются.
| Обозначение | Гост | Конструктивные особенности |
|---|---|---|
| 71818CDGA/P4 | ISO | 15° Угол контакта. Однорядный радиально-упорный шарикоподшипник для универсальной установки. Два подшипника. расположенных «спина к спине» или «лицом к лицу». будут иметь небольшой преднатяг. Точность размеров в соответствии с классом допуска ISO 4. точность вращения лучше чем класс допуска ISO 4. |
| 71818CDGB/P4 | ISO | 15° Угол контакта. Подшипник для универсального монтажа. Два подшипника. установленные по О-образной или Х-образной схеме. имеют средний преднатяг. Класс точности Р4 по ISO (точнее. чем P5) - Abec.7. |
| BAH-0183A | ISO | 30° Угол контакта. |
Аналог шарикового подшипника SEA90 7CE1 UL — это подшипник такого же размера dx90,Dx115,Bx13, типа и конструкции.
| Обозначение | Конструктивные особенности | Внутренний (d) | Наружный (D) | Ширина (B) |
|---|---|---|---|---|
| 6818-2RD | Шариковый радиальный однорядный подшипник. Облегченное контактное уплотнение с двух сторон.. | 90.00 | 115.00 | 13.00 |
| 6818Z | Шариковый радиальный однорядный подшипник. щит из листовой прессованной стали с одной стороны подшипника. | 90.00 | 115.00 | 13.00 |
| 6818N | Шариковый радиальный однорядный подшипник. Канавка для стопорного кольца на наружном кольце. | 90.00 | 115.00 | 13.00 |
| 6818DDU | Шариковый радиальный однорядный подшипник. Резиновые уплотнения с каждой стороны подшипника. | 90.00 | 115.00 | 13.00 |
| 6818LLB | Шариковый радиальный однорядный подшипник. Уплотнение бесконтактного типа из синтетического каучука. | 90.00 | 115.00 | 13.00 |
| AB40285S01 | Шариковый радиальный однорядный подшипник. Сферический наружный диаметр. | 90.00 | 115.00 | 13.00 |
| S61818-2RS | Шариковый радиальный однорядный подшипник. Резиновые уплотнения с каждой стороны подшипника. | 90.00 | 115.00 | 13.00 |
| 1000818-А | Шариковый радиальный однорядный подшипник. Повышенная грузоподъемность. | 90.00 | 115.00 | 13.00 |
| 5-1000818 Ю2 | Шариковый радиальный однорядный подшипник. Все детали или часть деталей из нержавеющей стали.. | 90.00 | 115.00 | 13.00 |
| 5-1000818 Ю3 | Шариковый радиальный однорядный подшипник. Все детали или часть деталей из нержавеющей стали.. | 90.00 | 115.00 | 13.00 |
| 5-1000818 Ю5 | Шариковый радиальный однорядный подшипник. Все детали или часть деталей из нержавеющей стали.. | 90.00 | 115.00 | 13.00 |
| 6-1000818 Б | Шариковый радиальный однорядный подшипник. Сепаратор из безоловянистой бронзы.. | 90.00 | 115.00 | 13.00 |
| 6-1000818 Д | Шариковый радиальный однорядный подшипник. Сепаратор из алюминиевого сплава.. | 90.00 | 115.00 | 13.00 |
| 6-1000818 Л | Шариковый радиальный однорядный подшипник. Сепаратор из латуни.. | 90.00 | 115.00 | 13.00 |
| 6-1000818 Ю2 | Шариковый радиальный однорядный подшипник. Все детали или часть деталей из нержавеющей стали.. | 90.00 | 115.00 | 13.00 |
Способы доставки
Отправка через ведущие транспортные и курьерские компании: ПЭК, Деловые Линии, СДЭК, Байкал-Сервис, Энергия, КИТ, ЖелДорЭкспедиция.
Самовывоз возможен напрямую со склада в Москве.
Сроки доставки
Срок зависит от региона и выбранной транспортной компании. Все заказы комплектуются и отправляются в кратчайшие сроки со склада в Москве.
Надёжность и сохранность
Вся продукция упаковывается с учётом требований транспортировки. Мы гарантируем, что подшипники и комплектующие прибудут к заказчику в полной сохранности.
Доставка в страны ЕАЭС
Мы работаем с проверенными логистическими партнёрами, что позволяет оперативно доставлять заказы в Беларусь, Казахстан, Армению и другие страны ЕАЭС.
Варианты оплаты:
Минимальная сумма заказа и скидки:
Документы и гарантии:
Да, конечно! Наши технические специалисты готовы помочь вам с подбором точного аналога или замены подшипника. Просто позвоните нам по телефону +7 (495) 104-99-04 или напишите на почту zakaz@podsnab.ru.
Для оперативной консультации подготовьте, пожалуйста, имеющиеся данные: маркировку, размеры, тип оборудования или артикул старого подшипника.
Да, конечно! Мы высоко ценим долгосрочное сотрудничество и доверие клиентов по всей России. Для постоянных клиентов действует персональная система скидок.
Условия формируются индивидуально и зависят от:
Чтобы узнать свои условия и получить максимально выгодное предложение, свяжитесь с персональным менеджером или напишите нам на почту zakaz@podsnab.ru.
Вы можете оформить заказ несколькими способами:
Для оформления заказа от юридического лица свяжитесь с нашим отделом по работе с корпоративными клиентами по телефону +7 (495) 104-99-04 или напишите на email zakaz@podsnab.ru, прикрепив реквизиты вашей организации.
Мы оперативно подготовим коммерческое предложение и выставим счет.
Возврат товара надлежащего качества возможен в течение 10 дней с момента получения, если товар не был в употреблении, сохранен товарный вид, упаковка не вскрывалась и присутствуют все сопроводительные документы.
Возврат денежных средств осуществляется в течение 10 рабочих дней после проверки товара складом.
В соответствии с законодательством возврату не подлежат подшипники надлежащего качества, если отсутствует оригинальная упаковка или имеются следы монтажа.
В случае выявления брака или гарантийного случая мы гарантируем возврат или обмен товара.
Да, гарантийный срок хранения устанавливается заводом-изготовителем и в среднем составляет 2 года при соблюдении условий хранения: сухое помещение, оригинальная упаковка и смазка.
Точный срок для конкретного типа подшипника уточняйте у наших менеджеров.
Пн–Пт: с 8:00 до 17:00 (МСК).
Сб–Вс: выходные дни.
Заказы на сайте принимаются круглосуточно. Заявки, поступившие после окончания рабочего дня, обрабатываются на следующий рабочий день.
Минимальная сумма заказа для доставки составляет 3000 рублей. Самовывоз со склада возможен на любую сумму при наличии товара.
ООО «УралТехГрупп»
ИНН: 7415093830
КПП: 772401001
ОГРН: 1167456069021
Банк: ПАО Сбербанк
Р/с: 40702810838000475273
К/с: 30101810400000000225
БИК: 044525225
У подшипника SEA90 7CE1 UL пока нет отзывов. Вы можете стать первым покупателем, поделившимся своим мнением.