Поиск подшипника
Статьи
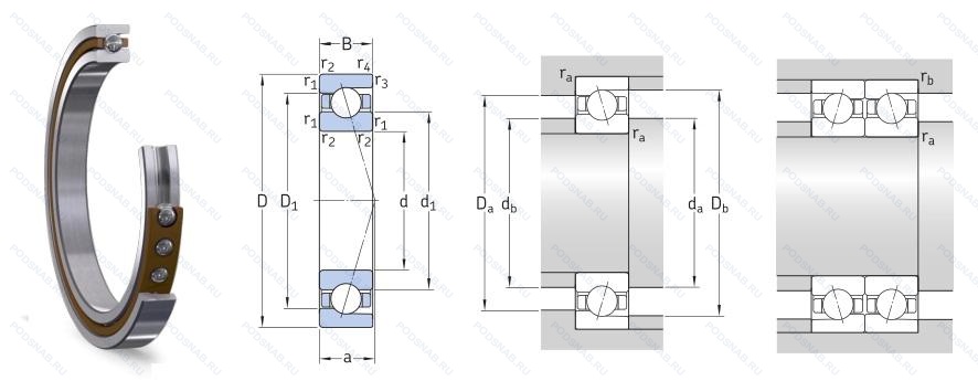
SEA17 7 CE1 DUL — Подшипник шариковый однорядный радиально-упорный, модификация основного исполнения SEA17, производство SNFA.
Размер подшипника: 17x26x10 мм.
Серия - SEA. Минимальные габаритные размеры. Радиально-осевая нагрузка 1.500.000 ndm (масло), комплект из 2 универсальных подшипников. небольшой предварительный натяг, c-phenolic resin. e-external cage location. 1-15° угол контакта, расположение внешнего сепаратора, p4 (skf)=abec.7, cd (skf)=15° угол контакта.
Альтернативное обозначение: 71803CD/P4ADGA.
Аналоги: S61803C TA P4 RI DUL GMN Paul Müller Industrie.
Международная стандартизации ISO
SEA177CE1DUL
В наличии
| Обозначение | Конструктивные изменения |
|---|---|
| SEA17 7CE1 | Подшипник шариковый однорядный радиально-упорный. |
| SEA17/NS 7CE1 | Шарики из нитрида кремния Si3N4 (гибридные подшипники). Керамические шарики. |
| SEA17/NS 7CE3 | Шарики из нитрида кремния Si3N4 (гибридные подшипники). Керамические шарики. |
| SEA17 7CE3 | Подшипник шариковый однорядный радиально-упорный. |
Модификации шарикового подшипника SEA17 7 CE1 DUL — это измененное основное конструктивное исполнение SEA17, основные размеры (17x26x10) не отличаются.
| Обозначение | Гост | Конструктивные особенности |
|---|---|---|
| S61803C TA P4 DUL | ISO | 15° Угол контакта. Комплект из 2 универсальных подшипников. Небольшой предварительный натяг. Цельный. центрированный по внешнему кольцу. механически обработанный. ламинированный. фенольный сепаратор. Класс точности. |
| B71803-C-TPA-P4-DTM | ISO | 15° Угол контакта. Сепаратор из текстильной ламинированной фенольной смолы. Точность размеров и хода соответствует классу допуска ISO 4 (точнее. чем P5) — Abec-7. Duplex Tandem Configuration. Medium Preload. |
Аналог шарикового подшипника SEA17 7 CE1 DUL — это подшипник такого же размера dx17,Dx26,Bx10, типа и конструкции.
| Обозначение | Конструктивные особенности | Внутренний (d) | Наружный (D) | Ширина (B) |
|---|---|---|---|---|
| 10-6551 | Роликовый игольчатый подшипник. | 18.00 | 26.00 | 9.50 |
| KT16E | Подшипник шариковый упорный однонаправленный. Steel. | 16.30 | 27.00 | 9.00 |
| F-221535 | Роликовый игольчатый подшипник однорядный. | 18.00 | 26.00 | 10.00 |
| Ш17 Б | Шарнирный подшипник. Одно или два кольца из бронзы.. Нормы шумности. Без отверстий и канавок для смазки.. | 17.00 | 32.00 | 10.00 |
| Ш17 ВК | Шарнирный подшипник. Нормы шумности. Без отверстий и канавок для смазки.. Отдельное внутреннее кольцо шарнирного подшипника.. | 17.00 | 26.00 | 10.00 |
| 4-456904 ЮТ | Шариковый радиально-упорный подшипник. Температура отпуска. 160°. Все детали или часть деталей из нержавеющей стали.. | 18.00 | 26.00 | 9.00 |
| 51103 V/HR11T1 | Шариковый упорный подшипник. Подшипник без сепаратора. С полным комплектом тел качения. | 17.00 | 26.00 | 9.00 |
| 51103 V/HR22T2 | Шариковый упорный подшипник. Подшипник без сепаратора. С полным комплектом тел качения. | 17.00 | 26.00 | 9.00 |
| 51103 V/HR22Q2 | Шариковый упорный подшипник. Подшипник без сепаратора. С полным комплектом тел качения. | 17.00 | 26.00 | 9.00 |
| 5-456904 ЮТ | Шариковый радиально-упорный двухрядный подшипник. Температура отпуска. 160°. Все детали или часть деталей из нержавеющей стали.. | 18.00 | 26.00 | 9.00 |
Способы доставки
Отправка через ведущие транспортные и курьерские компании: ПЭК, Деловые Линии, СДЭК, Байкал-Сервис, Энергия, КИТ, ЖелДорЭкспедиция.
Самовывоз возможен напрямую со склада в Москве.
Сроки доставки
Срок зависит от региона и выбранной транспортной компании. Все заказы комплектуются и отправляются в кратчайшие сроки со склада в Москве.
Надёжность и сохранность
Вся продукция упаковывается с учётом требований транспортировки. Мы гарантируем, что подшипники и комплектующие прибудут к заказчику в полной сохранности.
Доставка в страны ЕАЭС
Мы работаем с проверенными логистическими партнёрами, что позволяет оперативно доставлять заказы в Беларусь, Казахстан, Армению и другие страны ЕАЭС.
Варианты оплаты:
Минимальная сумма заказа и скидки:
Документы и гарантии:
Да, конечно! Наши технические специалисты готовы помочь вам с подбором точного аналога или замены подшипника. Просто позвоните нам по телефону +7 (495) 104-99-04 или напишите на почту zakaz@podsnab.ru.
Для оперативной консультации подготовьте, пожалуйста, имеющиеся данные: маркировку, размеры, тип оборудования или артикул старого подшипника.
Да, конечно! Мы высоко ценим долгосрочное сотрудничество и доверие клиентов по всей России. Для постоянных клиентов действует персональная система скидок.
Условия формируются индивидуально и зависят от:
Чтобы узнать свои условия и получить максимально выгодное предложение, свяжитесь с персональным менеджером или напишите нам на почту zakaz@podsnab.ru.
Вы можете оформить заказ несколькими способами:
Для оформления заказа от юридического лица свяжитесь с нашим отделом по работе с корпоративными клиентами по телефону +7 (495) 104-99-04 или напишите на email zakaz@podsnab.ru, прикрепив реквизиты вашей организации.
Мы оперативно подготовим коммерческое предложение и выставим счет.
Возврат товара надлежащего качества возможен в течение 10 дней с момента получения, если товар не был в употреблении, сохранен товарный вид, упаковка не вскрывалась и присутствуют все сопроводительные документы.
Возврат денежных средств осуществляется в течение 10 рабочих дней после проверки товара складом.
В соответствии с законодательством возврату не подлежат подшипники надлежащего качества, если отсутствует оригинальная упаковка или имеются следы монтажа.
В случае выявления брака или гарантийного случая мы гарантируем возврат или обмен товара.
Да, гарантийный срок хранения устанавливается заводом-изготовителем и в среднем составляет 2 года при соблюдении условий хранения: сухое помещение, оригинальная упаковка и смазка.
Точный срок для конкретного типа подшипника уточняйте у наших менеджеров.
Пн–Пт: с 8:00 до 17:00 (МСК).
Сб–Вс: выходные дни.
Заказы на сайте принимаются круглосуточно. Заявки, поступившие после окончания рабочего дня, обрабатываются на следующий рабочий день.
Минимальная сумма заказа для доставки составляет 3000 рублей. Самовывоз со склада возможен на любую сумму при наличии товара.
ООО «УралТехГрупп»
ИНН: 7415093830
КПП: 772401001
ОГРН: 1167456069021
Банк: ПАО Сбербанк
Р/с: 40702810838000475273
К/с: 30101810400000000225
БИК: 044525225
У подшипника SEA17 7 CE1 DUL пока нет отзывов. Вы можете стать первым покупателем, поделившимся своим мнением.