Поиск подшипника
Статьи
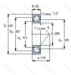
7056MP.UA — Подшипник шариковый однорядный радиально-упорный, модификация основного исполнения 7056, производство FAG.
Размер подшипника: 280x420x65 мм.
Механически обработанный латунный сепаратор оконного типа, универсальный монтаж. в конфигурациях o и x пара подшипников имеет малый осевой зазор.
Альтернативное обозначение: 7056MP.
Международная стандартизации ISO
7056MPUA
В наличии
| Обозначение | Конструктивные изменения |
|---|---|
| 7056C | 15° Угол контакта. |
| 7056BGM | 40° Угол контакта. Механически обработанный латунный сепаратор. центрируемый по шарикам. Разные конструкции или материалы обозначаются цифрой после буквы М. например. М2. Подшипник для универсального монтажа. Два подшипника. установленные по О-образной или Х-образной схеме. имеют осевой внутренний зазор. |
| 7056CMC/G11 | 15° Угол контакта. Механически обработанный латунный сепаратор. центрируемый по шарикам. Разные конструкции или материалы обозначаются цифрой после буквы М. например. М2. |
| 7056-MP-P5-J15J-M15GQ-M15GZ | Размерная и рабочая точность соответствует классу допуска ISO 5. Механически обработанный латунный сепаратор оконного типа. Характеристики маркировки измеряемых величин. Отчет об измерениях с указанием фактических значений различных величин. Отчет об измерениях с указанием фактических значений различных величин. |
| 7056-B-MP-UA | 40° Угол контакта. Механически обработанный латунный сепаратор оконного типа. Универсальный монтаж. В конфигурациях O и X пара подшипников имеет малый осевой зазор. |
| 7056CDB | Угол контакта 15°. |
| 7056DB | Two Single Row Deep Groove Ball Bearings. Single Row Angular Contact Ball Bearings Or Single Row Tapered Roller Bearings Matched For Mounting In A Back-To-Back Arrangement. |
| 7056CDB/GLP5 | Угол контакта 15°. Универсальный подшипник. |
| 7056 B-UX | Конический роликовый подшипник. Угол контакта 20 градусов. Универсальный монтаж, сверхлегкая предварительная нагрузка.. |
| 7056 A-UX | Двухрядный радиально-упорный шарикоподшипник без отверстия для смазки. Универсальный монтаж, сверхлегкая предварительная нагрузка.. |
| 7056 B-UD | Конический роликовый подшипник. Угол контакта 20 градусов. |
| 7056 A-UO | Двухрядный радиально-упорный шарикоподшипник без отверстия для смазки. Универсальный монтаж. Для установки по O- и X- образной схеме - беззазорные.. |
| 7056 B-UO | Конический роликовый подшипник. Угол контакта 20 градусов. Универсальный монтаж. Для установки по O- и X- образной схеме - беззазорные.. |
| 7056 A-UD | Двухрядный радиально-упорный шарикоподшипник без отверстия для смазки. |
| 7056 ADB | Modified Snap Ring Grooves In The Outer Ring_ Two-Piece Inner Ring Held Together By A Retaining Ring. |
| 7056 BDB | Подшипник шариковый однорядный радиально-упорный. |
| 7056 BDF | Механически обработанный сепаратор из стали или специального чугуна. |
| 7056 ADT | Механически обработанный сепаратор из текстолита. |
| 7056 ADF | Механически обработанный сепаратор из стали или специального чугуна. |
| 7056 BDT | Механически обработанный сепаратор из текстолита. |
| 7056B | Угол контакта 40°. |
| 7056A | Двухрядный радиально-упорный шарикоподшипник без отверстия для смазки. |
| 7056 | Подшипник шариковый однорядный радиально-упорный. Основное конструктивное исполнение. |
Модификации шарикового подшипника 7056MP.UA — это измененное основное конструктивное исполнение 7056, основные размеры (280x420x65) не отличаются.
| Обозначение | Конструктивные особенности | Внутренний (d) | Наружный (D) | Ширина (B) |
|---|---|---|---|---|
| 6-66156-А2КЛ2Ш1 | Шариковый радиально-упорный однорядный подшипник. «Замок» (скос) на внутреннем кольце плюс массивный сепаратор из текстолита. Сепаратор из латуни.. Повышенная грузоподъемность. Нормы шумности. | 280.00 | 420.00 | 65.00 |
| 6-66156-А6КЛ1Ш1 | Шариковый радиально-упорный однорядный подшипник. «Замок» (скос) на внутреннем кольце плюс массивный сепаратор из текстолита. Сепаратор из латуни.. Повышенная грузоподъемность. Нормы шумности. | 280.00 | 420.00 | 65.00 |
| 6-66156-А6КЛ1Ш | Шариковый радиально-упорный однорядный подшипник. «Замок» (скос) на внутреннем кольце плюс массивный сепаратор из текстолита. Сепаратор из латуни.. Повышенная грузоподъемность. Нормы шумности. | 280.00 | 420.00 | 65.00 |
| QJ1056 | Шариковый радиально-упорный однорядный подшипник. Штампованный сепаратор из стального листа. Шариковый подшипник с четырех-точечным контактом. | 280.00 | 420.00 | 65.00 |
| QJ 1056 N2MA | Шариковый радиальный подшипник. Измененная или модифицированная внутренняя конструкция при неизменных основных размерах. Шариковый подшипник с четырехточечным контактом. | 280.00 | 420.00 | 65.00 |
| 6-156-ЛШ | Шариковый радиальный однорядный подшипник. Сепаратор из латуни.. Нормы шумности. | 280.00 | 420.00 | 65.00 |
| 304183 A | Шариковый радиальный однорядный подшипник. Измененная или модифицированная внутренняя конструкция при неизменных основных размерах. | 280.00 | 420.00 | 65.00 |
| 6-156-АЛШ1 | Шариковый радиальный однорядный подшипник. Сепаратор из латуни.. Повышенная грузоподъемность. Нормы шумности. | 280.00 | 420.00 | 65.00 |
| 6-156-АЛШ | Шариковый радиальный однорядный подшипник. Сепаратор из латуни.. Повышенная грузоподъемность. Нормы шумности. | 280.00 | 420.00 | 65.00 |
| 66156-КЛ1 | Шариковый радиально-упорный однорядный подшипник. «Замок» (скос) на внутреннем кольце плюс массивный сепаратор из текстолита. Сепаратор из латуни.. | 280.00 | 420.00 | 65.00 |
| 66156-КЛ2 | Шариковый радиально-упорный однорядный подшипник. «Замок» (скос) на внутреннем кольце плюс массивный сепаратор из текстолита. Сепаратор из латуни.. | 280.00 | 420.00 | 65.00 |
| 66156КЛ | Шариковый радиально-упорный однорядный подшипник. «Замок» (скос) на внутреннем кольце плюс массивный сепаратор из текстолита. Сепаратор из латуни.. | 280.00 | 420.00 | 65.00 |
| 9156K | Шариковый радиальный однорядный подшипник. Коническое отверстие. Конусность 1/12. | 280.00 | 420.00 | 65.00 |
| 156-АЛ | Шариковый радиальный однорядный подшипник. Сепаратор из латуни.. Повышенная грузоподъемность. | 280.00 | 420.00 | 65.00 |
| 156-Л | Шариковый радиальный однорядный подшипник. Сепаратор из латуни.. | 280.00 | 420.00 | 65.00 |
Способы доставки
Отправка через ведущие транспортные и курьерские компании: ПЭК, Деловые Линии, СДЭК, Байкал-Сервис, Энергия, КИТ, ЖелДорЭкспедиция.
Самовывоз возможен напрямую со склада в Москве.
Сроки доставки
Срок зависит от региона и выбранной транспортной компании. Все заказы комплектуются и отправляются в кратчайшие сроки со склада в Москве.
Надёжность и сохранность
Вся продукция упаковывается с учётом требований транспортировки. Мы гарантируем, что подшипники и комплектующие прибудут к заказчику в полной сохранности.
Доставка в страны ЕАЭС
Мы работаем с проверенными логистическими партнёрами, что позволяет оперативно доставлять заказы в Беларусь, Казахстан, Армению и другие страны ЕАЭС.
Варианты оплаты:
Минимальная сумма заказа и скидки:
Документы и гарантии:
Да, конечно! Наши технические специалисты готовы помочь вам с подбором точного аналога или замены подшипника. Просто позвоните нам по телефону +7 (495) 104-99-04 или напишите на почту zakaz@podsnab.ru.
Для оперативной консультации подготовьте, пожалуйста, имеющиеся данные: маркировку, размеры, тип оборудования или артикул старого подшипника.
Да, конечно! Мы высоко ценим долгосрочное сотрудничество и доверие клиентов по всей России. Для постоянных клиентов действует персональная система скидок.
Условия формируются индивидуально и зависят от:
Чтобы узнать свои условия и получить максимально выгодное предложение, свяжитесь с персональным менеджером или напишите нам на почту zakaz@podsnab.ru.
Вы можете оформить заказ несколькими способами:
Для оформления заказа от юридического лица свяжитесь с нашим отделом по работе с корпоративными клиентами по телефону +7 (495) 104-99-04 или напишите на email zakaz@podsnab.ru, прикрепив реквизиты вашей организации.
Мы оперативно подготовим коммерческое предложение и выставим счет.
Возврат товара надлежащего качества возможен в течение 10 дней с момента получения, если товар не был в употреблении, сохранен товарный вид, упаковка не вскрывалась и присутствуют все сопроводительные документы.
Возврат денежных средств осуществляется в течение 10 рабочих дней после проверки товара складом.
В соответствии с законодательством возврату не подлежат подшипники надлежащего качества, если отсутствует оригинальная упаковка или имеются следы монтажа.
В случае выявления брака или гарантийного случая мы гарантируем возврат или обмен товара.
Да, гарантийный срок хранения устанавливается заводом-изготовителем и в среднем составляет 2 года при соблюдении условий хранения: сухое помещение, оригинальная упаковка и смазка.
Точный срок для конкретного типа подшипника уточняйте у наших менеджеров.
Пн–Пт: с 8:00 до 17:00 (МСК).
Сб–Вс: выходные дни.
Заказы на сайте принимаются круглосуточно. Заявки, поступившие после окончания рабочего дня, обрабатываются на следующий рабочий день.
Минимальная сумма заказа для доставки составляет 3000 рублей. Самовывоз со склада возможен на любую сумму при наличии товара.
ООО «УралТехГрупп»
ИНН: 7415093830
КПП: 772401001
ОГРН: 1167456069021
Банк: ПАО Сбербанк
Р/с: 40702810838000475273
К/с: 30101810400000000225
БИК: 044525225
У подшипника 7056MP.UA пока нет отзывов. Вы можете стать первым покупателем, поделившимся своим мнением.