Поиск подшипника
Статьи
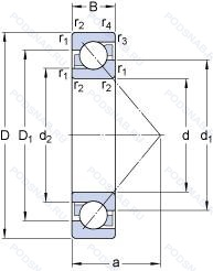
7213BEGAPH — Подшипник шариковый однорядный радиально-упорный, модификация основного исполнения 7213, производство SKF.
Размер подшипника: 65x120x23 мм.
Однорядный радиально-упорный шарикоподшипник для универсальной установки. два подшипника. расположенных «спина к спине» или «лицом к лицу». будут иметь небольшой преднатяг, single row angular contact ball bearing with a 40° угол контакта and optimized internal design, литой сепаратор из усиленного стекловолокном полиэфирэфиркетона (peek). центрированный ролик.
Международная стандартизации ISO
7213BEGAPH
В наличии
| Обозначение | Конструктивные изменения |
|---|---|
| 7213 C-UD | 15° Угол контакта. |
| 7213BDT | Угол контакта 40°. Механически обработанный сепаратор из текстолита. |
| 7213BDF | Угол контакта 40°. Механически обработанный сепаратор из стали или специального чугуна. |
| 7213BDB | Угол контакта 40°. |
| 7213CDF | Механически обработанный сепаратор из стали или специального чугуна. Однорядный радиально-упорный шарикоподшипник улучшенной конструкции с углом контакта 15°. |
| 7213DF | Комплект из двух подшипников. согласованных для установки по Х-образной схеме. Число. следующее непосредственно после букв DF. обозначает конструкцию промежуточного кольца. |
| 7213DT | Дуплексные подшипники для установки в тандеме. |
| 7213CDB | Однорядный радиально-упорный шарикоподшипник улучшенной конструкции с углом контакта 15°. |
| 7213CDT | Механически обработанный сепаратор из текстолита. Однорядный радиально-упорный шарикоподшипник улучшенной конструкции с углом контакта 15°. |
| 7213DB | Two Single Row Deep Groove Ball Bearings. Single Row Angular Contact Ball Bearings Or Single Row Tapered Roller Bearings Matched For Mounting In A Back-To-Back Arrangement. |
| 7213 ADB | Modified Snap Ring Grooves In The Outer Ring_ Two-Piece Inner Ring Held Together By A Retaining Ring. |
| 7213 ADF | Механически обработанный сепаратор из стали или специального чугуна. |
| 7213 ADT | Механически обработанный сепаратор из текстолита. |
| 5S-7213UCG/GNP42 | Угол контакта 15°. Универсальный подшипник. Класс точности JIS4 для размеров и JIS 2 для точности вращения. Гибридный подшипник. |
| 7213CGD2/GNP4 | Угол контакта 15°. Универсальный подшипник. Класс точности JIS4 / ISO 4. |
| 7213CG/GNP5 | Универсальный подшипник. Резьбовой винт со стопором и защелкой. |
| 7213UCG/GNP42 | Угол контакта 15°. Универсальный подшипник. Класс точности JIS4 для размеров и JIS 2 для точности вращения. |
| 7213 ACD/HCP4A | Измененная или модифицированная внутренняя конструкция при неизменных основных размерах. Однорядный с улучшенной конструкцией и углом контакта 25°. |
| 7213HG1UJ74 | Угол контакта 25°. Преднатяг (Лёгкий. Универсальные подшпники. |
| 7213WN | Sizes 7201K Through 7203WN Have A 20° Угол контакта And A Nylon Cage. Sizes 7204WN through 7218WN have a 40° Угол контакта And A One-Piece. Ball Piloted. Pressed Brass Cage. Larger Sizes 7219WN Through 7230WN Have A 40° Угол контакта And A One-Piece. Outer Ring Piloted High-Strength Machined Bronze Cage. |
| 7213AC | Суффикс для радиально-упорного шарикоподшипника. |
| 7213CPA | Угол контакта 15 градусов. |
| 7213-BE-MP | Single Row Angular Contact Ball Bearing With A 40° Угол контакта And Optimized Internal Design. Массивный латунный сепаратор. центрированный по телам качения. |
| 7213-BECB-MP | Массивный латунный сепаратор. центрированный по телам качения. |
| 7213BEA | 40° Угол контакта. High Capacity. All Four Corners Equal. |
Модификации шарикового подшипника 7213BEGAPH — это измененное основное конструктивное исполнение 7213, основные размеры (65x120x23) не отличаются.
| Обозначение | Гост | Конструктивные особенности |
|---|---|---|
| B7213-C-T-P4S | ISO | 15° Угол контакта. Textile Laminated Phenolic Resin. Outer Ring Guided. The Cage Is Suitable For Long-Term Operation At Temperatures Up To 100°C. Класс точности. стандарт FAG лучше чем P4. |
| B7213-E-T-P4S | ISO | 25° Угол контакта. Textile Laminated Phenolic Resin. Outer Ring Guided. The Cage Is Suitable For Long-Term Operation At Temperatures Up To 100°C. Класс точности. стандарт FAG лучше чем P4. |
| 165ACD | ISO | Angular Contact 25°. Optimised Iinternal Design. |
| B7213-E-T-P4S-UL | ISO | Универсальный монтаж и легкий преднатяг. 25° Угол контакта. Textile Laminated Phenolic Resin. Outer Ring Guided. The Cage Is Suitable For Long-Term Operation At Temperatures Up To 100°C. Класс точности. стандарт FAG лучше чем P4. |
| B7213-E-2RSD-T-P4S-UL | ISO | Универсальный монтаж и легкий преднатяг. 25° Угол контакта. Textile Laminated Phenolic Resin. Outer Ring Guided. The Cage Is Suitable For Long-Term Operation At Temperatures Up To 100°C. Класс точности. стандарт FAG лучше чем P4. Lip Seals On Both Sides. Non-Contact. |
| B7213-E-2RSD-T-P4S-UM | ISO | 25° Угол контакта. Textile Laminated Phenolic Resin. Outer Ring Guided. The Cage Is Suitable For Long-Term Operation At Temperatures Up To 100°C. Класс точности. стандарт FAG лучше чем P4. Однорядный. Универсальный. Средний преднатяг. Lip Seals On Both Sides. Non-Contact. |
| HCB7213-C-T-P4S-UL | ISO | 15° Угол контакта. Универсальный монтаж и легкий преднатяг. Textile Laminated Phenolic Resin. Outer Ring Guided. The Cage Is Suitable For Long-Term Operation At Temperatures Up To 100°C. Класс точности. стандарт FAG лучше чем P4. |
| B7213CA TB P4 | ISO | 12° Угол контакта. Textite (Fabric Reïnforced Phenolic Resin) Cage Guided On The Inner Ring. Класс точности Р4 по ISO (точнее. чем P5) - Abec.7. |
| B7213-C-T-P4S-UM | ISO | 15° Угол контакта. Textile Laminated Phenolic Resin. Outer Ring Guided. The Cage Is Suitable For Long-Term Operation At Temperatures Up To 100°C. Класс точности. стандарт FAG лучше чем P4. Однорядный. Универсальный. Средний преднатяг. |
| B7213-C-2RSD-T-P4S-UL | ISO | 15° Угол контакта. Универсальный монтаж и легкий преднатяг. Textile Laminated Phenolic Resin. Outer Ring Guided. The Cage Is Suitable For Long-Term Operation At Temperatures Up To 100°C. Класс точности. стандарт FAG лучше чем P4. Lip Seals On Both Sides. Non-Contact. |
| B7213E.T.P4S.UM | ISO | 25° Угол контакта. Textile Laminated Phenolic Resin. Outer Ring Guided. The Cage Is Suitable For Long-Term Operation At Temperatures Up To 100°C. Класс точности. стандарт FAG лучше чем P4. Однорядный. Универсальный. Средний преднатяг. |
| E265 7 CE3 UM | ISO | Фенольная смола. Расположение внешнего сепаратора. P4 (SKF)=Abec.7. ACD (SKF)=25° Угол контакта. Одиночный. Универсальная установка. Для умеренного преднатяга. |
| 213RDU | ISO | Ball Bearing. Single Row. Counterbored Outer Ring. With Shield On Side Opposite Counterbore. 15 Degree Угол контакта. |
| B7213CA TB P5 | ISO | 12° Угол контакта. Размерная и рабочая точность соответствует классу допуска ISO 5. Textite (Fabric Reïnforced Phenolic Resin) Cage Guided On The Inner Ring. |
| B7213-C-T-P4S-K5-UL | ISO | 15° Угол контакта. Универсальный монтаж и легкий преднатяг. Textile Laminated Phenolic Resin. Outer Ring Guided. The Cage Is Suitable For Long-Term Operation At Temperatures Up To 100°C. Комбинация P4S (граничные размеры ISO 4. ABEC-7. Точность вращения ISO 2. ABEC-9) и K5 (то же. что и P4S. но со средней сортировкой отверстия и наружного диаметра). |
| B7213-E-T-P4S-UH | ISO | 25° Угол контакта. Textile Laminated Phenolic Resin. Outer Ring Guided. The Cage Is Suitable For Long-Term Operation At Temperatures Up To 100°C. Класс точности. стандарт FAG лучше чем P4. Универсальный одиночный подшипник. Высокий преднатяг. |
| B7213-E-T-P4S-K5-UM | ISO | 25° Угол контакта. Textile Laminated Phenolic Resin. Outer Ring Guided. The Cage Is Suitable For Long-Term Operation At Temperatures Up To 100°C. Однорядный. Универсальный. Средний преднатяг. Комбинация P4S (граничные размеры ISO 4. ABEC-7. Точность вращения ISO 2. ABEC-9) и K5 (то же. что и P4S. но со средней сортировкой отверстия и наружного диаметра). |
| B7213C.TPA.P4.UL | ISO | 15° Угол контакта. Универсальный монтаж и легкий преднатяг. Сепаратор из текстильной ламинированной фенольной смолы. Точность размеров и хода соответствует классу допуска ISO 4 (точнее. чем P5) — Abec-7. |
| E265 7 CE1 UL | ISO | Подшипник для универсального монтажа. Два подшипника. установленные по О-образной или Х-образной схеме. имеют лёгкий преднатяг. Расположение внешнего сепаратора. P4 (SKF)=Abec.7. C-Phenolic Resin. E-External Cage Location. 1-15° Угол контакта. |
| HCB7213-E-T-P4S-K5-UL | ISO | Универсальный монтаж и легкий преднатяг. 25° Угол контакта. Textile Laminated Phenolic Resin. Outer Ring Guided. The Cage Is Suitable For Long-Term Operation At Temperatures Up To 100°C. Комбинация P4S (граничные размеры ISO 4. ABEC-7. Точность вращения ISO 2. ABEC-9) и K5 (то же. что и P4S. но со средней сортировкой отверстия и наружного диаметра). |
Аналог шарикового подшипника 7213BEGAPH — это подшипник такого же размера dx65,Dx120,Bx23, типа и конструкции.
| Обозначение | Конструктивные особенности | Внутренний (d) | Наружный (D) | Ширина (B) |
|---|---|---|---|---|
| 46213-Л | Шариковый радиально-упорный однорядный подшипник. Сепаратор из латуни.. | 65.00 | 120.00 | 23.00 |
| 46213-Е5 | Шариковый радиально-упорный однорядный подшипник. Сепаратор из текстолита.. | 65.00 | 120.00 | 23.00 |
| 46213К | Шариковый радиально-упорный однорядный подшипник. «Замок» (скос) на внутреннем кольце плюс массивный сепаратор из текстолита. | 65.00 | 120.00 | 23.00 |
| 5-116213 Т | Шариковый радиально-упорный однорядный подшипник. Температура отпуска. 160°. | 65.00 | 120.00 | 23.00 |
| 5-213 Ю1 | Шариковый радиальный однорядный подшипник. Все детали или часть деталей из нержавеющей стали.. | 65.00 | 120.00 | 23.00 |
| 5-36213 К | Шариковый радиально-упорный однорядный подшипник. «Замок» (скос) на внутреннем кольце плюс массивный сепаратор из текстолита. | 65.00 | 120.00 | 23.00 |
| 5-46213 Е | Шариковый радиально-упорный однорядный подшипник. Сепаратор из текстолита.. | 65.00 | 120.00 | 23.00 |
| 5-46213 Е2 | Шариковый радиально-упорный однорядный подшипник. Сепаратор из пластических материалов.. | 65.00 | 120.00 | 23.00 |
| 5-46213 Е5 | Шариковый радиально-упорный однорядный подшипник. Сепаратор из текстолита.. | 65.00 | 120.00 | 23.00 |
| 5-46213 Л | Шариковый радиально-упорный однорядный подшипник. Сепаратор из латуни.. | 65.00 | 120.00 | 23.00 |
| 50213-А | Шариковый радиальный однорядный подшипник. Повышенная грузоподъемность. | 65.00 | 120.00 | 23.00 |
| 50213-АК | Шариковый радиальный однорядный подшипник. Повышенная грузоподъемность. | 65.00 | 120.00 | 23.00 |
| 6-116213 Т | Шариковый радиально-упорный однорядный подшипник. Температура отпуска. 160°. | 65.00 | 120.00 | 23.00 |
| 6-12213 К1М | Роликовый радиальный однорядный подшипник. Модифицированный контакт.. | 65.00 | 120.00 | 23.00 |
| 6-12213 КМ | Роликовый радиальный однорядный подшипник. Модифицированный контакт.. | 65.00 | 120.00 | 23.00 |
Способы доставки
Отправка через ведущие транспортные и курьерские компании: ПЭК, Деловые Линии, СДЭК, Байкал-Сервис, Энергия, КИТ, ЖелДорЭкспедиция.
Самовывоз возможен напрямую со склада в Москве.
Сроки доставки
Срок зависит от региона и выбранной транспортной компании. Все заказы комплектуются и отправляются в кратчайшие сроки со склада в Москве.
Надёжность и сохранность
Вся продукция упаковывается с учётом требований транспортировки. Мы гарантируем, что подшипники и комплектующие прибудут к заказчику в полной сохранности.
Доставка в страны ЕАЭС
Мы работаем с проверенными логистическими партнёрами, что позволяет оперативно доставлять заказы в Беларусь, Казахстан, Армению и другие страны ЕАЭС.
Варианты оплаты:
Минимальная сумма заказа и скидки:
Документы и гарантии:
Да, конечно! Наши технические специалисты готовы помочь вам с подбором точного аналога или замены подшипника. Просто позвоните нам по телефону +7 (495) 104-99-04 или напишите на почту zakaz@podsnab.ru.
Для оперативной консультации подготовьте, пожалуйста, имеющиеся данные: маркировку, размеры, тип оборудования или артикул старого подшипника.
Да, конечно! Мы высоко ценим долгосрочное сотрудничество и доверие клиентов по всей России. Для постоянных клиентов действует персональная система скидок.
Условия формируются индивидуально и зависят от:
Чтобы узнать свои условия и получить максимально выгодное предложение, свяжитесь с персональным менеджером или напишите нам на почту zakaz@podsnab.ru.
Вы можете оформить заказ несколькими способами:
Для оформления заказа от юридического лица свяжитесь с нашим отделом по работе с корпоративными клиентами по телефону +7 (495) 104-99-04 или напишите на email zakaz@podsnab.ru, прикрепив реквизиты вашей организации.
Мы оперативно подготовим коммерческое предложение и выставим счет.
Возврат товара надлежащего качества возможен в течение 10 дней с момента получения, если товар не был в употреблении, сохранен товарный вид, упаковка не вскрывалась и присутствуют все сопроводительные документы.
Возврат денежных средств осуществляется в течение 10 рабочих дней после проверки товара складом.
В соответствии с законодательством возврату не подлежат подшипники надлежащего качества, если отсутствует оригинальная упаковка или имеются следы монтажа.
В случае выявления брака или гарантийного случая мы гарантируем возврат или обмен товара.
Да, гарантийный срок хранения устанавливается заводом-изготовителем и в среднем составляет 2 года при соблюдении условий хранения: сухое помещение, оригинальная упаковка и смазка.
Точный срок для конкретного типа подшипника уточняйте у наших менеджеров.
Пн–Пт: с 8:00 до 17:00 (МСК).
Сб–Вс: выходные дни.
Заказы на сайте принимаются круглосуточно. Заявки, поступившие после окончания рабочего дня, обрабатываются на следующий рабочий день.
Минимальная сумма заказа для доставки составляет 3000 рублей. Самовывоз со склада возможен на любую сумму при наличии товара.
ООО «УралТехГрупп»
ИНН: 7415093830
КПП: 772401001
ОГРН: 1167456069021
Банк: ПАО Сбербанк
Р/с: 40702810838000475273
К/с: 30101810400000000225
БИК: 044525225
У подшипника 7213BEGAPH пока нет отзывов. Вы можете стать первым покупателем, поделившимся своим мнением.