Поиск подшипника
Статьи
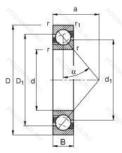
7015C TR DUL P3 — Подшипник шариковый однорядный радиально-упорный, модификация основного исполнения 7015, выпускается производителями: NSK, RHP.
Размер подшипника: 75x115x40 мм.
Комплект из 2 универсальных подшипников. небольшой предварительный натяг, сепаратор из фенольных смол. центрируемый по внутреннему кольцу, класс точности ниже. чем p2. но выше. чем p4, 15° угол контакта.
Международная стандартизации ISO
7015CTRDULP3
В наличии
| Обозначение | Конструктивные изменения |
|---|---|
| 7015CDB | Однорядный радиально-упорный шарикоподшипник улучшенной конструкции с углом контакта 15°. |
| 7015CDT | Механически обработанный сепаратор из текстолита. Однорядный радиально-упорный шарикоподшипник улучшенной конструкции с углом контакта 15°. |
| 7015DB | Two Single Row Deep Groove Ball Bearings. Single Row Angular Contact Ball Bearings Or Single Row Tapered Roller Bearings Matched For Mounting In A Back-To-Back Arrangement. |
| 7015DF | Комплект из двух подшипников. согласованных для установки по Х-образной схеме. Число. следующее непосредственно после букв DF. обозначает конструкцию промежуточного кольца. |
| 7015 BDF | Механически обработанный сепаратор из стали или специального чугуна. |
| 7015 BDT | Механически обработанный сепаратор из текстолита. |
| 7015 ADF | Механически обработанный сепаратор из стали или специального чугуна. |
| 7015 ADB | Modified Snap Ring Grooves In The Outer Ring_ Two-Piece Inner Ring Held Together By A Retaining Ring. |
| 7015 ADT | Механически обработанный сепаратор из текстолита. |
| 5S-7015UCG/GNP42 | Угол контакта 15°. Универсальный подшипник. Класс точности JIS4 для размеров и JIS 2 для точности вращения. Гибридный подшипник. |
| 5S-7015UADG/GNP42 | Универсальный подшипник. Класс точности JIS4 для размеров и JIS 2 для точности вращения. Угол контакта 25°. Гибридный подшипник. |
| 7015CG/GNP4 | Универсальный подшипник. Класс точности JIS4 / ISO 4. Резьбовой винт со стопором и защелкой. |
| 7015UP4 | Класс точности JIS4 / ISO 4. |
| 7015UCP4 | Угол контакта 15°. Класс точности JIS4 / ISO 4. |
| 7015UCG/GNP42 | Угол контакта 15°. Универсальный подшипник. Класс точности JIS4 для размеров и JIS 2 для точности вращения. |
| 7015UCGD2/GLP4 | Угол контакта 15°. Универсальный подшипник. Класс точности JIS4 / ISO 4. |
| 7015UADG/GNP42 | Универсальный подшипник. Класс точности JIS4 для размеров и JIS 2 для точности вращения. Угол контакта 25°. |
| 7015CVUJ74 | Угол контакта 15°. Преднатяг (Лёгкий. Универсальные подшпники. |
| 7015B | Угол контакта 40 градусов. |
| 7015 A | Двухрядный радиально-упорный шарикоподшипник без отверстия для смазки. |
| 7015CPA | Угол контакта 15 градусов. |
| 7015C | Угол контакта 15°. |
| 7015 DB/P7 | Two Single Row Deep Groove Ball Bearings. Single Row Angular Contact Ball Bearings Or Single Row Tapered Roller Bearings Matched For Mounting In A Back-To-Back Arrangement. Точность размеров соответствует классу ISO 4. Точность хода лучше. чем ISO Class 4. |
| 7015 FB/P7 | Точность размеров соответствует классу ISO 4. Точность хода лучше. чем ISO Class 4. 18° Угол контакта. High Speed Design. |
| 3NC 7015 FT | REINFORCED PHENOLIC CAGE. |
Модификации шарикового подшипника 7015C TR DUL P3 — это измененное основное конструктивное исполнение 7015, основные размеры (75x115x40) не отличаются.
| Обозначение | Гост | Конструктивные особенности |
|---|---|---|
| EX75 7CE1 DDL | ISO | Фенольная смола. Расположение внешнего сепаратора. P4 (SKF)=Abec.7. CD (SKF)=15° Угол контакта. Контактное уплотнение с двух сторон. |
| VEX75/NS 7CE3 DDL | ISO | Фенольная смола. Расположение внешнего сепаратора. P4 (SKF)=Abec.7. ACD (SKF)=25° Угол контакта. Контактное уплотнение с двух сторон. Шарики из нитрида кремния Si3N4 (гибридные подшипники). Керамические шарики. |
| 7015A5TRDBLP3/TN5X | ISO | Сепаратор из фенольных смол. центрируемый по внутреннему кольцу. 25° Угол контакта. Комплект из 2 подшипников O-образного расположения. Стандартный преднатяг. Класс точности ниже. чем P2. но выше. чем P4. |
| X7015E T DUL P4 | ISO | 25° Угол контакта. Механически обработанный ламинированный фенольный сепаратор. Комплект из 2 универсальных подшипников. Небольшой предварительный натяг. Класс точности Р4 по ISO (точнее. чем P5) - Abec.7. |
| 75BNR10STYNDBLP4A | ISO | Стальные шары. Класс ISO 4. Диаметр окружности шага тел качения (мм) х скорость (об/мин). Комплект из 2 подшипников O-образного расположения. Стандартный преднатяг. Это специальная конструкция сепараторов которая позволяет подшипнику иметь более низкое трение и более низкий уровень шума. Превышение температуры подшипника с сепаратором из TYN ниже. чем с фенольным. |
| T7015CTDULP3 | ISO | 15° Угол контакта. Механически обработанный ламинированный фенольный сепаратор. Комплект из 2 универсальных подшипников. Небольшой предварительный натяг. Класс точности ниже. чем P2. но выше. чем P4. |
| 3MM9115WIDUM | ISO | Дуплексная пара подшипников. Универсальная установка. Средний преднатяг. 25° High Угол контакта Super Precision Abec-7 (Iso P4).. Низкий борт на наружном кольце, стандартный сепаратор - формованный армированный нейлоновый. |
| 115HDL | ISO | Дуплекс. Сепаратор из фенольной смолы с текстильным ламинированием. Внешнее кольцо центрировано. Небольшая предварительная нагрузка. |
| EX75 7CE1 DDM | ISO | Фенольная смола. Расположение внешнего сепаратора. Умеренная предварительная нагрузка (только для симметричных комплектов). P4 (SKF)=Abec.7. Два подшипника. расположенных по схеме O (спиной к спине). CD (SKF)=15° Угол контакта. |
| EX75 7CE3 T/7CE1 D/70 | ISO | Фенольная смола. Половина целого игольчатого валика. Применять суффикс 'D' в базовом номере. Расположение внешнего сепаратора. Два подшипника расположены в тандеме. P4 (SKF)=Abec.7. ACD (SKF)=25° Угол контакта. CD (SKF)=15° Угол контакта. Длина рельса в мм. |
| B7015-C-T-P4S-DUM | ISO | 15° Угол контакта. Textile Laminated Phenolic Resin. Outer Ring Guided. The Cage Is Suitable For Long-Term Operation At Temperatures Up To 100°C. Класс точности. стандарт FAG лучше чем P4. Комплект из 2 универсальных подшипников. Средний преднатяг. |
| B7015-E-T-P4S-DUL | ISO | 25° Угол контакта. Textile Laminated Phenolic Resin. Outer Ring Guided. The Cage Is Suitable For Long-Term Operation At Temperatures Up To 100°C. Класс точности. стандарт FAG лучше чем P4. Комплект из 2 универсальных подшипников. Небольшой предварительный натяг. |
| B7015-E-T-P4S-DBL | ISO | 25° Угол контакта. Textile Laminated Phenolic Resin. Outer Ring Guided. The Cage Is Suitable For Long-Term Operation At Temperatures Up To 100°C. Класс точности. стандарт FAG лучше чем P4. Комплект из двух подшипников. согласованных для установки по О-образной схеме. Легкий преднатяг. |
| B7015-E-T-P4S-DBM | ISO | 25° Угол контакта. Textile Laminated Phenolic Resin. Outer Ring Guided. The Cage Is Suitable For Long-Term Operation At Temperatures Up To 100°C. Класс точности. стандарт FAG лучше чем P4. Комплект из 2 подшипников O-образного расположения. Средний преднатяг. |
| B7015EB.T.P4S.DUL | ISO | Textile Laminated Phenolic Resin. Outer Ring Guided. The Cage Is Suitable For Long-Term Operation At Temperatures Up To 100°C. Класс точности. стандарт FAG лучше чем P4. Комплект из 2 универсальных подшипников. Небольшой предварительный натяг. Bearing With Holes For LIfting Eye-Bolts. |
| B7015CB.T.P4S.DUL | ISO | Модификация внутренней конструкции.. Textile Laminated Phenolic Resin. Outer Ring Guided. The Cage Is Suitable For Long-Term Operation At Temperatures Up To 100°C. Класс точности. стандарт FAG лучше чем P4. Подшипник для универсального монтажа. Два подшипника. установленные по О-образной или Х-образной схеме. имеют нормальный осевой внутренний зазор. Комплект из 2 универсальных подшипников. Небольшой предварительный натяг. |
| HS7015-E-T-P4S-DUL | ISO | 25° Угол контакта. Textile Laminated Phenolic Resin. Outer Ring Guided. The Cage Is Suitable For Long-Term Operation At Temperatures Up To 100°C. Класс точности. стандарт FAG лучше чем P4. Комплект из 2 универсальных подшипников. Небольшой предварительный натяг. |
| B/VEX75/NS7CE1DUL | ISO | Фенольная смола. Расположение внешнего сепаратора. Abec.7. Комплект из 2 универсальных подшипников. Небольшой предварительный натяг. CD (SKF)=15° Угол контакта. Шарики из нитрида кремния Si3N4 (гибридные подшипники). Керамические шарики. |
| VEX75NS 7 CE1 DUL | ISO | Расположение внешнего сепаратора. Abec.7. Комплект из 2 универсальных подшипников. Небольшой предварительный натяг. Шарики из нитрида кремния Si3N4 (гибридные подшипники). Керамические шарики. C-Phenolic Resin. E-External Cage Location. 1-15° Угол контакта. |
| B7015-E-T-P4S-DUL-GA21 | ISO | 25° Угол контакта. Textile Laminated Phenolic Resin. Outer Ring Guided. The Cage Is Suitable For Long-Term Operation At Temperatures Up To 100°C. Класс точности. стандарт FAG лучше чем P4. Комплект из 2 универсальных подшипников. Небольшой предварительный натяг. Содержит две консистентные смазки для тяжелых условий эксплуатации. L75 и L252. Они идеально подходят для подшипников. работающих в шпинделях станков. |
Аналог шарикового подшипника 7015C TR DUL P3 — это подшипник такого же размера dx75,Dx115,Bx40, типа и конструкции.
| Обозначение | Конструктивные особенности | Внутренний (d) | Наружный (D) | Ширина (B) |
|---|---|---|---|---|
| 2Т-346115 Л | Шариковый радиально-упорный сдвоенный подшипник. Сепаратор из латуни.. | 75.00 | 115.00 | 40.00 |
| 2-246115 Л | Шариковый радиально-упорный сдвоенный подшипник. Сепаратор из латуни.. | 75.00 | 115.00 | 40.00 |
| 2-446115 Е | Шариковый радиально-упорный сдвоенный подшипник. Сепаратор из текстолита.. | 75.00 | 115.00 | 40.00 |
| 2-446115 Л | Шариковый радиально-упорный сдвоенный подшипник. Сепаратор из латуни.. | 75.00 | 115.00 | 40.00 |
| 24-246115-Л | Шариковый радиально-упорный сдвоенный подшипник. Сепаратор из латуни.. | 75.00 | 115.00 | 40.00 |
| 24-346115 Л | Шариковый радиально-упорный сдвоенный подшипник. Сепаратор из латуни.. | 75.00 | 115.00 | 40.00 |
| 6-246115 Л | Шариковый радиально-упорный сдвоенный подшипник. Сепаратор из латуни.. | 75.00 | 115.00 | 40.00 |
| 14-236115 К | Шариковый радиально-упорный сдвоенный подшипник. «Замок» (скос) на внутреннем кольце плюс массивный сепаратор из текстолита. | 75.00 | 115.00 | 40.00 |
| 236115К | Шариковый радиально-упорный сдвоенный подшипник. «Замок» (скос) на внутреннем кольце плюс массивный сепаратор из текстолита. | 75.00 | 115.00 | 40.00 |
| 2-446115 Е1 | Шариковый радиально-упорный сдвоенный подшипник. Сепаратор из текстолита.. | 75.00 | 115.00 | 40.00 |
| 2-446115 К | Шариковый радиально-упорный сдвоенный подшипник. «Замок» (скос) на внутреннем кольце плюс массивный сепаратор из текстолита. | 75.00 | 115.00 | 40.00 |
| 22-236115 К | Шариковый радиально-упорный сдвоенный подшипник. «Замок» (скос) на внутреннем кольце плюс массивный сепаратор из текстолита. | 75.00 | 115.00 | 40.00 |
| 22-246115 Е | Шариковый радиально-упорный сдвоенный подшипник. Сепаратор из текстолита.. | 75.00 | 115.00 | 40.00 |
| 336115К | Шариковый радиально-упорный сдвоенный подшипник. «Замок» (скос) на внутреннем кольце плюс массивный сепаратор из текстолита. | 75.00 | 115.00 | 40.00 |
| 436115К | Шариковый радиально-упорный сдвоенный подшипник. «Замок» (скос) на внутреннем кольце плюс массивный сепаратор из текстолита. | 75.00 | 115.00 | 40.00 |
Способы доставки
Отправка через ведущие транспортные и курьерские компании: ПЭК, Деловые Линии, СДЭК, Байкал-Сервис, Энергия, КИТ, ЖелДорЭкспедиция.
Самовывоз возможен напрямую со склада в Москве.
Сроки доставки
Срок зависит от региона и выбранной транспортной компании. Все заказы комплектуются и отправляются в кратчайшие сроки со склада в Москве.
Надёжность и сохранность
Вся продукция упаковывается с учётом требований транспортировки. Мы гарантируем, что подшипники и комплектующие прибудут к заказчику в полной сохранности.
Доставка в страны ЕАЭС
Мы работаем с проверенными логистическими партнёрами, что позволяет оперативно доставлять заказы в Беларусь, Казахстан, Армению и другие страны ЕАЭС.
Варианты оплаты:
Минимальная сумма заказа и скидки:
Документы и гарантии:
Да, конечно! Наши технические специалисты готовы помочь вам с подбором точного аналога или замены подшипника. Просто позвоните нам по телефону +7 (495) 104-99-04 или напишите на почту zakaz@podsnab.ru.
Для оперативной консультации подготовьте, пожалуйста, имеющиеся данные: маркировку, размеры, тип оборудования или артикул старого подшипника.
Да, конечно! Мы высоко ценим долгосрочное сотрудничество и доверие клиентов по всей России. Для постоянных клиентов действует персональная система скидок.
Условия формируются индивидуально и зависят от:
Чтобы узнать свои условия и получить максимально выгодное предложение, свяжитесь с персональным менеджером или напишите нам на почту zakaz@podsnab.ru.
Вы можете оформить заказ несколькими способами:
Для оформления заказа от юридического лица свяжитесь с нашим отделом по работе с корпоративными клиентами по телефону +7 (495) 104-99-04 или напишите на email zakaz@podsnab.ru, прикрепив реквизиты вашей организации.
Мы оперативно подготовим коммерческое предложение и выставим счет.
Возврат товара надлежащего качества возможен в течение 10 дней с момента получения, если товар не был в употреблении, сохранен товарный вид, упаковка не вскрывалась и присутствуют все сопроводительные документы.
Возврат денежных средств осуществляется в течение 10 рабочих дней после проверки товара складом.
В соответствии с законодательством возврату не подлежат подшипники надлежащего качества, если отсутствует оригинальная упаковка или имеются следы монтажа.
В случае выявления брака или гарантийного случая мы гарантируем возврат или обмен товара.
Да, гарантийный срок хранения устанавливается заводом-изготовителем и в среднем составляет 2 года при соблюдении условий хранения: сухое помещение, оригинальная упаковка и смазка.
Точный срок для конкретного типа подшипника уточняйте у наших менеджеров.
Пн–Пт: с 8:00 до 17:00 (МСК).
Сб–Вс: выходные дни.
Заказы на сайте принимаются круглосуточно. Заявки, поступившие после окончания рабочего дня, обрабатываются на следующий рабочий день.
Минимальная сумма заказа для доставки составляет 3000 рублей. Самовывоз со склада возможен на любую сумму при наличии товара.
ООО «УралТехГрупп»
ИНН: 7415093830
КПП: 772401001
ОГРН: 1167456069021
Банк: ПАО Сбербанк
Р/с: 40702810838000475273
К/с: 30101810400000000225
БИК: 044525225
У подшипника 7015C TR DUL P3 пока нет отзывов. Вы можете стать первым покупателем, поделившимся своим мнением.