Поиск подшипника
Статьи
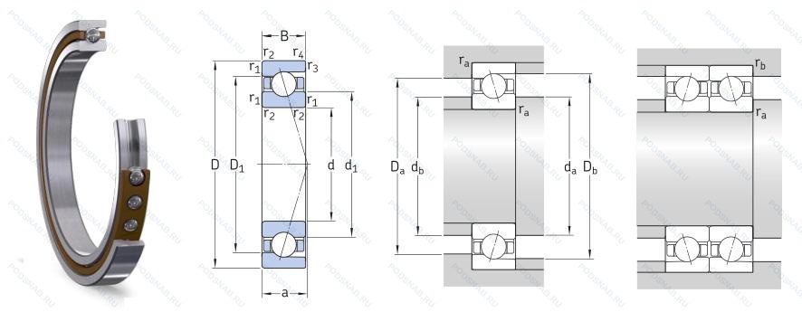
SEA30 5 CE1 DDM — Подшипник шариковый однорядный радиально-упорный, модификация основного исполнения SEA30, производство SNFA.
Размер подшипника: 30x42x14 мм.
Серия - SEA. Минимальные габаритные размеры. Радиально-осевая нагрузка 1.500.000 ndm (масло), c-phenolic resin. e-external cage location. 1-15° угол контакта, два подшипника. расположенных по схеме o (спиной к спине), расположение внешнего сепаратора, умеренная предварительная нагрузка (только для симметричных комплектов), p5 (skf).
Международная стандартизации ISO
SEA305CE1DDM
В наличии
| Обозначение | Конструктивные изменения |
|---|---|
| SEA30 7 CE1 UL | Подшипник для универсального монтажа. Два подшипника. установленные по О-образной или Х-образной схеме. имеют лёгкий преднатяг. Расположение внешнего сепаратора. P4 (SKF)=Abec.7. C-Phenolic Resin. E-External Cage Location. 1-15° Угол контакта. |
| SEA30 5 CE3 DDF | Фенольная смола. Расположение внешнего сепаратора. Большой преднатяг (только для симметричных наборов). Два подшипника. расположенных по схеме O (спиной к спине). ACD (SKF)=25° Угол контакта. P5 (SKF). |
| SEA30 7 CE3 TDTM | Фенольная смола. Расположение внешнего сепаратора. Умеренная предварительная нагрузка (только для симметричных комплектов). P4 (SKF)=Abec.7. ACD (SKF)=25° Угол контакта. Четыре подшипника расположены тандемно спиной к спине. |
| SEA30 7CE1 | Подшипник шариковый однорядный радиально-упорный. |
| SEA30 7CE3 | Подшипник шариковый однорядный радиально-упорный. |
| SEA30/NS 7CE1 | Шарики из нитрида кремния Si3N4 (гибридные подшипники). Керамические шарики. |
| SEA30/NS 7CE3 | Шарики из нитрида кремния Si3N4 (гибридные подшипники). Керамические шарики. |
Модификации шарикового подшипника SEA30 5 CE1 DDM — это измененное основное конструктивное исполнение SEA30, основные размеры (30x42x14) не отличаются.
| Обозначение | Гост | Конструктивные особенности |
|---|---|---|
| 71806CD/P4DGA | ISO | 15° Угол контакта. Два однорядных радиально-упорных шарикоподшипника для универсального монтажа. т.е. спаренные для монтажа по схеме спина к спине. лицом к лицу или в тандемном расположении. Легкий преднатяг. Точность размеров в соответствии с классом допуска ISO 4. точность вращения лучше чем класс допуска ISO 4. |
| B71806-C-TPA-P4-DBM | ISO | 15° Угол контакта. Сепаратор из текстильной ламинированной фенольной смолы. Точность размеров и хода соответствует классу допуска ISO 4 (точнее. чем P5) — Abec-7. Комплект из 2 подшипников O-образного расположения. Средний преднатяг. |
| B71806-C-TPA-P4-DTM | ISO | 15° Угол контакта. Сепаратор из текстильной ламинированной фенольной смолы. Точность размеров и хода соответствует классу допуска ISO 4 (точнее. чем P5) — Abec-7. Duplex Tandem Configuration. Medium Preload. |
| 71806CD/P4DBB | ISO | 15° Угол контакта. Optimized Internal Design. Два однорядных радиальных шарикоподшипника. Дуплекс. Однорядные радиально-упорные шарикоподшипники или однорядные конические роликовые подшипники. подходящие для монтажа в схеме «спина к спине». Средний преднатяг. Класс точности Р4 по ISO (точнее. чем P5) - Abec.7. |
Аналог шарикового подшипника SEA30 5 CE1 DDM — это подшипник такого же размера dx30,Dx42,Bx14, типа и конструкции.
| Обозначение | Конструктивные особенности | Внутренний (d) | Наружный (D) | Ширина (B) |
|---|---|---|---|---|
| NAO29X42X13 | Роликовый игольчатый подшипник. | 29.00 | 42.00 | 13.00 |
| RF304215 | Роликовый игольчатый подшипник однорядный. | 30.00 | 42.00 | 15.00 |
| 7806CEX1DB+33D2P4V3 | Шариковый радиально-упорный двухрядный подшипник. Угол контакта 15°. Класс точности JIS4 / ISO 4. | 30.00 | 42.00 | 14.00 |
Способы доставки
Отправка через ведущие транспортные и курьерские компании: ПЭК, Деловые Линии, СДЭК, Байкал-Сервис, Энергия, КИТ, ЖелДорЭкспедиция.
Самовывоз возможен напрямую со склада в Москве.
Сроки доставки
Срок зависит от региона и выбранной транспортной компании. Все заказы комплектуются и отправляются в кратчайшие сроки со склада в Москве.
Надёжность и сохранность
Вся продукция упаковывается с учётом требований транспортировки. Мы гарантируем, что подшипники и комплектующие прибудут к заказчику в полной сохранности.
Доставка в страны ЕАЭС
Мы работаем с проверенными логистическими партнёрами, что позволяет оперативно доставлять заказы в Беларусь, Казахстан, Армению и другие страны ЕАЭС.
Варианты оплаты:
Минимальная сумма заказа и скидки:
Документы и гарантии:
Да, конечно! Наши технические специалисты готовы помочь вам с подбором точного аналога или замены подшипника. Просто позвоните нам по телефону +7 (495) 104-99-04 или напишите на почту zakaz@podsnab.ru.
Для оперативной консультации подготовьте, пожалуйста, имеющиеся данные: маркировку, размеры, тип оборудования или артикул старого подшипника.
Да, конечно! Мы высоко ценим долгосрочное сотрудничество и доверие клиентов по всей России. Для постоянных клиентов действует персональная система скидок.
Условия формируются индивидуально и зависят от:
Чтобы узнать свои условия и получить максимально выгодное предложение, свяжитесь с персональным менеджером или напишите нам на почту zakaz@podsnab.ru.
Вы можете оформить заказ несколькими способами:
Для оформления заказа от юридического лица свяжитесь с нашим отделом по работе с корпоративными клиентами по телефону +7 (495) 104-99-04 или напишите на email zakaz@podsnab.ru, прикрепив реквизиты вашей организации.
Мы оперативно подготовим коммерческое предложение и выставим счет.
Возврат товара надлежащего качества возможен в течение 10 дней с момента получения, если товар не был в употреблении, сохранен товарный вид, упаковка не вскрывалась и присутствуют все сопроводительные документы.
Возврат денежных средств осуществляется в течение 10 рабочих дней после проверки товара складом.
В соответствии с законодательством возврату не подлежат подшипники надлежащего качества, если отсутствует оригинальная упаковка или имеются следы монтажа.
В случае выявления брака или гарантийного случая мы гарантируем возврат или обмен товара.
Да, гарантийный срок хранения устанавливается заводом-изготовителем и в среднем составляет 2 года при соблюдении условий хранения: сухое помещение, оригинальная упаковка и смазка.
Точный срок для конкретного типа подшипника уточняйте у наших менеджеров.
Пн–Пт: с 8:00 до 17:00 (МСК).
Сб–Вс: выходные дни.
Заказы на сайте принимаются круглосуточно. Заявки, поступившие после окончания рабочего дня, обрабатываются на следующий рабочий день.
Минимальная сумма заказа для доставки составляет 3000 рублей. Самовывоз со склада возможен на любую сумму при наличии товара.
ООО «УралТехГрупп»
ИНН: 7415093830
КПП: 772401001
ОГРН: 1167456069021
Банк: ПАО Сбербанк
Р/с: 40702810838000475273
К/с: 30101810400000000225
БИК: 044525225
У подшипника SEA30 5 CE1 DDM пока нет отзывов. Вы можете стать первым покупателем, поделившимся своим мнением.