Поиск подшипника
Статьи
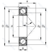
7302BE2RS — Подшипник шариковый однорядный радиально-упорный, модификация основного исполнения 7302, выпускается производителями: INA, SWH.
Размер подшипника: 15x42x13 мм.
Контактное уплотнение с обеих сторон, усовершенствованный элемент качения по сравнению со стандартным элементом качения, 40° угол контакта.
Аналоги: 7302BE 2RS INA.
Международная стандартизации ISO
7302BE2RS
В наличии
| Обозначение | Конструктивные изменения |
|---|---|
| 7302BWG | 40° Угол контакта. Сепаратор из стали. Универсальная установка. |
| 7302X BG | Измененные размеры границ. введенные пересмотренными стандартами ISO. 40° Угол контакта. |
| 7302-B-XL-TVP-P5-UH | 40° Угол контакта. Серия X-Life премиум-класс. увеличиный срок службы. Размерная и рабочая точность соответствует классу допуска ISO 5. Формованный полиамидный сепаратор оконного типа. Роликовые тела качения. Универсальный одиночный подшипник. Высокий преднатяг. |
| 7302-B-XL-TVP-T52D-UA | 40° Угол контакта. Серия X-Life премиум-класс. увеличиный срок службы. Формованный полиамидный сепаратор оконного типа. Роликовые тела качения. Универсальный монтаж. В конфигурациях O и X пара подшипников имеет малый осевой зазор. Universal Design With Restricted Tolerance For The Standout. |
| 7302-BE-TVP-2RSR | Формованный полиамидный сепаратор оконного типа. Роликовые тела качения. Резиновые уплотнения с каждой стороны подшипника. Single Row Angular Contact Ball Bearing With A 40° Угол контакта And Optimized Internal Design. The Balls Are Larger Than The Balls Used In Suffix B. |
| 7302BWDF | Два однорядных радиально-упорных шарикоподшипника. подобранных для установки лицом к лицу. Угол контакта 40 градусов. Прессованный стальной фиксатор. Цельный тип. |
| 7302BE/TGP1 | 40° Угол контакта. Single Row Angular Contact Ball Bearing With A 40° Угол контакта And Optimized Internal Design. With Moulded Cage Of Glass Fibre Reinforced Polyamide 6.6. |
| 7302DB | Комплект из двух подшипников. согласованных для установки по О-образной схеме. |
| 7302-B-XL-TVP-UL | Универсальный монтаж и легкий преднатяг. 40° Угол контакта. Серия X-Life премиум-класс. увеличиный срок службы. Формованный полиамидный сепаратор оконного типа. Роликовые тела качения. |
| 7302CDB/GNP5 | Угол контакта 15°. Универсальный подшипник. |
| 7302 A-UD | Двухрядный радиально-упорный шарикоподшипник без отверстия для смазки. |
| 7302 A-UX | Двухрядный радиально-упорный шарикоподшипник без отверстия для смазки. Универсальный монтаж, сверхлегкая предварительная нагрузка.. |
| 7302 A-UO | Двухрядный радиально-упорный шарикоподшипник без отверстия для смазки. Универсальный монтаж. Для установки по O- и X- образной схеме - беззазорные.. |
| 7302BDF | Угол контакта 40°. |
| 7302BDT | Угол контакта 40°. |
| 7302BDB | Угол контакта 40°. |
| 7302DF | Комплект из двух подшипников. согласованных для установки по Х-образной схеме. Число. следующее непосредственно после букв DF. обозначает конструкцию промежуточного кольца. |
| 7302DT | Дуплексные подшипники для установки в тандеме. |
| 7302 ADT | Механически обработанный сепаратор из текстолита. |
| 7302 ADB | Modified Snap Ring Grooves In The Outer Ring_ Two-Piece Inner Ring Held Together By A Retaining Ring. |
| 7302 ADF | Механически обработанный сепаратор из стали или специального чугуна. |
| 7302B-2RS | Резиновые уплотнения с каждой стороны подшипника. Конический роликовый подшипник. Угол контакта 20 градусов. |
| 7302 A | Двухрядный радиально-упорный шарикоподшипник без отверстия для смазки. |
| 7302C | Угол контакта 15°. |
| 7302BEA | 40° Угол контакта. High Capacity. All Four Corners Equal. |
Модификации шарикового подшипника 7302BE2RS — это измененное основное конструктивное исполнение 7302, основные размеры (15x42x13) не отличаются.
| Обозначение | Гост | Конструктивные особенности |
|---|---|---|
| 03BO | ISO | Подшипник шариковый однорядный радиально-упорный. |
Аналог шарикового подшипника 7302BE2RS — это подшипник такого же размера dx15,Dx42,Bx13, типа и конструкции.
| Обозначение | Конструктивные особенности | Внутренний (d) | Наружный (D) | Ширина (B) |
|---|---|---|---|---|
| 45-302 БТ2 | Шариковый радиальный однорядный подшипник. 200°. Температура отпуска. Сепаратор из безоловянистой бронзы.. | 15.00 | 42.00 | 13.00 |
| 46-302 Б2Т2 | Шариковый радиальный однорядный подшипник. 200°. Температура отпуска. Сепаратор из безоловянистой бронзы.. | 15.00 | 42.00 | 13.00 |
| 46302К | Шариковый радиально-упорный однорядный подшипник. «Замок» (скос) на внутреннем кольце плюс массивный сепаратор из текстолита. | 15.00 | 42.00 | 13.00 |
| 5-302 Б | Шариковый радиальный однорядный подшипник. Сепаратор из безоловянистой бронзы.. | 15.00 | 42.00 | 13.00 |
| 5-302 ЕТ8Ш2 | Шариковый радиальный однорядный подшипник. Сепаратор из текстолита.. Нормы шумности. Специальный режим термообработки деталей подшипника. | 15.00 | 42.00 | 13.00 |
| 5-302 ЕШ2 | Шариковый радиальный однорядный подшипник. Сепаратор из текстолита.. Нормы шумности. | 15.00 | 42.00 | 13.00 |
| 5-36302 Е | Шариковый радиально-упорный однорядный подшипник. Сепаратор из текстолита.. | 15.00 | 42.00 | 13.00 |
| 6-12302 Б1 | Роликовый радиальный однорядный подшипник. Сепаратор из безоловянистой бронзы.. | 15.00 | 42.00 | 13.00 |
| 6-180302 С24 | Шариковый радиальный однорядный подшипник. Смазка СЭДА. | 15.00 | 42.00 | 13.00 |
| 6-180302 С9 | Шариковый радиальный однорядный подшипник. Смазка ЛЗ-31. | 15.00 | 42.00 | 13.00 |
| 6-180302 У2 | Шариковый радиальный однорядный подшипник. Дополнительные технические требования. | 15.00 | 42.00 | 13.00 |
| 6-180302 У2С24 | Шариковый радиальный однорядный подшипник. Дополнительные технические требования. Смазка СЭДА. | 15.00 | 42.00 | 13.00 |
| 6-180302 У2С24Ш1 | Шариковый радиальный однорядный подшипник. Нормы шумности. Дополнительные технические требования. Смазка СЭДА. | 15.00 | 42.00 | 13.00 |
| 6-180302 У2С9 | Шариковый радиальный однорядный подшипник. Дополнительные технические требования. Смазка ЛЗ-31. | 15.00 | 42.00 | 13.00 |
| 6-180302 У4С9 | Шариковый радиальный однорядный подшипник. Дополнительные технические требования. Смазка ЛЗ-31. | 15.00 | 42.00 | 13.00 |
Способы доставки
Отправка через ведущие транспортные и курьерские компании: ПЭК, Деловые Линии, СДЭК, Байкал-Сервис, Энергия, КИТ, ЖелДорЭкспедиция.
Самовывоз возможен напрямую со склада в Москве.
Сроки доставки
Срок зависит от региона и выбранной транспортной компании. Все заказы комплектуются и отправляются в кратчайшие сроки со склада в Москве.
Надёжность и сохранность
Вся продукция упаковывается с учётом требований транспортировки. Мы гарантируем, что подшипники и комплектующие прибудут к заказчику в полной сохранности.
Доставка в страны ЕАЭС
Мы работаем с проверенными логистическими партнёрами, что позволяет оперативно доставлять заказы в Беларусь, Казахстан, Армению и другие страны ЕАЭС.
Варианты оплаты:
Минимальная сумма заказа и скидки:
Документы и гарантии:
Да, конечно! Наши технические специалисты готовы помочь вам с подбором точного аналога или замены подшипника. Просто позвоните нам по телефону +7 (495) 104-99-04 или напишите на почту zakaz@podsnab.ru.
Для оперативной консультации подготовьте, пожалуйста, имеющиеся данные: маркировку, размеры, тип оборудования или артикул старого подшипника.
Да, конечно! Мы высоко ценим долгосрочное сотрудничество и доверие клиентов по всей России. Для постоянных клиентов действует персональная система скидок.
Условия формируются индивидуально и зависят от:
Чтобы узнать свои условия и получить максимально выгодное предложение, свяжитесь с персональным менеджером или напишите нам на почту zakaz@podsnab.ru.
Вы можете оформить заказ несколькими способами:
Для оформления заказа от юридического лица свяжитесь с нашим отделом по работе с корпоративными клиентами по телефону +7 (495) 104-99-04 или напишите на email zakaz@podsnab.ru, прикрепив реквизиты вашей организации.
Мы оперативно подготовим коммерческое предложение и выставим счет.
Возврат товара надлежащего качества возможен в течение 10 дней с момента получения, если товар не был в употреблении, сохранен товарный вид, упаковка не вскрывалась и присутствуют все сопроводительные документы.
Возврат денежных средств осуществляется в течение 10 рабочих дней после проверки товара складом.
В соответствии с законодательством возврату не подлежат подшипники надлежащего качества, если отсутствует оригинальная упаковка или имеются следы монтажа.
В случае выявления брака или гарантийного случая мы гарантируем возврат или обмен товара.
Да, гарантийный срок хранения устанавливается заводом-изготовителем и в среднем составляет 2 года при соблюдении условий хранения: сухое помещение, оригинальная упаковка и смазка.
Точный срок для конкретного типа подшипника уточняйте у наших менеджеров.
Пн–Пт: с 8:00 до 17:00 (МСК).
Сб–Вс: выходные дни.
Заказы на сайте принимаются круглосуточно. Заявки, поступившие после окончания рабочего дня, обрабатываются на следующий рабочий день.
Минимальная сумма заказа для доставки составляет 3000 рублей. Самовывоз со склада возможен на любую сумму при наличии товара.
ООО «УралТехГрупп»
ИНН: 7415093830
КПП: 772401001
ОГРН: 1167456069021
Банк: ПАО Сбербанк
Р/с: 40702810838000475273
К/с: 30101810400000000225
БИК: 044525225
У подшипника 7302BE2RS пока нет отзывов. Вы можете стать первым покупателем, поделившимся своим мнением.