Поиск подшипника
Статьи
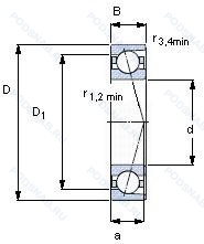
71921CD/P4A — Подшипник шариковый однорядный радиально-упорный, модификация основного исполнения 71921, производство SKF.
Размер подшипника: 105x145x20 мм.
Точность размеров в соответствии с классом допуска iso 4. точность вращения лучше чем класс допуска iso 4, 15° угол контакта.
Альтернативное обозначение: SEB105 7CE1.
Международная стандартизации ISO
71921CDP4A
В наличии
| Обозначение | Конструктивные изменения |
|---|---|
| 71921CD/P4ATBTA | 15° Угол контакта. Точность размеров в соответствии с классом допуска ISO 4. точность вращения лучше чем класс допуска ISO 4. Комплект из трех одинаковых однорядных радиальных или радиально-упорных шарикоподшипников. Легкий преднатяг. |
| 71921CDGA/P4A | 15° Угол контакта. Точность размеров в соответствии с классом допуска ISO 4. точность вращения лучше чем класс допуска ISO 4. Однорядный радиально-упорный шарикоподшипник для универсальной установки. Два подшипника. расположенных «спина к спине» или «лицом к лицу». будут иметь небольшой преднатяг. |
| 71921CD/P4ADGB | 15° Угол контакта. Точность размеров в соответствии с классом допуска ISO 4. точность вращения лучше чем класс допуска ISO 4. Два однорядных радиально-упорных шарикоподшипника для универсального монтажа т.е. спаренные для монтажа в режиме спина к спине. лицом к лицу или в тандемном расположении. Средний преднатяг. |
| 71921ACD/P4A | Точность размеров в соответствии с классом допуска ISO 4. точность вращения лучше чем класс допуска ISO 4. 25° Угол контакта. |
| 71921 CD/HCP4AL | Измененная или модифицированная внутренняя конструкция при неизменных основных размерах. Двухкомпонентный штампованный стальной сепаратор с направляющим кольцом. |
| 71921 CD/HCP4A | Измененная или модифицированная внутренняя конструкция при неизменных основных размерах. Двухкомпонентный штампованный стальной сепаратор с направляющим кольцом. |
| 71921 CD/HCP4AH1 | Измененная или модифицированная внутренняя конструкция при неизменных основных размерах. Двухкомпонентный штампованный стальной сепаратор с направляющим кольцом. |
| 71921 ACD/P4AH1 | Измененная или модифицированная внутренняя конструкция при неизменных основных размерах. Однорядный с улучшенной конструкцией и углом контакта 25°. |
| 71921 ACD/HCP4AL | Измененная или модифицированная внутренняя конструкция при неизменных основных размерах. Однорядный с улучшенной конструкцией и углом контакта 25°. |
| 71921 ACD/P4AL | Измененная или модифицированная внутренняя конструкция при неизменных основных размерах. Однорядный с улучшенной конструкцией и углом контакта 25°. |
| 71921 CD/P4AL | Измененная или модифицированная внутренняя конструкция при неизменных основных размерах. Двухкомпонентный штампованный стальной сепаратор с направляющим кольцом. |
| 71921 ACD/HCP4AH1 | Измененная или модифицированная внутренняя конструкция при неизменных основных размерах. Однорядный с улучшенной конструкцией и углом контакта 25°. |
| 71921 ACD/HCP4A | Измененная или модифицированная внутренняя конструкция при неизменных основных размерах. Однорядный с улучшенной конструкцией и углом контакта 25°. |
| 71921 CD/P4AH1 | Измененная или модифицированная внутренняя конструкция при неизменных основных размерах. Двухкомпонентный штампованный стальной сепаратор с направляющим кольцом. |
| 71921 C-UO | 15° Угол контакта. Универсальный монтаж. Для установки по O- и X- образной схеме - беззазорные.. |
| 71921 ATBP4 | Подшипник шариковый однорядный радиально-упорный. |
| 71921 C-UD | 15° Угол контакта. |
| 71921 C | 15° Угол контакта. |
| 71921 CTBP4 | Подшипник шариковый однорядный радиально-упорный. |
| 71921 C-UX | 15° Угол контакта. Универсальный монтаж, сверхлегкая предварительная нагрузка.. |
| 71921 CDB | Однорядный радиально-упорный шарикоподшипник улучшенной конструкции с углом контакта 15°. |
| 71921 A | Двухрядный радиально-упорный шарикоподшипник без отверстия для смазки. |
| 71921 CDT | Механически обработанный сепаратор из текстолита. Однорядный радиально-упорный шарикоподшипник улучшенной конструкции с углом контакта 15°. |
| 71921 CDF | Механически обработанный сепаратор из стали или специального чугуна. Однорядный радиально-упорный шарикоподшипник улучшенной конструкции с углом контакта 15°. |
Модификации шарикового подшипника 71921CD/P4A — это измененное основное конструктивное исполнение 71921, основные размеры (105x145x20) не отличаются.
| Обозначение | Гост | Конструктивные особенности |
|---|---|---|
| 105BER19STSULP3 | ISO | Подшипник шариковый однорядный радиально-упорный. |
| 7921C TR SUL P3 | ISO | 15° Угол контакта. Одиночный шарикоподшипник. Радиально упорный. Сверхточный. Одиночный подшипник выполнен для универсального монтажа. Малый преднатяг. Сепаратор из фенольных смол. центрируемый по внутреннему кольцу. Класс точности ниже. чем P2. но выше. чем P4. |
| B71921C.TPA.P4.UL | ISO | 15° Угол контакта. Универсальный монтаж и легкий преднатяг. Сепаратор из текстильной ламинированной фенольной смолы. Точность размеров и хода соответствует классу допуска ISO 4 (точнее. чем P5) — Abec-7. |
| B71921-E-T-P4S-UL | ISO | Универсальный монтаж и легкий преднатяг. 25° Угол контакта. Textile Laminated Phenolic Resin. Outer Ring Guided. The Cage Is Suitable For Long-Term Operation At Temperatures Up To 100°C. Класс точности. стандарт FAG лучше чем P4. |
| B71921-C-T-P4S-K5-UL | ISO | 15° Угол контакта. Универсальный монтаж и легкий преднатяг. Textile Laminated Phenolic Resin. Outer Ring Guided. The Cage Is Suitable For Long-Term Operation At Temperatures Up To 100°C. Комбинация P4S (граничные размеры ISO 4. ABEC-7. Точность вращения ISO 2. ABEC-9) и K5 (то же. что и P4S. но со средней сортировкой отверстия и наружного диаметра). |
| B71921-E-T-P4S-UM | ISO | 25° Угол контакта. Textile Laminated Phenolic Resin. Outer Ring Guided. The Cage Is Suitable For Long-Term Operation At Temperatures Up To 100°C. Класс точности. стандарт FAG лучше чем P4. Однорядный. Универсальный. Средний преднатяг. |
| B71921C.T.P4S.UL | ISO | 15° Угол контакта. Универсальный монтаж и легкий преднатяг. Textile Laminated Phenolic Resin. Outer Ring Guided. The Cage Is Suitable For Long-Term Operation At Temperatures Up To 100°C. Класс точности. стандарт FAG лучше чем P4. |
Аналог шарикового подшипника 71921CD/P4A — это подшипник такого же размера dx105,Dx145,Bx20, типа и конструкции.
| Обозначение | Конструктивные особенности | Внутренний (d) | Наружный (D) | Ширина (B) |
|---|---|---|---|---|
| 61921P | Шариковый радиальный однорядный подшипник. Сеаратор из литого полиамида 6.6. армированного стекловолокном. | 105.00 | 145.00 | 20.00 |
| 6921LLU | Шариковый радиальный однорядный подшипник. Контактное резиновое уплотнение с двух сторон. | 105.00 | 145.00 | 20.00 |
| 6921LLB | Шариковый радиальный однорядный подшипник. Уплотнение бесконтактного типа из синтетического каучука. | 105.00 | 145.00 | 20.00 |
| S61921-2RS | Шариковый радиальный однорядный подшипник. Резиновые уплотнения с каждой стороны подшипника. | 105.00 | 145.00 | 20.00 |
| 61921-2Z | Шариковый радиальный однорядный подшипник. Защитные металлические шайбы с обеих сторон подшипника. | 105.00 | 145.00 | 20.00 |
| 3NC HAR921C FT | Шариковый радиальный однорядный подшипник. Угол контакта 20 градусов. REINFORCED PHENOLIC CAGE. | 105.00 | 145.00 | 20.00 |
| 3NCHAC921C | Шариковый радиальный однорядный подшипник. Угол контакта 20 градусов. | 105.00 | 145.00 | 20.00 |
| 3NCHAC921CA | Шариковый радиальный однорядный подшипник. Угол контакта 20 градусов. Латунный сепаратор с симметричными роликами. | 105.00 | 145.00 | 20.00 |
| 3NCHAF921CA | Шариковый радиальный однорядный подшипник. Угол контакта 20 градусов. Латунный сепаратор с симметричными роликами. | 105.00 | 145.00 | 20.00 |
| 3NCHAR921C | Шариковый радиальный однорядный подшипник. Угол контакта 20 градусов. | 105.00 | 145.00 | 20.00 |
| 3NCHAR921CA | Шариковый радиальный однорядный подшипник. Угол контакта 20 градусов. Латунный сепаратор с симметричными роликами. | 105.00 | 145.00 | 20.00 |
| 3NCHAR921 | Шариковый радиальный однорядный подшипник. Угол контакта 20 градусов. | 105.00 | 145.00 | 20.00 |
| 1000921-Г | Шариковый радиальный однорядный подшипник. Сепаратор из черных металлов.. | 105.00 | 145.00 | 20.00 |
| 1000921АЕ | Шариковый радиальный однорядный подшипник. Сепаратор из текстолита.. Повышенная грузоподъемность. | 105.00 | 145.00 | 20.00 |
| 6-1000921 Г | Шариковый радиальный однорядный подшипник. Сепаратор из черных металлов.. | 105.00 | 145.00 | 20.00 |
Способы доставки
Отправка через ведущие транспортные и курьерские компании: ПЭК, Деловые Линии, СДЭК, Байкал-Сервис, Энергия, КИТ, ЖелДорЭкспедиция.
Самовывоз возможен напрямую со склада в Москве.
Сроки доставки
Срок зависит от региона и выбранной транспортной компании. Все заказы комплектуются и отправляются в кратчайшие сроки со склада в Москве.
Надёжность и сохранность
Вся продукция упаковывается с учётом требований транспортировки. Мы гарантируем, что подшипники и комплектующие прибудут к заказчику в полной сохранности.
Доставка в страны ЕАЭС
Мы работаем с проверенными логистическими партнёрами, что позволяет оперативно доставлять заказы в Беларусь, Казахстан, Армению и другие страны ЕАЭС.
Варианты оплаты:
Минимальная сумма заказа и скидки:
Документы и гарантии:
Да, конечно! Наши технические специалисты готовы помочь вам с подбором точного аналога или замены подшипника. Просто позвоните нам по телефону +7 (495) 104-99-04 или напишите на почту zakaz@podsnab.ru.
Для оперативной консультации подготовьте, пожалуйста, имеющиеся данные: маркировку, размеры, тип оборудования или артикул старого подшипника.
Да, конечно! Мы высоко ценим долгосрочное сотрудничество и доверие клиентов по всей России. Для постоянных клиентов действует персональная система скидок.
Условия формируются индивидуально и зависят от:
Чтобы узнать свои условия и получить максимально выгодное предложение, свяжитесь с персональным менеджером или напишите нам на почту zakaz@podsnab.ru.
Вы можете оформить заказ несколькими способами:
Для оформления заказа от юридического лица свяжитесь с нашим отделом по работе с корпоративными клиентами по телефону +7 (495) 104-99-04 или напишите на email zakaz@podsnab.ru, прикрепив реквизиты вашей организации.
Мы оперативно подготовим коммерческое предложение и выставим счет.
Возврат товара надлежащего качества возможен в течение 10 дней с момента получения, если товар не был в употреблении, сохранен товарный вид, упаковка не вскрывалась и присутствуют все сопроводительные документы.
Возврат денежных средств осуществляется в течение 10 рабочих дней после проверки товара складом.
В соответствии с законодательством возврату не подлежат подшипники надлежащего качества, если отсутствует оригинальная упаковка или имеются следы монтажа.
В случае выявления брака или гарантийного случая мы гарантируем возврат или обмен товара.
Да, гарантийный срок хранения устанавливается заводом-изготовителем и в среднем составляет 2 года при соблюдении условий хранения: сухое помещение, оригинальная упаковка и смазка.
Точный срок для конкретного типа подшипника уточняйте у наших менеджеров.
Пн–Пт: с 8:00 до 17:00 (МСК).
Сб–Вс: выходные дни.
Заказы на сайте принимаются круглосуточно. Заявки, поступившие после окончания рабочего дня, обрабатываются на следующий рабочий день.
Минимальная сумма заказа для доставки составляет 3000 рублей. Самовывоз со склада возможен на любую сумму при наличии товара.
ООО «УралТехГрупп»
ИНН: 7415093830
КПП: 772401001
ОГРН: 1167456069021
Банк: ПАО Сбербанк
Р/с: 40702810838000475273
К/с: 30101810400000000225
БИК: 044525225
У подшипника 71921CD/P4A пока нет отзывов. Вы можете стать первым покупателем, поделившимся своим мнением.