Поиск подшипника
Статьи
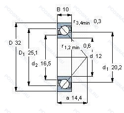
B7201-E-T-P4S-UL — Подшипник шариковый однорядный радиально-упорный, модификация основного исполнения B7201, производство FAG.
Размер подшипника: 12x32x10 мм.
Класс точности. стандарт fag лучше чем p4, универсальный монтаж и легкий преднатяг, 25° угол контакта, textile laminated phenolic resin. outer ring guided. the cage is suitable for long-term operation at temperatures up to 100°c.
Альтернативное обозначение: 7201ACDGA/P4A.
Международная стандартизации ISO
B7201ETP4SUL
В наличии
| Обозначение | Конструктивные изменения |
|---|---|
| B7201C.TPA | 15° Угол контакта. Сепаратор из текстильной ламинированной фенольной смолы. |
| B7201X2 TA DUL EP7 | Комплект из 2 универсальных подшипников. Небольшой предварительный натяг. Цельный. центрированный по внешнему кольцу. механически обработанный. ламинированный. фенольный сепаратор. Сверхточный класс 7. 15° Угол контакта. |
| B7201C TPB P2 | 15° Угол контакта. Более высокий класс точности по сравнению с P4. литой под давлением сепаратор из полиамида 6.6. центрированный роликовый элемент. |
| B7201C.TPA.P4 | 15° Угол контакта. Сепаратор из текстильной ламинированной фенольной смолы. Точность размеров и хода соответствует классу допуска ISO 4 (точнее. чем P5) — Abec-7. |
| B7201X2 TA DUL | Комплект из 2 универсальных подшипников. Небольшой предварительный натяг. Цельный. центрированный по внешнему кольцу. механически обработанный. ламинированный. фенольный сепаратор. 15° Угол контакта. |
| B7201-C-2RSD-T-P4S-UL | 15° Угол контакта. Универсальный монтаж и легкий преднатяг. Textile Laminated Phenolic Resin. Outer Ring Guided. The Cage Is Suitable For Long-Term Operation At Temperatures Up To 100°C. Класс точности. стандарт FAG лучше чем P4. Lip Seals On Both Sides. Non-Contact. |
| B7201-E-2RSD-T-P4S-UL | Универсальный монтаж и легкий преднатяг. 25° Угол контакта. Textile Laminated Phenolic Resin. Outer Ring Guided. The Cage Is Suitable For Long-Term Operation At Temperatures Up To 100°C. Класс точности. стандарт FAG лучше чем P4. Lip Seals On Both Sides. Non-Contact. |
| B7201C.TPA.P4.UL | 15° Угол контакта. Универсальный монтаж и легкий преднатяг. Сепаратор из текстильной ламинированной фенольной смолы. Точность размеров и хода соответствует классу допуска ISO 4 (точнее. чем P5) — Abec-7. |
| B7201CA TB P4 | 12° Угол контакта. Textite (Fabric Reïnforced Phenolic Resin) Cage Guided On The Inner Ring. Класс точности Р4 по ISO (точнее. чем P5) - Abec.7. |
| B7201A P4 | 25° Угол контакта. Класс точности Р4 по ISO (точнее. чем P5) - Abec.7. |
| B7201CA TB P5 | 12° Угол контакта. Размерная и рабочая точность соответствует классу допуска ISO 5. Textite (Fabric Reïnforced Phenolic Resin) Cage Guided On The Inner Ring. |
| B7201CB TB P4 | 10° Угол контакта. Textite (Fabric Reïnforced Phenolic Resin) Cage Guided On The Inner Ring. Класс точности Р4 по ISO (точнее. чем P5) - Abec.7. |
| B7201CB TB | 10° Угол контакта. Сепаратор оконного типа из фенольной смолы. армированной тканью. Центрирование по внутреннему кольцу. |
| B7201-C-T-P4S-DUL | 15° Угол контакта. Textile Laminated Phenolic Resin. Outer Ring Guided. The Cage Is Suitable For Long-Term Operation At Temperatures Up To 100°C. Класс точности. стандарт FAG лучше чем P4. Комплект из 2 универсальных подшипников. Небольшой предварительный натяг. |
| B7201-E-T-P4S-DUL | 25° Угол контакта. Textile Laminated Phenolic Resin. Outer Ring Guided. The Cage Is Suitable For Long-Term Operation At Temperatures Up To 100°C. Класс точности. стандарт FAG лучше чем P4. Комплект из 2 универсальных подшипников. Небольшой предварительный натяг. |
| B7201-E-T-P4S-UM | 25° Угол контакта. Textile Laminated Phenolic Resin. Outer Ring Guided. The Cage Is Suitable For Long-Term Operation At Temperatures Up To 100°C. Класс точности. стандарт FAG лучше чем P4. Однорядный. Универсальный. Средний преднатяг. |
| B7201E.TPA.P4.UL | Универсальный монтаж и легкий преднатяг. Сепаратор из текстильной ламинированной фенольной смолы. 25° Угол контакта. Точность размеров и хода соответствует классу допуска ISO 4 (точнее. чем P5) — Abec-7. |
| B7201C.TPA.HG.UL | 15° Угол контакта. Универсальный монтаж и легкий преднатяг. Сепаратор из текстильной ламинированной фенольной смолы. Класс допуска (FAG) для подшипников шпинделя (аналог P2). |
| B7201E.TPA.P4.UM | Сепаратор из текстильной ламинированной фенольной смолы. 25° Угол контакта. Точность размеров и хода соответствует классу допуска ISO 4 (точнее. чем P5) — Abec-7. Однорядный. Универсальный. Средний преднатяг. |
| B7201C.TPA.P2 | 15° Угол контакта. Сепаратор из текстильной ламинированной фенольной смолы. P2 класс точности - соответствует классу точности ABEC-9. |
| B7201-C-T-P4S-UL | 15° Угол контакта. Универсальный монтаж и легкий преднатяг. Textile Laminated Phenolic Resin. Outer Ring Guided. The Cage Is Suitable For Long-Term Operation At Temperatures Up To 100°C. Класс точности. стандарт FAG лучше чем P4. |
| B7201-E-2RSD-T-P4S | Повышенная грузоподъемность. Textile Laminated Phenolic Resin. Outer Ring Guided. The Cage Is Suitable For Long-Term Operation At Temperatures Up To 100°C. Класс точности. стандарт FAG лучше чем P4. Lip Seals On Both Sides. Non-Contact. |
| B7201-C-T-P4S | 15° Угол контакта. Textile Laminated Phenolic Resin. Outer Ring Guided. The Cage Is Suitable For Long-Term Operation At Temperatures Up To 100°C. Класс точности. стандарт FAG лучше чем P4. |
| B7201-E-T-P4S | Повышенная грузоподъемность. Textile Laminated Phenolic Resin. Outer Ring Guided. The Cage Is Suitable For Long-Term Operation At Temperatures Up To 100°C. Класс точности. стандарт FAG лучше чем P4. |
| B7201-C-2RSD-T-P4S | 15° Угол контакта. Textile Laminated Phenolic Resin. Outer Ring Guided. The Cage Is Suitable For Long-Term Operation At Temperatures Up To 100°C. Класс точности. стандарт FAG лучше чем P4. Lip Seals On Both Sides. Non-Contact. |
Модификации шарикового подшипника B7201-E-T-P4S-UL — это измененное основное конструктивное исполнение B7201, основные размеры (12x32x10) не отличаются.
| Обозначение | Гост | Конструктивные особенности |
|---|---|---|
| 7201CD/HCP4A | ISO | 15° Угол контакта. Точность размеров в соответствии с классом допуска ISO 4. точность вращения лучше чем класс допуска ISO 4. Подшипник или компоненты подшипника из керамики. |
| 7201C/PA9 | ISO | 15° Угол контакта. P2 класс точности - соответствует классу точности ABEC-9. |
| 7201C G1 J74 | ISO | 15° Угол контакта. Небольшая предварительная нагрузка. Точность размеров и хода соответствует классу допусков 4 (более высокая. чем P5)-ABEC7. Ламинированный фенольный сепаратор с центрированием на внешнем кольце. |
| 7201CX/P4A | ISO | 15° Угол контакта. Размеры границ изменены в соответствии со стандартами ISO. Точность размеров в соответствии с классом допуска ISO 4. точность вращения лучше чем класс допуска ISO 4. |
| 7201AV | ISO | Алюминиевое уплотнение. |
| 201HCRRDUL G-75P2PF21 | ISO | 15° Угол контакта. Сепаратор из фенольной смолы с текстильным ламинированием. Внешнее кольцо центрировано. Устройство повторного смазывания со смазочной канавкой и отверстием на внешнем кольце. Комплект из 2 универсальных подшипников. Небольшой предварительный натяг. Double Seal. |
| 7201BE TVP 2RSR | ISO | Формованный полиамидный сепаратор оконного типа. Роликовые тела качения. Резиновые уплотнения с каждой стороны подшипника. Single Row Angular Contact Ball Bearing With A 40° Угол контакта And Optimized Internal Design. The Balls Are Larger Than The Balls Used In Suffix B. |
| 7201C G1 U J74 | ISO | 15° Угол контакта. Небольшая предварительная нагрузка. Точность размеров и хода соответствует классу допусков 4 (более высокая. чем P5)-ABEC7. Универсальный одиночный подшипник. Ламинированный фенольный сепаратор с центрированием на внешнем кольце. |
| 7201-B-XL-2RS-TVP-UA | ISO | Резиновые уплотнения с каждой стороны подшипника. 40° Угол контакта. Серия X-Life премиум-класс. увеличиный срок службы. Формованный полиамидный сепаратор оконного типа. Роликовые тела качения. Универсальный монтаж. В конфигурациях O и X пара подшипников имеет малый осевой зазор. |
| 7201-B-2RS-TVP-UA | ISO | Резиновые уплотнения с каждой стороны подшипника. 40° Угол контакта. Формованный полиамидный сепаратор оконного типа. Роликовые тела качения. Универсальный монтаж. В конфигурациях O и X пара подшипников имеет малый осевой зазор. |
| 7201-B-2RS-TVP-UO | ISO | Резиновые уплотнения с каждой стороны подшипника. 40° Угол контакта. Формованный полиамидный сепаратор оконного типа. Роликовые тела качения. Универсальный монтаж. Для установки по O- и X- образной схеме - беззазорные.. |
| 7201-B-XL-2RS-TVP-UO | ISO | Резиновые уплотнения с каждой стороны подшипника. 40° Угол контакта. Серия X-Life премиум-класс. увеличиный срок службы. Формованный полиамидный сепаратор оконного типа. Роликовые тела качения. Универсальный монтаж. Для установки по O- и X- образной схеме - беззазорные.. |
| 7201CY P4 | ISO | Точность размеров и хода по классу точности 4 по ISO (более точная. чем P5) - Abec7. KOYO Bearings In FAG Packaging. FAG Bearing On Display. Greater Rounding-Rays For The Angles Than Normal. |
| 7201C GL X2 | ISO | 15°Угол контакта. 15° Угол контакта. Небольшая предварительная нагрузка. |
| 7201C FT P5 | ISO | 15°Угол контакта. Размерная и рабочая точность соответствует классу допуска ISO 5. Machined Cage Made Of Reinforced Phenolic. |
| 7201C FG P4 | ISO | 15°Угол контакта. Класс JIS 4. (Точность размеров и пробега до класса допуска ISO 4 (более точный. чем P5) - Abec-7)). Molded Cage Made Of Polyamide Resin. |
| 7201A5TRSUMP3 | ISO | Сепаратор из фенольных смол. центрируемый по внутреннему кольцу. 25° Угол контакта. Одиночный. Универсальный. Средний преднатяг. Класс точности ниже. чем P2. но выше. чем P4. |
| 7201BE.TVP.2RSR.LHT23 | ISO | Lithium Grease. Wide Range. 26 cSt @ 40°C. -50°C/+140°C. A Two-Figure Number Following LHT Identifies The Actual Grease. Формованный полиамидный сепаратор оконного типа. Роликовые тела качения. Резиновые уплотнения с каждой стороны подшипника. Single Row Angular Contact Ball Bearing With A 40° Угол контакта And Optimized Internal Design. The Balls Are Larger Than The Balls Used In Suffix B. |
| 7201CTYP5 | ISO | 15° Угол контакта. Размерная и рабочая точность соответствует классу допуска ISO 5. Шарикоподшипник. Радиально-упорный. Сверхточный. Сепаратор из полиамида. усиленного стекловолокном. |
| 7201CG/GNP4 | ISO | Класс точности Р4 по ISO (точнее. чем P5) - Abec.7. Резьбовой винт со стопором и защелкой. Нормальный преднатяг. |
Аналог шарикового подшипника B7201-E-T-P4S-UL — это подшипник такого же размера dx12,Dx32,Bx10, типа и конструкции.
| Обозначение | Конструктивные особенности | Внутренний (d) | Наружный (D) | Ширина (B) |
|---|---|---|---|---|
| 5-60201 Т2Ш2У | Шариковый радиальный однорядный подшипник. Дополнительные технические требования. 200°. Температура отпуска. Нормы шумности. | 12.00 | 32.00 | 10.00 |
| 5-80201 С2 | Шариковый радиальный однорядный подшипник. Смазка ЦИАТИМ-221. | 12.00 | 32.00 | 10.00 |
| 5-80201 С9 | Шариковый радиальный однорядный подшипник. Смазка ЛЗ-31. | 12.00 | 32.00 | 10.00 |
| 5-80201 С9Ш2У | Шариковый радиальный однорядный подшипник. Дополнительные технические требования. Нормы шумности. Смазка ЛЗ-31. | 12.00 | 32.00 | 10.00 |
| 5-80201 Ш2УС9 | Шариковый радиальный однорядный подшипник. Дополнительные технические требования. Нормы шумности. Смазка ЛЗ-31. | 12.00 | 32.00 | 10.00 |
| 6-180201 АС17 | Шариковый радиальный однорядный подшипник. Смазка Литол-24. Повышенная грузоподъемность. | 12.00 | 32.00 | 10.00 |
| 6-180201 С17 | Шариковый радиальный однорядный подшипник. Смазка Литол-24. | 12.00 | 32.00 | 10.00 |
| 6-180201 С9 | Шариковый радиальный однорядный подшипник. Смазка ЛЗ-31. | 12.00 | 32.00 | 10.00 |
| 6-180201 С9Ш1 | Шариковый радиальный однорядный подшипник. Нормы шумности. Смазка ЛЗ-31. | 12.00 | 32.00 | 10.00 |
| 6-180201 У2 | Шариковый радиальный однорядный подшипник. Дополнительные технические требования. | 12.00 | 32.00 | 10.00 |
| 6-180201 У2С21 | Шариковый радиальный однорядный подшипник. Смазка ЭРА. Дополнительные технические требования. | 12.00 | 32.00 | 10.00 |
| 6-180201 У2С9 | Шариковый радиальный однорядный подшипник. Дополнительные технические требования. Смазка ЛЗ-31. | 12.00 | 32.00 | 10.00 |
| 6-180201 У2С9Ш1 | Шариковый радиальный однорядный подшипник. Нормы шумности. Дополнительные технические требования. Смазка ЛЗ-31. | 12.00 | 32.00 | 10.00 |
| 6-180201 У3С9Ш1 | Шариковый радиальный однорядный подшипник. Нормы шумности. Дополнительные технические требования. Смазка ЛЗ-31. | 12.00 | 32.00 | 10.00 |
| 6-180201 Ш1С9 | Шариковый радиальный однорядный подшипник. Нормы шумности. Смазка ЛЗ-31. | 12.00 | 32.00 | 10.00 |
Способы доставки
Отправка через ведущие транспортные и курьерские компании: ПЭК, Деловые Линии, СДЭК, Байкал-Сервис, Энергия, КИТ, ЖелДорЭкспедиция.
Самовывоз возможен напрямую со склада в Москве.
Сроки доставки
Срок зависит от региона и выбранной транспортной компании. Все заказы комплектуются и отправляются в кратчайшие сроки со склада в Москве.
Надёжность и сохранность
Вся продукция упаковывается с учётом требований транспортировки. Мы гарантируем, что подшипники и комплектующие прибудут к заказчику в полной сохранности.
Доставка в страны ЕАЭС
Мы работаем с проверенными логистическими партнёрами, что позволяет оперативно доставлять заказы в Беларусь, Казахстан, Армению и другие страны ЕАЭС.
Варианты оплаты:
Минимальная сумма заказа и скидки:
Документы и гарантии:
Да, конечно! Наши технические специалисты готовы помочь вам с подбором точного аналога или замены подшипника. Просто позвоните нам по телефону +7 (495) 104-99-04 или напишите на почту zakaz@podsnab.ru.
Для оперативной консультации подготовьте, пожалуйста, имеющиеся данные: маркировку, размеры, тип оборудования или артикул старого подшипника.
Да, конечно! Мы высоко ценим долгосрочное сотрудничество и доверие клиентов по всей России. Для постоянных клиентов действует персональная система скидок.
Условия формируются индивидуально и зависят от:
Чтобы узнать свои условия и получить максимально выгодное предложение, свяжитесь с персональным менеджером или напишите нам на почту zakaz@podsnab.ru.
Вы можете оформить заказ несколькими способами:
Для оформления заказа от юридического лица свяжитесь с нашим отделом по работе с корпоративными клиентами по телефону +7 (495) 104-99-04 или напишите на email zakaz@podsnab.ru, прикрепив реквизиты вашей организации.
Мы оперативно подготовим коммерческое предложение и выставим счет.
Возврат товара надлежащего качества возможен в течение 10 дней с момента получения, если товар не был в употреблении, сохранен товарный вид, упаковка не вскрывалась и присутствуют все сопроводительные документы.
Возврат денежных средств осуществляется в течение 10 рабочих дней после проверки товара складом.
В соответствии с законодательством возврату не подлежат подшипники надлежащего качества, если отсутствует оригинальная упаковка или имеются следы монтажа.
В случае выявления брака или гарантийного случая мы гарантируем возврат или обмен товара.
Да, гарантийный срок хранения устанавливается заводом-изготовителем и в среднем составляет 2 года при соблюдении условий хранения: сухое помещение, оригинальная упаковка и смазка.
Точный срок для конкретного типа подшипника уточняйте у наших менеджеров.
Пн–Пт: с 8:00 до 17:00 (МСК).
Сб–Вс: выходные дни.
Заказы на сайте принимаются круглосуточно. Заявки, поступившие после окончания рабочего дня, обрабатываются на следующий рабочий день.
Минимальная сумма заказа для доставки составляет 3000 рублей. Самовывоз со склада возможен на любую сумму при наличии товара.
ООО «УралТехГрупп»
ИНН: 7415093830
КПП: 772401001
ОГРН: 1167456069021
Банк: ПАО Сбербанк
Р/с: 40702810838000475273
К/с: 30101810400000000225
БИК: 044525225
У подшипника B7201-E-T-P4S-UL пока нет отзывов. Вы можете стать первым покупателем, поделившимся своим мнением.