Поиск подшипника
Статьи
B7014-C-T-P4S-UL — Подшипник шариковый однорядный радиально-упорный, модификация основного исполнения B7014, выпускается производителями: BARDEN, FAG.
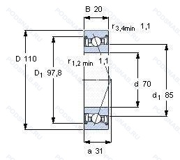
Размер подшипника: 70x110x20 мм.
Класс точности. стандарт fag лучше чем p4, универсальный монтаж и легкий преднатяг, 15° угол контакта, textile laminated phenolic resin. outer ring guided. the cage is suitable for long-term operation at temperatures up to 100°c.
Альтернативное обозначение: 114HC, 7014CDGA/P4A.
Международная стандартизации ISO
B7014CTP4SUL
В наличии
| Обозначение | Конструктивные изменения |
|---|---|
| B7014E.2RSD.T.P4S.UL | Универсальный монтаж и легкий преднатяг. 25° Угол контакта. Textile Laminated Phenolic Resin. Outer Ring Guided. The Cage Is Suitable For Long-Term Operation At Temperatures Up To 100°C. Класс точности. стандарт FAG лучше чем P4. Lip Seals On Both Sides. Non-Contact. |
| B7014TA DUL EP7 | Комплект из 2 универсальных подшипников. Небольшой предварительный натяг. Цельный. центрированный по внешнему кольцу. механически обработанный. ламинированный. фенольный сепаратор. Сверхточный класс 7. |
| B7014-C-T-P4S-DUL | 15° Угол контакта. Textile Laminated Phenolic Resin. Outer Ring Guided. The Cage Is Suitable For Long-Term Operation At Temperatures Up To 100°C. Класс точности. стандарт FAG лучше чем P4. Комплект из 2 универсальных подшипников. Небольшой предварительный натяг. |
| B7014-C-T-P4S-K5-UL | 15° Угол контакта. Универсальный монтаж и легкий преднатяг. Textile Laminated Phenolic Resin. Outer Ring Guided. The Cage Is Suitable For Long-Term Operation At Temperatures Up To 100°C. Комбинация P4S (граничные размеры ISO 4. ABEC-7. Точность вращения ISO 2. ABEC-9) и K5 (то же. что и P4S. но со средней сортировкой отверстия и наружного диаметра). |
| B7014-C-T-P4S-K5-UM | 15° Угол контакта. Textile Laminated Phenolic Resin. Outer Ring Guided. The Cage Is Suitable For Long-Term Operation At Temperatures Up To 100°C. Однорядный. Универсальный. Средний преднатяг. Комбинация P4S (граничные размеры ISO 4. ABEC-7. Точность вращения ISO 2. ABEC-9) и K5 (то же. что и P4S. но со средней сортировкой отверстия и наружного диаметра). |
| B7014-C-T-P4S-TUM | 15° Угол контакта. Textile Laminated Phenolic Resin. Outer Ring Guided. The Cage Is Suitable For Long-Term Operation At Temperatures Up To 100°C. Класс точности. стандарт FAG лучше чем P4. Комплект из 3 универсальных подшипников. Средний преднатяг. |
| B7014-E-T-P4S-DUL | 25° Угол контакта. Textile Laminated Phenolic Resin. Outer Ring Guided. The Cage Is Suitable For Long-Term Operation At Temperatures Up To 100°C. Класс точности. стандарт FAG лучше чем P4. Комплект из 2 универсальных подшипников. Небольшой предварительный натяг. |
| B7014-E-T-P4S-DUM | 25° Угол контакта. Textile Laminated Phenolic Resin. Outer Ring Guided. The Cage Is Suitable For Long-Term Operation At Temperatures Up To 100°C. Класс точности. стандарт FAG лучше чем P4. Комплект из 2 универсальных подшипников. Средний преднатяг. |
| B7014E.T.P4S.K5.UL | Универсальный монтаж и легкий преднатяг. 25° Угол контакта. Textile Laminated Phenolic Resin. Outer Ring Guided. The Cage Is Suitable For Long-Term Operation At Temperatures Up To 100°C. Комбинация P4S (граничные размеры ISO 4. ABEC-7. Точность вращения ISO 2. ABEC-9) и K5 (то же. что и P4S. но со средней сортировкой отверстия и наружного диаметра). |
| B7014-E-T-P4S-QUL | 25° Угол контакта. Textile Laminated Phenolic Resin. Outer Ring Guided. The Cage Is Suitable For Long-Term Operation At Temperatures Up To 100°C. Класс точности. стандарт FAG лучше чем P4. Набор из 4 универсальных подшипников. Легкий преднатяг. |
| B7014-E-T-P4S-K5-UM | 25° Угол контакта. Textile Laminated Phenolic Resin. Outer Ring Guided. The Cage Is Suitable For Long-Term Operation At Temperatures Up To 100°C. Однорядный. Универсальный. Средний преднатяг. Комбинация P4S (граничные размеры ISO 4. ABEC-7. Точность вращения ISO 2. ABEC-9) и K5 (то же. что и P4S. но со средней сортировкой отверстия и наружного диаметра). |
| B7014-E-T-P4S-QUM | 25° Угол контакта. Textile Laminated Phenolic Resin. Outer Ring Guided. The Cage Is Suitable For Long-Term Operation At Temperatures Up To 100°C. Класс точности. стандарт FAG лучше чем P4. Комплект из 4 универсальных подшипников. Средний преднатяг. |
| B7014-E-T-P4S-TUL | 25° Угол контакта. Textile Laminated Phenolic Resin. Outer Ring Guided. The Cage Is Suitable For Long-Term Operation At Temperatures Up To 100°C. Класс точности. стандарт FAG лучше чем P4. Набор из 3-х универсальных подшипников. Легкая преднатяг. |
| B7014-E-T-P4S-TUM | 25° Угол контакта. Textile Laminated Phenolic Resin. Outer Ring Guided. The Cage Is Suitable For Long-Term Operation At Temperatures Up To 100°C. Класс точности. стандарт FAG лучше чем P4. Комплект из 3 универсальных подшипников. Средний преднатяг. |
| B7014E.T.P4S.UM | 25° Угол контакта. Textile Laminated Phenolic Resin. Outer Ring Guided. The Cage Is Suitable For Long-Term Operation At Temperatures Up To 100°C. Класс точности. стандарт FAG лучше чем P4. Однорядный. Универсальный. Средний преднатяг. |
| B7014-C-T-P4S-DTL | 15° Угол контакта. Textile Laminated Phenolic Resin. Outer Ring Guided. The Cage Is Suitable For Long-Term Operation At Temperatures Up To 100°C. Класс точности. стандарт FAG лучше чем P4. Запечатанный с обеих сторон. |
| B7014-C-T-P4S-QBCL | 15° Угол контакта. Textile Laminated Phenolic Resin. Outer Ring Guided. The Cage Is Suitable For Long-Term Operation At Temperatures Up To 100°C. Класс точности. стандарт FAG лучше чем P4. Четыре подшипника в O-образной компоновке. |
| B7014-E-T-P4S-DBL | 25° Угол контакта. Textile Laminated Phenolic Resin. Outer Ring Guided. The Cage Is Suitable For Long-Term Operation At Temperatures Up To 100°C. Класс точности. стандарт FAG лучше чем P4. Комплект из двух подшипников. согласованных для установки по О-образной схеме. Легкий преднатяг. |
| B7014-E-2RSD-T-P4S-DUL | 25° Угол контакта. Textile Laminated Phenolic Resin. Outer Ring Guided. The Cage Is Suitable For Long-Term Operation At Temperatures Up To 100°C. Класс точности. стандарт FAG лучше чем P4. Комплект из 2 универсальных подшипников. Небольшой предварительный натяг. Lip Seals On Both Sides. Non-Contact. |
| B7014TA DBL EP7 | Цельное внешнее кольцо. центрированное механически обработанным ламинированным фенолом. P4. Комплект из двух подшипников. согласованных для установки по О-образной схеме. Легкий преднатяг. |
| B7014-C-TVP-P4-UL | 15° Угол контакта. Универсальный монтаж и легкий преднатяг. Формованный полиамидный сепаратор оконного типа. Роликовые тела качения. Класс точности Р4 по ISO (точнее. чем P5) - Abec.7. |
| B7014-E-TVP-P4-UL | Универсальный монтаж и легкий преднатяг. 25° Угол контакта. Формованный полиамидный сепаратор оконного типа. Роликовые тела качения. Класс точности Р4 по ISO (точнее. чем P5) - Abec.7. |
| B7014-C-2RSD-T-P4S | 15° Угол контакта. Textile Laminated Phenolic Resin. Outer Ring Guided. The Cage Is Suitable For Long-Term Operation At Temperatures Up To 100°C. Класс точности. стандарт FAG лучше чем P4. Lip Seals On Both Sides. Non-Contact. |
| B7014-E-T-P4S | Повышенная грузоподъемность. Textile Laminated Phenolic Resin. Outer Ring Guided. The Cage Is Suitable For Long-Term Operation At Temperatures Up To 100°C. Класс точности. стандарт FAG лучше чем P4. |
| B7014-E-2RSD-T-P4S | Повышенная грузоподъемность. Textile Laminated Phenolic Resin. Outer Ring Guided. The Cage Is Suitable For Long-Term Operation At Temperatures Up To 100°C. Класс точности. стандарт FAG лучше чем P4. Lip Seals On Both Sides. Non-Contact. |
Модификации шарикового подшипника B7014-C-T-P4S-UL — это измененное основное конструктивное исполнение B7014, основные размеры (70x110x20) не отличаются.
| Обозначение | Гост | Конструктивные особенности |
|---|---|---|
| 114HC | ISO | Подшипник или компоненты подшипника из керамики. |
| 7014FEGA/HCP4A | ISO | Точность размеров в соответствии с классом допуска ISO 4. точность вращения лучше чем класс допуска ISO 4. Однорядный радиально-упорный шарикоподшипник для универсальной установки. Два подшипника. расположенных «спина к спине» или «лицом к лицу». будут иметь небольшой преднатяг. Подшипник или компоненты подшипника из керамики. 18° Угол контакта. High-Speed E-design. |
| S7014ACEGA/HCP4A | ISO | Точность размеров в соответствии с классом допуска ISO 4. точность вращения лучше чем класс допуска ISO 4. Однорядный радиально-упорный шарикоподшипник для универсальной установки. Два подшипника. расположенных «спина к спине» или «лицом к лицу». будут иметь небольшой преднатяг. Подшипник или компоненты подшипника из керамики. 25° Угол контакта And (E) Small Size Steel Balls. |
| HCM7014-C-2RSD-T-P4S-UL-XL | ISO | 15° Угол контакта. Универсальный монтаж и легкий преднатяг. Серия X-Life премиум-класс. увеличиный срок службы. Textile Laminated Phenolic Resin. Outer Ring Guided. The Cage Is Suitable For Long-Term Operation At Temperatures Up To 100°C. Класс точности. стандарт FAG лучше чем P4. Lip Seals On Both Sides. Non-Contact. |
| HCM7014-E-2RSD-T-P4S-UL-XL | ISO | Универсальный монтаж и легкий преднатяг. 25° Угол контакта. Серия X-Life премиум-класс. увеличиный срок службы. Textile Laminated Phenolic Resin. Outer Ring Guided. The Cage Is Suitable For Long-Term Operation At Temperatures Up To 100°C. Класс точности. стандарт FAG лучше чем P4. Lip Seals On Both Sides. Non-Contact. |
| 7014HV U J84 | ISO | Подшипник или компонент подшипника из закаленной нержавеющей стали. Универсальный одиночный подшипник. Точность размеров и хода соответствует классу допусков 4 (более высокая. чем P5)-ABEC7. |
| HCRS7014-D-2RSD-T-P4S-K5-UL | ISO | Универсальный монтаж и легкий преднатяг. 20° Угол контакта. Textile Laminated Phenolic Resin. Outer Ring Guided. The Cage Is Suitable For Long-Term Operation At Temperatures Up To 100°C. Lip Seals On Both Sides. Non-Contact. Комбинация P4S (граничные размеры ISO 4. ABEC-7. Точность вращения ISO 2. ABEC-9) и K5 (то же. что и P4S. но со средней сортировкой отверстия и наружного диаметра). |
| 7014A5SN24TRSUELP3 | ISO | Сепаратор из фенольных смол. центрируемый по внутреннему кольцу. 25° Угол контакта. Класс точности ниже. чем P2. но выше. чем P4. Одинарный подшипник. Универсальная компановка. Очень легкий преднатяг. Керамический шарик (серия маленьких шариков). |
| 7014A5TYNSULP4 | ISO | Класс точности 4 по ISO. Одинарный подшипник. универсальная компоновка. Легкий преднатяг. 25° Угол контакта. Это специальная конструкция сепараторов которая позволяет подшипнику иметь более низкое трение и более низкий уровень шума. Превышение температуры подшипника с сепаратором из TYN ниже. чем с фенольным. |
| 7014ATYNDTP4 | ISO | 30° Угол контакта. Дуплексные подшипники для установки в тандеме. Класс точности Р4 по ISO (точнее. чем P5) - Abec.7. Это специальная конструкция сепараторов которая позволяет подшипнику иметь более низкое трение и более низкий уровень шума. Превышение температуры подшипника с сепаратором из TYN ниже. чем с фенольным. |
| 7014ATYNP5 | ISO | 30° Угол контакта. Размерная и рабочая точность соответствует классу допуска ISO 5. Это специальная конструкция сепараторов которая позволяет подшипнику иметь более низкое трение и более низкий уровень шума. Превышение температуры подшипника с сепаратором из TYN ниже. чем с фенольным. |
| 7014ACDGA/HCP4A | ISO | Точность размеров в соответствии с классом допуска ISO 4. точность вращения лучше чем класс допуска ISO 4. Однорядный радиально-упорный шарикоподшипник для универсальной установки. Два подшипника. расположенных «спина к спине» или «лицом к лицу». будут иметь небольшой преднатяг. 25° Угол контакта. Подшипник или компоненты подшипника из керамики. |
| 7014CEGA/HCP4AL1 | ISO | Точность размеров в соответствии с классом допуска ISO 4. точность вращения лучше чем класс допуска ISO 4. Однорядный радиально-упорный шарикоподшипник для универсальной установки. Два подшипника. расположенных «спина к спине» или «лицом к лицу». будут иметь небольшой преднатяг. Подшипник или компоненты подшипника из керамики. 15° Угол контакта And (E) Small Size Steel Balls. Annular Groove With Two Lubrication Holes And Two Annular Grooves Fitted With O-Rings In The Outer Ring (Optimized Position) For Direct Oil Lubrication. |
| S7014CDGA/HCP4A | ISO | 15° Угол контакта. Точность размеров в соответствии с классом допуска ISO 4. точность вращения лучше чем класс допуска ISO 4. Однорядный радиально-упорный шарикоподшипник для универсальной установки. Два подшипника. расположенных «спина к спине» или «лицом к лицу». будут иметь небольшой преднатяг. Подшипник или компоненты подшипника из керамики. |
| VCM7014-E-T-P4S-UL-XL | ISO | Универсальный монтаж и легкий преднатяг. 25° Угол контакта. Серия X-Life премиум-класс. увеличиный срок службы. Textile Laminated Phenolic Resin. Outer Ring Guided. The Cage Is Suitable For Long-Term Operation At Temperatures Up To 100°C. Класс точности. стандарт FAG лучше чем P4. |
| HCB7014-C-TVP-P4S-UL | ISO | 15° Угол контакта. Универсальный монтаж и легкий преднатяг. Класс точности. стандарт FAG лучше чем P4. Molded Snap-Type Cage Of Glass Fibre Reinforced Polyamide. Rolling Element Riding. |
| HCRS7014-D-2RSD-T-P4S | ISO | 20° Угол контакта. Textile Laminated Phenolic Resin. Outer Ring Guided. The Cage Is Suitable For Long-Term Operation At Temperatures Up To 100°C. Класс точности. стандарт FAG лучше чем P4. Lip Seals On Both Sides. Non-Contact. |
| HCRS7014-DDLR-T-P4S-U | ISO | 20° Угол контакта. Textile Laminated Phenolic Resin. Outer Ring Guided. The Cage Is Suitable For Long-Term Operation At Temperatures Up To 100°C. Класс точности. стандарт FAG лучше чем P4. Универсальный одиночный подшипник. Прямая смазка. Встроенное уплотнительное кольцо. |
| XCB7014-E-2RSD-T-P4S- | ISO | Повышенная грузоподъемность. Textile Laminated Phenolic Resin. Outer Ring Guided. The Cage Is Suitable For Long-Term Operation At Temperatures Up To 100°C. Класс точности. стандарт FAG лучше чем P4. Lip Seals On Both Sides. Non-Contact. |
| HX70/NS 7 CE3 UL | ISO | Фенольная смола. Подшипник для универсального монтажа. Два подшипника. установленные по О-образной или Х-образной схеме. имеют лёгкий преднатяг. Расположение внешнего сепаратора. P4 (SKF)=Abec.7. ACD (SKF)=25° Угол контакта. Шарики из нитрида кремния Si3N4 (гибридные подшипники). Керамические шарики. |
| 7014CV U J74 | ISO | Небольшая предварительная нагрузка. Точность размеров и хода соответствует классу допусков 4 (более высокая. чем P5)-ABEC7. Универсальный одиночный подшипник. Полноразмерный цилиндрический роликоподшипник с модифицированной внутренней конструкцией. |
Аналог шарикового подшипника B7014-C-T-P4S-UL — это подшипник такого же размера dx70,Dx110,Bx20, типа и конструкции.
| Обозначение | Конструктивные особенности | Внутренний (d) | Наружный (D) | Ширина (B) |
|---|---|---|---|---|
| 46114-АЛ | Шариковый радиально-упорный однорядный подшипник. Сепаратор из латуни.. Повышенная грузоподъемность. | 70.00 | 110.00 | 20.00 |
| 46114-КЕ | Шариковый радиально-упорный однорядный подшипник. «Замок» (скос) на внутреннем кольце плюс массивный сепаратор из текстолита. Сепаратор из текстолита.. | 70.00 | 110.00 | 20.00 |
| 46114-Л | Шариковый радиально-упорный однорядный подшипник. Сепаратор из латуни.. | 70.00 | 110.00 | 20.00 |
| 46114К | Шариковый радиально-упорный однорядный подшипник. «Замок» (скос) на внутреннем кольце плюс массивный сепаратор из текстолита. | 70.00 | 110.00 | 20.00 |
| 5-114 А | Шариковый радиальный однорядный подшипник. Повышенная грузоподъемность. | 70.00 | 110.00 | 20.00 |
| 5-32114 Б1Т | Роликовый радиальный однорядный подшипник. Температура отпуска. 160°. Сепаратор из безоловянистой бронзы.. | 70.00 | 110.00 | 20.00 |
| 5-32114 Р | Роликовый радиальный однорядный подшипник. Детали из теплоустойчивой (быстрорежущие) стали.. | 70.00 | 110.00 | 20.00 |
| 5-36114 К | Шариковый радиально-упорный однорядный подшипник. «Замок» (скос) на внутреннем кольце плюс массивный сепаратор из текстолита. | 70.00 | 110.00 | 20.00 |
| 5-46114 К | Шариковый радиально-упорный однорядный подшипник. «Замок» (скос) на внутреннем кольце плюс массивный сепаратор из текстолита. | 70.00 | 110.00 | 20.00 |
| 5-46114 Л | Шариковый радиально-упорный однорядный подшипник. Сепаратор из латуни.. | 70.00 | 110.00 | 20.00 |
| 55-32114 Б1Т | Роликовый радиальный однорядный подшипник. Температура отпуска. 160°. Сепаратор из безоловянистой бронзы.. | 70.00 | 110.00 | 20.00 |
| 6-114 А | Шариковый радиальный однорядный подшипник. Повышенная грузоподъемность. | 70.00 | 110.00 | 20.00 |
| 6-114 Е5 | Шариковый радиальный однорядный подшипник. Сепаратор из текстолита.. | 70.00 | 110.00 | 20.00 |
| 6-180114 АС17 | Шариковый радиальный однорядный подшипник. Смазка Литол-24. Повышенная грузоподъемность. | 70.00 | 110.00 | 20.00 |
| 6-180114 С17 | Шариковый радиальный однорядный подшипник. Смазка Литол-24. | 70.00 | 110.00 | 20.00 |
Способы доставки
Отправка через ведущие транспортные и курьерские компании: ПЭК, Деловые Линии, СДЭК, Байкал-Сервис, Энергия, КИТ, ЖелДорЭкспедиция.
Самовывоз возможен напрямую со склада в Москве.
Сроки доставки
Срок зависит от региона и выбранной транспортной компании. Все заказы комплектуются и отправляются в кратчайшие сроки со склада в Москве.
Надёжность и сохранность
Вся продукция упаковывается с учётом требований транспортировки. Мы гарантируем, что подшипники и комплектующие прибудут к заказчику в полной сохранности.
Доставка в страны ЕАЭС
Мы работаем с проверенными логистическими партнёрами, что позволяет оперативно доставлять заказы в Беларусь, Казахстан, Армению и другие страны ЕАЭС.
Варианты оплаты:
Минимальная сумма заказа и скидки:
Документы и гарантии:
Да, конечно! Наши технические специалисты готовы помочь вам с подбором точного аналога или замены подшипника. Просто позвоните нам по телефону +7 (495) 104-99-04 или напишите на почту zakaz@podsnab.ru.
Для оперативной консультации подготовьте, пожалуйста, имеющиеся данные: маркировку, размеры, тип оборудования или артикул старого подшипника.
Да, конечно! Мы высоко ценим долгосрочное сотрудничество и доверие клиентов по всей России. Для постоянных клиентов действует персональная система скидок.
Условия формируются индивидуально и зависят от:
Чтобы узнать свои условия и получить максимально выгодное предложение, свяжитесь с персональным менеджером или напишите нам на почту zakaz@podsnab.ru.
Вы можете оформить заказ несколькими способами:
Для оформления заказа от юридического лица свяжитесь с нашим отделом по работе с корпоративными клиентами по телефону +7 (495) 104-99-04 или напишите на email zakaz@podsnab.ru, прикрепив реквизиты вашей организации.
Мы оперативно подготовим коммерческое предложение и выставим счет.
Возврат товара надлежащего качества возможен в течение 10 дней с момента получения, если товар не был в употреблении, сохранен товарный вид, упаковка не вскрывалась и присутствуют все сопроводительные документы.
Возврат денежных средств осуществляется в течение 10 рабочих дней после проверки товара складом.
В соответствии с законодательством возврату не подлежат подшипники надлежащего качества, если отсутствует оригинальная упаковка или имеются следы монтажа.
В случае выявления брака или гарантийного случая мы гарантируем возврат или обмен товара.
Да, гарантийный срок хранения устанавливается заводом-изготовителем и в среднем составляет 2 года при соблюдении условий хранения: сухое помещение, оригинальная упаковка и смазка.
Точный срок для конкретного типа подшипника уточняйте у наших менеджеров.
Пн–Пт: с 8:00 до 17:00 (МСК).
Сб–Вс: выходные дни.
Заказы на сайте принимаются круглосуточно. Заявки, поступившие после окончания рабочего дня, обрабатываются на следующий рабочий день.
Минимальная сумма заказа для доставки составляет 3000 рублей. Самовывоз со склада возможен на любую сумму при наличии товара.
ООО «УралТехГрупп»
ИНН: 7415093830
КПП: 772401001
ОГРН: 1167456069021
Банк: ПАО Сбербанк
Р/с: 40702810838000475273
К/с: 30101810400000000225
БИК: 044525225
У подшипника B7014-C-T-P4S-UL пока нет отзывов. Вы можете стать первым покупателем, поделившимся своим мнением.