Поиск подшипника
Статьи
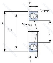
7044ACD/P4A — Подшипник шариковый однорядный радиально-упорный, модификация основного исполнения 7044, производство SKF.
Размер подшипника: 220x340x56 мм.
Точность размеров в соответствии с классом допуска iso 4. точность вращения лучше чем класс допуска iso 4, 25° угол контакта.
Международная стандартизации ISO
7044ACDP4A
В наличии
| Обозначение | Конструктивные изменения |
|---|---|
| 7044ACDGA/P4A | Точность размеров в соответствии с классом допуска ISO 4. точность вращения лучше чем класс допуска ISO 4. Однорядный радиально-упорный шарикоподшипник для универсальной установки. Два подшипника. расположенных «спина к спине» или «лицом к лицу». будут иметь небольшой преднатяг. 25° Угол контакта. |
| 7044BMG | 40° Угол контакта. Механически обработанный латунный сепаратор .Расположенный на элементах качения. Универсальная конструкция подшипников. Для парного монтажа. |
| 7044BGM | 40° Угол контакта. Механически обработанный латунный сепаратор. центрируемый по шарикам. Разные конструкции или материалы обозначаются цифрой после буквы М. например. М2. Подшипник для универсального монтажа. Два подшипника. установленные по О-образной или Х-образной схеме. имеют осевой внутренний зазор. |
| 7044MP.UA | Механически обработанный латунный сепаратор оконного типа. Универсальный монтаж. В конфигурациях O и X пара подшипников имеет малый осевой зазор. |
| 7044CD/P4ADBA | 15° Угол контакта. Точность размеров в соответствии с классом допуска ISO 4. точность вращения лучше чем класс допуска ISO 4. Два однорядных радиальных шарикоподшипника. Однорядные радиально-упорные шарикоподшипники или однорядные конические роликовые подшипники. подходящие для монтажа в схеме «спина к спине». Легкая предварительная нагрузка. |
| 7044ETP4A UL | Универсальный монтаж и легкий преднатяг. 25° Угол контакта. Сепаратор из обработанной фенольной смолы. Расположен на элементах качения. Подшипник с чрезвычайно высокой точностью вращения (Abec9) и допуском формы (Abec7). |
| 7044 CD/HCP4A | Измененная или модифицированная внутренняя конструкция при неизменных основных размерах. Двухкомпонентный штампованный стальной сепаратор с направляющим кольцом. |
| 7044 ACD/HCP4A | Измененная или модифицированная внутренняя конструкция при неизменных основных размерах. Однорядный с улучшенной конструкцией и углом контакта 25°. |
| 7044AC | Суффикс для радиально-упорного шарикоподшипника. |
| 7044DBT/GMP5 | Универсальный подшипник. Quadruplex Set Of Bearings In A Combined Tandem/Back-To-Back Configuration. |
| 7044DF | Комплект из двух подшипников. согласованных для установки по Х-образной схеме. Число. следующее непосредственно после букв DF. обозначает конструкцию промежуточного кольца. |
| 7044 B-UO | Конический роликовый подшипник. Угол контакта 20 градусов. Универсальный монтаж. Для установки по O- и X- образной схеме - беззазорные.. |
| 7044 A-UD | Двухрядный радиально-упорный шарикоподшипник без отверстия для смазки. |
| 7044 B-UD | Конический роликовый подшипник. Угол контакта 20 градусов. |
| 7044 A-UX | Двухрядный радиально-упорный шарикоподшипник без отверстия для смазки. Универсальный монтаж, сверхлегкая предварительная нагрузка.. |
| 7044 A-UO | Двухрядный радиально-упорный шарикоподшипник без отверстия для смазки. Универсальный монтаж. Для установки по O- и X- образной схеме - беззазорные.. |
| 7044 B-UX | Конический роликовый подшипник. Угол контакта 20 градусов. Универсальный монтаж, сверхлегкая предварительная нагрузка.. |
| 7044 ADB | Modified Snap Ring Grooves In The Outer Ring_ Two-Piece Inner Ring Held Together By A Retaining Ring. |
| 7044 ADF | Механически обработанный сепаратор из стали или специального чугуна. |
| 7044 BDT | Механически обработанный сепаратор из текстолита. |
| 7044BDF | Угол контакта 40°. Механически обработанный сепаратор из стали или специального чугуна. |
| 7044 ADT | Механически обработанный сепаратор из текстолита. |
| 7044A | Двухрядный радиально-упорный шарикоподшипник без отверстия для смазки. |
| 7044B | Угол контакта 40°. |
| 7044 C | 15° Угол контакта. |
Модификации шарикового подшипника 7044ACD/P4A — это измененное основное конструктивное исполнение 7044, основные размеры (220x340x56) не отличаются.
| Обозначение | Гост | Конструктивные особенности |
|---|---|---|
| B7044-E-T-P4S-UM | ISO | 25° Угол контакта. Textile Laminated Phenolic Resin. Outer Ring Guided. The Cage Is Suitable For Long-Term Operation At Temperatures Up To 100°C. Класс точности. стандарт FAG лучше чем P4. Однорядный. Универсальный. Средний преднатяг. |
| B7044C.T.P4S.UL | ISO | 15° Угол контакта. Универсальный монтаж и легкий преднатяг. Textile Laminated Phenolic Resin. Outer Ring Guided. The Cage Is Suitable For Long-Term Operation At Temperatures Up To 100°C. Класс точности. стандарт FAG лучше чем P4. |
Аналог шарикового подшипника 7044ACD/P4A — это подшипник такого же размера dx220,Dx340,Bx56, типа и конструкции.
| Обозначение | Конструктивные особенности | Внутренний (d) | Наружный (D) | Ширина (B) |
|---|---|---|---|---|
| QJ1044 | Шариковый радиально-упорный однорядный подшипник. Штампованный сепаратор из стального листа. Шариковый подшипник с четырех-точечным контактом. | 220.00 | 340.00 | 56.00 |
| 176144-Л | Шариковый радиально-упорный однорядный подшипник. Сепаратор из латуни.. | 220.00 | 340.00 | 56.00 |
| 266144КЛ3 | Шариковый радиально-упорный сдвоенный подшипник. «Замок» (скос) на внутреннем кольце плюс массивный сепаратор из текстолита. Сепаратор из латуни.. | 220.00 | 340.00 | 56.00 |
| 4-144-ВI2А | Шариковый радиальный однорядный подшипник. Повышенная грузоподъемность. | 220.00 | 340.00 | 56.00 |
| 6044ZX | Шариковый радиальный однорядный подшипник. Съемная защитная шайба с одной стороны. | 220.00 | 340.00 | 56.00 |
| 6-32144 М | Роликовый радиальный однорядный подшипник. Модифицированный контакт.. | 220.00 | 340.00 | 56.00 |
| 66144КЛ | Шариковый радиально-упорный однорядный подшипник. «Замок» (скос) на внутреннем кольце плюс массивный сепаратор из текстолита. Сепаратор из латуни.. | 220.00 | 340.00 | 56.00 |
| 70-32144 М | Роликовый радиальный подшипник. Модифицированный контакт.. | 220.00 | 340.00 | 56.00 |
| 76-32144 М | Роликовый радиальный однорядный подшипник. Модифицированный контакт.. | 220.00 | 340.00 | 56.00 |
| 6044Z | Шариковый радиальный однорядный подшипник. Стальная шайба. | 220.00 | 340.00 | 56.00 |
| 9144K | Шариковый радиальный однорядный подшипник. Коническое отверстие. Конусность 1/12. | 220.00 | 340.00 | 56.00 |
| 144-Л | Шариковый радиальный однорядный подшипник. Сепаратор из латуни.. | 220.00 | 340.00 | 56.00 |
| 2В80-144 Л | Шариковый радиальный однорядный подшипник. Сепаратор из латуни.. | 220.00 | 340.00 | 56.00 |
| NJ 1044 ML | Роликовый радиальный однорядный подшипник. Механически обработанный латунный сепаратор. оконного типа. центрируемый по внутреннему или наружному кольцу в зависимости от типа подшипника. Однорядный цилиндрический роликовый подшипник. | 220.00 | 340.00 | 56.00 |
| 46144К | Шариковый радиально-упорный однорядный подшипник. «Замок» (скос) на внутреннем кольце плюс массивный сепаратор из текстолита. | 220.00 | 340.00 | 56.00 |
Способы доставки
Отправка через ведущие транспортные и курьерские компании: ПЭК, Деловые Линии, СДЭК, Байкал-Сервис, Энергия, КИТ, ЖелДорЭкспедиция.
Самовывоз возможен напрямую со склада в Москве.
Сроки доставки
Срок зависит от региона и выбранной транспортной компании. Все заказы комплектуются и отправляются в кратчайшие сроки со склада в Москве.
Надёжность и сохранность
Вся продукция упаковывается с учётом требований транспортировки. Мы гарантируем, что подшипники и комплектующие прибудут к заказчику в полной сохранности.
Доставка в страны ЕАЭС
Мы работаем с проверенными логистическими партнёрами, что позволяет оперативно доставлять заказы в Беларусь, Казахстан, Армению и другие страны ЕАЭС.
Варианты оплаты:
Минимальная сумма заказа и скидки:
Документы и гарантии:
Да, конечно! Наши технические специалисты готовы помочь вам с подбором точного аналога или замены подшипника. Просто позвоните нам по телефону +7 (495) 104-99-04 или напишите на почту zakaz@podsnab.ru.
Для оперативной консультации подготовьте, пожалуйста, имеющиеся данные: маркировку, размеры, тип оборудования или артикул старого подшипника.
Да, конечно! Мы высоко ценим долгосрочное сотрудничество и доверие клиентов по всей России. Для постоянных клиентов действует персональная система скидок.
Условия формируются индивидуально и зависят от:
Чтобы узнать свои условия и получить максимально выгодное предложение, свяжитесь с персональным менеджером или напишите нам на почту zakaz@podsnab.ru.
Вы можете оформить заказ несколькими способами:
Для оформления заказа от юридического лица свяжитесь с нашим отделом по работе с корпоративными клиентами по телефону +7 (495) 104-99-04 или напишите на email zakaz@podsnab.ru, прикрепив реквизиты вашей организации.
Мы оперативно подготовим коммерческое предложение и выставим счет.
Возврат товара надлежащего качества возможен в течение 10 дней с момента получения, если товар не был в употреблении, сохранен товарный вид, упаковка не вскрывалась и присутствуют все сопроводительные документы.
Возврат денежных средств осуществляется в течение 10 рабочих дней после проверки товара складом.
В соответствии с законодательством возврату не подлежат подшипники надлежащего качества, если отсутствует оригинальная упаковка или имеются следы монтажа.
В случае выявления брака или гарантийного случая мы гарантируем возврат или обмен товара.
Да, гарантийный срок хранения устанавливается заводом-изготовителем и в среднем составляет 2 года при соблюдении условий хранения: сухое помещение, оригинальная упаковка и смазка.
Точный срок для конкретного типа подшипника уточняйте у наших менеджеров.
Пн–Пт: с 8:00 до 17:00 (МСК).
Сб–Вс: выходные дни.
Заказы на сайте принимаются круглосуточно. Заявки, поступившие после окончания рабочего дня, обрабатываются на следующий рабочий день.
Минимальная сумма заказа для доставки составляет 3000 рублей. Самовывоз со склада возможен на любую сумму при наличии товара.
ООО «УралТехГрупп»
ИНН: 7415093830
КПП: 772401001
ОГРН: 1167456069021
Банк: ПАО Сбербанк
Р/с: 40702810838000475273
К/с: 30101810400000000225
БИК: 044525225
У подшипника 7044ACD/P4A пока нет отзывов. Вы можете стать первым покупателем, поделившимся своим мнением.