Поиск подшипника
Статьи
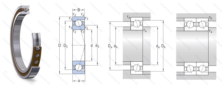
SEA80 7 CE1 UL — Подшипник шариковый однорядный радиально-упорный, модификация основного исполнения SEA807CE1, производство SNFA.
Размер подшипника: 80x100x10 мм.
Подшипник для универсального монтажа. два подшипника. установленные по о-образной или х-образной схеме. имеют лёгкий преднатяг, фенольная смола, расположение внешнего сепаратора, p4 (skf)=abec.7, cd (skf)=15° угол контакта.
Международная стандартизации ISO
SEA807CE1UL
В наличии
| Обозначение | Конструктивные изменения |
|---|---|
| SEA80 7 CE1 | Расположение внешнего сепаратора. P4 (SKF)=Abec.7. C-Phenolic Resin. E-External Cage Location. 1-15° Угол контакта. |
Модификации шарикового подшипника SEA80 7 CE1 UL — это измененное основное конструктивное исполнение SEA807CE1, основные размеры (80x100x10) не отличаются.
| Обозначение | Гост | Конструктивные особенности |
|---|---|---|
| 71816-TN | ISO | литой под давлением сепаратор из полиамида 6.6. центрированный роликовый элемент. |
| SEA80 7 CE1 | ISO | Расположение внешнего сепаратора. P4 (SKF)=Abec.7. C-Phenolic Resin. E-External Cage Location. 1-15° Угол контакта. |
| B71816-C-TPA-P4-UL | ISO | 15° Угол контакта. Универсальный монтаж и легкий преднатяг. Сепаратор из текстильной ламинированной фенольной смолы. Точность размеров и хода соответствует классу допуска ISO 4 (точнее. чем P5) — Abec-7. |
| 71816CG GN UP | ISO | Сверхточный в соответствии со спецификацией GMN. Резьбовой винт со стопором и защелкой. Normal Preload. UP-Ultra Precision. |
| 71816-B-TVH | ISO | Модифицированная внутренняя конструкция. Solid Cage Made From Glass Fibre Reinforced Polyamide. |
| 7816CG/GNP4 | ISO | Класс точности Р4 по ISO (точнее. чем P5) - Abec.7. Резьбовой винт со стопором и защелкой. Нормальный преднатяг. |
| 71816ACDGA/P4 | ISO | Однорядный радиально-упорный шарикоподшипник для универсальной установки. Два подшипника. расположенных «спина к спине» или «лицом к лицу». будут иметь небольшой преднатяг. 25° Угол контакта. Класс точности Р4 по ISO (точнее. чем P5) - Abec.7. |
| 71816CDGA/P4 | ISO | 15° Угол контакта. Однорядный радиально-упорный шарикоподшипник для универсальной установки. Два подшипника. расположенных «спина к спине» или «лицом к лицу». будут иметь небольшой преднатяг. Точность размеров в соответствии с классом допуска ISO 4. точность вращения лучше чем класс допуска ISO 4. |
| 71816CDGB/P4 | ISO | 15° Угол контакта. Подшипник для универсального монтажа. Два подшипника. установленные по О-образной или Х-образной схеме. имеют средний преднатяг. Класс точности Р4 по ISO (точнее. чем P5) - Abec.7. |
| 71816ACDGB/P4 | ISO | 25° Угол контакта. Подшипник для универсального монтажа. Два подшипника. установленные по О-образной или Х-образной схеме. имеют средний преднатяг. Класс точности Р4 по ISO (точнее. чем P5) - Abec.7. |
| 71816CDGC/P4 | ISO | 15° Угол контакта. Bearing For Paired Mounting In Random Order_ When Arranged Back-To-Back Or Face-To-Face There Will Be A High Preload. Класс точности Р4 по ISO (точнее. чем P5) - Abec.7. |
Аналог шарикового подшипника SEA80 7 CE1 UL — это подшипник такого же размера dx80,Dx100,Bx10, типа и конструкции.
| Обозначение | Конструктивные особенности | Внутренний (d) | Наружный (D) | Ширина (B) |
|---|---|---|---|---|
| SS 61816-ZZ | Шариковый радиальный однорядный подшипник. Защитные металлические шайбы с обеих сторон. | 80.00 | 100.00 | 10.00 |
| 6816-2RU | Шариковый радиальный однорядный подшипник. Non Contact Type Friction Torque = Small High Speed Performance = Good Grease Sealing = Better Than ZZ-Type Dirt Resistance = Better Than ZZ-Type Water Resistance = Better Than ZZ / Inferior To 2RS Operating Temp. -30°C To + 100°C. | 80.00 | 100.00 | 10.00 |
| 6816Z | Шариковый радиальный однорядный подшипник. щит из листовой прессованной стали с одной стороны подшипника. | 80.00 | 100.00 | 10.00 |
| 6816-2RD | Шариковый радиальный однорядный подшипник. Облегченное контактное уплотнение с двух сторон.. | 80.00 | 100.00 | 10.00 |
| 6816N | Шариковый радиальный однорядный подшипник. Канавка для стопорного кольца на наружном кольце. | 80.00 | 100.00 | 10.00 |
| 75-1000816 Ю2Т | Шариковый радиальный однорядный подшипник. Температура отпуска. 160°. Все детали или часть деталей из нержавеющей стали.. | 80.00 | 100.00 | 10.00 |
| S61816-2RS | Шариковый радиальный однорядный подшипник. Резиновые уплотнения с каждой стороны подшипника. | 80.00 | 100.00 | 10.00 |
| 1000816-Л | Шариковый радиальный однорядный подшипник. Сепаратор из латуни.. | 80.00 | 100.00 | 10.00 |
| 25-1000816 Л | Шариковый радиальный однорядный подшипник. Сепаратор из латуни.. | 80.00 | 100.00 | 10.00 |
| 5-1000816 Б | Шариковый радиальный однорядный подшипник. Сепаратор из безоловянистой бронзы.. | 80.00 | 100.00 | 10.00 |
| 5-1000816 Л | Шариковый радиальный однорядный подшипник. Сепаратор из латуни.. | 80.00 | 100.00 | 10.00 |
| 5-1000816 Ю2Т | Шариковый радиальный однорядный подшипник. Температура отпуска. 160°. Все детали или часть деталей из нержавеющей стали.. | 80.00 | 100.00 | 10.00 |
| 5-1000816 ЮТ | Шариковый радиальный однорядный подшипник. Температура отпуска. 160°. Все детали или часть деталей из нержавеющей стали.. | 80.00 | 100.00 | 10.00 |
| 6-1000816-Л | Шариковый радиальный однорядный подшипник. Сепаратор из латуни.. | 80.00 | 100.00 | 10.00 |
| 6-1000816 Ю | Шариковый радиальный однорядный подшипник. Все детали или часть деталей из нержавеющей стали.. | 80.00 | 100.00 | 10.00 |
Способы доставки
Отправка через ведущие транспортные и курьерские компании: ПЭК, Деловые Линии, СДЭК, Байкал-Сервис, Энергия, КИТ, ЖелДорЭкспедиция.
Самовывоз возможен напрямую со склада в Москве.
Сроки доставки
Срок зависит от региона и выбранной транспортной компании. Все заказы комплектуются и отправляются в кратчайшие сроки со склада в Москве.
Надёжность и сохранность
Вся продукция упаковывается с учётом требований транспортировки. Мы гарантируем, что подшипники и комплектующие прибудут к заказчику в полной сохранности.
Доставка в страны ЕАЭС
Мы работаем с проверенными логистическими партнёрами, что позволяет оперативно доставлять заказы в Беларусь, Казахстан, Армению и другие страны ЕАЭС.
Варианты оплаты:
Минимальная сумма заказа и скидки:
Документы и гарантии:
Да, конечно! Наши технические специалисты готовы помочь вам с подбором точного аналога или замены подшипника. Просто позвоните нам по телефону +7 (495) 104-99-04 или напишите на почту zakaz@podsnab.ru.
Для оперативной консультации подготовьте, пожалуйста, имеющиеся данные: маркировку, размеры, тип оборудования или артикул старого подшипника.
Да, конечно! Мы высоко ценим долгосрочное сотрудничество и доверие клиентов по всей России. Для постоянных клиентов действует персональная система скидок.
Условия формируются индивидуально и зависят от:
Чтобы узнать свои условия и получить максимально выгодное предложение, свяжитесь с персональным менеджером или напишите нам на почту zakaz@podsnab.ru.
Вы можете оформить заказ несколькими способами:
Для оформления заказа от юридического лица свяжитесь с нашим отделом по работе с корпоративными клиентами по телефону +7 (495) 104-99-04 или напишите на email zakaz@podsnab.ru, прикрепив реквизиты вашей организации.
Мы оперативно подготовим коммерческое предложение и выставим счет.
Возврат товара надлежащего качества возможен в течение 10 дней с момента получения, если товар не был в употреблении, сохранен товарный вид, упаковка не вскрывалась и присутствуют все сопроводительные документы.
Возврат денежных средств осуществляется в течение 10 рабочих дней после проверки товара складом.
В соответствии с законодательством возврату не подлежат подшипники надлежащего качества, если отсутствует оригинальная упаковка или имеются следы монтажа.
В случае выявления брака или гарантийного случая мы гарантируем возврат или обмен товара.
Да, гарантийный срок хранения устанавливается заводом-изготовителем и в среднем составляет 2 года при соблюдении условий хранения: сухое помещение, оригинальная упаковка и смазка.
Точный срок для конкретного типа подшипника уточняйте у наших менеджеров.
Пн–Пт: с 8:00 до 17:00 (МСК).
Сб–Вс: выходные дни.
Заказы на сайте принимаются круглосуточно. Заявки, поступившие после окончания рабочего дня, обрабатываются на следующий рабочий день.
Минимальная сумма заказа для доставки составляет 3000 рублей. Самовывоз со склада возможен на любую сумму при наличии товара.
ООО «УралТехГрупп»
ИНН: 7415093830
КПП: 772401001
ОГРН: 1167456069021
Банк: ПАО Сбербанк
Р/с: 40702810838000475273
К/с: 30101810400000000225
БИК: 044525225
У подшипника SEA80 7 CE1 UL пока нет отзывов. Вы можете стать первым покупателем, поделившимся своим мнением.