Поиск подшипника
Статьи
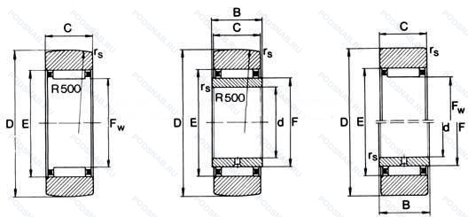
NART40VUUR — Опорный ролик, модификация основного исполнения NART40, выпускается производителями: FBJ, IKO.
Размер ролика: 40x80x30 мм.
Альтернативное обозначение: MCYR40S, NATV40-PP-A.
Аналоги: NATV40-PP-A INA,NATV40PPA SKF,NATV40PP AKN,NATV40LL/3AS NTN.
Международная стандартизации ISO
NART40VUUR
В наличии
| Обозначение | Конструктивные изменения |
|---|---|
| NART40VR | Коронка на наружном кольце. Подшипник без сепаратора. С полным комплектом тел качения. Когда в суффиксе упоминается только «V». Это означает. что подшипник уплотнен. Поэтому используйте «2Z» в сегменте «Уплотнение».. |
| NART40R | Коронка на наружном кольце. |
| NART40UUR | Коронка на наружном кольце. Резиновые уплотнения с каждой стороны подшипника. |
Модификации опорного ролика NART40VUUR — это измененное основное конструктивное исполнение NART40, основные размеры (40x80x30) не отличаются.
| Обозначение | Гост | Конструктивные особенности |
|---|---|---|
| NATV40PPA | ISO | Измененная или модифицированная внутренняя конструкция при неизменных основных размерах. Скользящие уплотнительные кольца из полиамида с обеих сторон, улучшенный корончатый профиль рабочей поверхности наружного кольца. |
| FG4080EE | ISO | Уплотнения с двух сторон подшипника. |
| MCYR40S | ISO | Запечатанная версия кулачкового ролика. |
| NUTR40-A-C4-L077 | ISO | Внутренний зазор подшипника больше. чем C3. Двухрядный радиально-упорный шарикоподшипник без отверстия для смазки. Grease With A Temperature Range between -40°C / 260°C. Longtime Limit Temperature 200°C. |
| PWTR40-2RS-RR-XL | ISO | Rubber Seals At Each Side Of The Bearing. Temperature Range -30℃/+120℃. Серия X-Life премиум-класс. увеличиный срок службы. Защищен от коррозии специальным покрытием Corrotect®.. |
| NUTR4080R | ISO | С выпуклыми асимметричными роликами и обработанным сепаратором. |
| NUTR208/3AS | ISO | Смазка. Shell Oil Co. Смазка Alvania #3, стандартная заливка.. |
| NATV40LL/3A | ISO | Контактное. синтетические. резиновое уплотнение с двух сторон. Lubricant. Shell Oil Co.. Alvania #3 Grease. |
| MCYRR40SX | ISO | Радиально-упорный сферический подшипник скольжения. требующий обслуживания по ISO 12 2402. Монтажные размеры как для конических роликоподшипников по DIN 720. 320X. Стальная скользящая контактная поверхность. |
| NATR40LL | ISO | Контактное. синтетические. резиновое уплотнение с двух сторон. |
| NUTR40XA | ISO | (Cone/Inner Race And Cup/Outer Race) Special Feature Bearing (Non-Interchangeable With Bearings Having The Same Basic Part Number). |
| NATV40X | ISO | Цилиндрическая рабочая поверхность. |
| NUTR40-X-A-L114 | ISO | Двухрядный радиально-упорный шарикоподшипник без отверстия для смазки. Цилиндрическая рабочая поверхность. The Bearing Is Greased With L114 (GA47). |
| NATR40X LL | ISO | Цилиндрическая рабочая поверхность. Контактное уплотнения из синтетической черной резины с обеих сторон. |
| NATR40-X-PP-A | ISO | Переделка во внутренней конструкции. Идентичен старой нотации. Цилиндрическая рабочая поверхность. Манжетные уплотнения с обеих сторон (тип P - две шайбы из оцинкованной листовой стали с промежуточной частью NBR. Кромка уплотнения предварительно нагружена в осевом направлении). Диапазон температур -30℃/+100℃. |
| MCYR40SX | ISO | Запечатанная версия кулачкового ролика. Цилиндрическая рабочая поверхность. |
| NATR40XLL/3AS | ISO | Цилиндрическая рабочая поверхность. Контактное уплотнения из синтетической черной резины с обеих сторон. Смазка. Shell Oil Co. Смазка Alvania #3, стандартная заливка.. |
| NATV40X/3AS | ISO | Цилиндрическая рабочая поверхность. Смазка. Shell Oil Co. Смазка Alvania #3, стандартная заливка.. |
| NATR40LL/3AS | ISO | Контактное. синтетические. резиновое уплотнение с двух сторон. Смазка. Shell Oil Co. Смазка Alvania #3, стандартная заливка.. |
| NATV40LL/3AS | ISO | Контактное. синтетические. резиновое уплотнение с двух сторон. Смазка. Shell Oil Co. Смазка Alvania #3, стандартная заливка.. |
| NATV40LL | ISO | Контактное. синтетические. резиновое уплотнение с двух сторон. |
Аналог опорного ролика NART40VUUR — это ролик такого же размера dx40,Dx80,Bx30, типа и конструкции.
| Обозначение | Конструктивные особенности | Внутренний (d) | Наружный (D) | Ширина (B) |
|---|---|---|---|---|
| 6-3056208 К | Шариковый радиально-упорный двухрядный подшипник. «Замок» (скос) на внутреннем кольце плюс массивный сепаратор из текстолита. | 40.00 | 80.00 | 30.20 |
| 6-3286208 Д | Шариковый радиально-упорный двухрядный подшипник. Сепаратор из алюминиевого сплава.. | 40.00 | 80.00 | 30.20 |
| HI-CAP TR080803R-9 | Роликовый радиальный-упорный однорядный подшипник. Угол контакта 20 градусов. | 40.00 | 80.00 | 30.00 |
| HI-CAP 57620/3320 | Роликовый радиальный-упорный однорядный подшипник. Угол контакта 20 градусов. | 39.69 | 80.17 | 29.37 |
| 76-3160208 ЕТ2 | Шариковый радиальный однорядный подшипник. Сепаратор из текстолита.. 200°. Температура отпуска. | 40.00 | 80.00 | 30.20 |
| 76-3160208 ЕТ2С4 | Шариковый радиальный однорядный подшипник. Сепаратор из текстолита.. 200°. Температура отпуска. Смазка ЦИАТИМ-221С. | 40.00 | 80.00 | 30.20 |
| 76-3180208 ЕТ2С4 | Шариковый радиальный однорядный подшипник. Сепаратор из текстолита.. 200°. Температура отпуска. Смазка ЦИАТИМ-221С. | 40.00 | 80.00 | 30.20 |
| 63208LLU | Шариковый радиальный однорядный подшипник. Контактное резиновое уплотнение с двух сторон. | 40.00 | 80.00 | 30.20 |
| 63208LLB | Шариковый радиальный однорядный подшипник. Уплотнение бесконтактного типа из синтетического каучука. | 40.00 | 80.00 | 30.16 |
| RA109RRB | Шариковый радиальный однорядный подшипник. Два резиновых уплотнения Land Riding со сферическим наружным диаметром (B). | 39.69 | 80.00 | 30.18 |
| RA109RR | Шариковый радиальный однорядный подшипник. С выпуклыми асимметричными роликами. Обработанный сепаратор штыревого типа из медного сплава. С центральным ребром. С ребрами с двух сторон (для предотвращения падения роликов). | 39.69 | 80.00 | 30.18 |
| RAE40RR | Шариковый радиальный однорядный подшипник. С выпуклыми асимметричными роликами. Обработанный сепаратор штыревого типа из медного сплава. С центральным ребром. С ребрами с двух сторон (для предотвращения падения роликов). | 40.00 | 80.00 | 30.18 |
| W208KLL | Шариковый радиальный однорядный подшипник. Широкий. BALL BEARING. CONRAD TYPE. INDUSTRIAL POWER TRANSMISSION. DOUBLE MECHANI-SEAL. | 40.00 | 80.00 | 30.18 |
| GRA109RRB | Шариковый радиальный однорядный подшипник. Два резиновых уплотнения Land Riding со сферическим наружным диаметром (B). | 39.69 | 80.00 | 30.18 |
| GRAE40RR | Шариковый радиальный однорядный подшипник. С выпуклыми асимметричными роликами. Обработанный сепаратор штыревого типа из медного сплава. С центральным ребром. С ребрами с двух сторон (для предотвращения падения роликов). | 40.00 | 80.00 | 30.18 |
Способы доставки
Отправка через ведущие транспортные и курьерские компании: ПЭК, Деловые Линии, СДЭК, Байкал-Сервис, Энергия, КИТ, ЖелДорЭкспедиция.
Самовывоз возможен напрямую со склада в Москве.
Сроки доставки
Срок зависит от региона и выбранной транспортной компании. Все заказы комплектуются и отправляются в кратчайшие сроки со склада в Москве.
Надёжность и сохранность
Вся продукция упаковывается с учётом требований транспортировки. Мы гарантируем, что подшипники и комплектующие прибудут к заказчику в полной сохранности.
Доставка в страны ЕАЭС
Мы работаем с проверенными логистическими партнёрами, что позволяет оперативно доставлять заказы в Беларусь, Казахстан, Армению и другие страны ЕАЭС.
Варианты оплаты:
Минимальная сумма заказа и скидки:
Документы и гарантии:
Да, конечно! Наши технические специалисты готовы помочь вам с подбором точного аналога или замены подшипника. Просто позвоните нам по телефону +7 (495) 104-99-04 или напишите на почту zakaz@podsnab.ru.
Для оперативной консультации подготовьте, пожалуйста, имеющиеся данные: маркировку, размеры, тип оборудования или артикул старого подшипника.
Да, конечно! Мы высоко ценим долгосрочное сотрудничество и доверие клиентов по всей России. Для постоянных клиентов действует персональная система скидок.
Условия формируются индивидуально и зависят от:
Чтобы узнать свои условия и получить максимально выгодное предложение, свяжитесь с персональным менеджером или напишите нам на почту zakaz@podsnab.ru.
Вы можете оформить заказ несколькими способами:
Для оформления заказа от юридического лица свяжитесь с нашим отделом по работе с корпоративными клиентами по телефону +7 (495) 104-99-04 или напишите на email zakaz@podsnab.ru, прикрепив реквизиты вашей организации.
Мы оперативно подготовим коммерческое предложение и выставим счет.
Возврат товара надлежащего качества возможен в течение 10 дней с момента получения, если товар не был в употреблении, сохранен товарный вид, упаковка не вскрывалась и присутствуют все сопроводительные документы.
Возврат денежных средств осуществляется в течение 10 рабочих дней после проверки товара складом.
В соответствии с законодательством возврату не подлежат подшипники надлежащего качества, если отсутствует оригинальная упаковка или имеются следы монтажа.
В случае выявления брака или гарантийного случая мы гарантируем возврат или обмен товара.
Да, гарантийный срок хранения устанавливается заводом-изготовителем и в среднем составляет 2 года при соблюдении условий хранения: сухое помещение, оригинальная упаковка и смазка.
Точный срок для конкретного типа подшипника уточняйте у наших менеджеров.
Пн–Пт: с 8:00 до 17:00 (МСК).
Сб–Вс: выходные дни.
Заказы на сайте принимаются круглосуточно. Заявки, поступившие после окончания рабочего дня, обрабатываются на следующий рабочий день.
Минимальная сумма заказа для доставки составляет 3000 рублей. Самовывоз со склада возможен на любую сумму при наличии товара.
ООО «УралТехГрупп»
ИНН: 7415093830
КПП: 772401001
ОГРН: 1167456069021
Банк: ПАО Сбербанк
Р/с: 40702810838000475273
К/с: 30101810400000000225
БИК: 044525225
У подшипника NART40VUUR пока нет отзывов. Вы можете стать первым покупателем, поделившимся своим мнением.