Поиск подшипника
Статьи
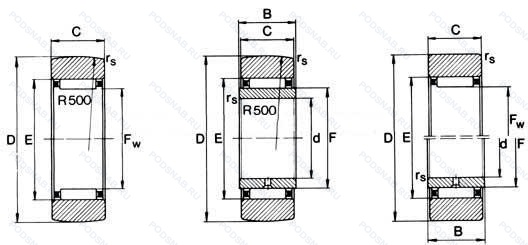
NART10R — Опорный ролик, модификация основного исполнения NART10, производство THK.
Размер ролика: 10x30x15 мм.
С выпуклыми асимметричными роликами и обработанным сепаратором.
Альтернативное обозначение: MCYRR10, NATR10.
Аналоги: NATR10 INA,NATR10 SKF,NATR10 Timken,NATR10 AKN,NART10R IKO.
Международная стандартизации ISO
NART10R
В наличии
| Обозначение | Конструктивные изменения |
|---|---|
| NART10VUUE01 | Подшипник без сепаратора. С полным комплектом тел качения. Резиновые уплотнения с каждой стороны подшипника. |
| NART10VR | Коронка на наружном кольце. Подшипник без сепаратора. С полным комплектом тел качения. Когда в суффиксе упоминается только «V». Это означает. что подшипник уплотнен. Поэтому используйте «2Z» в сегменте «Уплотнение».. |
| NART10VUUR | Подшипник без сепаратора. С полным комплектом тел качения. Коронка на наружном кольце. Резиновые уплотнения с каждой стороны подшипника. |
Модификации опорного ролика NART10R — это измененное основное конструктивное исполнение NART10, основные размеры (10x30x15) не отличаются.
| Обозначение | Гост | Конструктивные особенности |
|---|---|---|
| NATR10 | ISO | Измененная или модифицированная внутренняя конструкция при неизменных основных размерах. |
| NATV10LL | ISO | Контактное. синтетические. резиновое уплотнение с двух сторон. |
| NAST10P-2Z | ISO | Защитные металлические шайбы с обеих сторон. Сеаратор из литого полиамида 6.6. армированного стекловолокном. |
| NATR10-X-PP-RR-A | ISO | Переделка во внутренней конструкции. Идентичен старой нотации. Цилиндрическая рабочая поверхность. Манжетные уплотнения с обеих сторон (тип P - две шайбы из оцинкованной листовой стали с промежуточной частью NBR. Кромка уплотнения предварительно нагружена в осевом направлении). Диапазон температур -30℃/+100℃. Защищен от коррозии специальным покрытием Corrotect®.. |
| NATR10-PP-RR-A | ISO | Переделка во внутренней конструкции. Идентичен старой нотации. Манжетные уплотнения с обеих сторон (тип P - две шайбы из оцинкованной листовой стали с промежуточной частью NBR. Кромка уплотнения предварительно нагружена в осевом направлении). Диапазон температур -30℃/+100℃. Защищен от коррозии специальным покрытием Corrotect®.. |
| NATV10X | ISO | Цилиндрическая рабочая поверхность. |
| NAST10 ZZ DZ | ISO | 2Z (SKF)=TWO SEALS.. Опорные ролики игольчатого типа. Цилиндрический наружный диаметр. Литой сепаратор оконного типа из полиамида. усиленного стекловолокном. |
| NATR10XLL/3AS | ISO | Цилиндрическая рабочая поверхность. Контактное уплотнения из синтетической черной резины с обеих сторон. Смазка. Shell Oil Co. Смазка Alvania #3, стандартная заливка.. |
| FG1030EEM | ISO | Металлические уплотнения с двух сторон подшипника. |
| NATV10LL/3AS | ISO | Контактное. синтетические. резиновое уплотнение с двух сторон. Смазка. Shell Oil Co. Смазка Alvania #3, стандартная заливка.. |
| MCYR10SX | ISO | Радиально-упорный сферический подшипник скольжения. требующий обслуживания по ISO 12 2402. Монтажные размеры как для конических роликоподшипников по DIN 720. 320X. Стальная скользящая контактная поверхность. |
| MCYR10X | ISO | Цилиндрическая рабочая поверхность. |
| NATR10LL | ISO | Контактное. синтетические. резиновое уплотнение с двух сторон. |
| NA2200XLL | ISO | Цилиндрическая рабочая поверхность. Контактное уплотнения из синтетической черной резины с обеих сторон. |
| NAST10ZZ UU | ISO | Защитные металлические шайбы с обеих сторон. Символ защиты от загрязнения. |
| NATR10XLLV2 | ISO | Контактное уплотнения из синтетической черной резины с обеих сторон. |
| NATR10VR | ISO | Подшипник без сепаратора. С полным комплектом тел качения. Когда в суффиксе упоминается только «V». Это означает. что подшипник уплотнен. Поэтому используйте «2Z» в сегменте «Уплотнение».. |
| NATR10XLL | ISO | Цилиндрическая рабочая поверхность. Контактное уплотнения из синтетической черной резины с обеих сторон. |
| FGL1030EEM | ISO | Металлические уплотнения с двух сторон подшипника. |
| MCYR10S | ISO | Запечатанная версия кулачкового ролика. |
| NATV10XLL/3AS | ISO | Цилиндрическая рабочая поверхность. Контактное уплотнения из синтетической черной резины с обеих сторон. Смазка. Shell Oil Co. Смазка Alvania #3, стандартная заливка.. |
Аналог опорного ролика NART10R — это ролик такого же размера dx10,Dx30,Bx15, типа и конструкции.
| Обозначение | Конструктивные особенности | Внутренний (d) | Наружный (D) | Ширина (B) |
|---|---|---|---|---|
| 180500-КС17 | Шариковый радиальный однорядный подшипник. Смазка Литол-24. | 10.00 | 30.00 | 14.00 |
| 180500-КС17Ш1 | Шариковый радиальный однорядный подшипник. Смазка Литол-24. «Замок» (скос) на внутреннем кольце плюс массивный сепаратор из текстолита. Нормы шумности. | 10.00 | 30.00 | 14.00 |
| 2200 TN9 | Шариковый сферический двухрядный подшипник. Литой защелкивающийся сепаратор из полиамида. армированного стекловолокном 6.6. | 10.00 | 30.00 | 14.00 |
| 2200S | Шариковый сферический двухрядный подшипник. Запечатанная версия кулачкового ролика. Только для внутреннего и наружного колец. | 10.00 | 30.00 | 14.00 |
| 2Ш10 Ю | Шарнирный подшипник. Одно или два кольца из нержавеющей стали.. Нормы шумности. Без отверстий и канавок для смазки.. | 10.00 | 30.00 | 14.00 |
| 2ШЛТ10 | Шарнирный подшипник. Без отверстий и канавок для смазки. | 10.00 | 30.00 | 14.00 |
| 2ШМ10 ЮТ | Шарнирный подшипник. Температура отпуска. 160°. Одно или два кольца из нержавеющей стали.. Без отверстий и канавок для смазки.. | 10.00 | 30.00 | 14.00 |
| 2ШН10 | Шарнирный подшипник. Неразъемный без отверстий и канавок для смазки. | 10.00 | 30.00 | 14.00 |
| 2ШС10 Ю | Шарнирный подшипник. Одно или два кольца из нержавеющей стали.. С отверстиями и канавками для смазки во внутреннем кольце.. | 10.00 | 30.00 | 14.00 |
| 2ШС10 Ю2УТ | Шарнирный подшипник. Уменьшенный внутренний осевой зазор.. Температура отпуска. 160°. Поверхность скольжения – нержавеющая сталь/серебро (покрытие сферы внутреннего кольца серебром).. С отверстиями и канавками для смазки во внутреннем кольце.. | 10.00 | 30.00 | 14.00 |
| 2ШС10 ЮТ | Шарнирный подшипник. Температура отпуска. 160°. Одно или два кольца из нержавеющей стали.. С отверстиями и канавками для смазки во внутреннем кольце.. | 10.00 | 30.00 | 14.00 |
| 2ШС10ВК | Шарнирный подшипник. Отдельное внутреннее кольцо шарнирного подшипника.. С отверстиями и канавками для смазки во внутреннем кольце.. | 10.00 | 30.00 | 14.00 |
| 5-180500 Е1С1 | Шариковый радиальный однорядный подшипник. Сепаратор из текстолита.. Смазка ОКБ 122-7. | 10.00 | 30.00 | 14.00 |
| 6-180500 КС17Ш1 | Шариковый радиальный однорядный подшипник. Смазка Литол-24. «Замок» (скос) на внутреннем кольце плюс массивный сепаратор из текстолита. Нормы шумности. | 10.00 | 30.00 | 14.00 |
| 6-180500 СЭШ1 | Шариковый радиальный однорядный подшипник. Нормы шумности. Детали из стали ШХ-15 со специальными присадками (ванадий. | 10.00 | 30.00 | 14.00 |
Способы доставки
Отправка через ведущие транспортные и курьерские компании: ПЭК, Деловые Линии, СДЭК, Байкал-Сервис, Энергия, КИТ, ЖелДорЭкспедиция.
Самовывоз возможен напрямую со склада в Москве.
Сроки доставки
Срок зависит от региона и выбранной транспортной компании. Все заказы комплектуются и отправляются в кратчайшие сроки со склада в Москве.
Надёжность и сохранность
Вся продукция упаковывается с учётом требований транспортировки. Мы гарантируем, что подшипники и комплектующие прибудут к заказчику в полной сохранности.
Доставка в страны ЕАЭС
Мы работаем с проверенными логистическими партнёрами, что позволяет оперативно доставлять заказы в Беларусь, Казахстан, Армению и другие страны ЕАЭС.
Варианты оплаты:
Минимальная сумма заказа и скидки:
Документы и гарантии:
Да, конечно! Наши технические специалисты готовы помочь вам с подбором точного аналога или замены подшипника. Просто позвоните нам по телефону +7 (495) 104-99-04 или напишите на почту zakaz@podsnab.ru.
Для оперативной консультации подготовьте, пожалуйста, имеющиеся данные: маркировку, размеры, тип оборудования или артикул старого подшипника.
Да, конечно! Мы высоко ценим долгосрочное сотрудничество и доверие клиентов по всей России. Для постоянных клиентов действует персональная система скидок.
Условия формируются индивидуально и зависят от:
Чтобы узнать свои условия и получить максимально выгодное предложение, свяжитесь с персональным менеджером или напишите нам на почту zakaz@podsnab.ru.
Вы можете оформить заказ несколькими способами:
Для оформления заказа от юридического лица свяжитесь с нашим отделом по работе с корпоративными клиентами по телефону +7 (495) 104-99-04 или напишите на email zakaz@podsnab.ru, прикрепив реквизиты вашей организации.
Мы оперативно подготовим коммерческое предложение и выставим счет.
Возврат товара надлежащего качества возможен в течение 10 дней с момента получения, если товар не был в употреблении, сохранен товарный вид, упаковка не вскрывалась и присутствуют все сопроводительные документы.
Возврат денежных средств осуществляется в течение 10 рабочих дней после проверки товара складом.
В соответствии с законодательством возврату не подлежат подшипники надлежащего качества, если отсутствует оригинальная упаковка или имеются следы монтажа.
В случае выявления брака или гарантийного случая мы гарантируем возврат или обмен товара.
Да, гарантийный срок хранения устанавливается заводом-изготовителем и в среднем составляет 2 года при соблюдении условий хранения: сухое помещение, оригинальная упаковка и смазка.
Точный срок для конкретного типа подшипника уточняйте у наших менеджеров.
Пн–Пт: с 8:00 до 17:00 (МСК).
Сб–Вс: выходные дни.
Заказы на сайте принимаются круглосуточно. Заявки, поступившие после окончания рабочего дня, обрабатываются на следующий рабочий день.
Минимальная сумма заказа для доставки составляет 3000 рублей. Самовывоз со склада возможен на любую сумму при наличии товара.
ООО «УралТехГрупп»
ИНН: 7415093830
КПП: 772401001
ОГРН: 1167456069021
Банк: ПАО Сбербанк
Р/с: 40702810838000475273
К/с: 30101810400000000225
БИК: 044525225
У подшипника NART10R пока нет отзывов. Вы можете стать первым покупателем, поделившимся своим мнением.